Where is the input speed sensor located?

Tiny
THEPATCHMAN JUANTORRES
  • MEMBER
  • 2012 CHEVROLET EXPRESS
  • 4.3L
  • V6
  • 2WD
  • AUTOMATIC
  • 123,000 MILES
I replaced the VSS located at the rear of the transmission but I cannot locate the input speed sensor to install it.
Saturday, April 2nd, 2022 AT 6:20 AM

1 Reply

Tiny
STEVE W.
  • MECHANIC
  • 15,625 POSTS
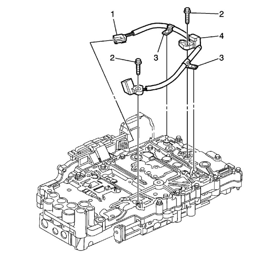
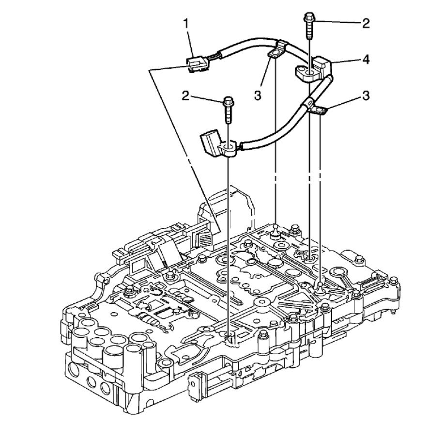
The input and output speed sensor assembly is inside the transmission between the valve body and the transmission case. See the attached for the instructions. Check out the diagrams (Below). Let us know what happens and please upload pictures or videos of the problem.
Was this
answer
helpful?
Yes
No
Saturday, April 2nd, 2022 AT 6:53 AM

Please login or register to post a reply.