Where is the blower resistor located?

Tiny
TSILVA4
  • MEMBER
  • 1999 CADILLAC DEVILLE
  • 4.7L
  • V8
  • 2WD
  • 94,000 MILES
Where is the resistor for the A/C blower motor located on my car listed above?
Tuesday, August 19th, 2025 AT 8:48 AM

7 Replies

Tiny
STEVE W.
  • MECHANIC
  • 15,697 POSTS
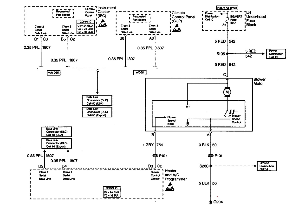
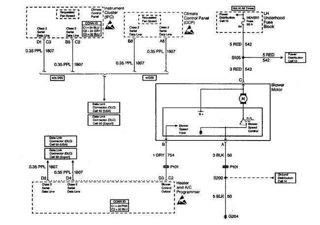
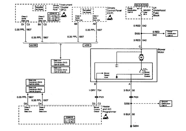
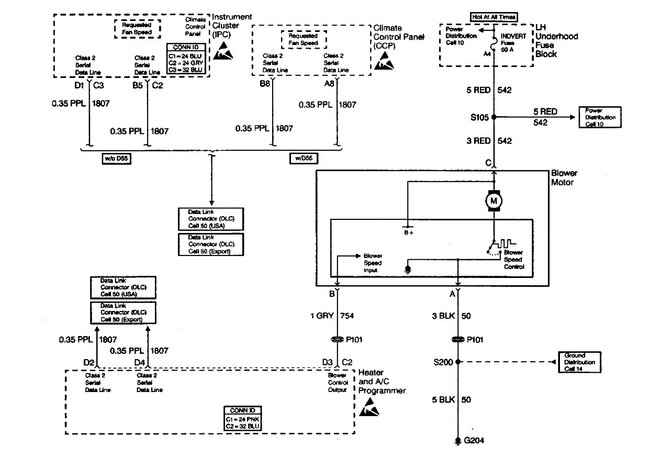
There isn't one for the front blower motor. It uses a solid state pulse width modulation controller to regulate the blower speed. That module is built into the blower motor itself. What seems to be the problem with it?
Was this
answer
helpful?
Yes
No
Tuesday, August 19th, 2025 AT 4:47 PM
Tiny
TSILVA4
  • MEMBER
  • 5 POSTS
The blower comes on low even when the ignition is off and it drains the battery. Then when I run the car, the fan only runs on low.
Was this
answer
helpful?
Yes
No
Wednesday, August 20th, 2025 AT 8:20 AM
Tiny
STEVE W.
  • MECHANIC
  • 15,697 POSTS
OK, to test if it's the blower control you would need to disconnect the connection at connector 2 on the programmer, it is located behind the glove box. That would isolate the blower module. If it still stays on then you know it's the blower motor.
Was this
answer
helpful?
Yes
No
+1
Wednesday, August 20th, 2025 AT 10:55 AM
Tiny
TSILVA4
  • MEMBER
  • 5 POSTS
Do you happen to have a picture of the programmer?
Was this
answer
helpful?
Yes
No
Wednesday, August 20th, 2025 AT 11:54 AM
Tiny
TSILVA4
  • MEMBER
  • 5 POSTS
I found it and discounted both connectors and the fan kept running
Was this
answer
helpful?
Yes
No
Wednesday, August 20th, 2025 AT 2:13 PM
Tiny
TSILVA4
  • MEMBER
  • 5 POSTS
*disconnected
Was this
answer
helpful?
Yes
No
Wednesday, August 20th, 2025 AT 2:14 PM
Tiny
STEVE W.
  • MECHANIC
  • 15,697 POSTS
OK, you have a bad blower motor controller. That is part of the blower motor itself. It is under the hood on the firewall. You remove the brace above it, move the harness out of the way and remove the 3 or 5 screws that secure the blower in place. The new one will have 3 holes only. Reverse the process to install the new one.
Was this
answer
helpful?
Yes
No
+1
Wednesday, August 20th, 2025 AT 5:34 PM

Please login or register to post a reply.