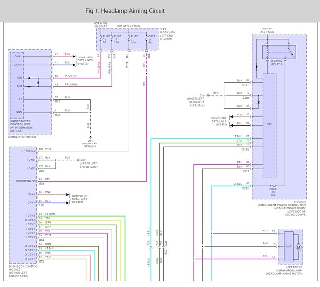
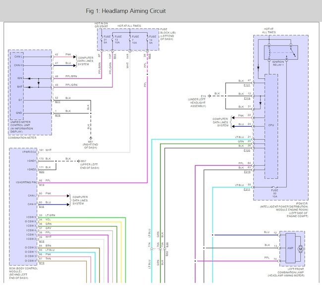
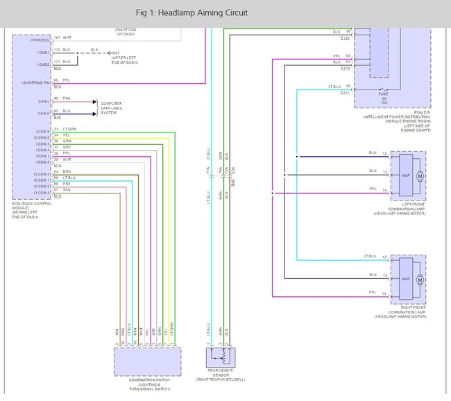
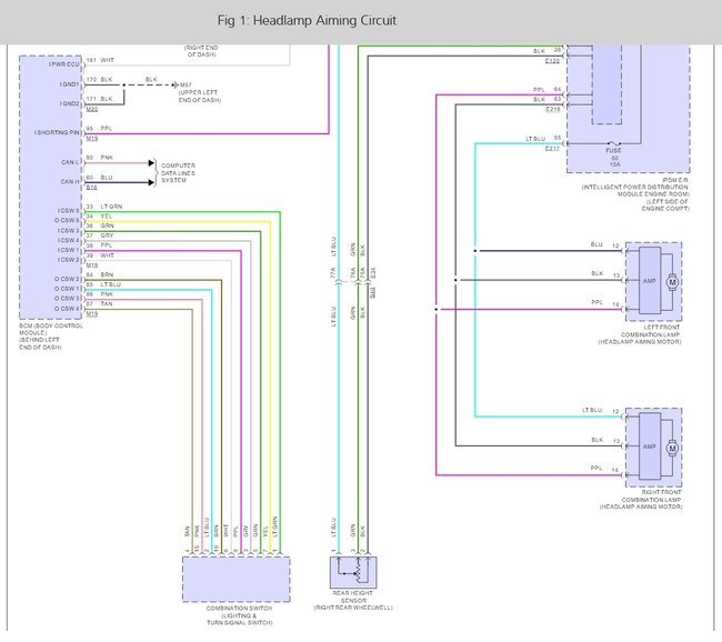
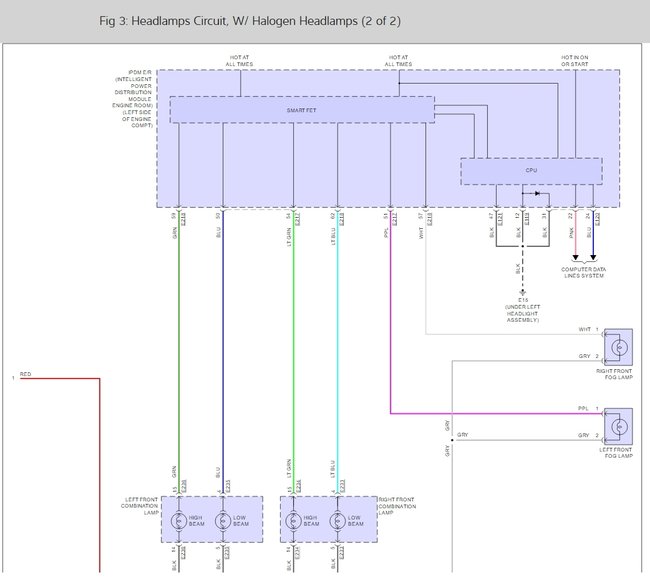
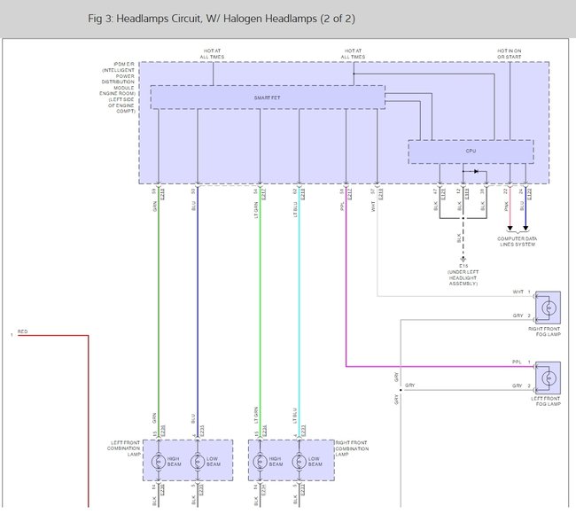
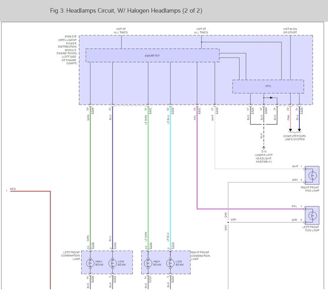
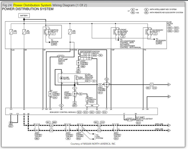
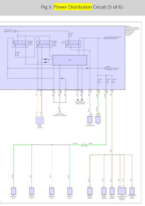
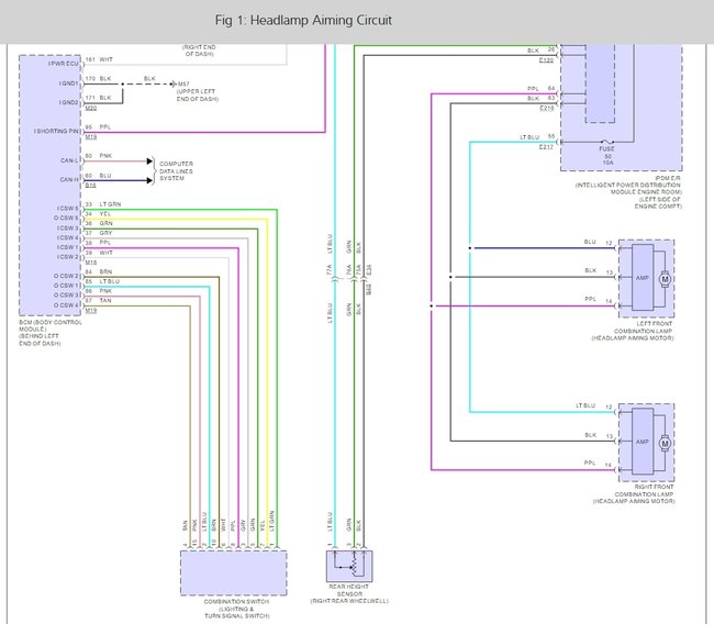
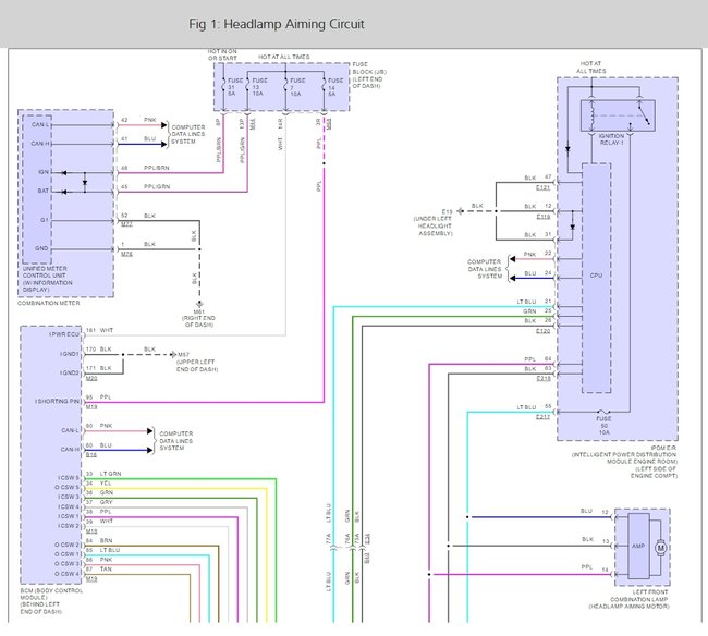
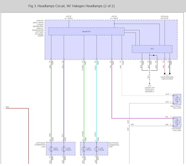
Wednesday, August 10th, 2016 AT 3:09 AM
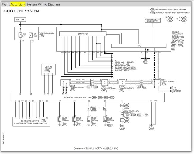
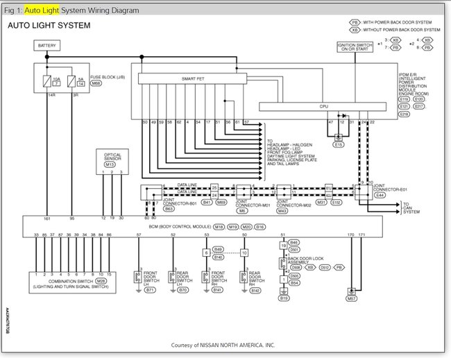
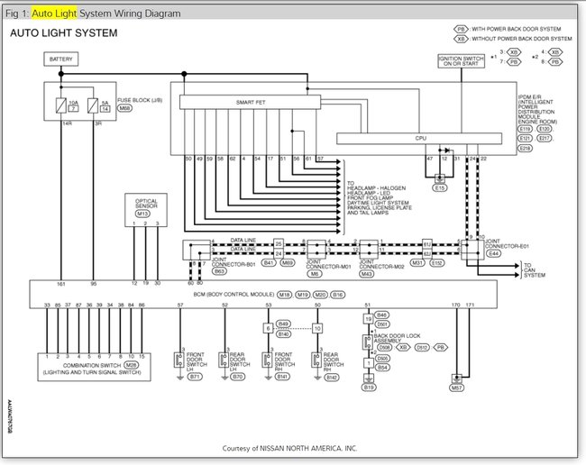
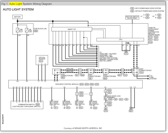
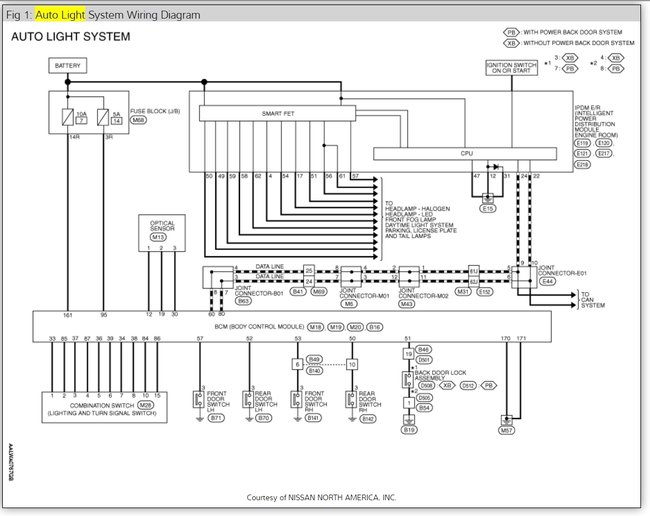
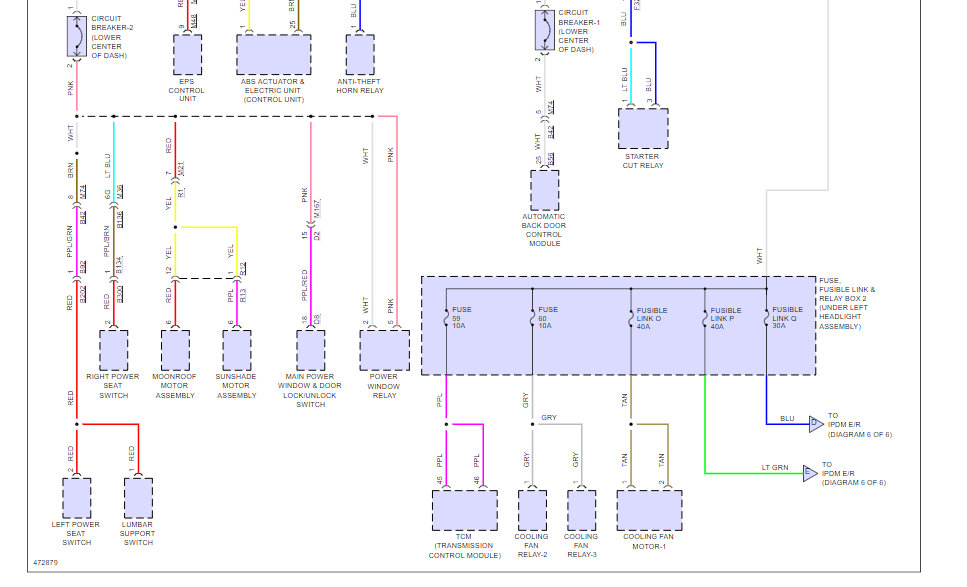
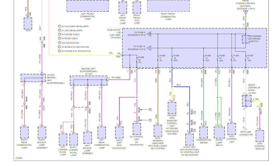
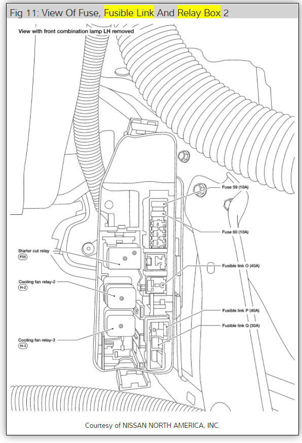
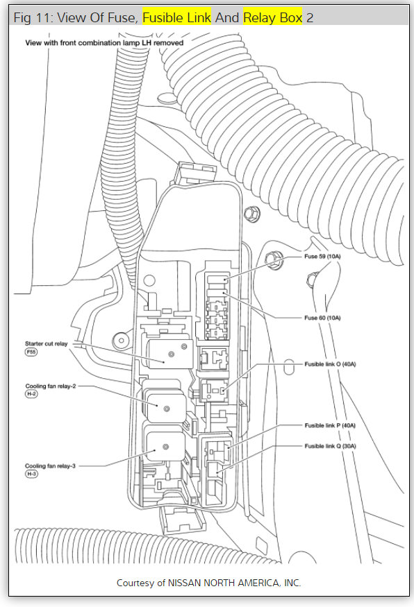
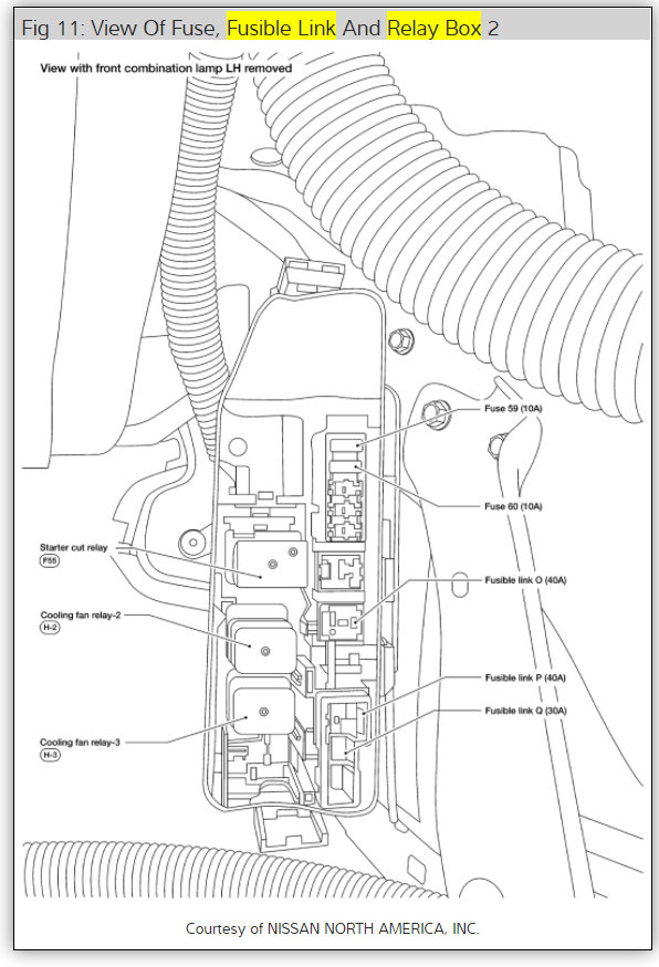
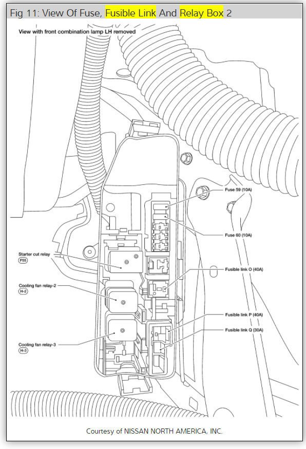
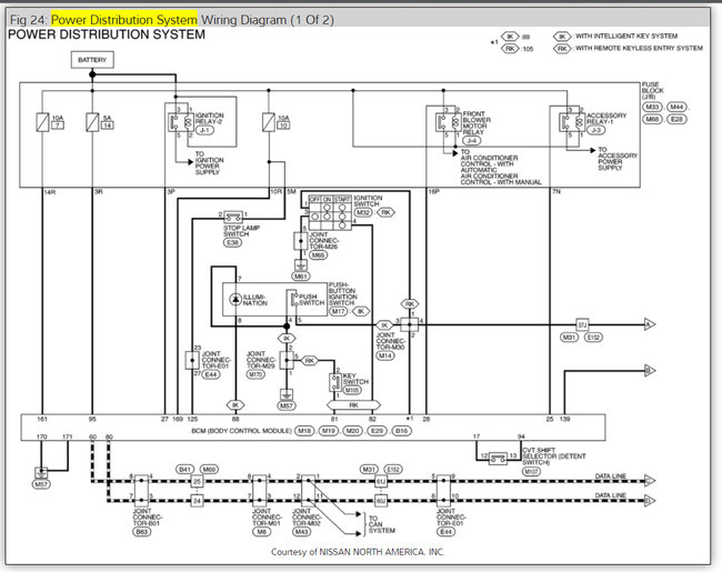
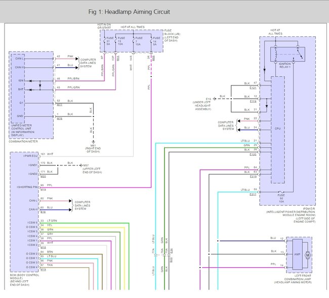
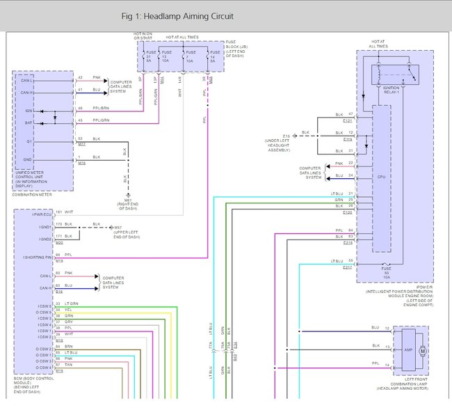
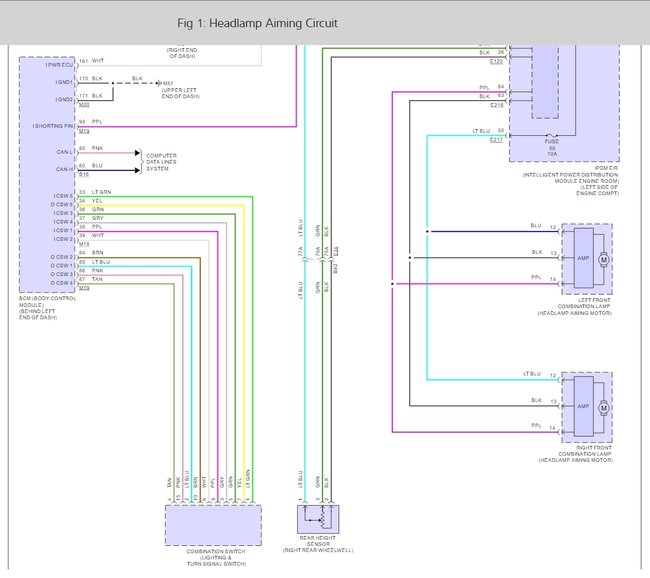
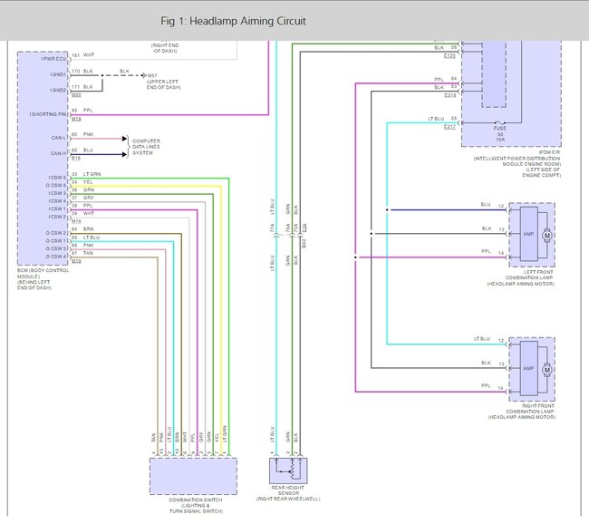
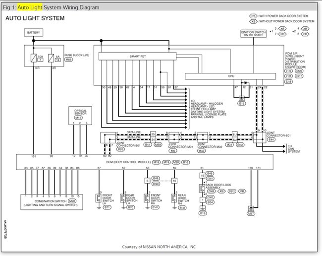
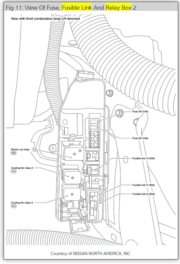
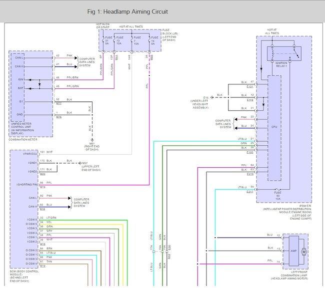
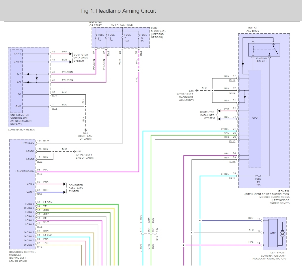
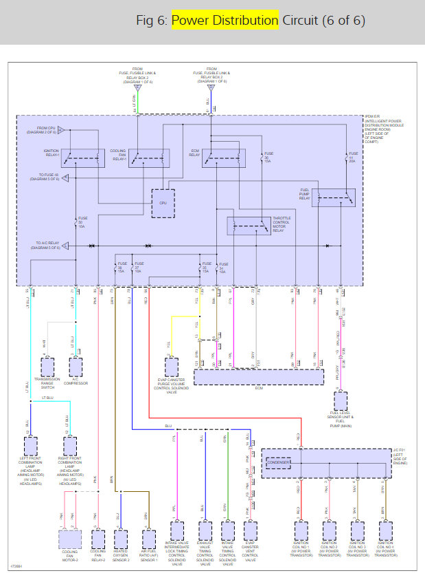
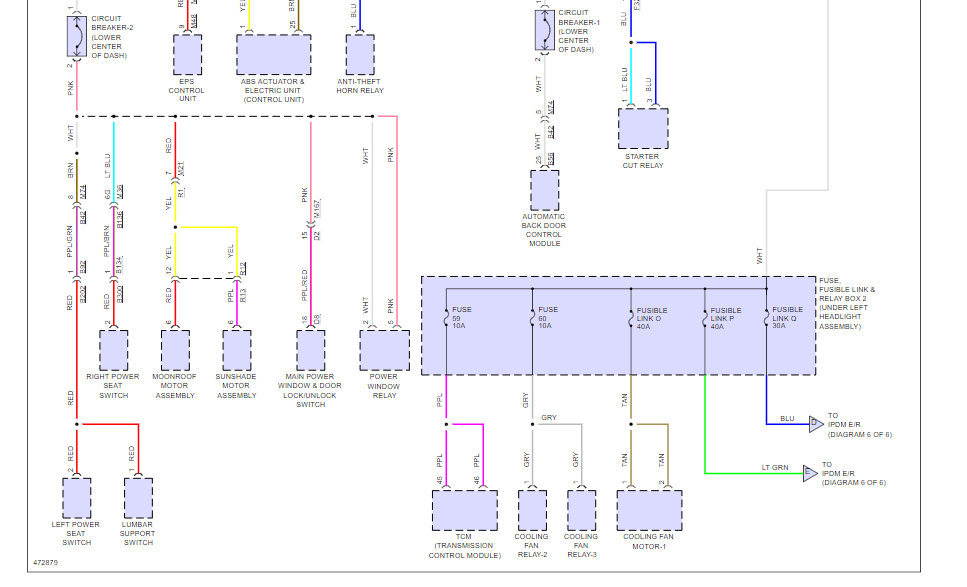
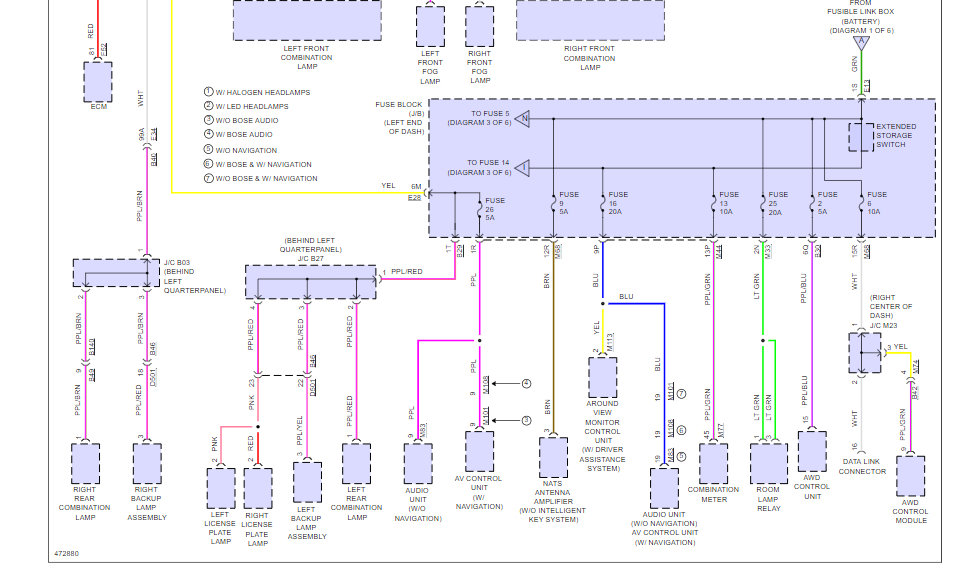
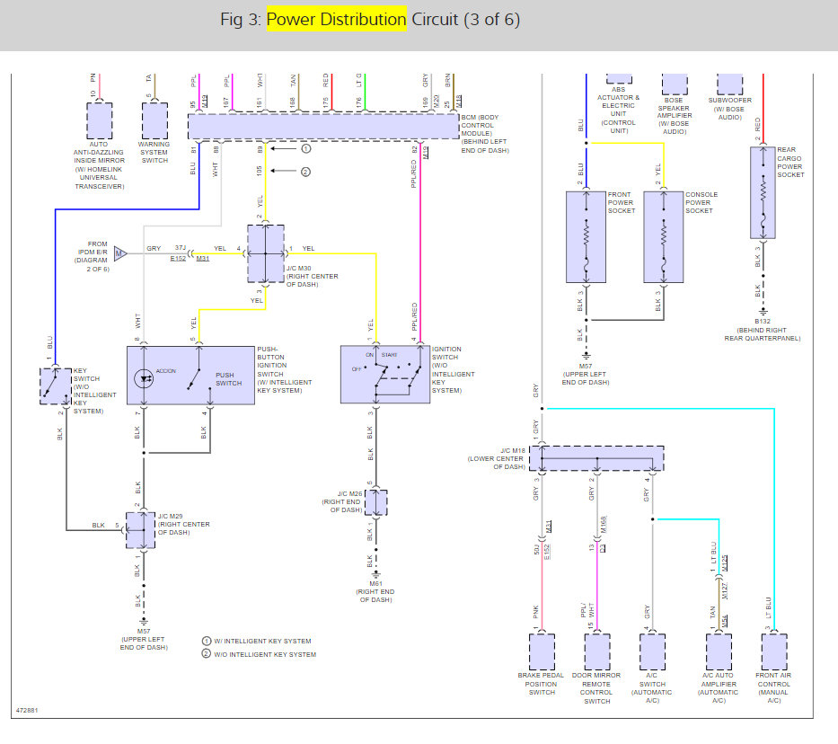
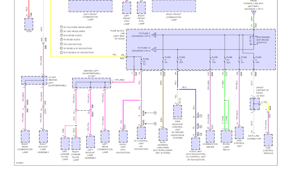
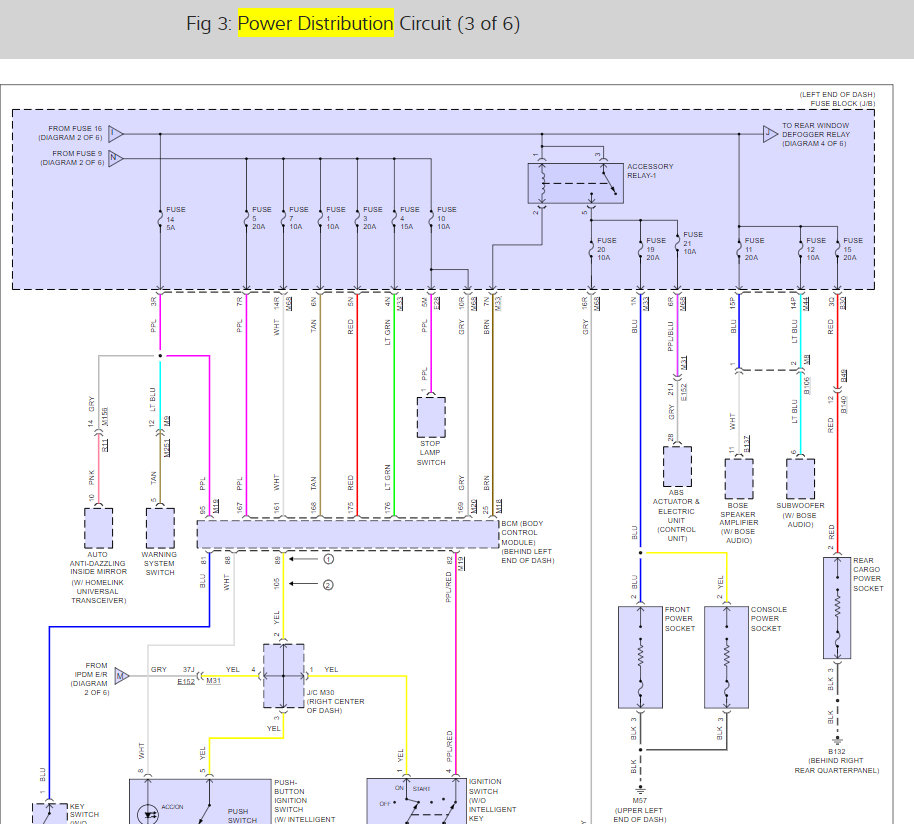
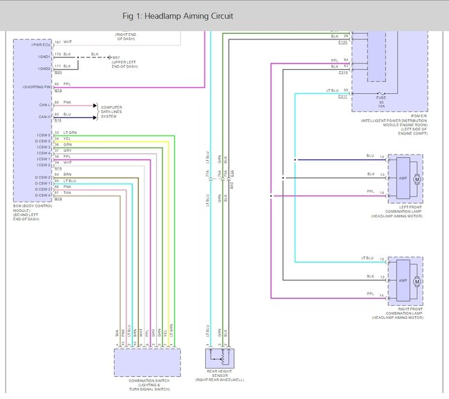
My right side headlamp is out, tested bulb on the other side, okay. Thought might be fuse, and there the fun begins: manual does not list fuses, and the three locations for fuses, does not give headlamps as a description.





























