Location of door lock fuses or relay

2009 NISSAN ALTIMA
36,000 MILES
Avatar
1D3CL4R3W4R
  • MEMBER
  • 1 POST
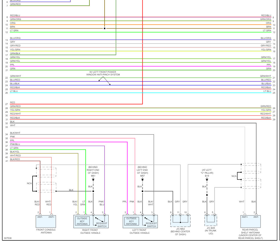
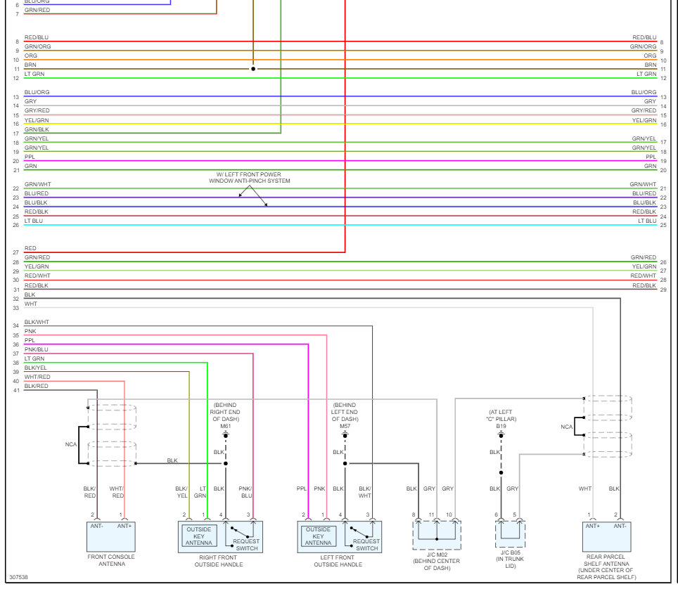
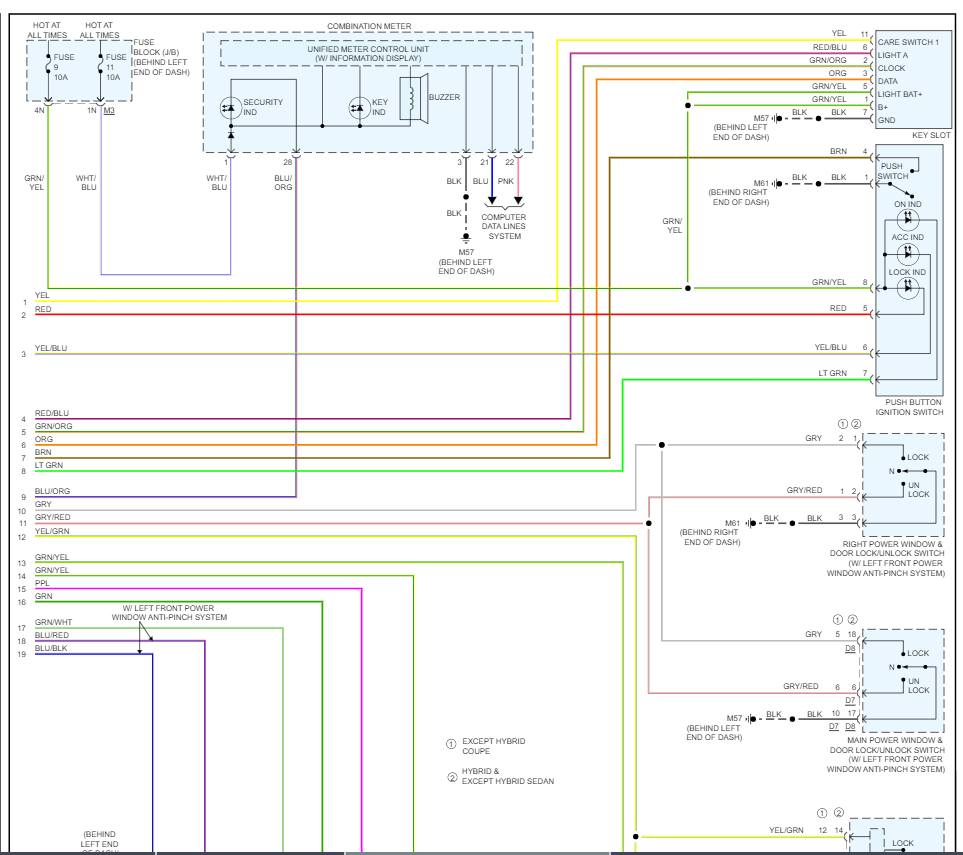
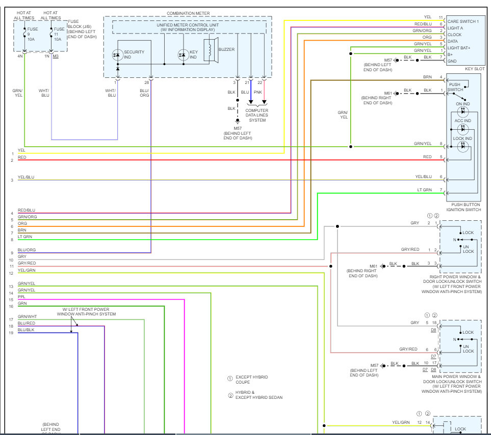
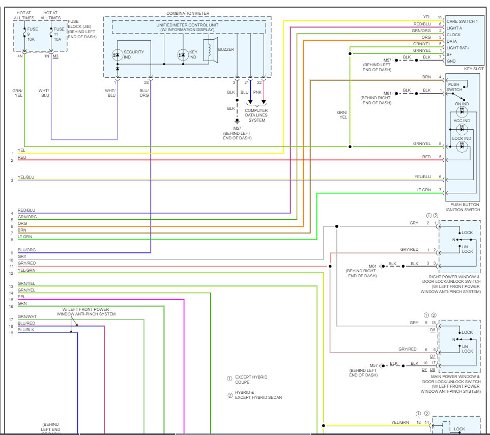
Only driver rear door unlocks with intelligent key And door lock Button.
May 20, 2023 at 2:09 PM
Repair Safety Notice: This information is for general instructional purposes only. Vehicle repair can be dangerous. Verify all information, follow manufacturer service procedures, use proper tools and safety equipment, and consult a qualified repair shop when needed.
Advertisement
Avatar
STRAILER
  • CAR REPAIR CONTRIBUTOR
  • 54,193 POSTS
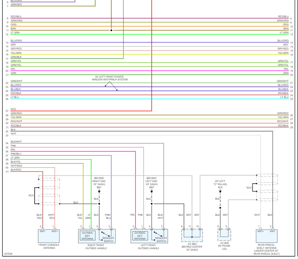
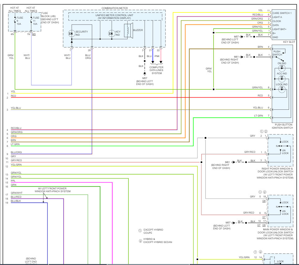
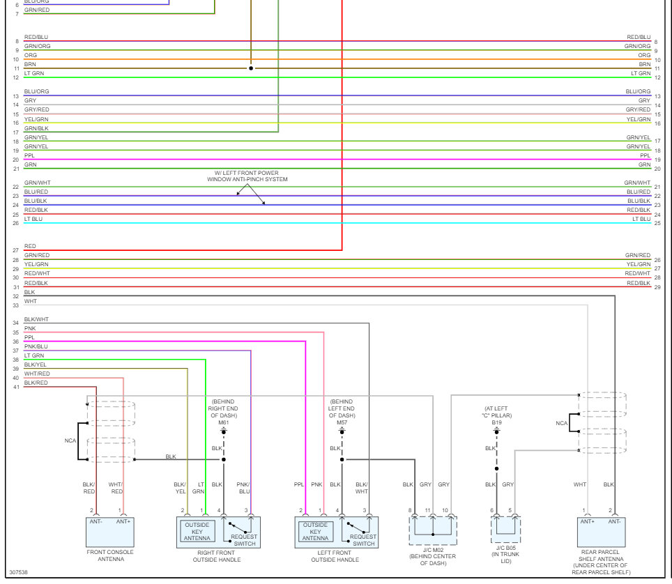
The fuses for the door locks are #10, 6 and 7 in the fuse panel at the left side of the dash. Here is a guide and the location of the fuses along with the door lock wiring diagrams so you can see how the system works:

https://www.2carpros.com/articles/how-to-check-a-car-fuse

Check out the images (below). Please let us know what happens. You may have a IPDM going out.
May 22, 2023 at 9:58 AM
Advertisement