Coolant temperature control sensor location

Tiny
STAHE
  • MEMBER
  • 2009 FORD FLEX
  • 3.5L
  • 6 CYL
  • 4WD
  • AUTOMATIC
  • 162,000 MILES
I've searched everywhere online, multiple forums and images through Google searches and I've had no luck in locating this part. I'm trying to locate the coolant temperature control sensor that tells the vehicle computer when to turn the fans on. I'd greatly appreciate an image of the actual location, because I have very limited auto knowledge, and descriptions people have given others in forums hasn't helped me locate it. Again, please share an image or diagram of this location, so I can finally fix my vehicle.
Friday, June 7th, 2019 AT 6:13 PM

10 Replies

Tiny
JACOBANDNICKOLAS
  • MECHANIC
  • 110,192 POSTS
Welcome to 2CarPros.

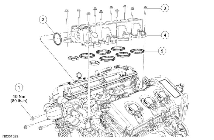
This vehicle has a cylinder head temperature sensor (CHT) which signals the computer. The bad news is you have to remove the intake manifold to access it. It is located under it. Picture 1 shows its location.

Here are the directions for removing the lower intake manifold. Sensor replacement will follow. All attached pictures correlate with these directions.

__________________________________________
See Picture 2

See Picture 3

Removal

NOTICE: During engine repair procedures, cleanliness is extremely important. Any foreign material, including any material created while cleaning gasket surfaces that enters the oil passages, coolant passages or the oil pan, may cause engine failure.

1. Remove the fuel rail.

2. Drain the cooling system.

3. Remove the 3 thermostat housing-to-lower intake manifold bolts.

4. Remove the 10 bolts and the lower intake manifold.
- Remove and discard the intake manifold and thermostat housing gaskets.

- Clean and inspect all sealing surfaces.

Installation

1. NOTICE: If the engine is repaired or replaced because of upper engine failure, typically including valve or piston damage, check the intake manifold for metal debris. If metal debris is found, install a new intake manifold. Failure to follow these instructions can result in engine damage.

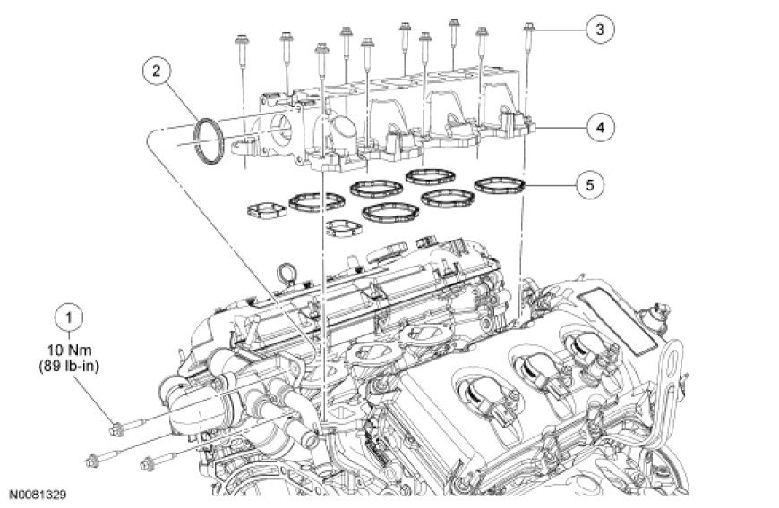
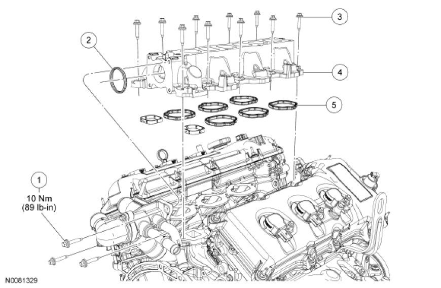
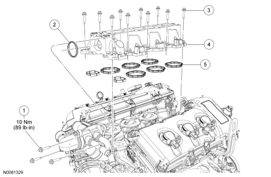
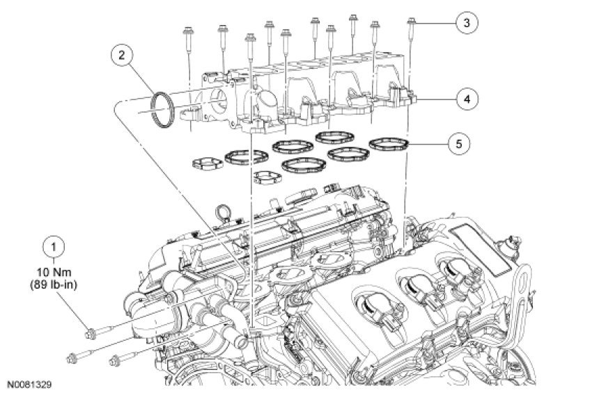
Using new intake manifold and thermostat housing gaskets, install the lower intake manifold and the 10 bolts.

- Tighten in the sequence shown to 10 Nm (89 lb-in).

See Picture 4

2. Install the 3 thermostat housing-to-lower intake manifold bolts.
- Tighten to 10 Nm (89 lb-in).

3. Install the fuel rail.

4. Fill and bleed the cooling system.

_______________________________________________

Sensor Replacement

Cylinder Head Temperature (CHT) Sensor

Picture 5

Picture 6

1. Remove the lower intake manifold.

2. Disconnect the Cylinder Head Temperature (CHT) sensor electrical connector.

3. Remove and discard the CHT sensor.
- To install, tighten to 10 Nm (89 lb-in).

4. To install, reverse the removal procedure.
- Do not reuse the CHT sensor, install a new sensor.

___________________________________________

Let me know if this helps or if you have other questions.

Take care,
Joe
Was this
answer
helpful?
Yes
No
Friday, June 7th, 2019 AT 10:30 PM
Tiny
SCGRANTURISMO
  • MECHANIC
  • 4,897 POSTS
Hello,

I have included the instructions for the removal and installation of your vehicle's Cylinder Head Temperature sensor (CHT). It is located under your engine's intake manifold. Please go through the guide and get back to us with what you are able to find out.

Thanks,
Alex
2CarPros
Was this
answer
helpful?
Yes
No
Friday, June 7th, 2019 AT 10:40 PM
Tiny
STAHE
  • MEMBER
  • 5 POSTS
Joe, thank you for that detailed guide. It was very helpful, although it didn't seem to fix the issue. I just finished replacing this sensor yesterday, but the problem still persists. I read somewhere online there may be two sensors on the 2009 Ford Flex. Do you happen to know where the second is located, if that is the case? Thanks again!
Was this
answer
helpful?
Yes
No
Wednesday, June 12th, 2019 AT 9:49 AM
Tiny
JACOBANDNICKOLAS
  • MECHANIC
  • 110,192 POSTS
Welcome back:

If there is another one, it will either be mounted on the side of the radiator, the thermostat housing at engine front, or the side of the engine block, but I don't recall there being one.

I attached a wiring schematic of the cooling fan circuit. I circled the CHT and pointed to where the signal goes. First it is sent to the PCM and then power goes to the cooling fans. I had to cut the pic in half, but I did overlap them so you can follow it.

Let me know if this helps.

Joe
Was this
answer
helpful?
Yes
No
Wednesday, June 12th, 2019 AT 8:32 PM
Tiny
STAHE
  • MEMBER
  • 5 POSTS
Joe, Thanks for that diagram, but I don't know how to understand that. My auto knowledge stops at changing a tire. All the work I've done so far has come from video walkthroughs.

I may just have to keep replacing parts until one eventually fixes the issue. So far it's looking like the whole fan assembly and the PCM. IF those don't fix it, I'll just have to sell it and someone who knows about this stuff could fix it on their own.

Thank you for all your help!
Was this
answer
helpful?
Yes
No
Thursday, June 13th, 2019 AT 11:23 AM
Tiny
JACOBANDNICKOLAS
  • MECHANIC
  • 110,192 POSTS
Welcome back:

I added those pictures to show that the cooling fans receive their signal from the sensor you replaced. Tell me, have you checked the basics such as fuses, relays, and the fan motors themselves?

Let me know. I want to help you through this.

Joe
Was this
answer
helpful?
Yes
No
Thursday, June 13th, 2019 AT 12:04 PM
Tiny
STAHE
  • MEMBER
  • 5 POSTS
Joe,

To explain the situation a little better, the original issue is that the fans on the fan assembly weren't running at all. The fuses and relays were the first things I checked. The first part I replaced was the sensor control module attached to the fan assembly, and the pigtail connector going into the control module. After I hooked everything back up, the fans turns on. This is also when I found out the fans didn't shut off. I let the vehicle run for about twenty minutes, then turned the vehicle off. The fans remained on, so I let the vehicle fans run for another fifteen minutes before having to disconnect the battery. The most recent things I've replaced, was the gaskets to the manifold, and the temperature control sensor that you thankfully walked me through on replacing. The only things I haven't replaced yet, is the PCM, and the actual fan assembly itself. As a side note, when I replaced the pigtail connector going from the vehicle power to the sensor control module, I noticed after matching the wires up, the part was actually backwards compared to the original part position. I'm not sure if maybe the aftermarket part manufacturer did it wrong, but I'm not sure. This has been a pretty frustrating issue for me, because the vehicle has been disabled for going on three months now. I'm frustrated because I can only afford to buy a part every two weeks due to finances, so this repair has been stretched longer than it should. I'm just tired of guessing, and none of the things I buy and replace have fixed it.
Was this
answer
helpful?
Yes
No
Sunday, June 23rd, 2019 AT 5:22 PM
Tiny
JACOBANDNICKOLAS
  • MECHANIC
  • 110,192 POSTS
Welcome back:

You have me confused on the wiring you replaced. When you say it was backwards, are you sure the power supply is still the same? Tell me this, if you pull the relay, does the fan still run? If so, you most likely are supplying power straight to the fans and bypassing the relay or there is a short to power. I wish I was there to help. It's much more difficult not having the vehicle in front of me.

Let me know.

Joe
Was this
answer
helpful?
Yes
No
+1
Sunday, June 23rd, 2019 AT 8:15 PM
Tiny
STAHE
  • MEMBER
  • 5 POSTS
Joe,

Sorry for the confusion. I don't really know much when it comes to repairing vehicles. I'll share a couple photos that might help me in explaining. I did what you mentioned this morning in terms of removing the relay. When I did that, the fans stopped working. They turned back on after plugging the relay back in.

In the first image, there's the fan assembly for my vehicle. On the left blade, there is a silver box. That's the sensor control module that I first replaced. In the second image, it has the control module in the top left, and right under it is the pigtail connector that connects straight into the control module. When I mentioned the wiring issue I wasn't sure about, it was in regards to this pigtail piece. When I removed the original pigtail, the wiring was all flush and straight without any twisting or anything. When I got the new pigtail and matched up the wire colors, the grey connector piece was turned around. I ended up having to essentially twist the wiring after connecting it in order to connect the pigtail to the control module.
Was this
answer
helpful?
Yes
No
Monday, June 24th, 2019 AT 12:44 PM
Tiny
JACOBANDNICKOLAS
  • MECHANIC
  • 110,192 POSTS
Welcome back:

No confusion at all. Since the fans did stop when you removed the relay, there isn't a short after the relay. Did you ever replace the relay or check it?

https://www.2carpros.com/articles/how-to-check-an-electrical-relay-and-wiring-control-circuit

Let me know.

Joe
Was this
answer
helpful?
Yes
No
Monday, June 24th, 2019 AT 5:53 PM

Please login or register to post a reply.