Location for cluster board relay

1995 CHEVROLET CAPRICE
194,000 MILES • 5.7L • V8 • 2WD • AUTOMATIC
Avatar
MG STEEL
  • MEMBER
  • 18 POSTS
Looking for the location of cluster board relay and what color is it?
Dec 13, 2019 at 8:41 AM
Repair Safety Notice: This information is for general instructional purposes only. Vehicle repair can be dangerous. Verify all information, follow manufacturer service procedures, use proper tools and safety equipment, and consult a qualified repair shop when needed.
Advertisement
Avatar
SCGRANTURISMO
  • CAR REPAIR CONTRIBUTOR
  • 4,897 POSTS
Hello,

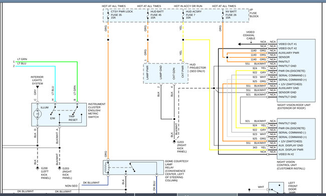
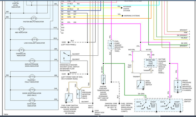
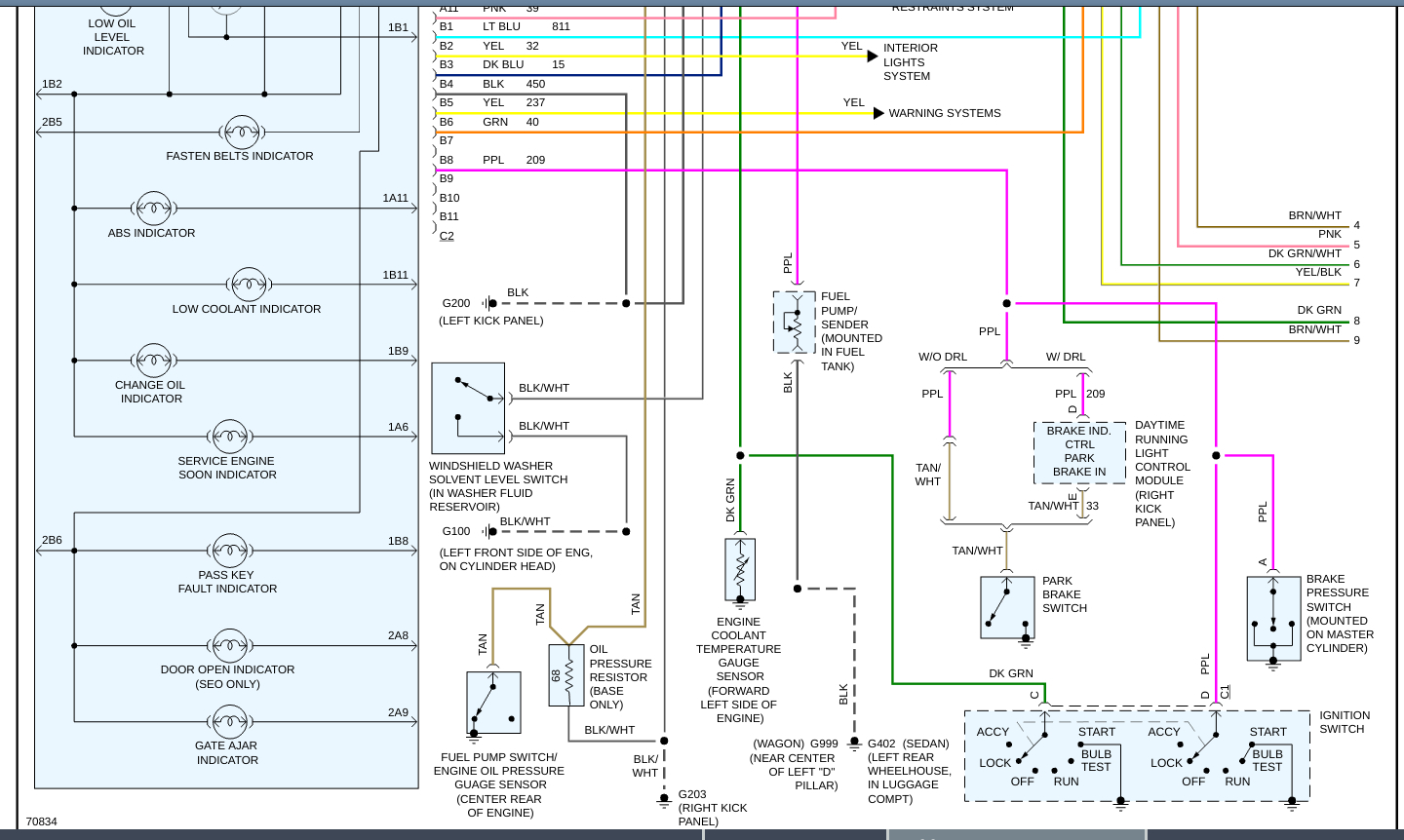
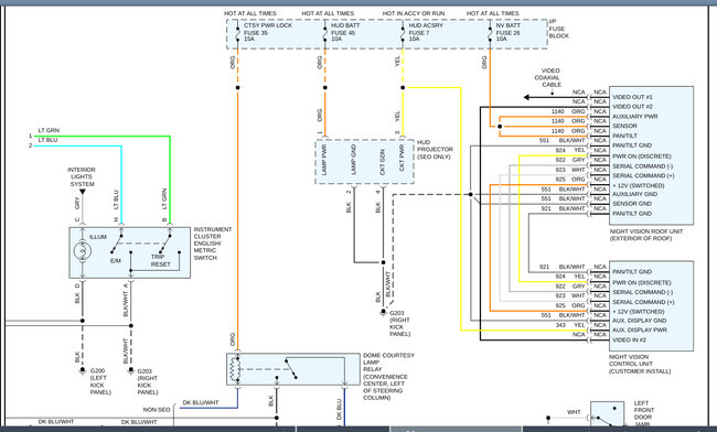
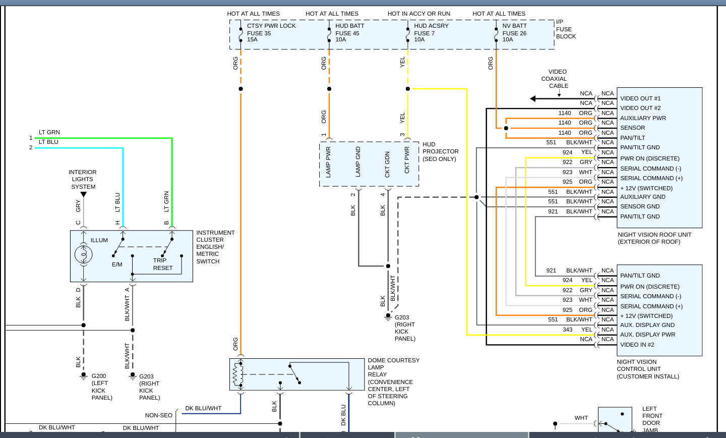
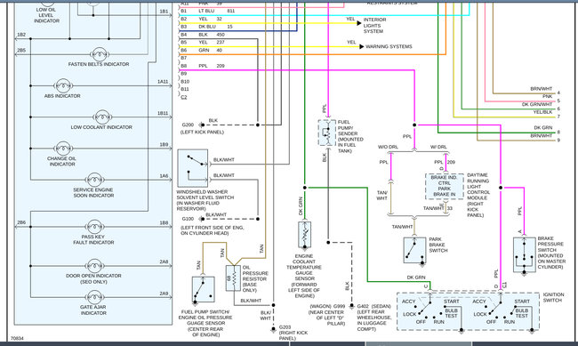
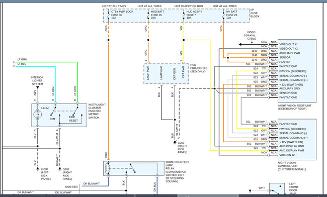
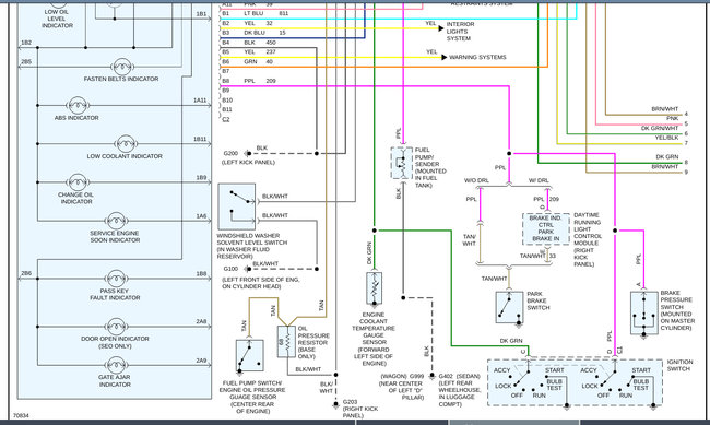
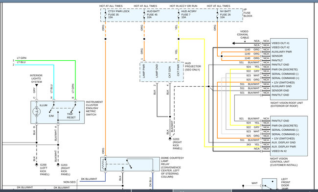
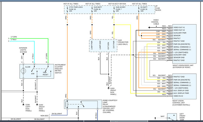
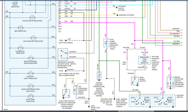
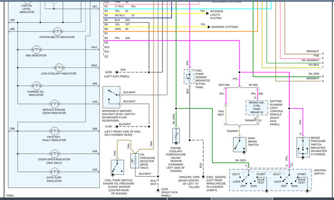
There is no relay for your vehicle's instrument cluster. In the diagrams down below I have included the wiring diagrams for your vehicle's instrument panel and the location and layout diagrams complete with call out for your vehicle's Instrument Panel Fuse Panel. In the Instrument Panel Fuse Box there are Fuses 11, 20, and 33 which feed your vehicle's instrument cluster. Here is a guide down below on how to check a fuse, if needed:

https://www.2carpros.com/articles/how-a-car-fuse-works

Please go through these guides and get back to us with how everything turns out, or if you have any other questions.

Thanks,
Alex
2CarPros
Dec 13, 2019 at 9:27 PM
Advertisement
Avatar
AARON1300
  • MEMBER
  • 2 POSTS
I have the same problem with my 94 Chevy. Caprice wagon 5.7 l. I replaced all the fuses you mentioned. and still my speedometer display is not working. plus, why are they selling one on Amazon and eBay? If there's no cluster relay?
Jan 28, 2024 at 12:05 PM
Avatar
STRAILER
  • CAR REPAIR CONTRIBUTOR
  • 54,193 POSTS
As you can see from the wiring diagrams above there is no cluster relay.
Jan 29, 2024 at 9:34 AM