Exterior lights stay on

Tiny
REALGONE58
  • MEMBER
  • 1994 LINCOLN TOWN CAR
  • V8
  • 2WD
  • AUTOMATIC
  • 148,000 MILES
The car listed above is a Signature Series. Car sitting in garage, horn started blowing constant and all exterior lights were on constant. Pulled horn fuse. Disconnected battery, re-connected and all exterior lights stay on. Does not have DRL, no auto dimming, but does have Auto Lamp delay lighting. That is off, headlight switch off. Charged battery fully, and problem went away. Reoccurs periodically. Lighting module? Headlight switch? Any ideas?
Sunday, August 9th, 2020 AT 1:21 PM

11 Replies

Tiny
ASEMASTER6371
  • MECHANIC
  • 52,796 POSTS
Good morning,

Low voltage will definitely cause this issue.

Did you have the battery tested as well as the charging system?

https://www.2carpros.com/articles/car-battery-load-test

https://www.2carpros.com/articles/how-to-check-a-car-alternator

Do you have a factory or aftermarket alarm system?

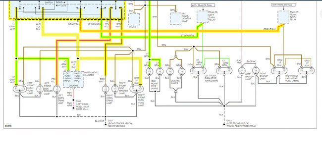
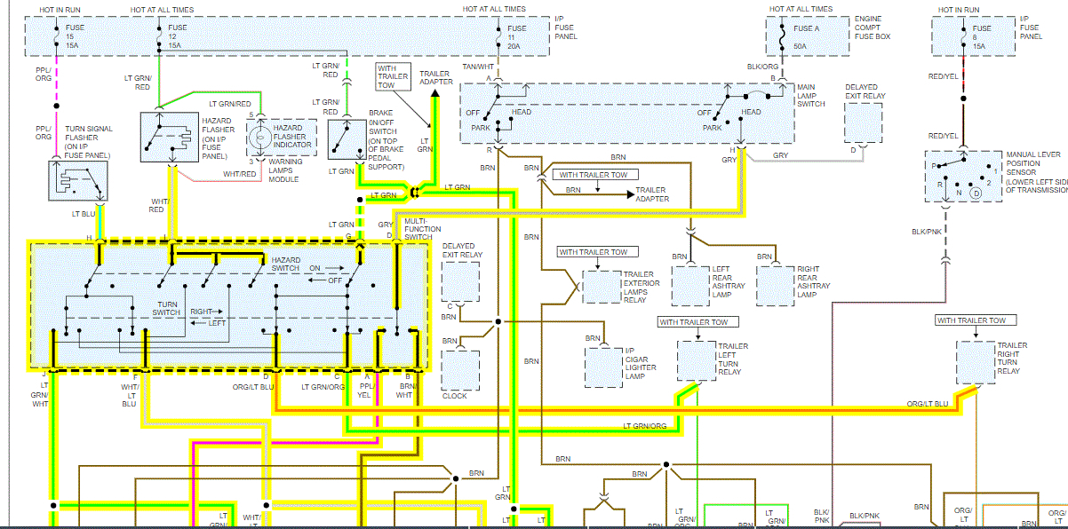
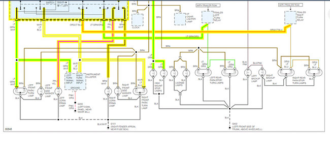
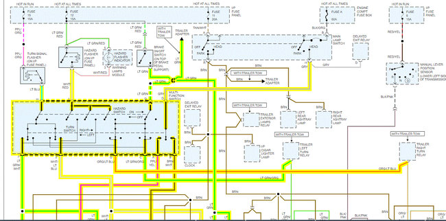
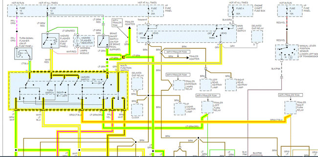
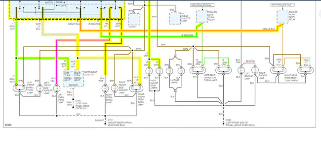
This does not have a light control module like the newer ones had. They relied on the multi-function switch for the light operations.

https://www.2carpros.com/articles/how-to-check-wiring

I would suspect the switch is the issue.

Roy

REMOVAL
1. Disconnect battery ground cable.
2. Place tilt column to lowest position and remove tilt lever.
3. Remove ignition lock cylinder.
4. Remove shroud attaching screws, then the upper and lower shroud.
5. Remove wiring harness retainer, then disconnect electrical connectors.
6. Remove multi-function switch to steering column attaching screws, then the multi-function switch.

INSTALLATION
1. Connect switch electrical connectors.
2. Install switch and retaining screws. Torque screws to 18-27 in lb.
3. Install wiring harness retainer.
4. Install upper and lower trim shrouds. Torque screws to 6-10 in lb.
5. Install ignition lock cylinder.
6. Install tilt lever. Torque retaining bolt to 6-9 in lb.
7. Connect battery ground cable.
8. Check steering column and switch for proper operation.
Was this
answer
helpful?
Yes
No
Monday, August 10th, 2020 AT 5:00 AM
Tiny
REALGONE58
  • MEMBER
  • 6 POSTS
Thanks for your reply. Alternator is charging. Battery is a 3 year old $40.00 blem. That's about how long you get out of those here in Florida. I will purchase a new high quality battery today. So far so good, after charging. It is the factory anti-theft system by the way. Everything on the MFS seems to be working good. Ignition switch is worn out however, can be used without a key. Don't know if that has anything to do with it, but it's been that way as long as I've owned the car, over three years.
Was this
answer
helpful?
Yes
No
Monday, August 10th, 2020 AT 7:22 AM
Tiny
ASEMASTER6371
  • MECHANIC
  • 52,796 POSTS
Okay, good. The switch may be working but it is not turning off the lights.

That is what it indicates, the switch itself.

Roy
Was this
answer
helpful?
Yes
No
Monday, August 10th, 2020 AT 7:52 AM
Tiny
REALGONE58
  • MEMBER
  • 6 POSTS
You feel I should replace the MFS?
Was this
answer
helpful?
Yes
No
Monday, August 10th, 2020 AT 8:49 AM
Tiny
ASEMASTER6371
  • MECHANIC
  • 52,796 POSTS
Yes, that is what controls power to the lights. The switch should turn them off and it is not.

Roy
Was this
answer
helpful?
Yes
No
Monday, August 10th, 2020 AT 9:03 AM
Tiny
REALGONE58
  • MEMBER
  • 6 POSTS
Multi function switch controls power to the lights? I thought the headlight switch did that.
Was this
answer
helpful?
Yes
No
Monday, August 10th, 2020 AT 11:11 PM
Tiny
ASEMASTER6371
  • MECHANIC
  • 52,796 POSTS
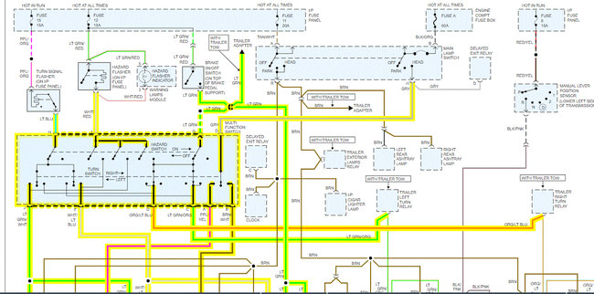
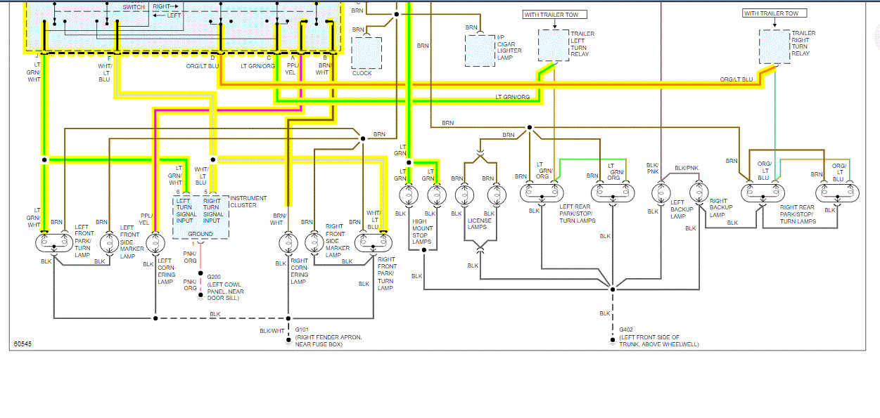
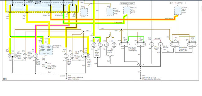
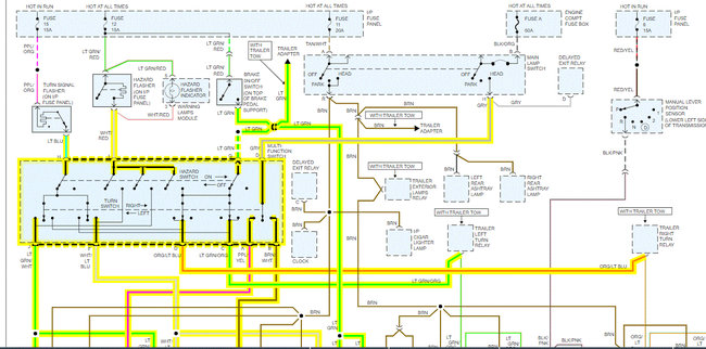
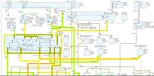
If you look at the diagram, the headlight switch sends a signal to the multi function switch and that sends the power to the all the lights.

To be sure, you need to test the gray wire to the switch for power when you turn off the lights. See if it has power when the lights are commanded off.

Roy
Was this
answer
helpful?
Yes
No
Tuesday, August 11th, 2020 AT 4:16 AM
Tiny
REALGONE58
  • MEMBER
  • 6 POSTS
Okay, thanks very much.
Was this
answer
helpful?
Yes
No
Tuesday, August 11th, 2020 AT 8:10 AM
Tiny
ASEMASTER6371
  • MECHANIC
  • 52,796 POSTS
You are welcome.

Always glad to help.

Roy
Was this
answer
helpful?
Yes
No
Tuesday, August 11th, 2020 AT 8:19 AM
Tiny
REALGONE58
  • MEMBER
  • 6 POSTS
I installed a new battery on the 12th, and it hasn't done it again. Fingers crossed.
Was this
answer
helpful?
Yes
No
Saturday, August 15th, 2020 AT 8:11 AM
Tiny
ASEMASTER6371
  • MECHANIC
  • 52,796 POSTS
Good job.

Keep me updated.

Roy
Was this
answer
helpful?
Yes
No
Saturday, August 15th, 2020 AT 3:53 PM

Please login or register to post a reply.