Oil sending switch

Tiny
CHERYL85024
  • MEMBER
  • 1999 LINCOLN TOWN CAR
I recently had my oil changed and they replaced my oil sending switch because there was a leak. We tried 4 different switches, including one from the Ford dealership and all of them do not allow the oil light inside car to go out. The first three were from regular auto parts store but the last one was the actual part from the dealership. Lincoln dealership told me that I probably got a bad part but is it possible to get 4 bad parts in a row. Maybe the computer needs to be reset. Any help you can give me will be greatly appreciated. Many thanks.

P.S. I have attached a photo of the original part. All the new ones look totally different.


http://www.2carpros.com/forum/automotive_pictures/490306_oilSwitch_1.jpg

Sunday, March 7th, 2010 AT 9:45 PM

3 Replies

Tiny
RASMATAZ
  • MECHANIC
  • 75,992 POSTS
You need to check the oil pressure with a mechanical gauge-could be the oil pump is weak not producing the correct pressure
Was this
answer
helpful?
Yes
No
-2
Monday, March 8th, 2010 AT 4:41 AM
Tiny
CHERYL85024
  • MEMBER
  • 2 POSTS
The weird thing is... each time I had to put the old switch back on to be able to return the new switch that didnt work, the old switch allowed the oil light to go out. This happened three times as I had to return the switches that didn't work.

Again, I have attached a photo of the old switch, which again looks different from the new ones. Keep in mind the old part is probably from 1999.


https://www.2carpros.com/forum/automotive_pictures/490306_oilSwitch_2.jpg

Was this
answer
helpful?
Yes
No
+2
Monday, March 8th, 2010 AT 2:04 PM
Tiny
RASMATAZ
  • MECHANIC
  • 75,992 POSTS
Oil Pressure Sender Oil Pressure Sending Unit The correct part number is sw-2220. E9sz-9278-a motorcraft part-Cross reference this OEM Part no. According to the wiring a 99 is a single wire switch, you should be able to test the new switches to see if they have continuity from the connector the the body of the switch, If so they are bad. Depending on the year, your car may need one from a 2000, you may want to see if there is a difference

Read the guide on using a meter below, it will help

https://www.2carpros.com/articles/how-to-use-a-voltmeter

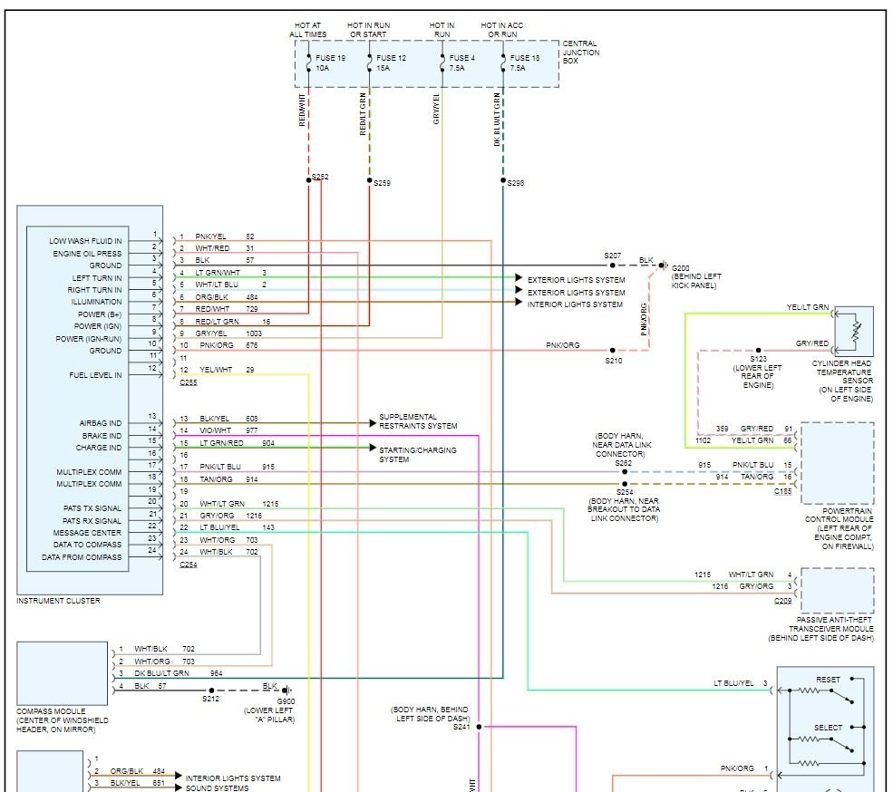
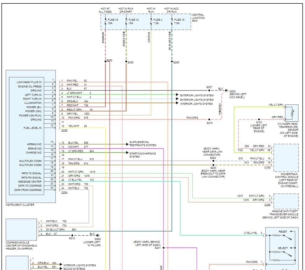
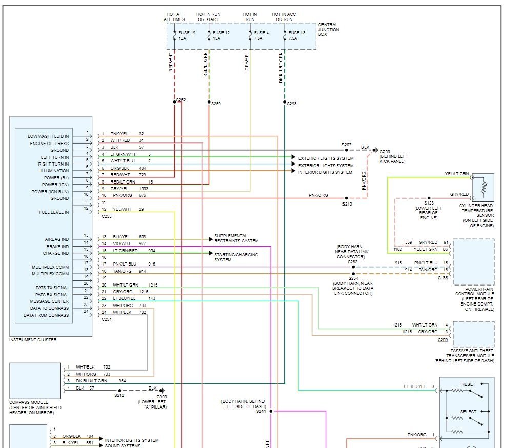
Wiring diagrams of you instrument cluster/gauges are attached below
Was this
answer
helpful?
Yes
No
Monday, March 8th, 2010 AT 3:38 PM

Please login or register to post a reply.