Keyless code pad not working

Tiny
SUZY18US
  • MEMBER
  • 2001 LINCOLN CONTINENTAL
Electrical problem V8 Front Wheel Drive Automatic 160 miles

when I enter the code on the keypad it doesn't light up when you touch the pad, and the door doesn't unlock. And I have tried making a new code and it doesn't work. How do I go about trying to fix it?
Thursday, August 21st, 2008 AT 1:25 PM

1 Reply

Tiny
KEN L
  • MASTER CERTIFIED MECHANIC
  • 55,440 POSTS
Hello,

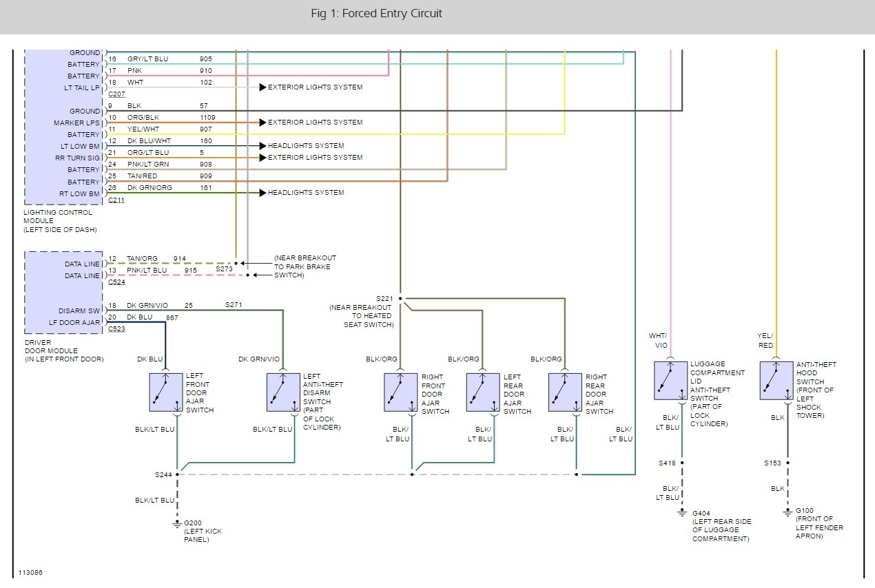
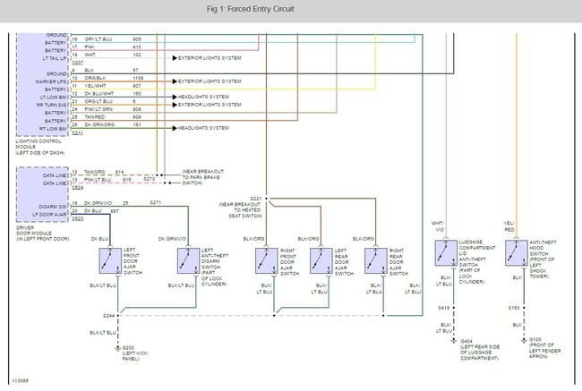
There are several fuses that need to be checked to make sure the system is getting power, here is a wiring diagram and a guide to help you get the problem fixed. If the fuses check out okay I would suspect the drivers door module has gone out.

https://www.2carpros.com/articles/how-to-check-a-car-fuse

Please run this test and get back to us so we can continue helping you.

Cheers, Ken

Was this
answer
helpful?
Yes
No
Tuesday, May 2nd, 2017 AT 10:25 AM

Please login or register to post a reply.