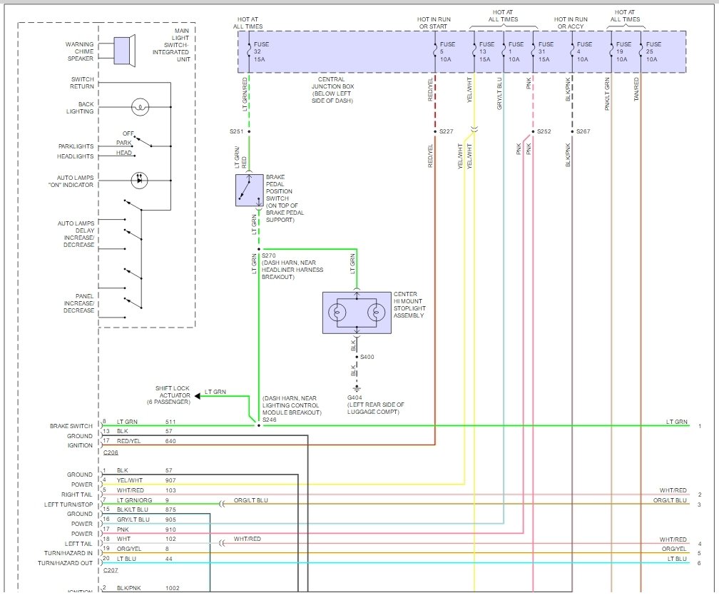
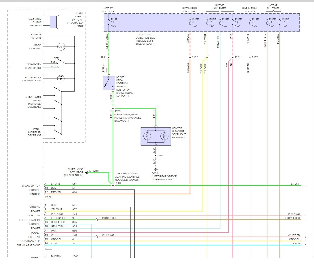
2000 Lincoln Continental V8 Front Wheel Drive Automatic
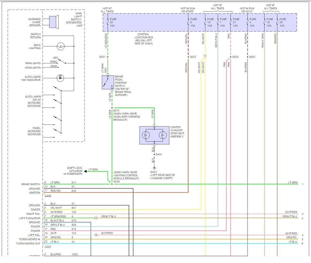
2000 lincoln continental high beams do not come on. Low beams work fine. When you use the switch the low beams turn off, the indicator light on the dashboard for high beams is on but the high beams do not turn on. What is the problem?
Tuesday, August 18th, 2009 AT 1:26 PM







