Interior lights

Tiny
MARTYBLANE2004
  • MEMBER
  • 1999 LINCOLN CONTINENTAL
  • V8
  • 2WD
  • AUTOMATIC
  • 109,000 MILES
The lights inside my car will not come on, I think it is a fuse but I do not have a book, can u help me. Thank you
Saturday, February 16th, 2008 AT 5:41 PM

5 Replies

Tiny
2CARPRO JACK
  • MECHANIC
  • 11,533 POSTS
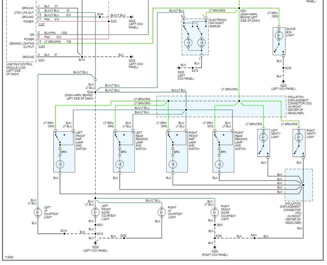
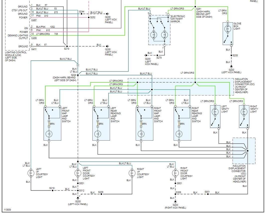
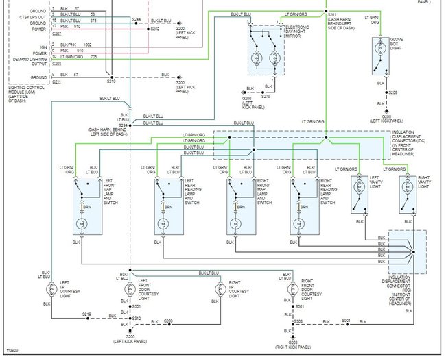
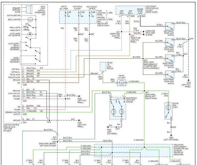
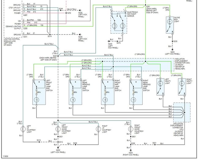
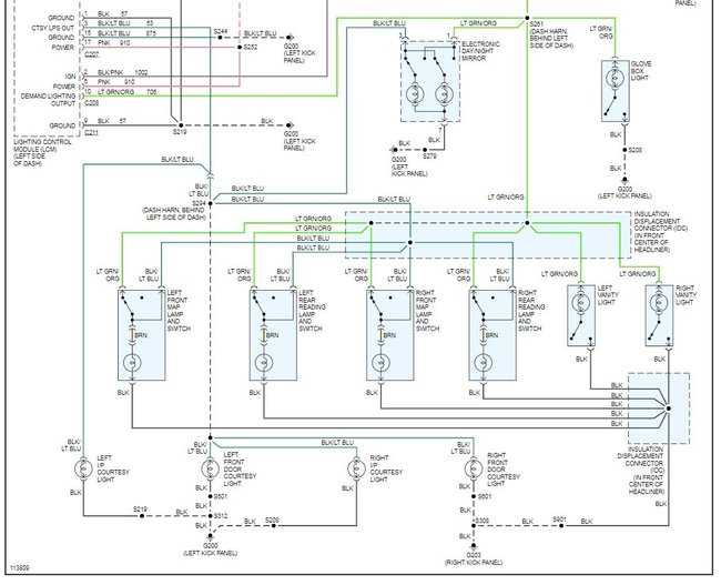
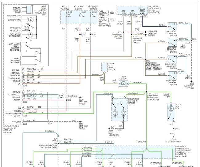
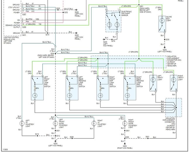
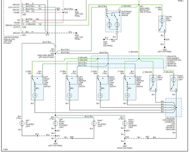
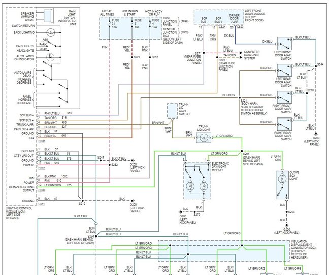
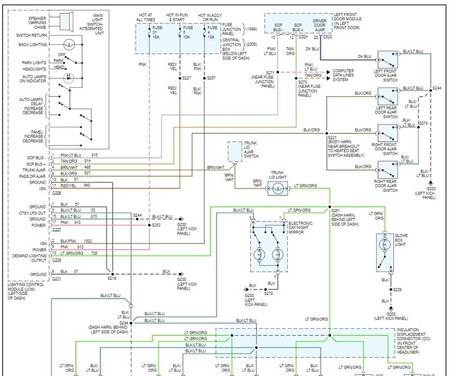
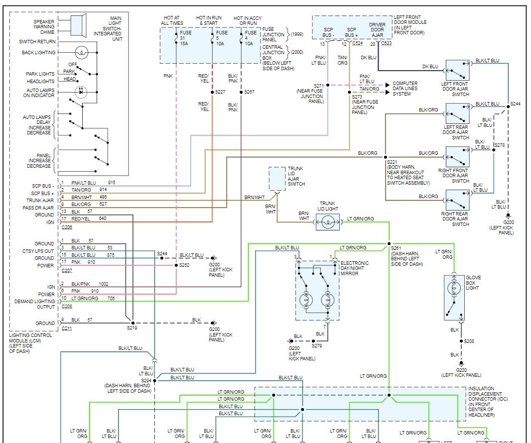
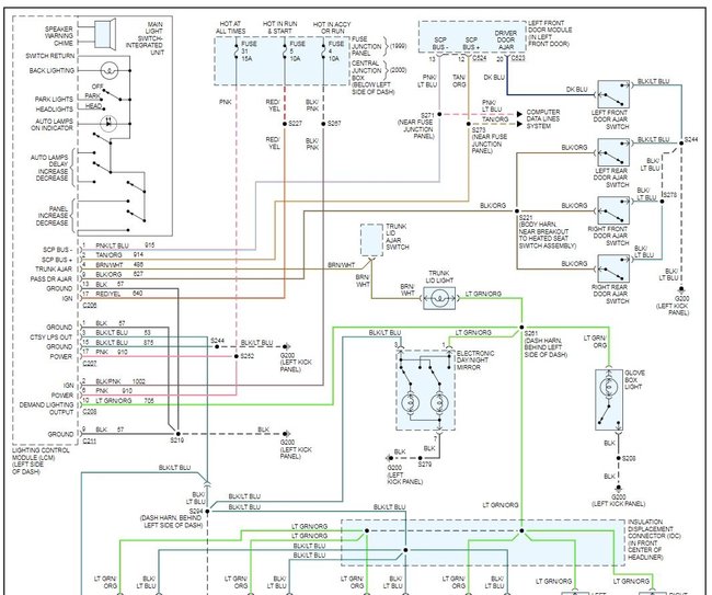
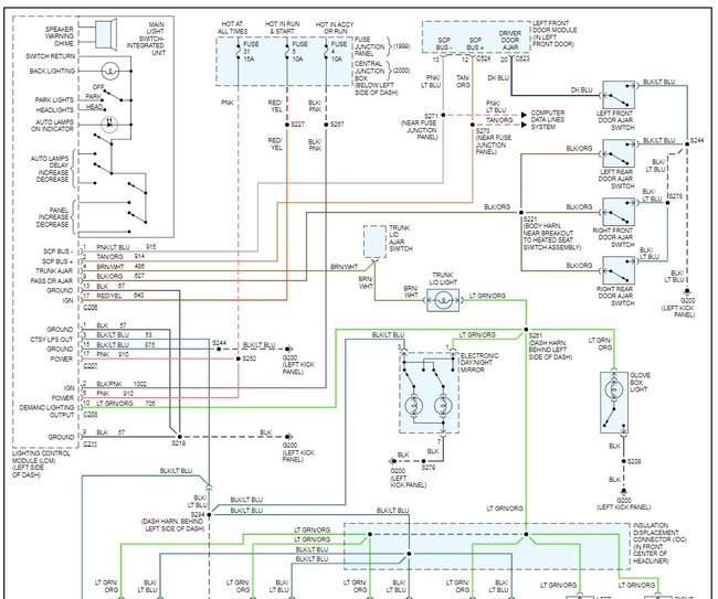
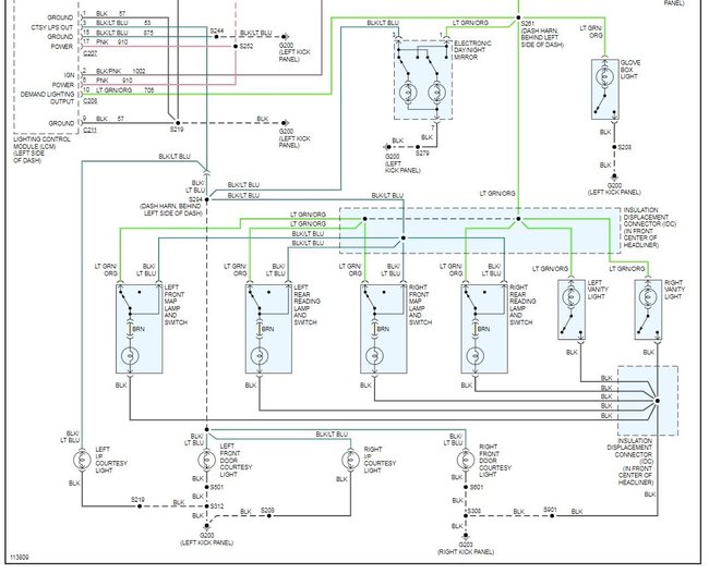
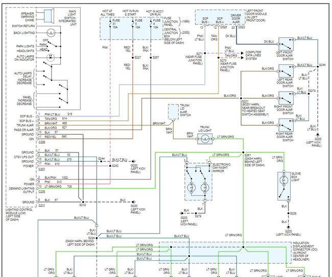
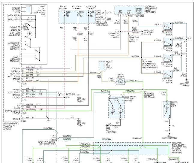
Will they come on if you open a door other than the drivers? check fuses 4,5,31. Everything goes through the LCM (lighting control module). If all door switches test good and fuses, the LCM is most likely the culprit

Read the guide below on testing wiring

https://www.2carpros.com/articles/how-to-check-wiring

The full wiring diagrams for your interior lights are attached below
Was this
answer
helpful?
Yes
No
Sunday, February 17th, 2008 AT 8:40 AM
Tiny
FH
  • MEMBER
  • 1 POST
  • 2002 LINCOLN CONTINENTAL
  • V8
  • FWD
  • AUTOMATIC
  • 44,562 MILES
After the car is stopped, keys removed doors closed, withou or without being locked;
the interior lights will dim and go off and then in about 15 seconds gradually come back on. This cycle repeats indefinitely.
Was this
answer
helpful?
Yes
No
Friday, November 23rd, 2018 AT 9:02 AM (Merged)
Tiny
RACEFAN966
  • MECHANIC
  • 5,029 POSTS
It sounds like the GEM Module. It is what controls all the lighting and some other stuff.
Was this
answer
helpful?
Yes
No
+1
Friday, November 23rd, 2018 AT 9:02 AM (Merged)
Tiny
ALAN_WATSON
  • MEMBER
  • 4 POSTS
  • 1996 LINCOLN CONTINENTAL
  • V8
  • FWD
  • AUTOMATIC
  • 132,000 MILES
I would like to know what are the color of the wires going to my door latches that turn off my interior lights. I donated 10 dollars the last time and got an answer about door locks.
Was this
answer
helpful?
Yes
No
Friday, November 23rd, 2018 AT 9:02 AM (Merged)
Tiny
DOCFIXIT
  • MECHANIC
  • 18,828 POSTS
Hi
Left front door switch white/light blue is to door moduel illumination module. Black wire ground.
Hope this helps
Thanks for donate
Was this
answer
helpful?
Yes
No
Friday, November 23rd, 2018 AT 9:02 AM (Merged)

Please login or register to post a reply.