New Alternator, not charging

Tiny
RWEVER1
  • MEMBER
  • 1996 LINCOLN CONTINENTAL
I have a 1996 Lincoln Continental 4.6 V8, 134k miles on it. While driving, the A/C cut out, dash illumination flickers, etc. I limped home, found the battery dead, alternator not charging and ran the battery down. I have changed the alternator, still am having the same symptom. I hooked up jumper cables to get the car running, then used the Multi meter to check the output of the new alternator. I got a reading of only 12.4 with the jumper cables hooked up, when I unhooked the jumper cables, the reading gradually dropped lower and lower until the car would have eventually died had I kept the engine running, but instead I just turned it off. The battery is not old and tested out ok at the parts store, the previous alternator however did not. I dont understand what else I should be looking for. I cant think of any reason the system would not be charging.

Any ideas?
Thursday, August 13th, 2009 AT 6:09 PM

2 Replies

Tiny
CBNMS
  • MEMBER
  • 2 POSTS
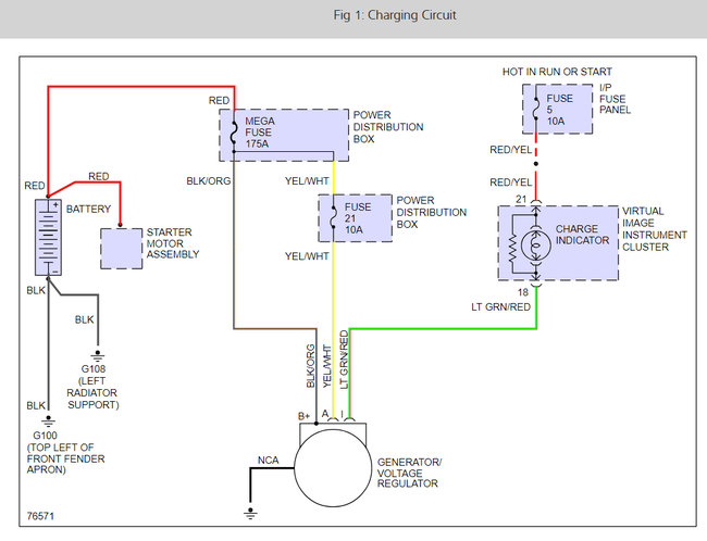
It sounds like you are getting bad alternators or you have a fuse that is out #21 10 amp in the PDC under the hood. Here is a wiring diagrams for the alternator and a guide on how to check it.

https://www.2carpros.com/articles/how-to-check-wiring

Check out the diagrams (Below). Please let us know what you find.

Cheers
Was this
answer
helpful?
Yes
No
Tuesday, September 15th, 2009 AT 11:03 AM
Tiny
DSP1984
  • MEMBER
  • 1 POST
I checking the fusible link I found it was bad the last alternator must have taken it out. All fixed thanks for the wiring diagrams, I love this site.
Was this
answer
helpful?
Yes
No
+4
Friday, September 25th, 2009 AT 10:04 PM

Please login or register to post a reply.