Sunday, August 21st, 2022 AT 11:50 PM
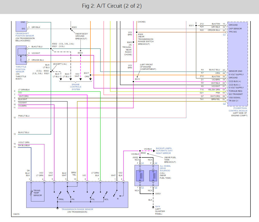
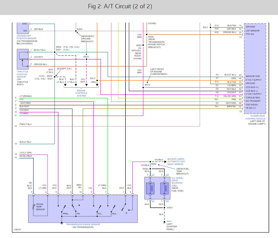
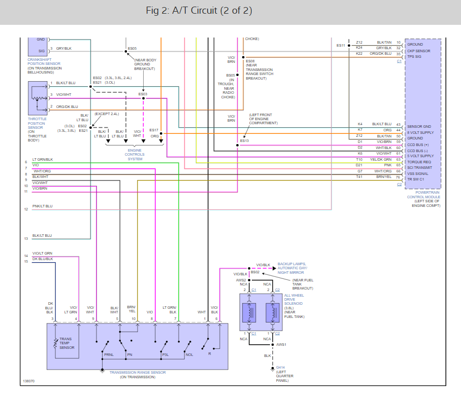
The vehicle listed above is a Grand Caravan. I replaced the transmission solenoid pack in and out speed sensors changed transmission fluid and filter. Haven't changed the TCM yet. I took the starter wire off and done a reset and signal wire crossed the battery terminal directions for 15 seconds I got this reset from someone on YouTube I drove my car to the end of the road, and it died my friend jumped me off and when I drove it started changing gears in Drive correctly. I drove it around for about a week and it had no reverse. Today it jumped into limp mode Haven't had the money for a new control TCM I still think it's a wiring grounded out somewhere and could use a good wiring diagram not much information online or YouTube for a 2000 Dodge Grand Caravan 3.8 when I pulled the transmission pan was very clean magnet had just some dark soil not much. It does need an alternator and a couple of connectors underneath the battery I have cleaned several times and they just keep getting oil all inside of them I'm going to wrap them up this time and right now I'm cleaning all the terminals for good connection. I also have unwrapped the wiring harness below that usually has reviews of this model the harness gets drag on the ground, but I took care of that, and it is in great shape wiring looks really good. Thank you guys for your help.










