Wednesday, December 11th, 2019 AT 5:23 PM
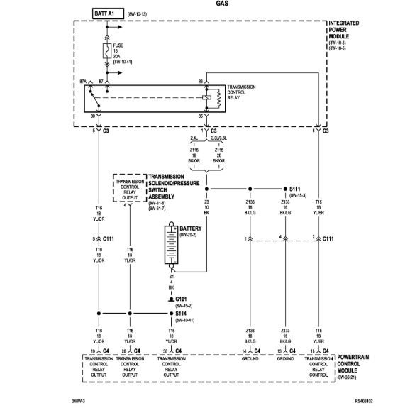
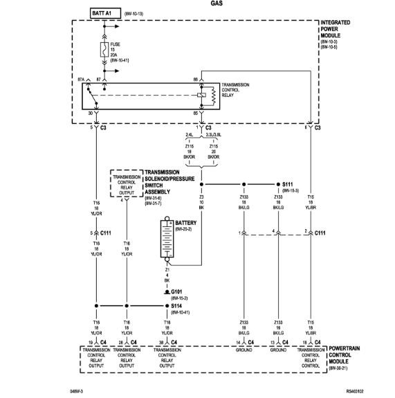
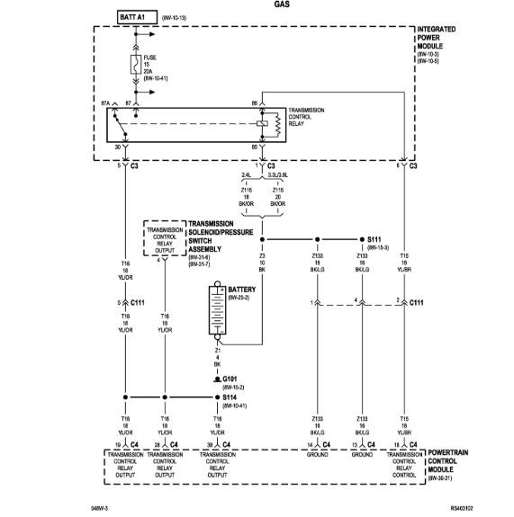
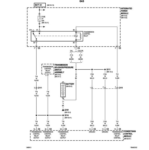
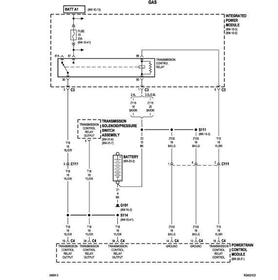
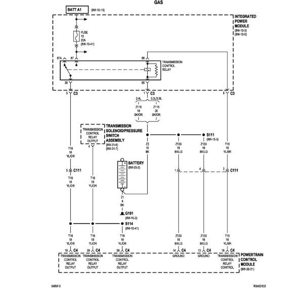
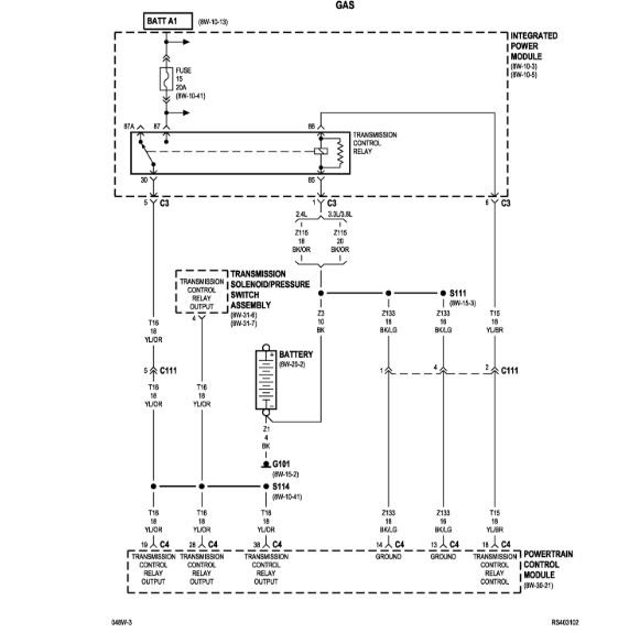
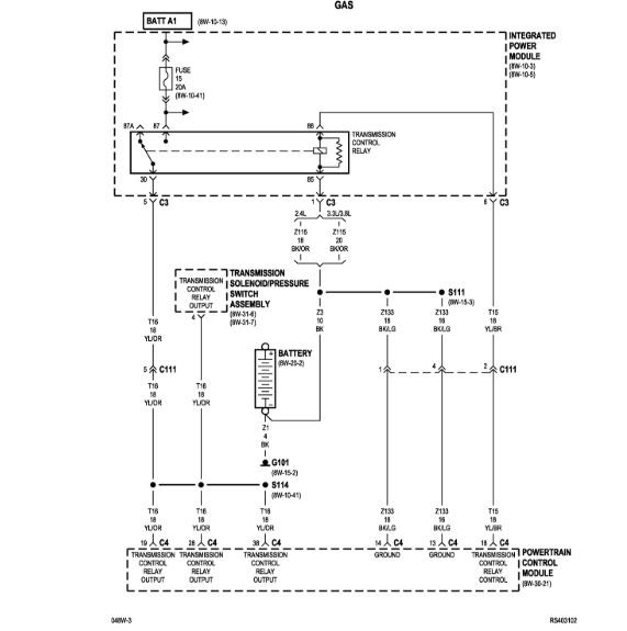
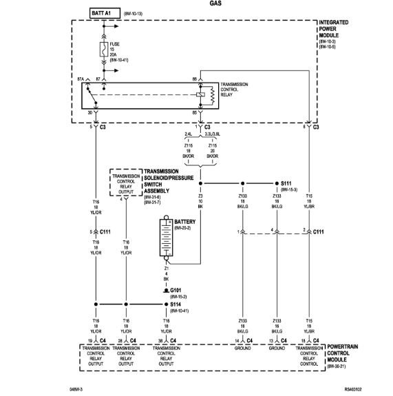
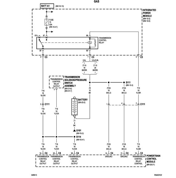
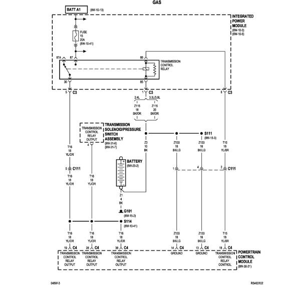
I got codes of p0562, p0700, p0750, p0562, p0700, p0750. Replaced battery and alternator brand new. Van then went into limp home mode. Will go into drive and reverse but will not go into another gear just stays in that gear. Said they were both bad. Didn't fix the problem. So I replaced the transmission shift module, speed sensors, new fluid and filter. Had codes removed after fixing all that and still wont go into another gear. There are no codes whatsoever coming on now and still in limp home mode so is the transmission junk or what?















