Limp mode and codes U0100 ,U0103, U1103, p0174

2007 DODGE CHARGER
141,000 MILES • 3.5L • 6 CYL • 2WD • AUTOMATIC
Avatar
ALFREDO1994
  • MEMBER
  • 4 POSTS
Hello, I've been having a problem with the lightning bolt and the traction warning light come on at the same time the car goes into limp mode. The problem is inconsistent. It happens with almost no warning and it doesn't let me reach over 30-45 mph. I have changed the throttle body and the MAP sensor when I first looked into the problem but I know now it can be a lot of things and I also replaced the EGR o-ring from the manifold. The engine light sometimes comes on then turns off after a while. So I took it to AutoZone and got error codes U0100 ,U0103 U1103, p0174, so their system recommended for my PCM to get reprogrammed, could that solve it?
I also got the battery checked and supposedly it's a bad battery. There has been 2 times where it cranks and takes a while to turn on. Most of the time it cranks on without a problem.
I hope I gave enough info to help solve this problem
I would really appreciate any help or advice on how to fix my baby. Thank you and God bless.
Mar 3, 2020 at 9:17 PM
Repair Safety Notice: This information is for general instructional purposes only. Vehicle repair can be dangerous. Verify all information, follow manufacturer service procedures, use proper tools and safety equipment, and consult a qualified repair shop when needed.
Advertisement
Avatar
ASEMASTER6371
  • AUTOMOTIVE REPAIR CONTRIBUTOR
  • 52,796 POSTS
Good morning,

Parts stores employ salesman, not techs. Their recommendation is not the solution.

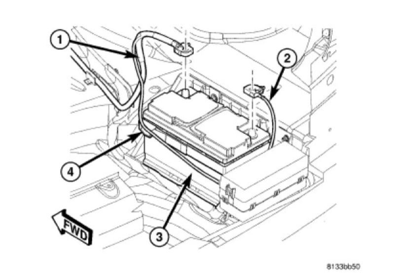
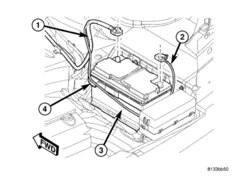
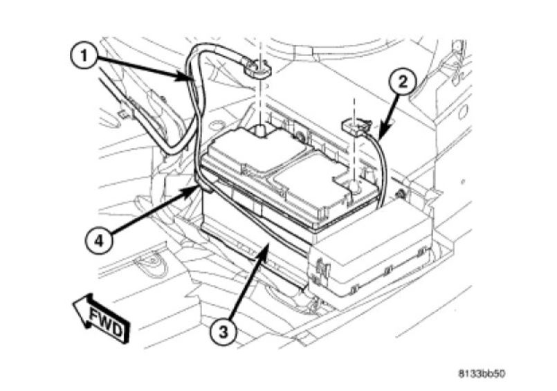
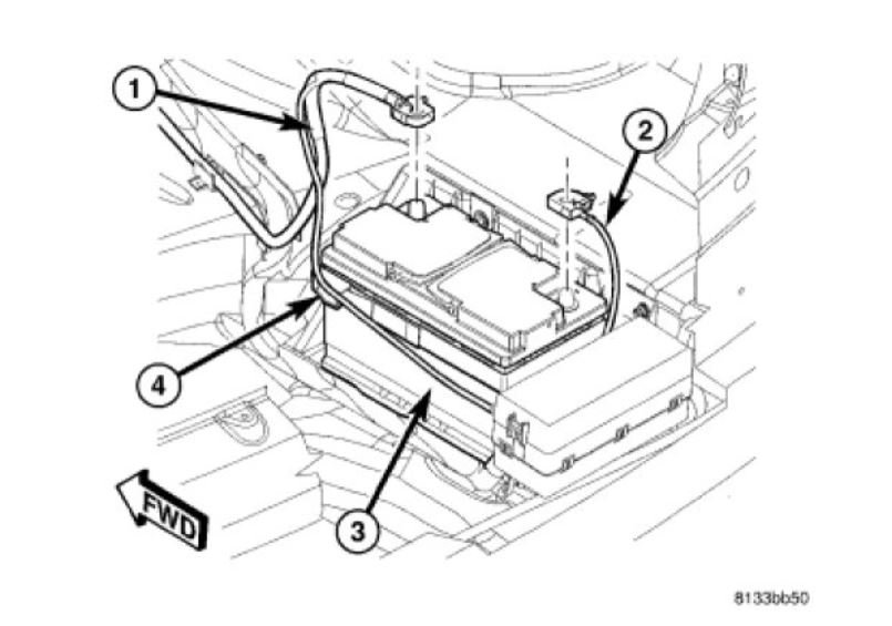
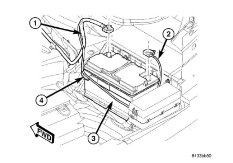
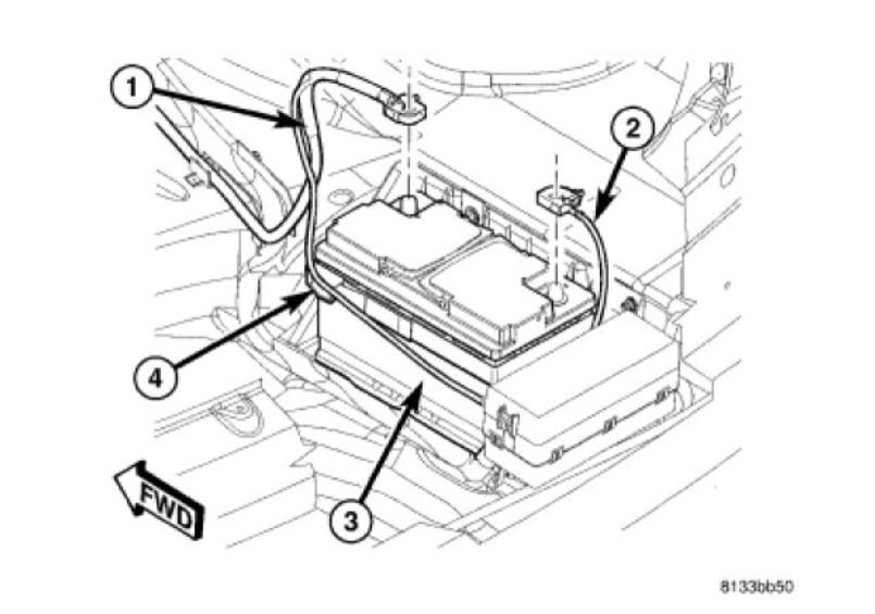
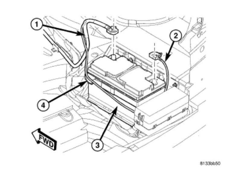
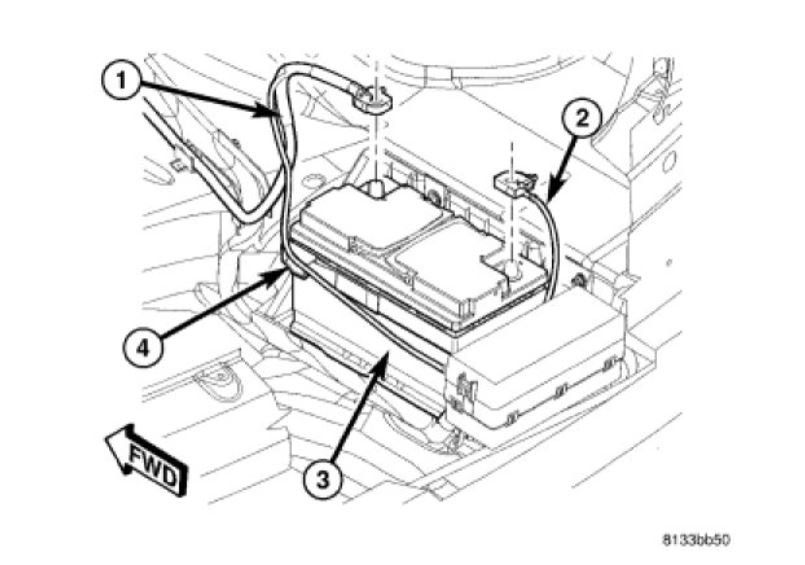
I attached the possibilities for the codes and the one thing they have in common is low voltage. That points right back at the battery.

https://www.2carpros.com/articles/car-battery-load-test

I would replace the battery as a start and see if all returns to normal.

https://www.2carpros.com/articles/how-to-replace-a-car-battery

Roy
Mar 4, 2020 at 4:05 AM
Advertisement
Avatar
ALFREDO1994
  • MEMBER
  • 4 POSTS
Thank you for your reply. But yes I do need to replace battery. The battery light just came on today and the cranking sounds slow. So I will replace tomorrow and see if it fixes my problems. I will post update.
Mar 6, 2020 at 8:59 PM
Avatar
ASEMASTER6371
  • AUTOMOTIVE REPAIR CONTRIBUTOR
  • 52,796 POSTS
You are welcome.

Always glad to help.

Roy
Mar 7, 2020 at 12:28 PM
Avatar
ALFREDO1994
  • MEMBER
  • 4 POSTS
So just an update: I changed my battery and replaced my alternator since it was no good the battery light is no longer on but the same issue keeps happening with the lightning bolt and esp light coming on after driving it for a while. I was thinking on maybe looking at the manifold gasket to see if it's damaged. Or the EGR valve tube that enters the manifold or maybe cleaning the wiring cables. Any suggestions on where to look next to try and narrow down the problem? Thank you!
Mar 15, 2020 at 7:58 PM
Avatar
ASEMASTER6371
  • AUTOMOTIVE REPAIR CONTRIBUTOR
  • 52,796 POSTS
Okay, what are the current codes after this repair?

Roy
Mar 16, 2020 at 4:52 AM
Avatar
ALFREDO1994
  • MEMBER
  • 4 POSTS
The only error code coming up now is p2173. The other codes went away for now. And sometimes p0507 comes up but main one is the 2173. I'm thinking about checking the EGR valve and line . The EGR line that enters the back of the manifold is kinda loose. When I took a look at it. Thank you for your replies by the way. I appreciate you taking your time to reply. God bless
Mar 19, 2020 at 4:33 AM
Avatar
ASEMASTER6371
  • AUTOMOTIVE REPAIR CONTRIBUTOR
  • 52,796 POSTS
Okay, I attached flow chart for the 2173 and possibilities for the 507.

Roy
Mar 19, 2020 at 5:06 AM