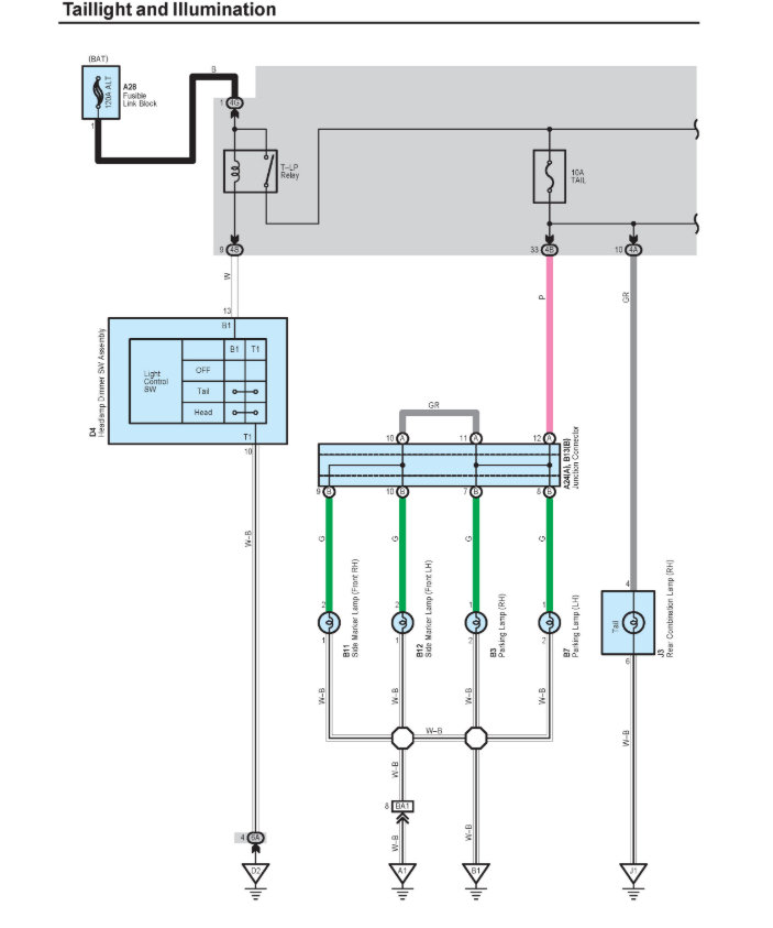
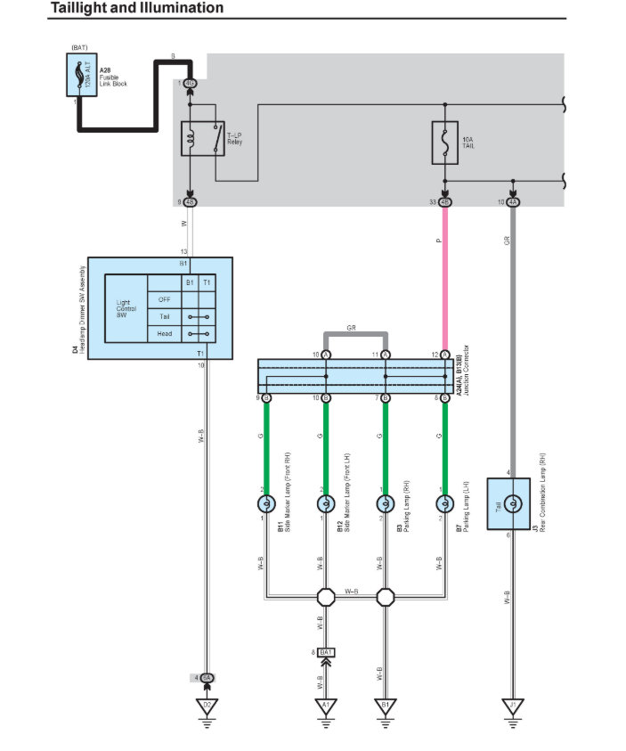
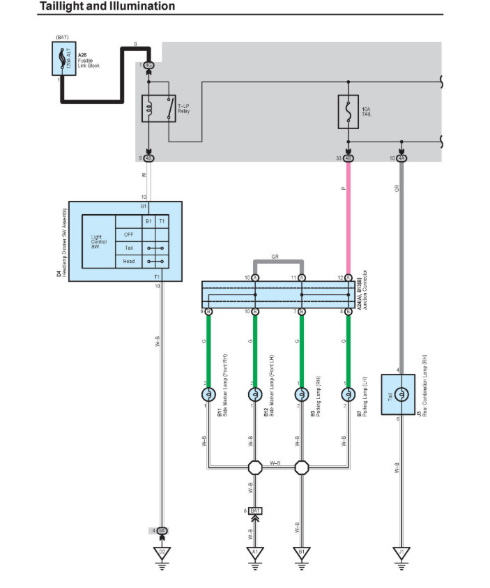
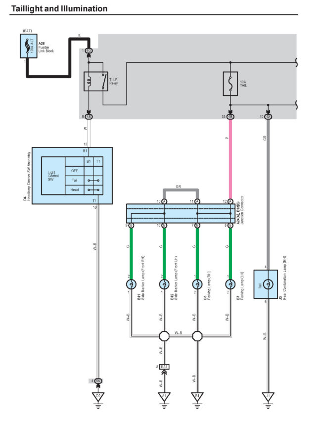
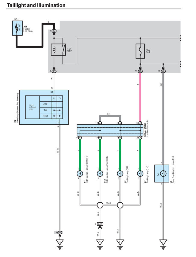
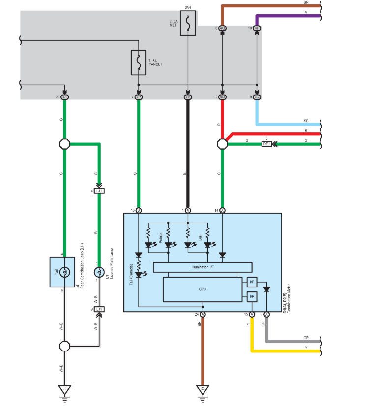
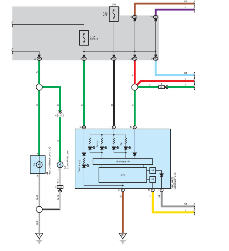
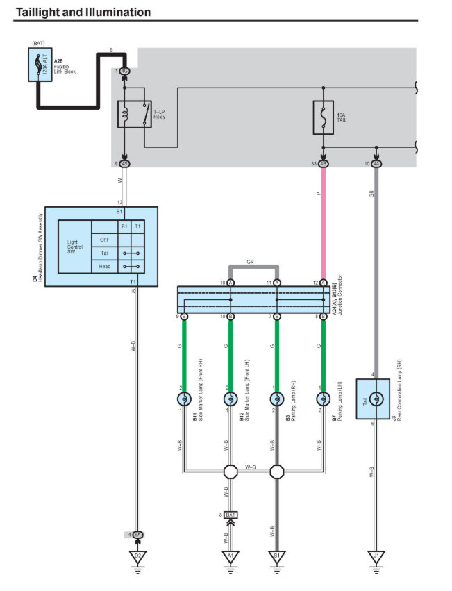
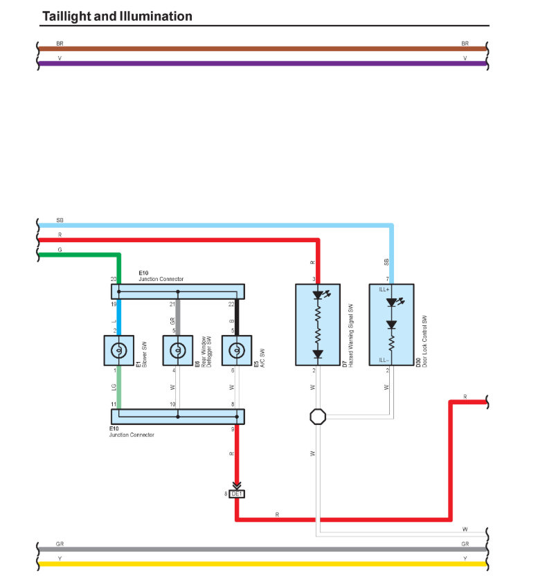
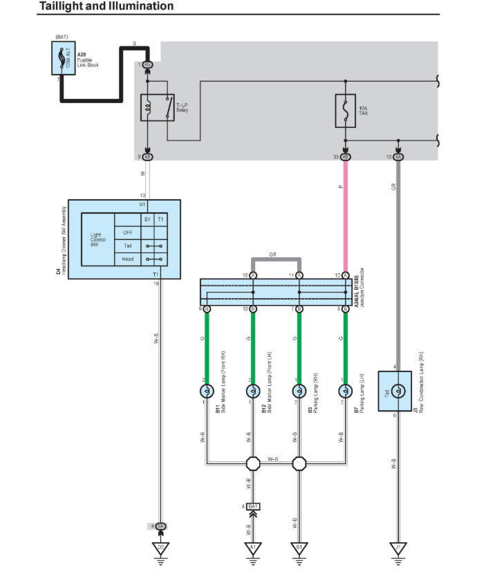
Tuesday, February 12th, 2019 AT 11:41 PM
My car parking lights, dash lights, are not working. Fuses for lights is getting no power. Tried with new fuses but still no power. However, I mistakenly left the parking light switch on during the night and lights were on in the morning. But after turning it off, again I am getting same problem.






