Lights mirror

Tiny
RICK MULLENIX
  • MEMBER
  • 2002 FORD THUNDERBIRD
  • V8
  • 2WD
  • AUTOMATIC
  • 40,000 MILES
Will not shut off.
Sunday, June 3rd, 2018 AT 9:26 AM

1 Reply

Tiny
STEVE W.
  • MECHANIC
  • 15,608 POSTS
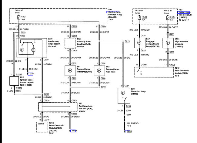
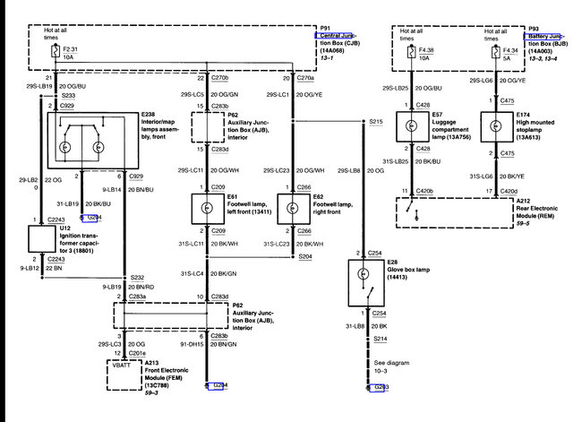
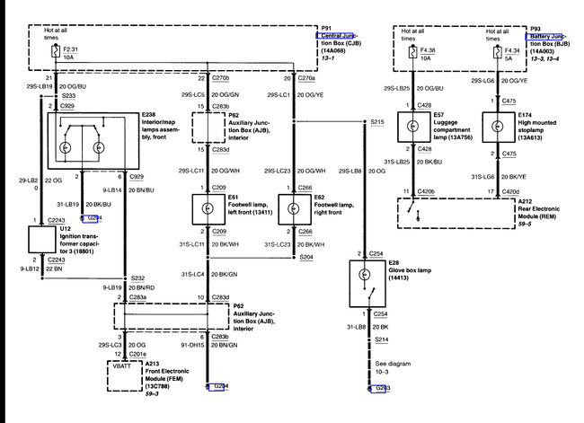
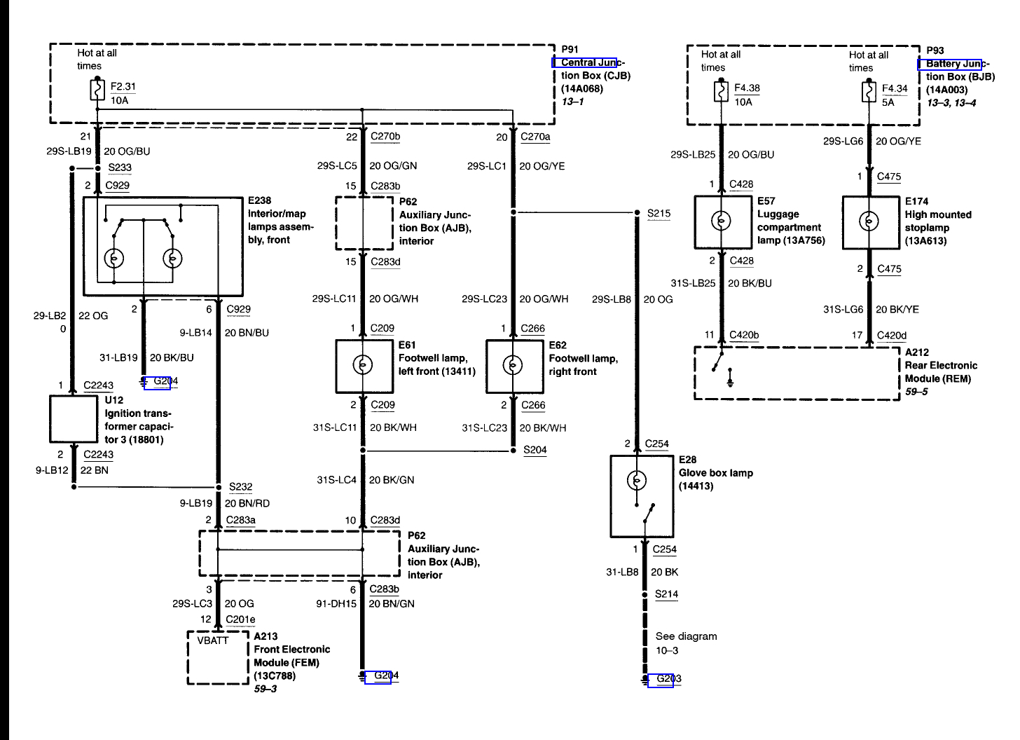
This can be caused by either of the door switches failing, however if the footwell lights are not on as well then it is more likely just an issue with the map light switch in the mirror itself. In that case replacing the mirror is the easiest solution. They sell replacement switches but you can usually get the complete mirror for about the same price.
Was this
answer
helpful?
Yes
No
Tuesday, June 5th, 2018 AT 7:33 AM

Please login or register to post a reply.