Hazard, brake, turn signal and center brake lights are not working?

Tiny
CPERRY54
  • MEMBER
  • 2001 FORD RANGER
  • 4.0L
  • 6 CYL
  • 4WD
  • AUTOMATIC
  • 168,000 MILES
No flashers, no brake lights, no signal middle brake light works. Have change muti- function switch, wiring harness that goes to multi-functional switch.
Wednesday, August 9th, 2023 AT 12:24 PM

1 Reply

Tiny
JACOBANDNICKOLAS
  • MECHANIC
  • 110,194 POSTS
Hi,

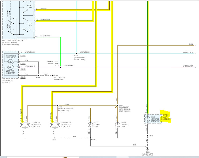
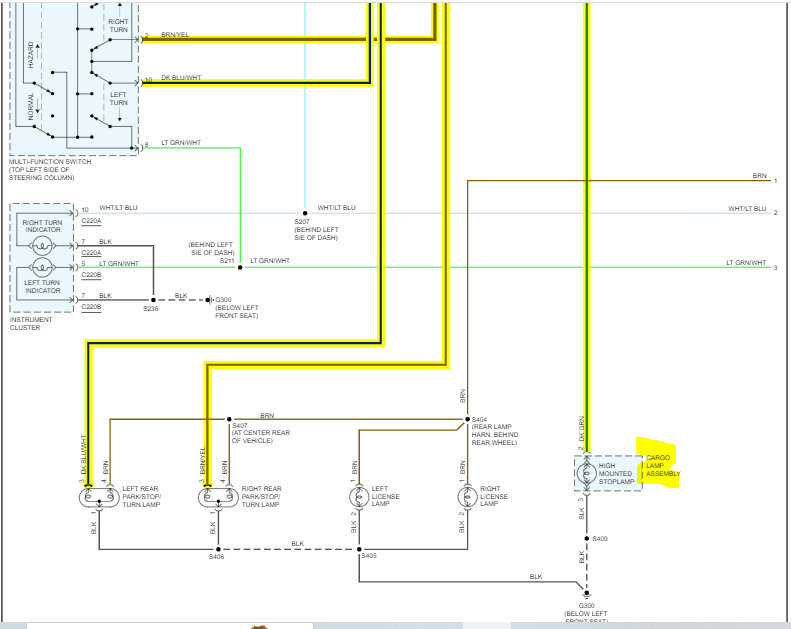
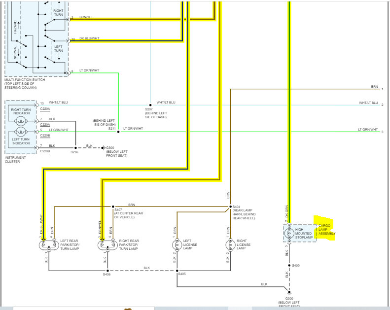
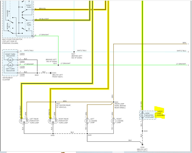
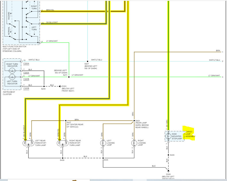
The idea that the center brake lamp (CHMSL) works tells me the circuit is likely okay, but there are different power supplies to the other lights not working.

If you look below, I attached the wiring schematic. Note that there are three fuses I highlighted. Fuse 13 is the power source to the brake light switch (which works) and the CHMSL. Fuses 3 and 7 need to be functional as well. Check these first. They are in the central junction box under the dash. (See pics 3 and 4 below)

In addition to checking the fuses I mentioned, check all of the ones I highlighted in pic 4. It is important to make sure the fuse is good, but also, confirm there is power to and from them.

Here is a link you may find helpful:

https://www.2carpros.com/articles/how-to-check-a-car-fuse

Let me know what you find.

take care,

Joe

See pics below. Note: I highlighted the relevant wiring.
Was this
answer
helpful?
Yes
No
Thursday, August 10th, 2023 AT 1:16 PM

Please login or register to post a reply.