Tail lights and turn signals not working

Tiny
HOWARD CHANDLER
  • MEMBER
  • 2001 MERCURY MARQUIS
  • 4.6L
  • V8
  • 2WD
  • AUTOMATIC
  • 105,000 MILES
Headlights are on but I have no tail lights. The brake lights works and no turn flasher when I turn.
Friday, January 8th, 2021 AT 3:48 AM

1 Reply

Tiny
KASEKENNY
  • MECHANIC
  • 18,907 POSTS
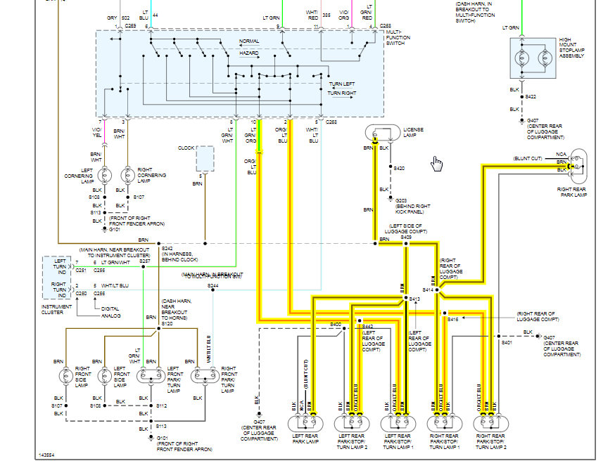
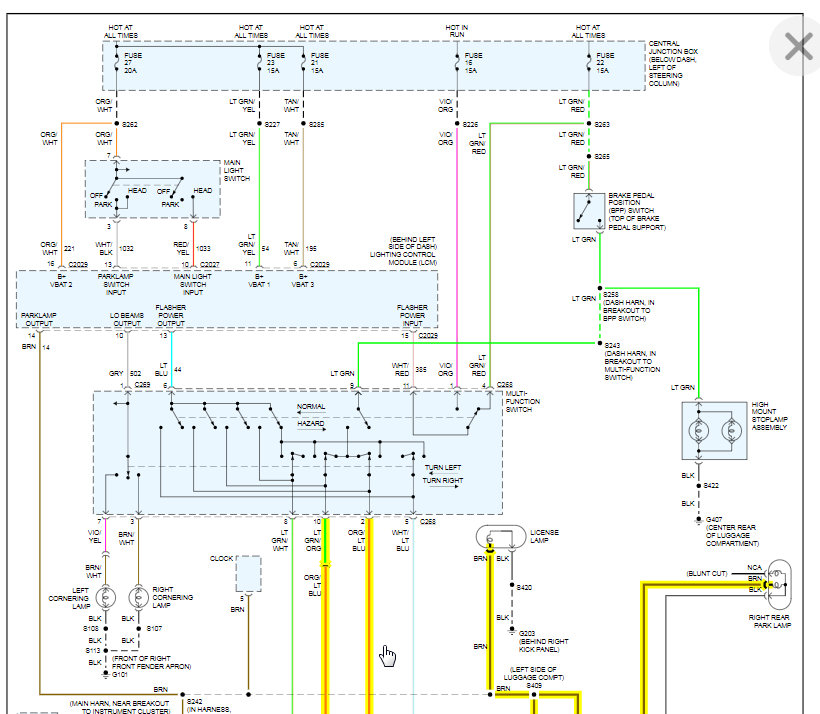
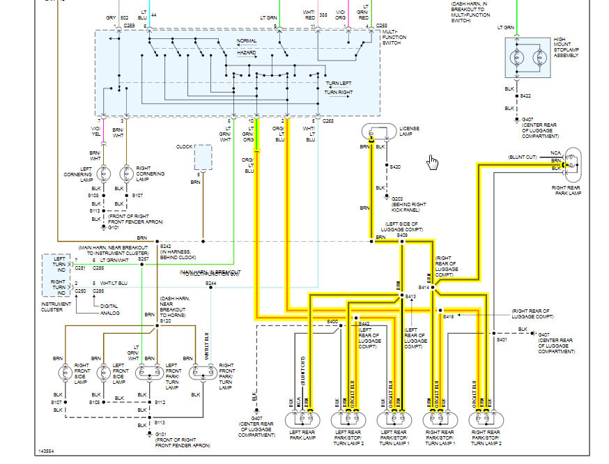
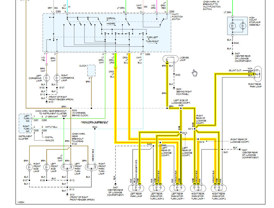
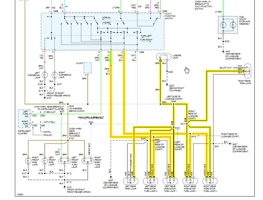
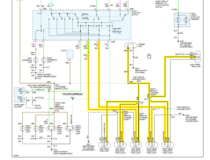
More then likely this is the multi function switch but I included the wiring diagram to confirm this. We just need to turn them on and then test voltage on each coming out of the switch. However, I am pretty sure this is the issue because the brake lights doesn't pass through the switch. That has a separate circuit.

Here is a guide that will help with this testing:

https://www.2carpros.com/articles/how-to-check-wiring

Also, I included the process on how to replace the switch if this proves out.
Was this
answer
helpful?
Yes
No
Saturday, January 9th, 2021 AT 7:53 AM

Please login or register to post a reply.