The driver’s side brake light and turn signal lights are not working?

2014 CHEVROLET 1500
100,000 MILES • 6.2L • V8 • 4WD • AUTOMATIC
Avatar
GRAVZINC
  • MEMBER
  • 2 POSTS
The driver’s side brake and turn signal won’t work and can’t find fuse. Put a new bulb in and still won’t work.
Aug 28, 2023 at 11:11 AM
Repair Safety Notice: This information is for general instructional purposes only. Vehicle repair can be dangerous. Verify all information, follow manufacturer service procedures, use proper tools and safety equipment, and consult a qualified repair shop when needed.
Advertisement
Avatar
STRAILER
  • CAR REPAIR CONTRIBUTOR
  • 54,193 POSTS
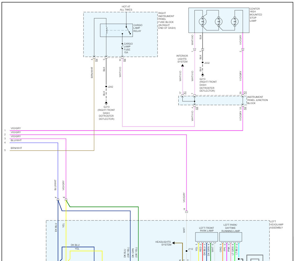
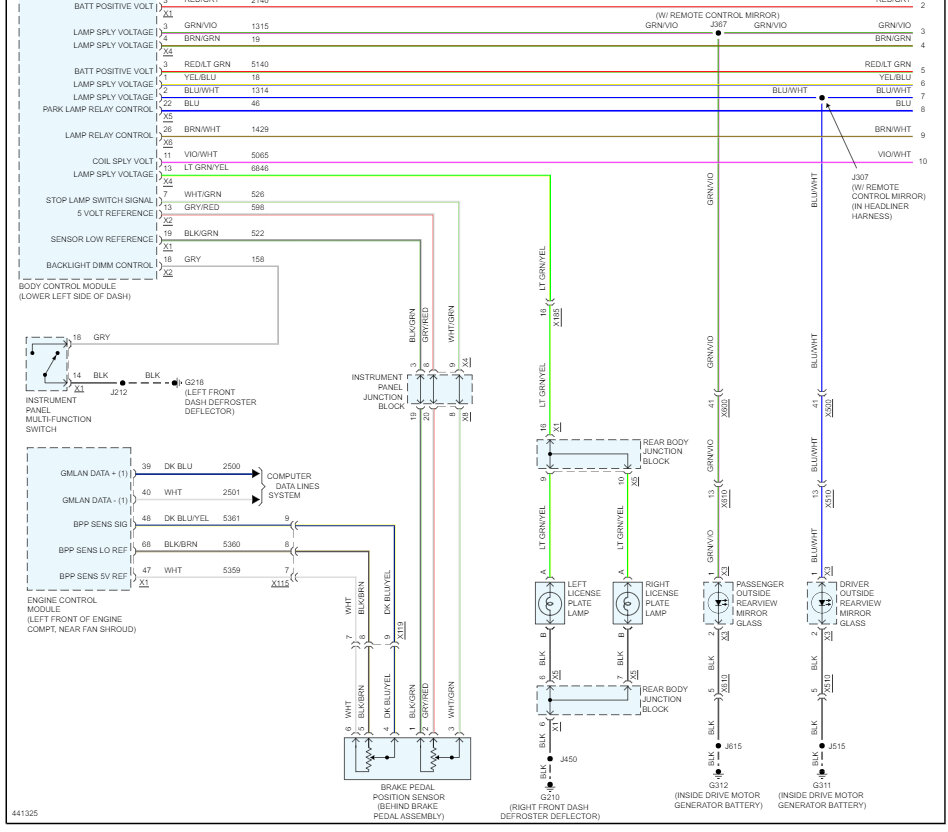
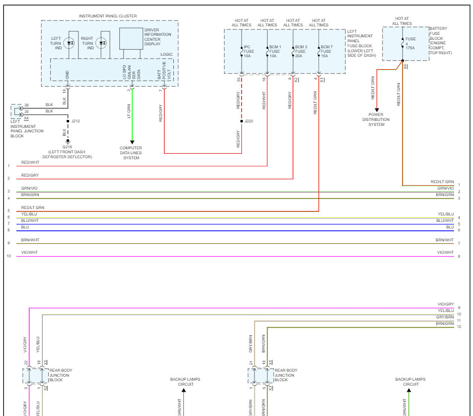
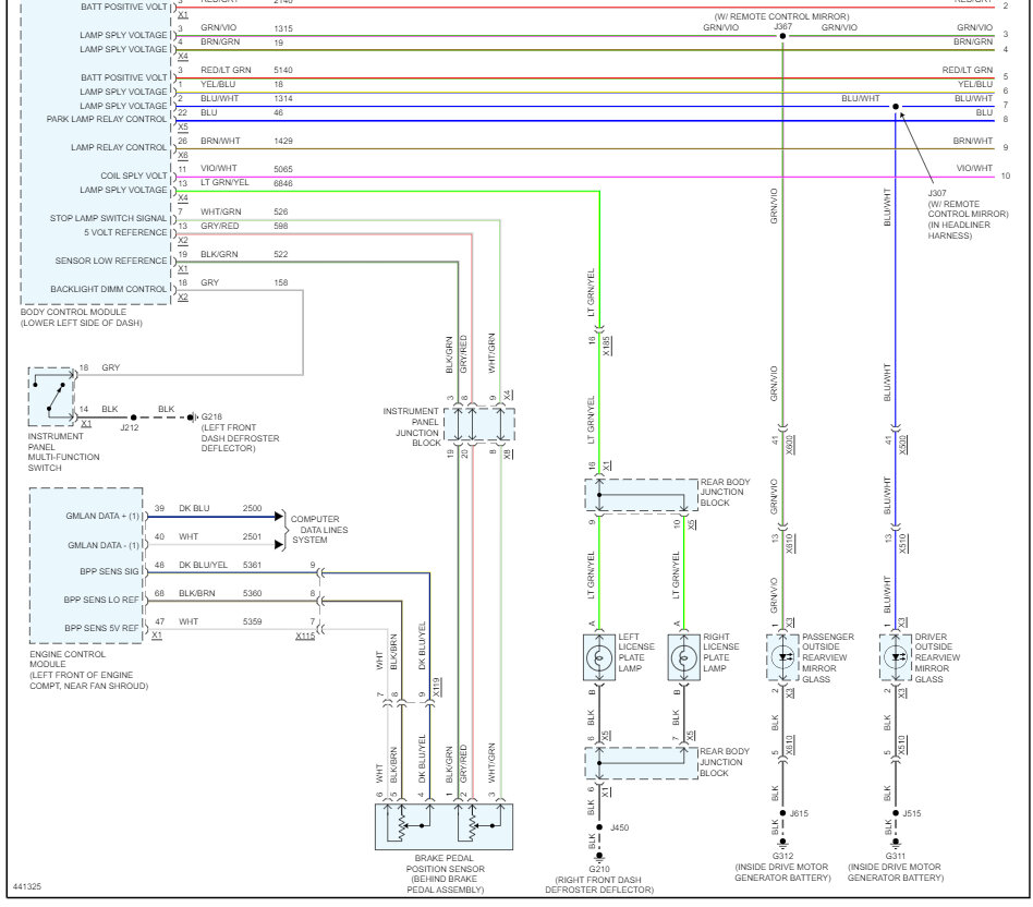
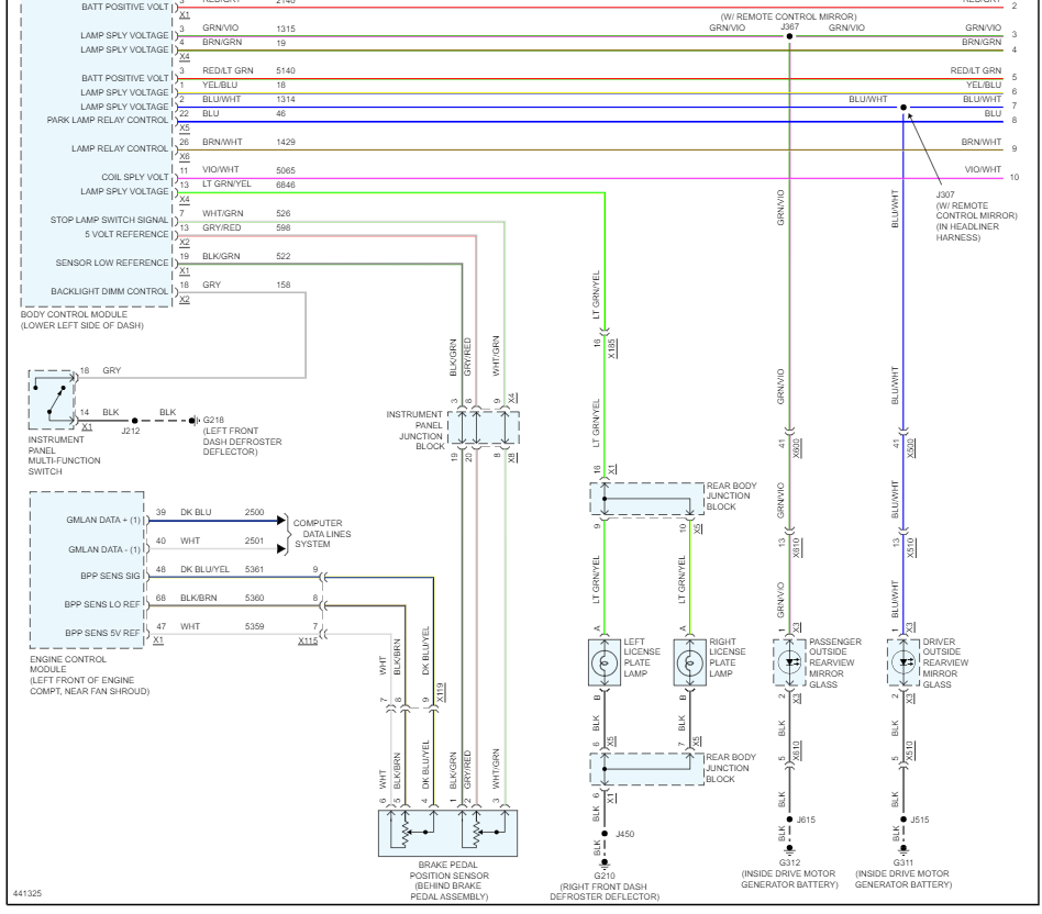
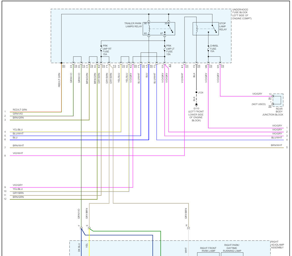
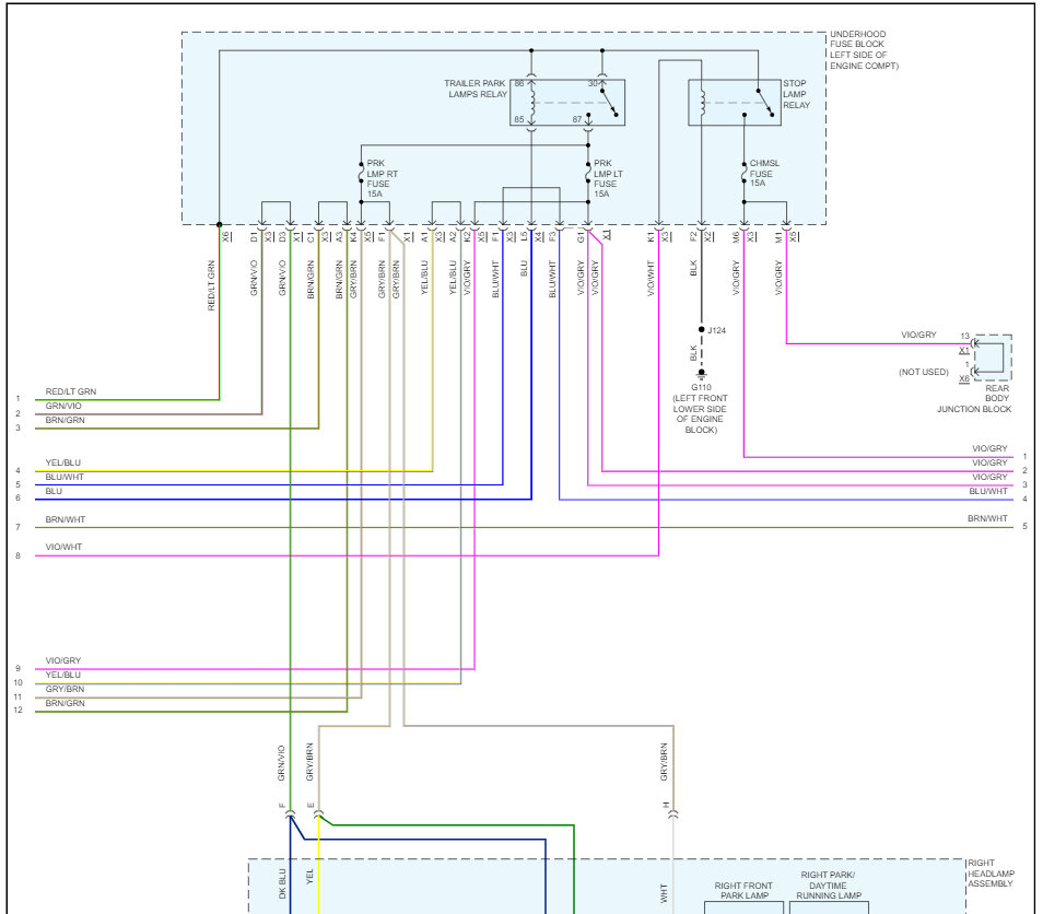
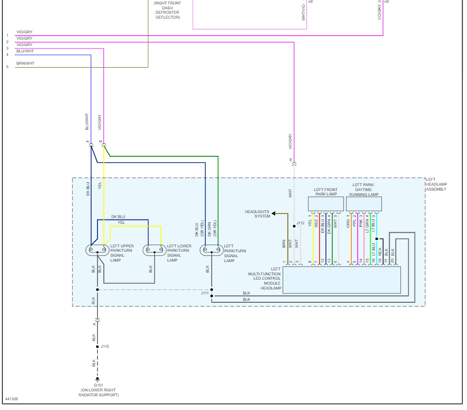
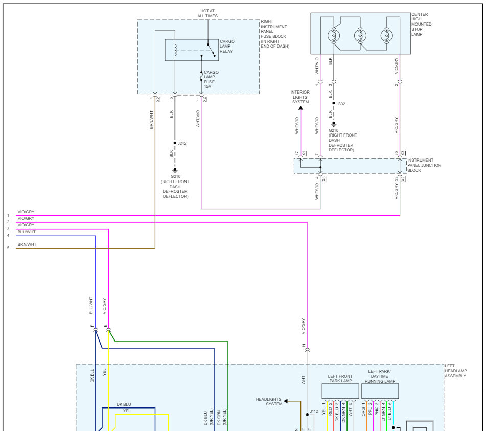
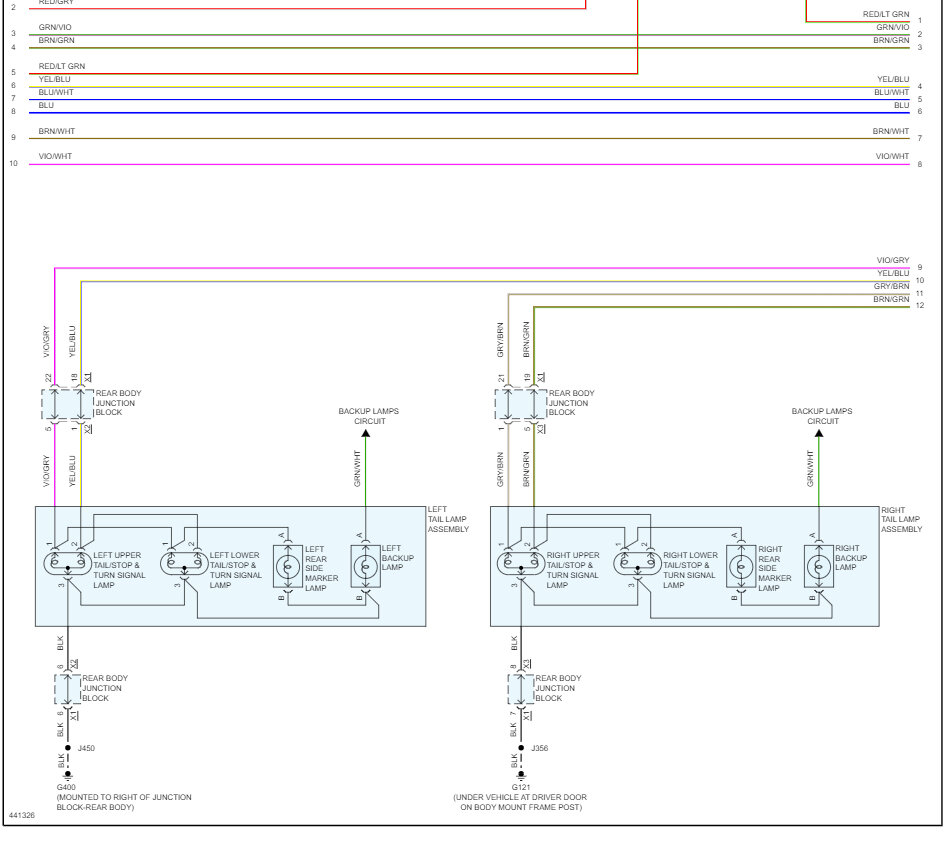
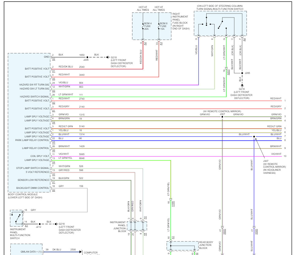
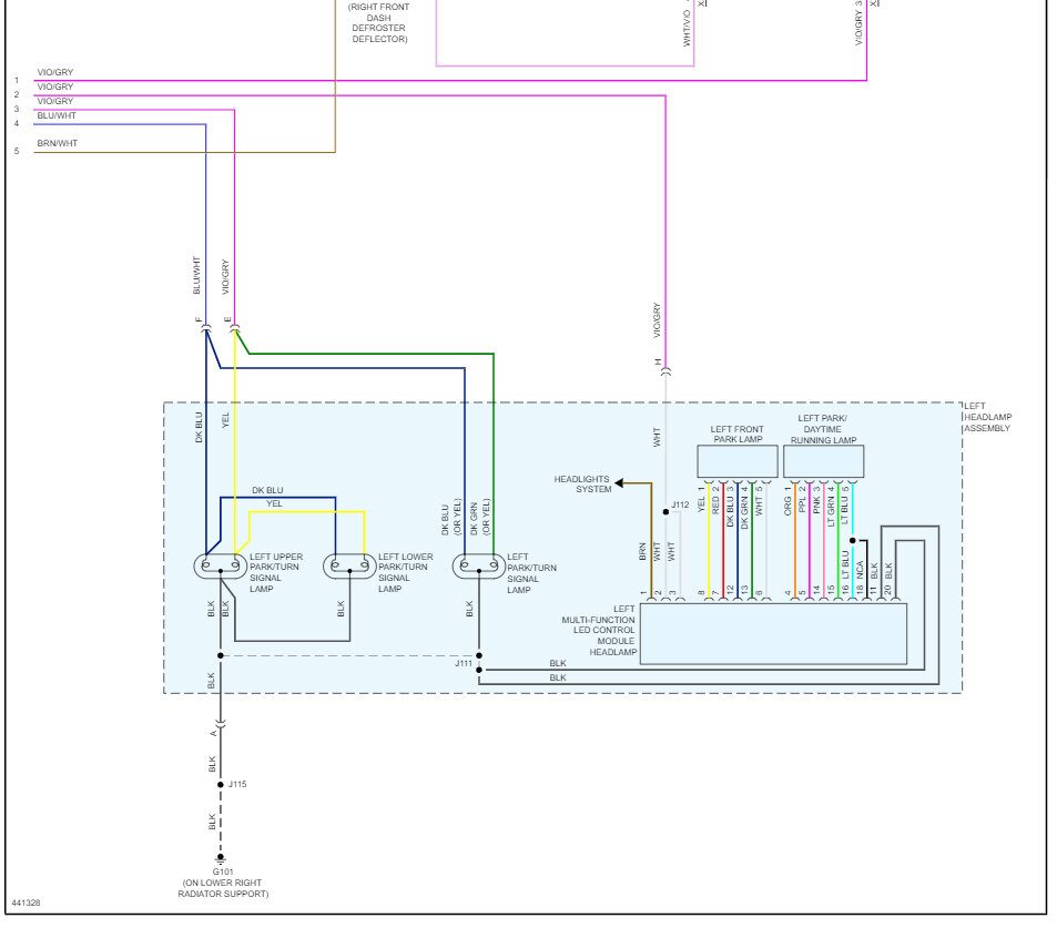
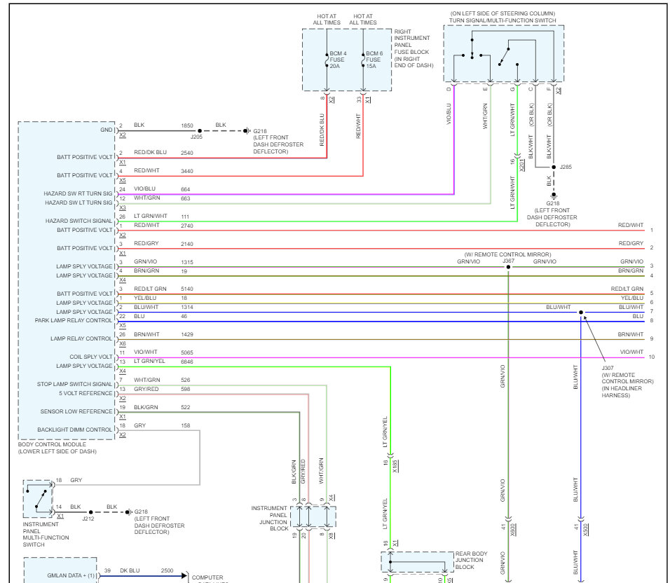
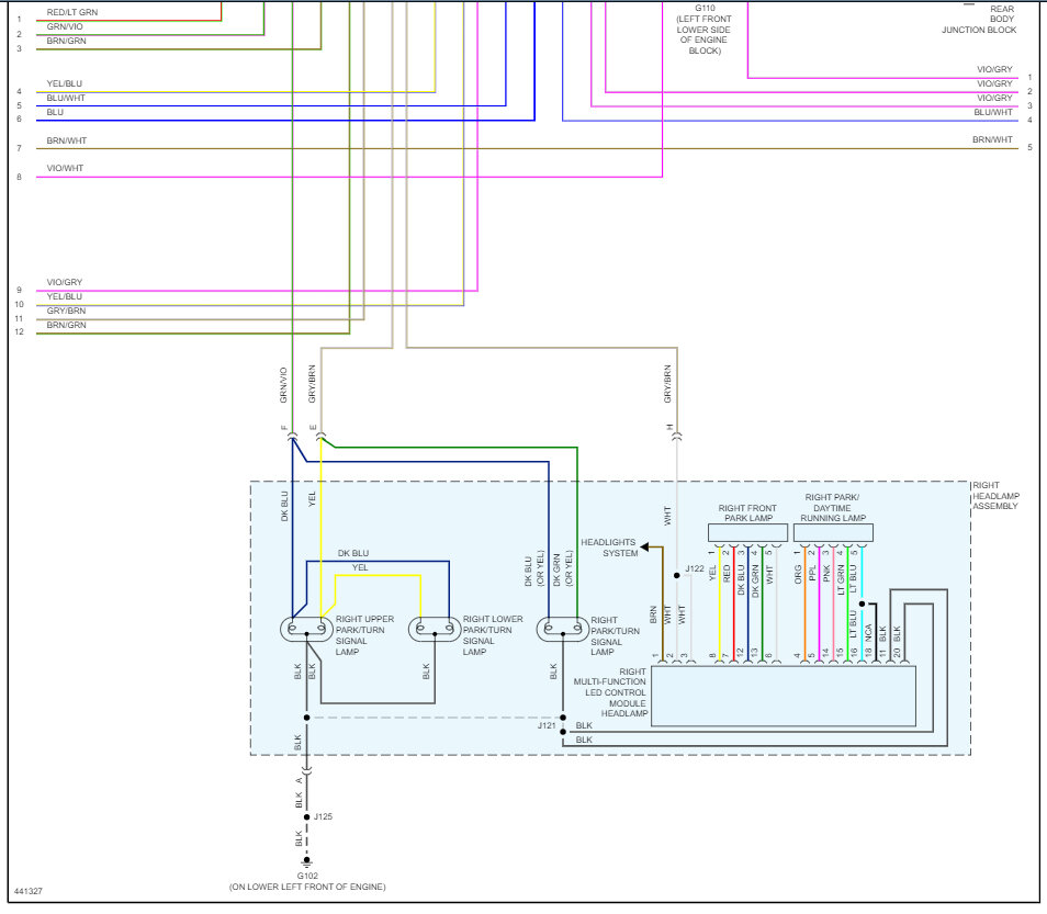
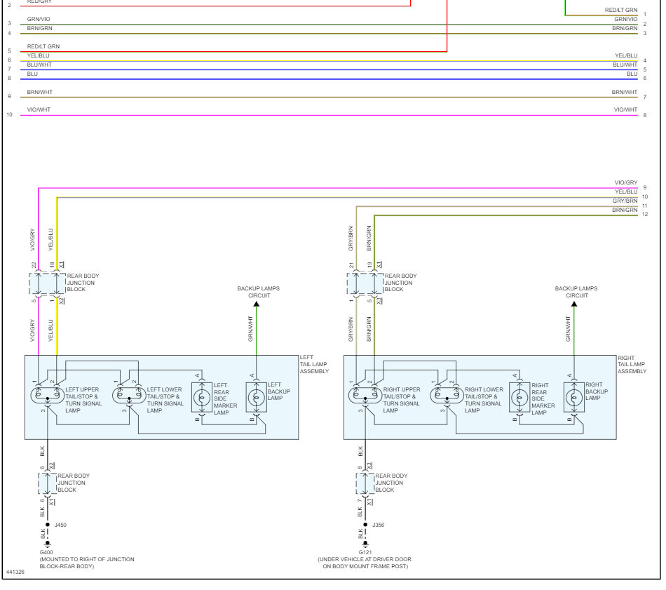
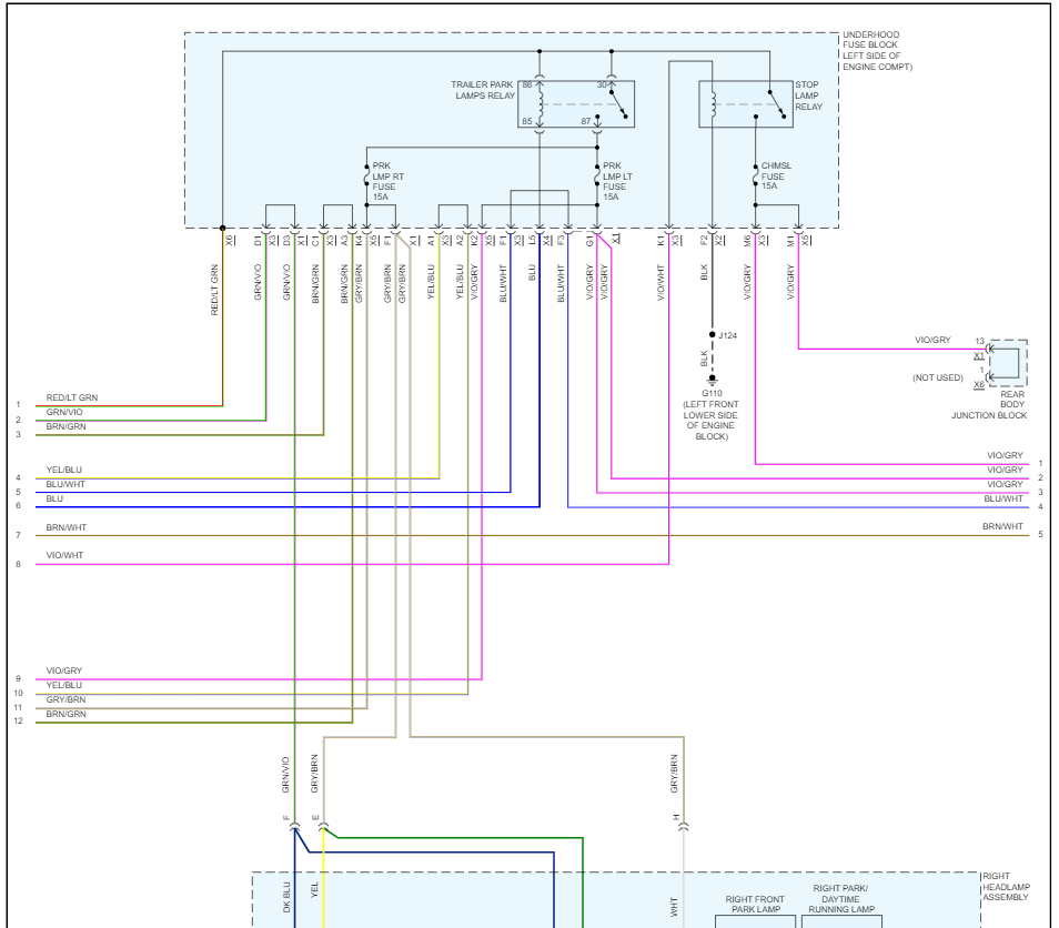
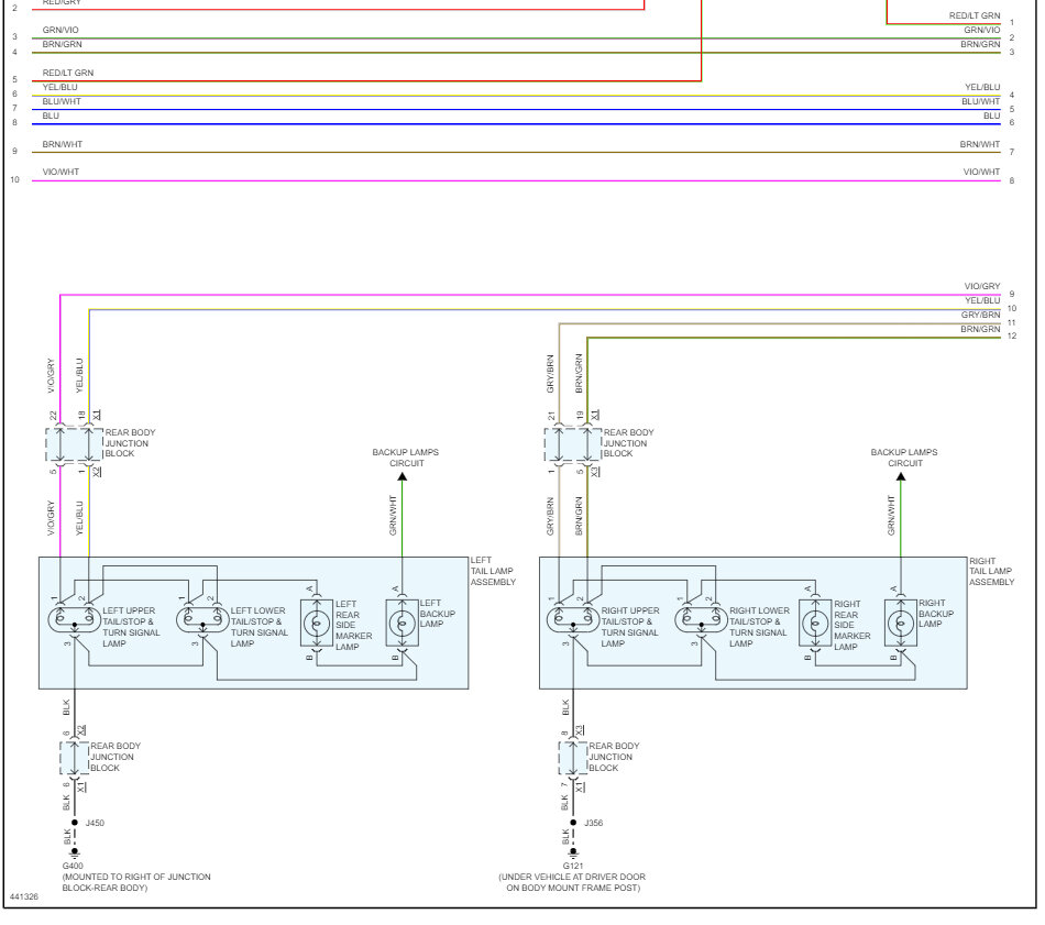
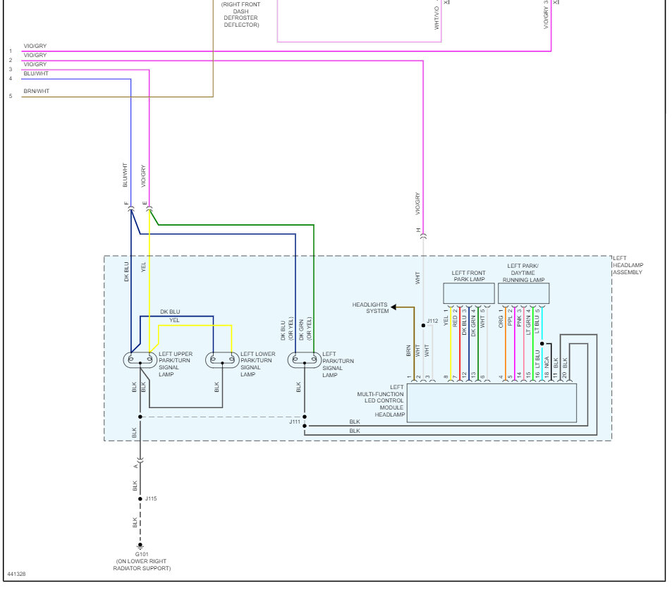
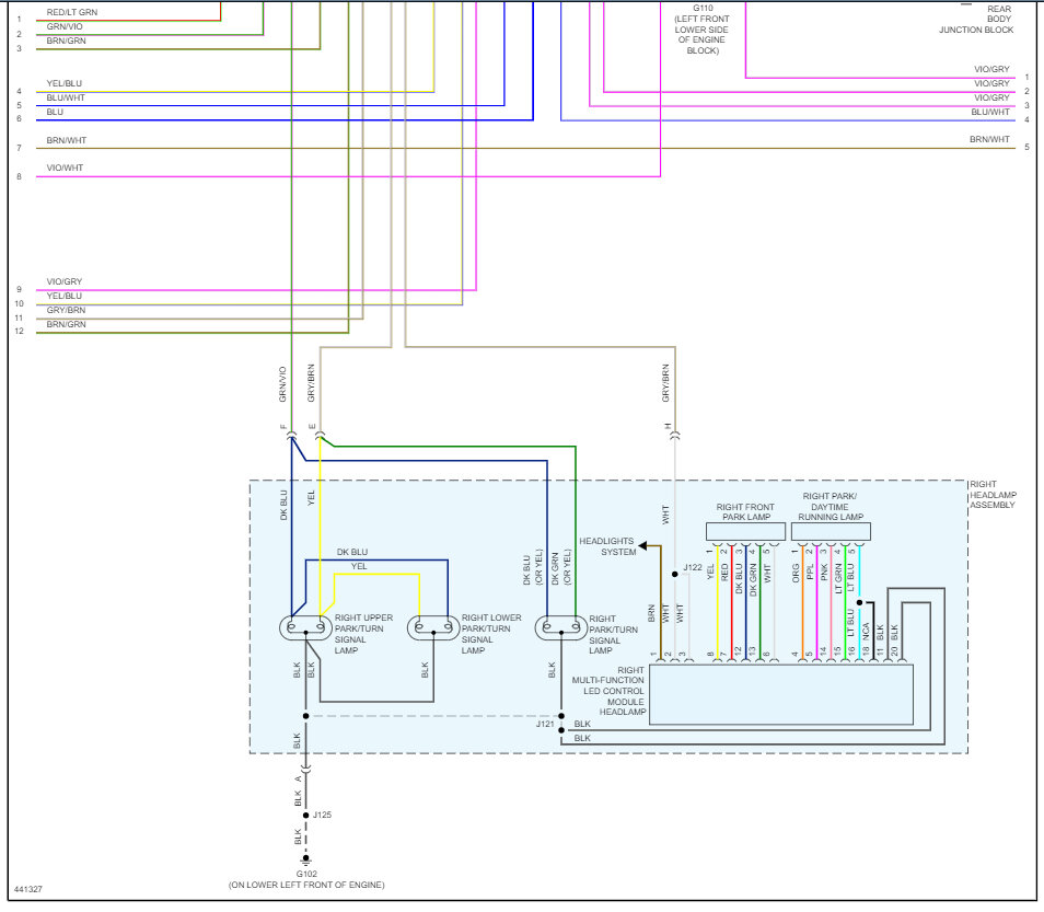
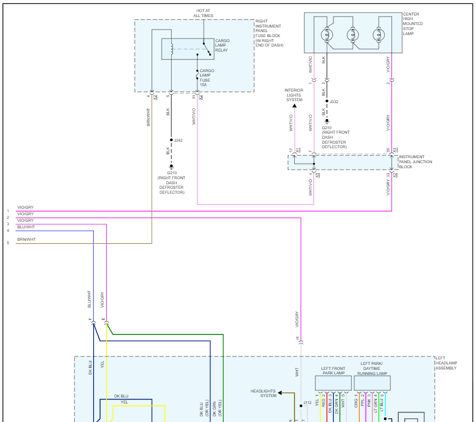
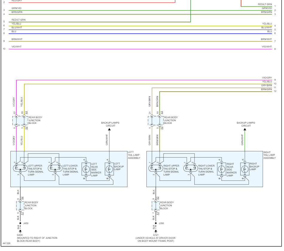
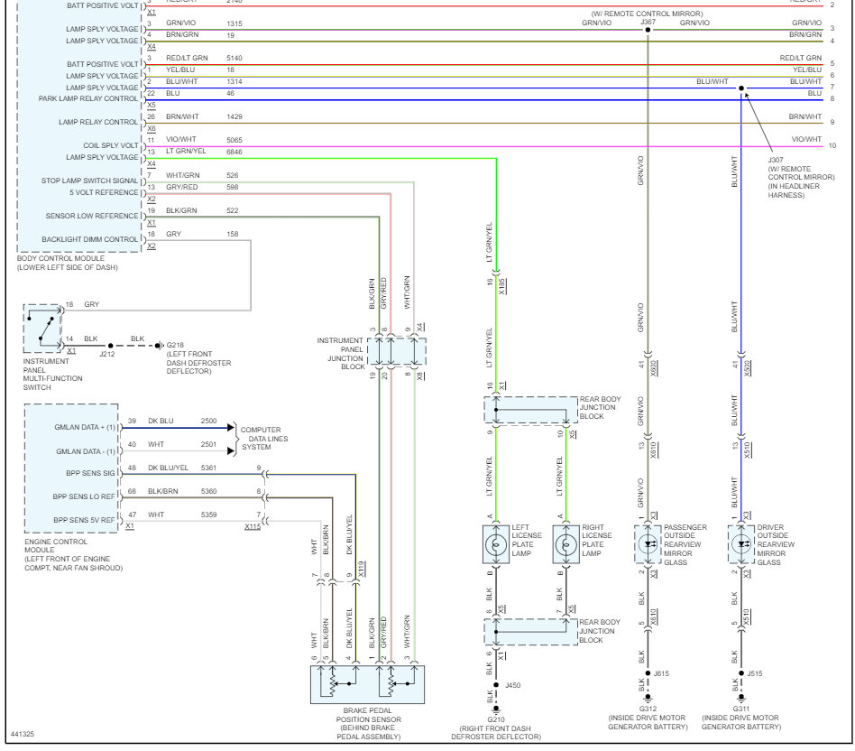
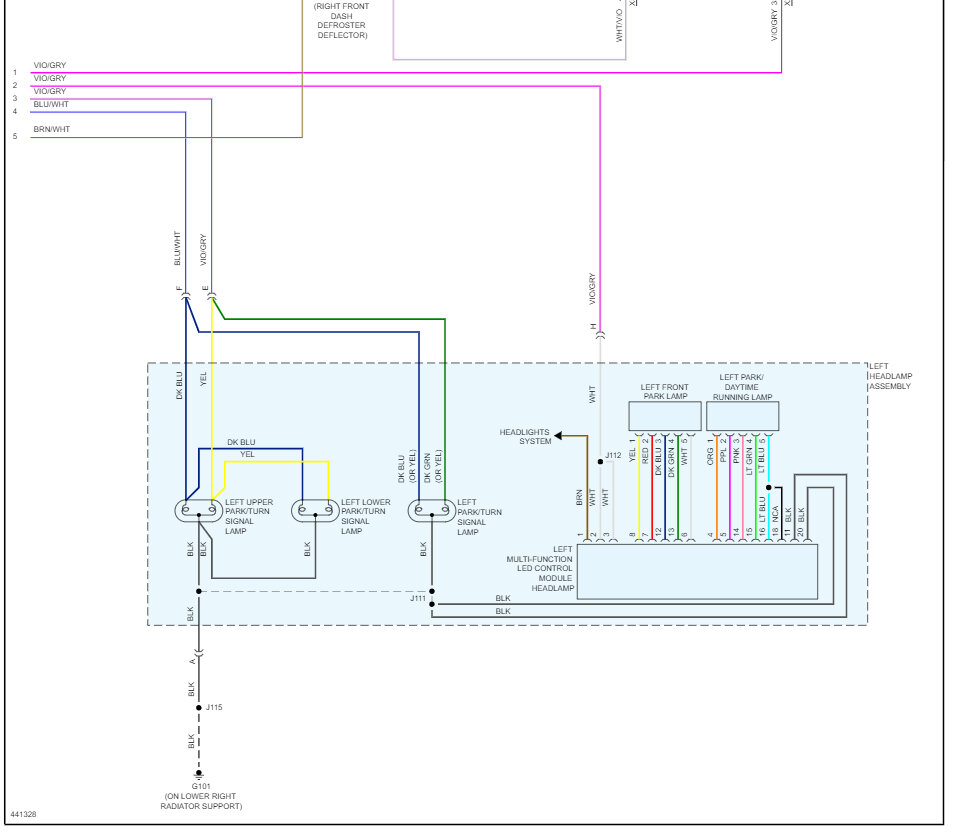
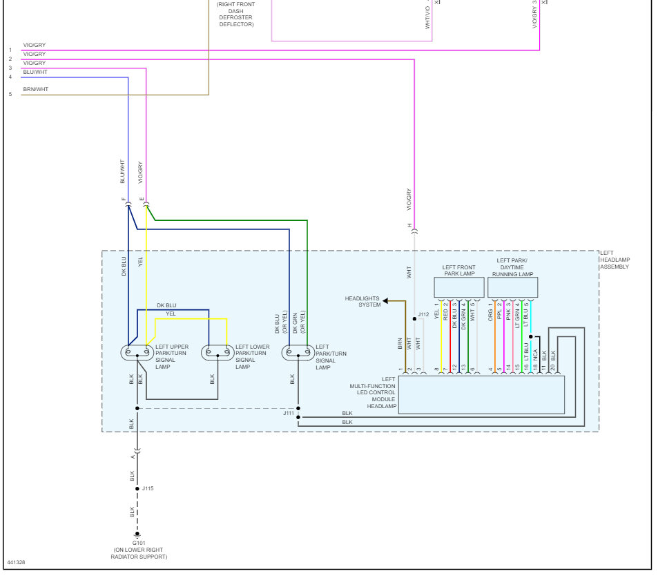
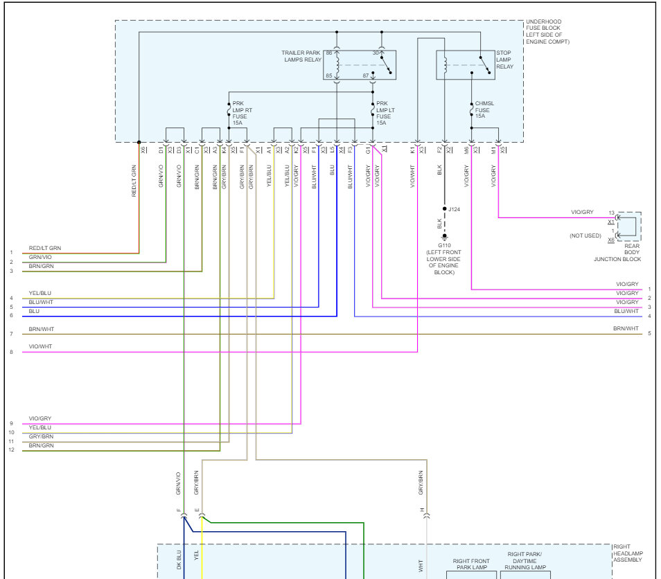
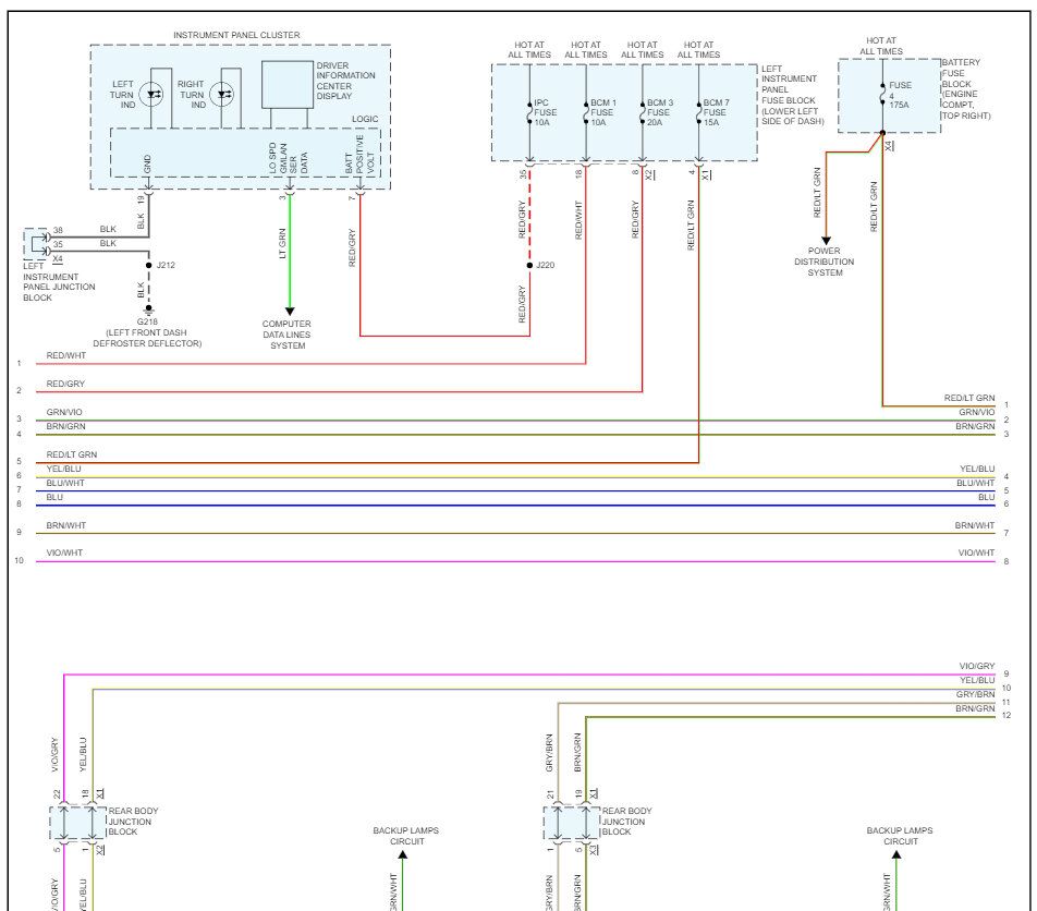
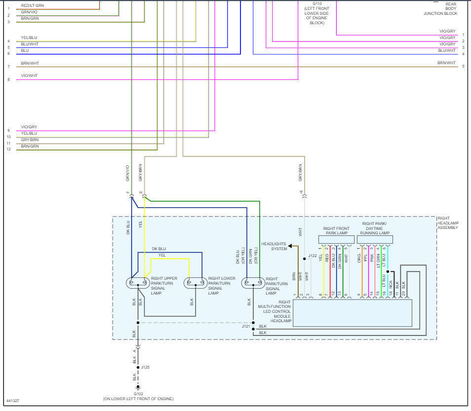
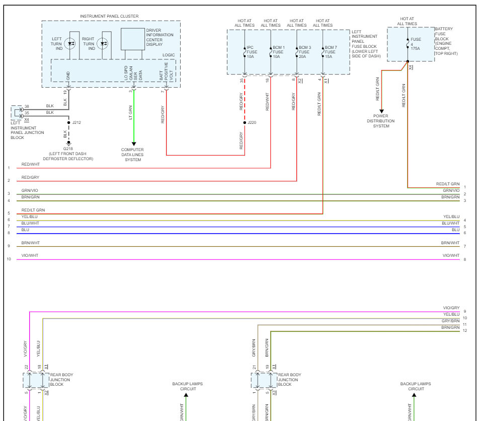
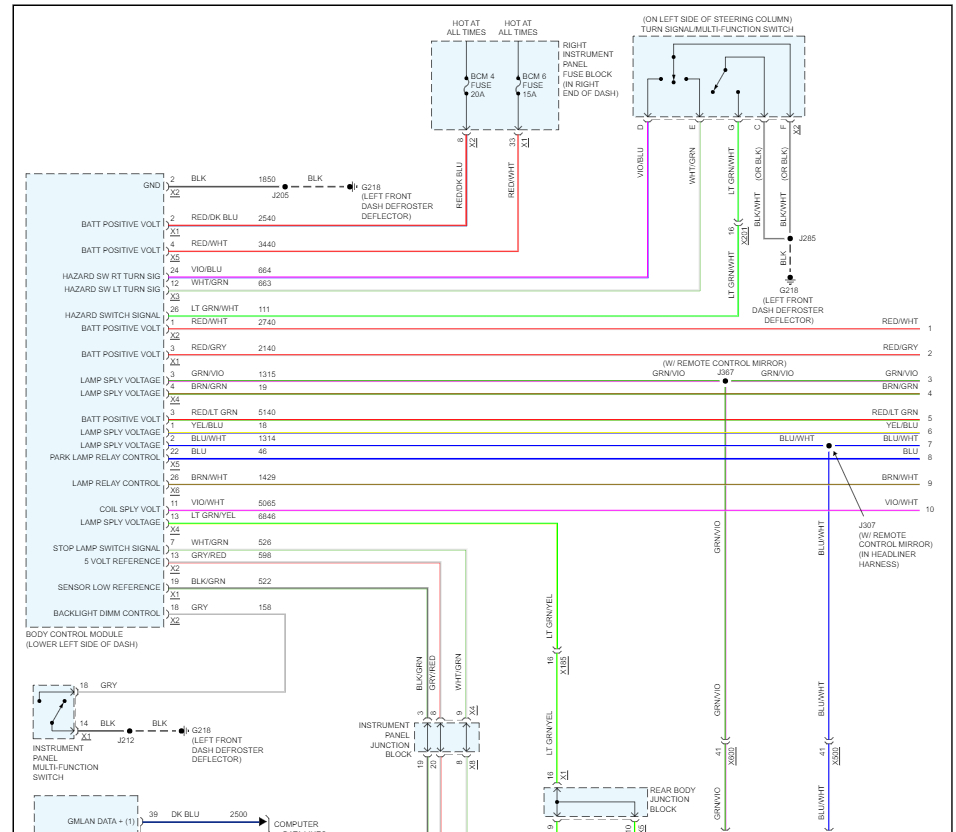
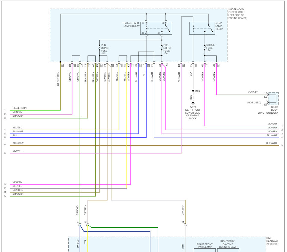
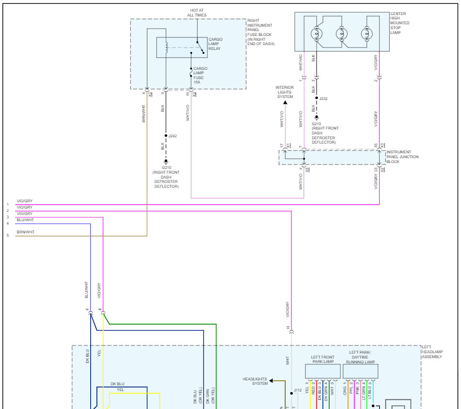
There are many fuses that run the system which need to be checked because the lighting systems are run by the BCM, here is a guide to help and I have included the fuse location as well. If all fuses are good, I would check the ground (g400) for the bulb socket. Here is the blinker and brake light wiring diagrams so you can see which fuses to check plus a guide to help check the ground.

https://www.2carpros.com/articles/how-to-check-a-car-fuse

and

https://www.2carpros.com/articles/how-to-use-a-test-light-circuit-tester

If the fuses and grounds are good the BCM could be out but to be sure let's do a CAN scan. You can get a CAN scanner (Controller Area Network) which will work on most cars from Amazon.

Here is a video to show you how:


https://youtu.be/u-4syLc-ifQ


If it comes up with e code for the BCM you can get a preprogrammed unit by searching Google or Ebay. Here is how to change out the BCM as well. Check out the images (below). Please let us know what happens.

Aug 28, 2023 at 12:14 PM
Advertisement