HOME
ASK A QUESTION
REPAIR GUIDES
BECOME A MEMBER
LOG IN
Login with Facebook
OR
Remember me
NOT A MEMBER?
FORGOT PASSWORD?
CONTACT US
PRIVACY POLICY
TERMS AND CONDITIONS
☰
Home
Chevrolet
Impala
Exterior Light
Headlight
Automatic headlights do not turn off
TOM SPENCER2
MEMBER
2009 CHEVROLET IMPALA
150,000 MILES
Automatic headlight will not turn off.
Sunday, October 14th, 2018 AT 7:38 AM
1 Reply
ASEMASTER6371
MECHANIC
52,796 POSTS
Good afternoon.
The body control module controls the timing of the headlights turning off after the key is off.
Do you have a scan tool to monitor the body control functions? You would be able to view live data if you have a scan tool.
Roy
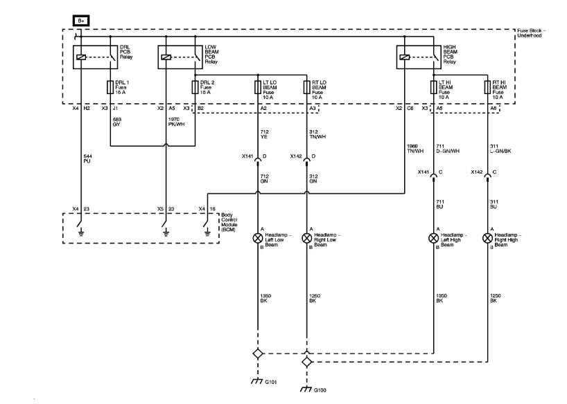
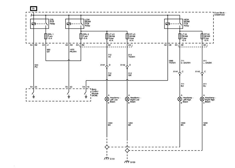
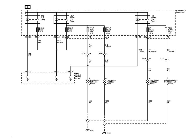
Image (Click to make bigger)
Was this
answer
helpful?
Yes
No
Sunday, October 14th, 2018 AT 1:38 PM
Please
login
or
register
to post a reply.
Related Headlight Content
Head Light
Hay Its Me Again. Some One Stole My Dads Head Light, Every Thing Including The Chrome That Holds It In, We Found The Head Light But Not...
Asked by
rocky_road
·
2 ANSWERS
CHEVROLET IMPALA
VIDEO
Headlight Bulb Replace Chevy Silverado
Instructional repair video
GUIDE
Headlight Bulb Replacement
The headlight bulb is located inside a water tight headlight lens connected to the wiring harness using a weather tight electrical plug to help repel damage causing moisture...
High Beam Indicator Stuck On
My High Beam Indicator Light Is Stuck On, But I Can Still Turn My High Beams On And Off. How Do I Fix This So That My Indicator Light In...
Asked by
darenator
·
1 ANSWER
CHEVROLET IMPALA
Headlight Problem
I Have A 2005 Impala And One Of The Headights Is Malfunctioning It Turns On A Little Bid. When I Turn The High Beams On. The Headlight Turns...
Asked by
sergion
·
9 ANSWERS
1 IMAGE
2005
CHEVROLET IMPALA
Bmw 325i Headlights Turn Themselves Off When I Stop
Several Days Ago At Night My Headlights Started To Turn Themselves Off Whenever I Stopped At A Stop Sign. After The Car Started To Move...
Asked by
andrew
·
2 ANSWERS
1932
CHEVROLET IMPALA
Headlight Fixture
2000 Chevy Impala 3.4l 172,000 Miles About 1 Yr Ago My Car Was In An Accident And The Plastic Thing For The Headlights Got Borken. Where...
Asked by
katrina449
·
1 ANSWER
CHEVROLET IMPALA
VIEW MORE
Ask a Car Question. It's Free!
Headlight Bulb Replacement Dodge Caravan
Headlight and Bulb Replacement Ford F-150
Headlight Bulb Replacement Acura MDX