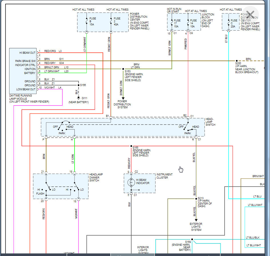
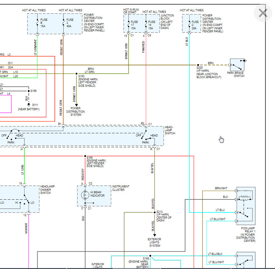
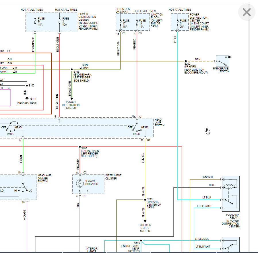
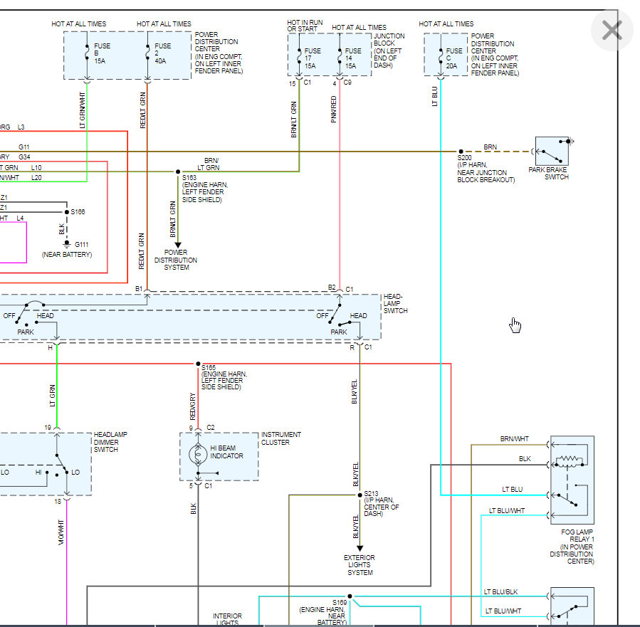
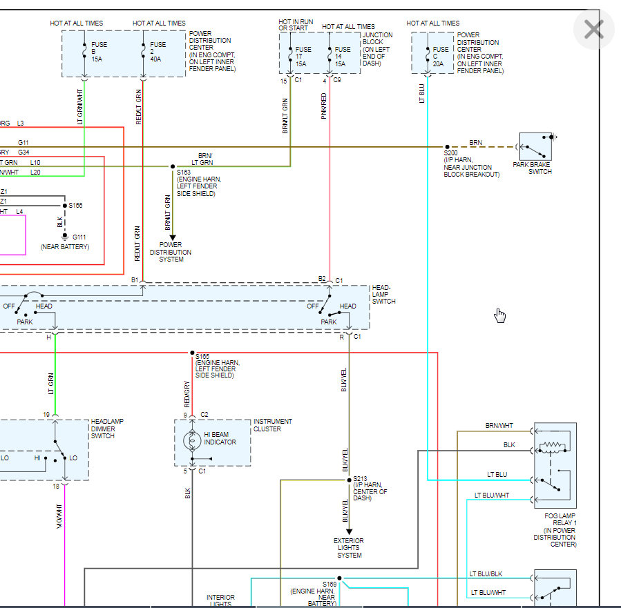
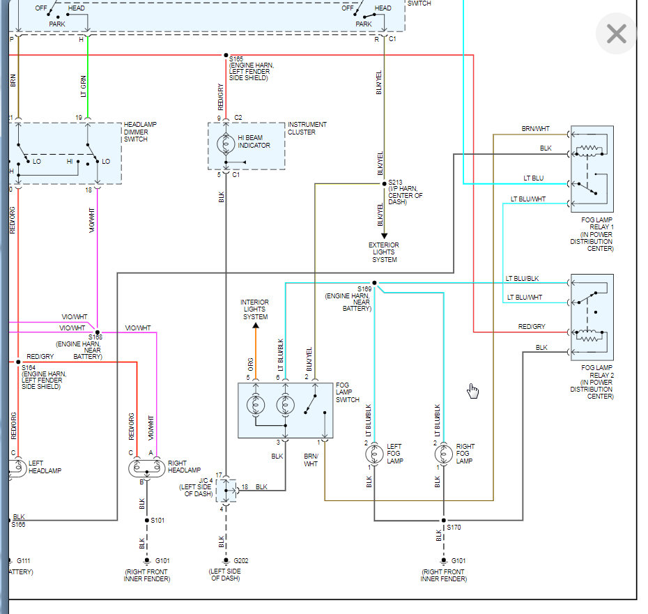
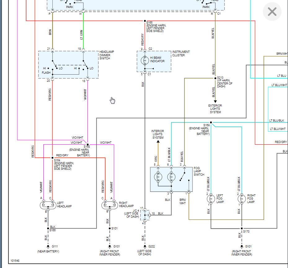
I have searched for wiring symbols all over the internet and even looked at links that have been suggested and I can only find a page with some but not enough so I can make out how to check it out.
I can really use some insight just please don't suggest I check fuses or wiring because the lights work, just not in the positions they are supposed to.
Thanks
Friday, February 28th, 2020 AT 2:44 PM







