Wednesday, January 5th, 2011 AT 11:36 PM
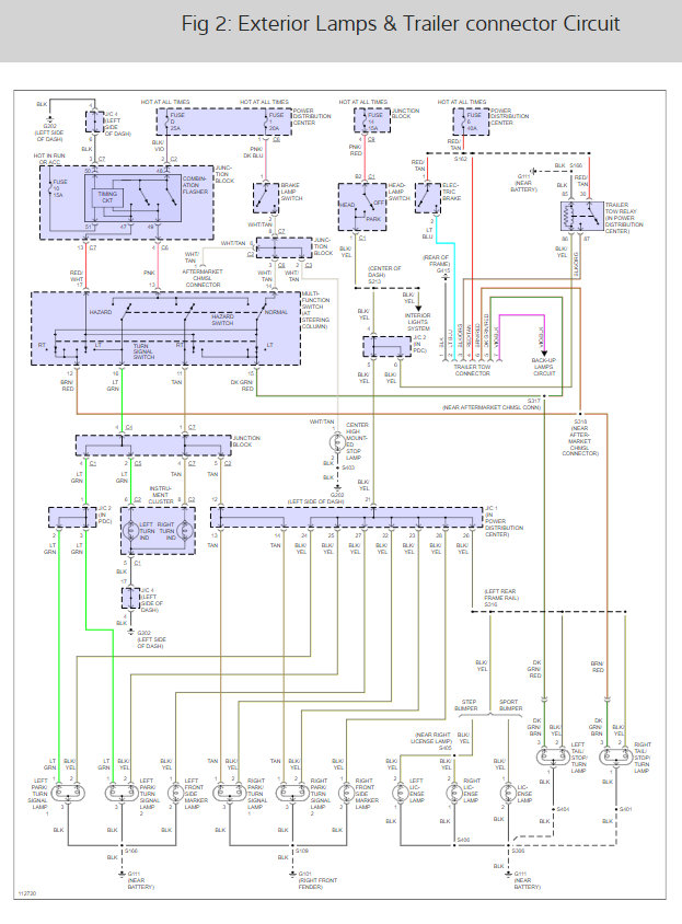
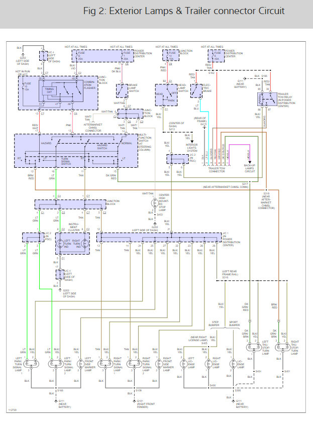
I have a 99 dodge dakota sport. Recently my turn signals began to malfunction. First they would only blink a few times than stop. Now they have stopped working all together. I replaced my front headlight bulb as I thought that might have something to do with it. Every once and awhile they will work (usually only two or three blinks before cutting out again) but most the time they arnt working at all. I had this problem a few months ago, but it fixed itself. MY four ways do work.







