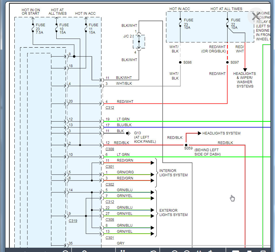
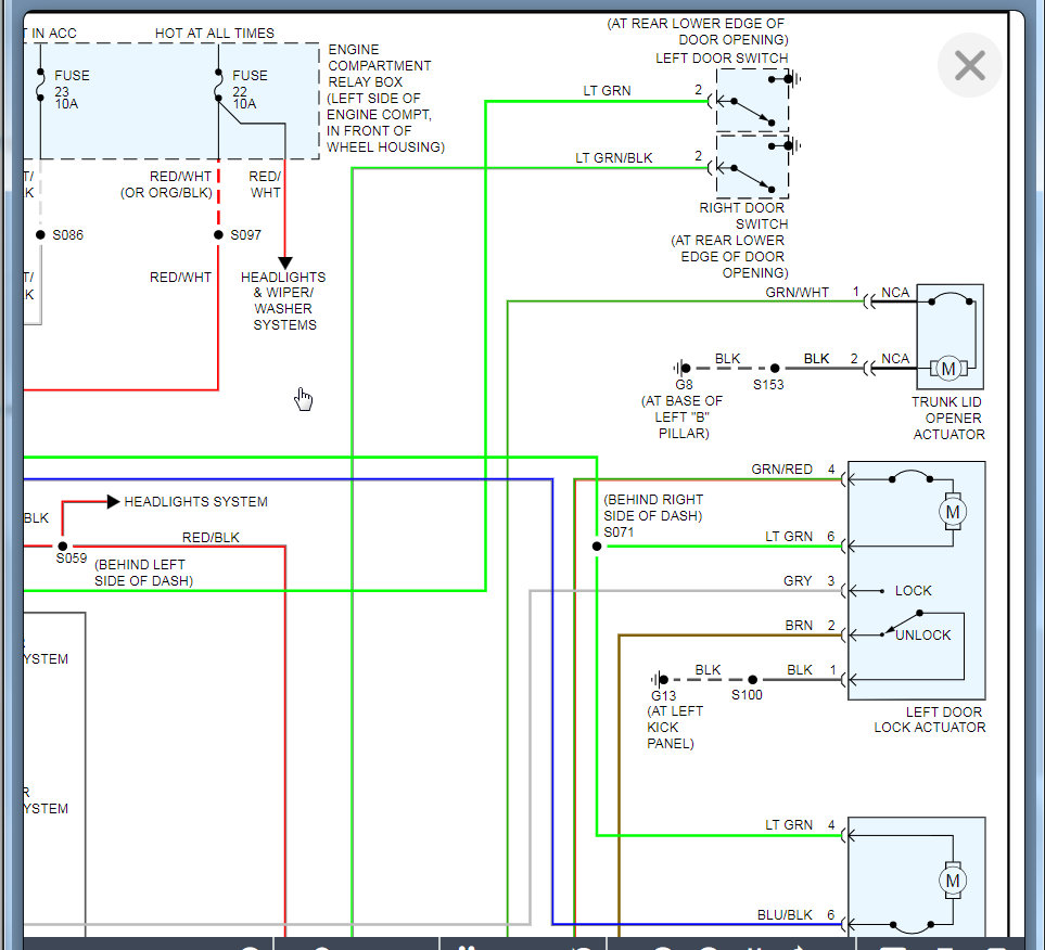
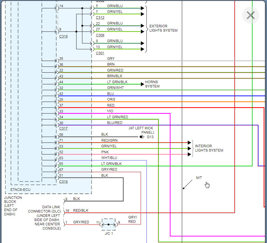
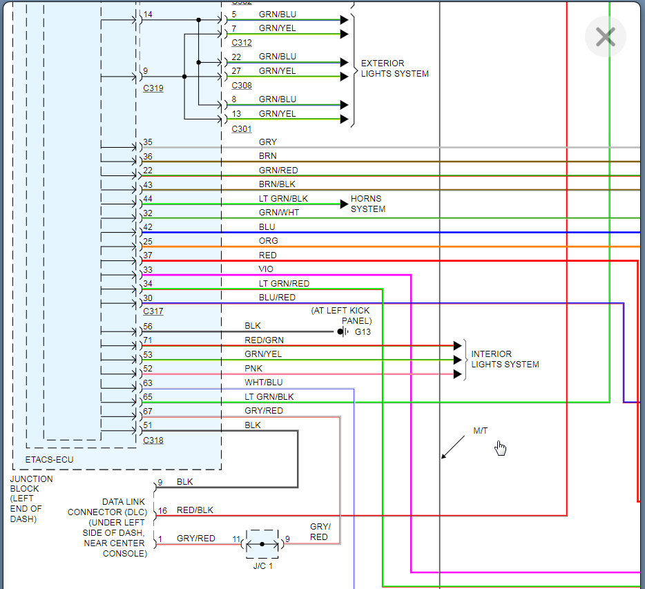
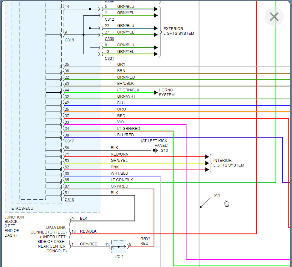
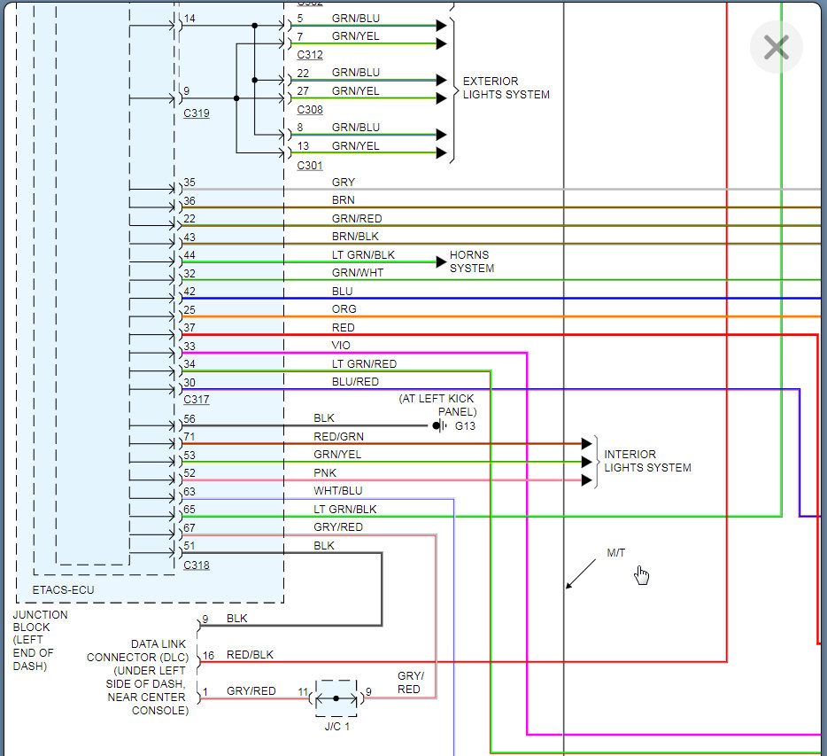
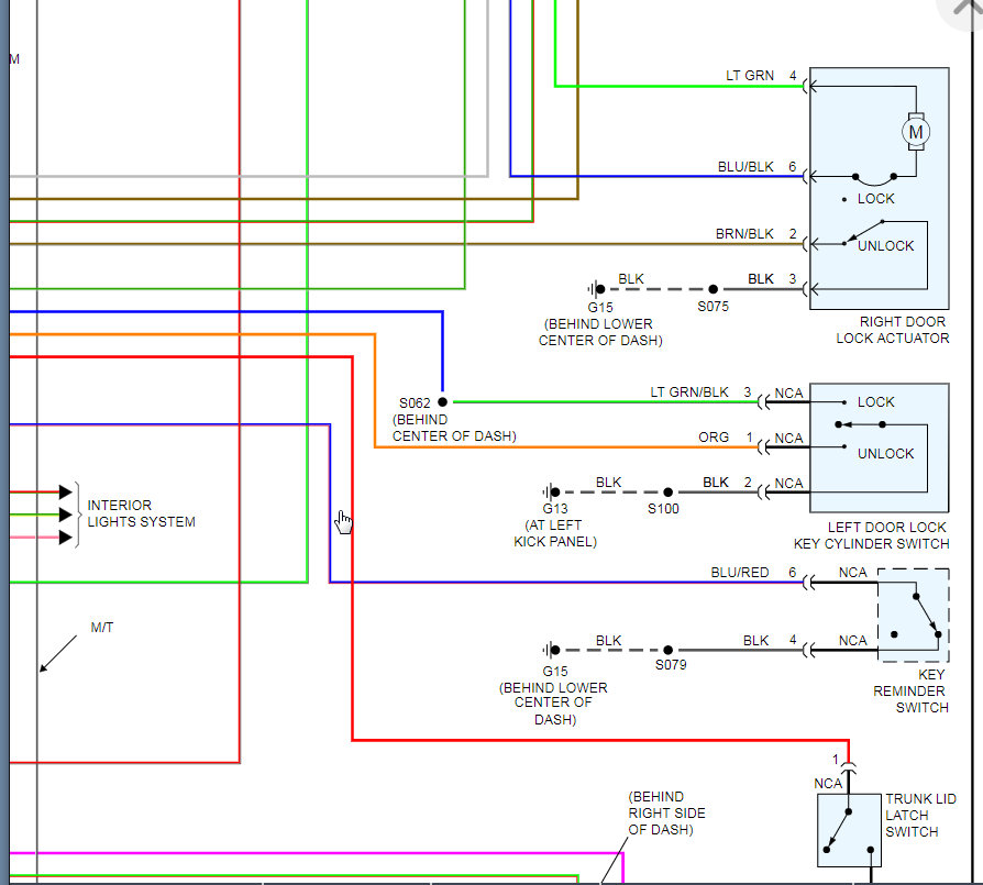
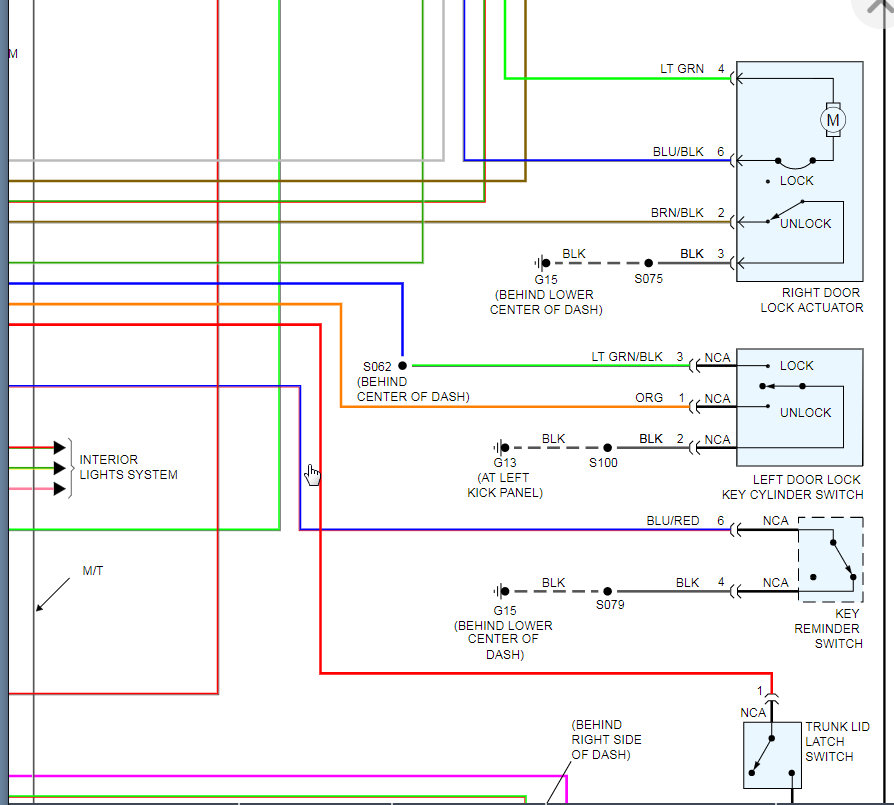
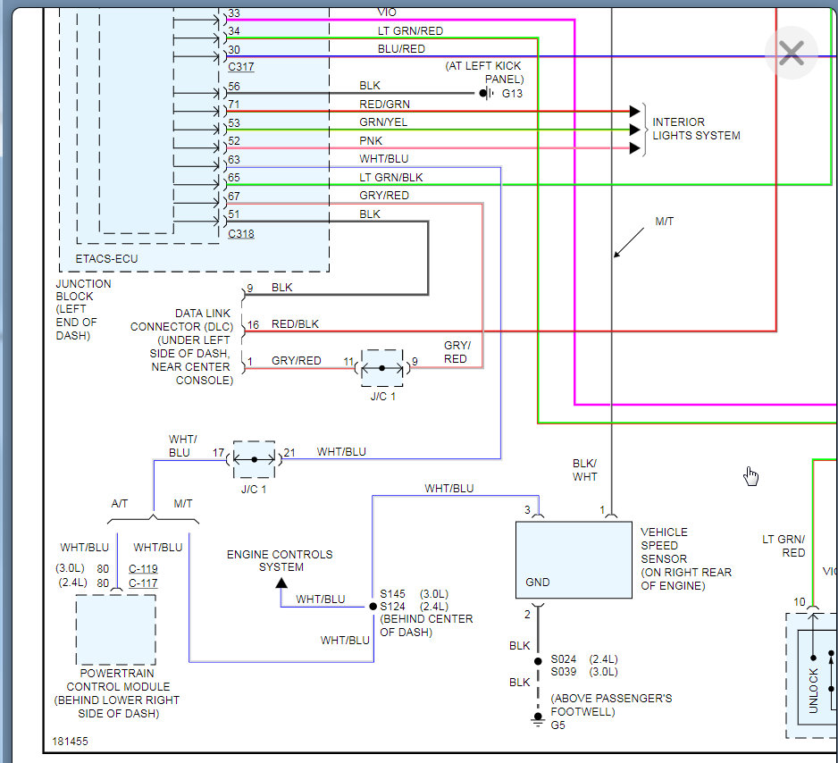
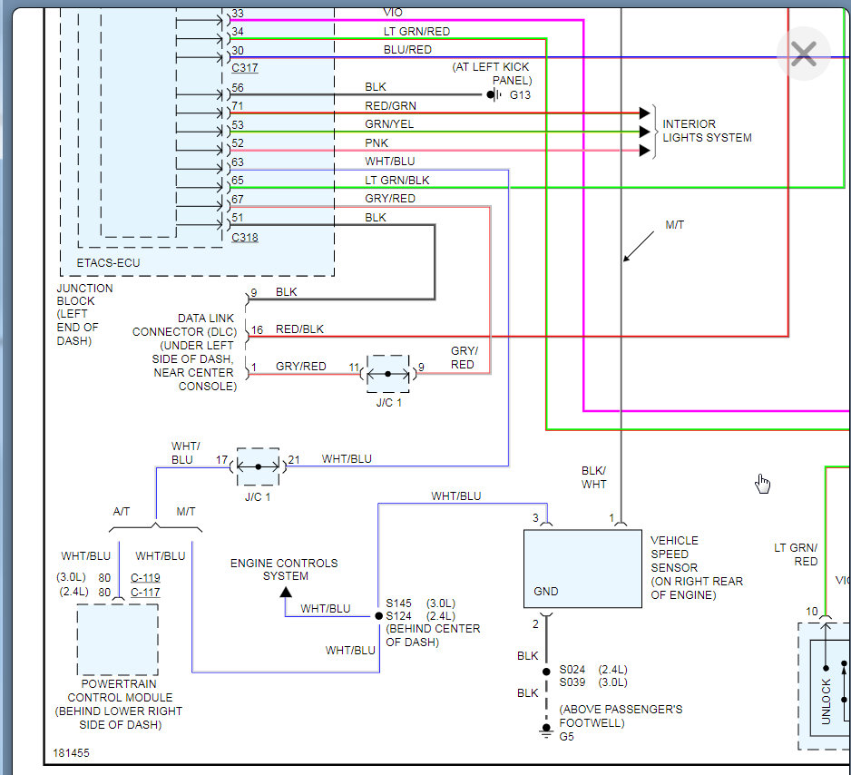
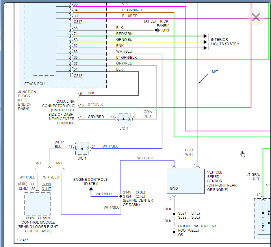
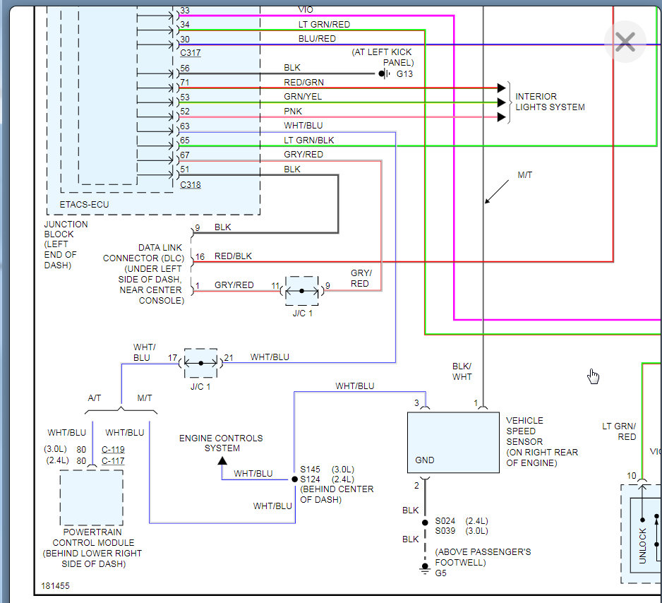
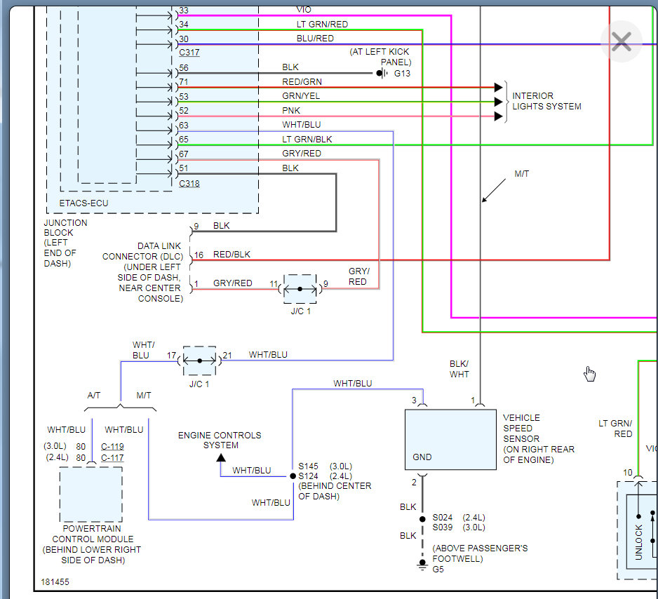
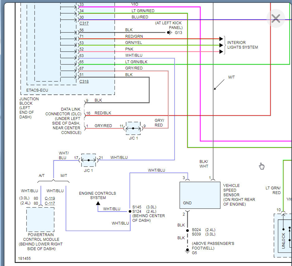
Thursday, February 25th, 2021 AT 8:49 AM
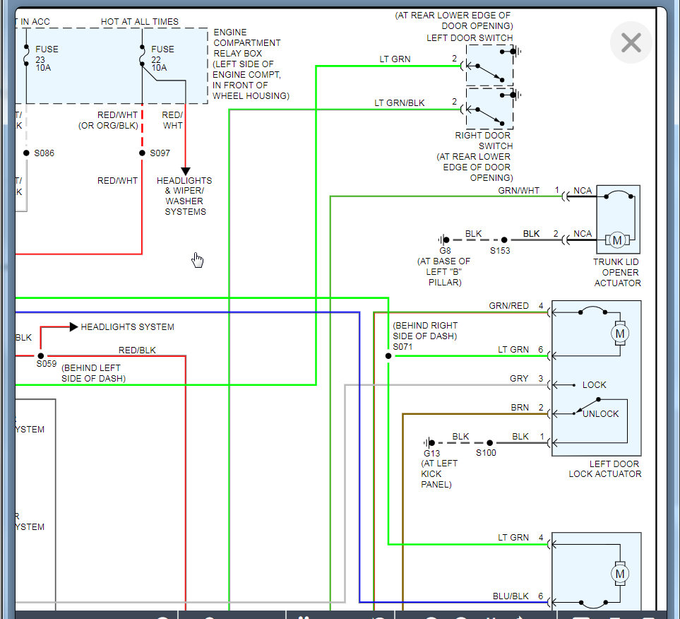
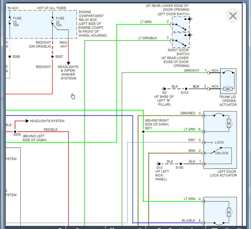
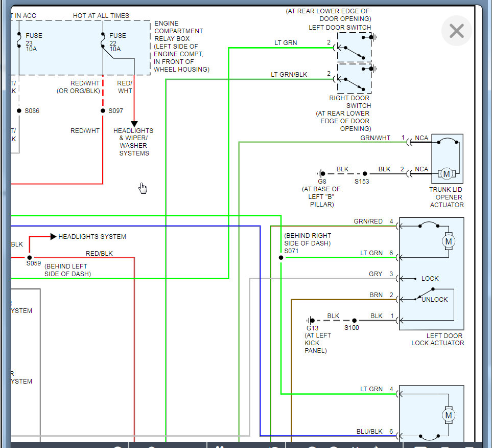
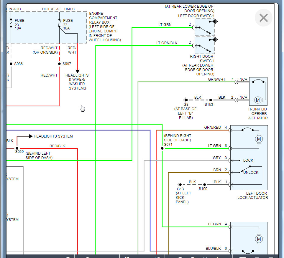
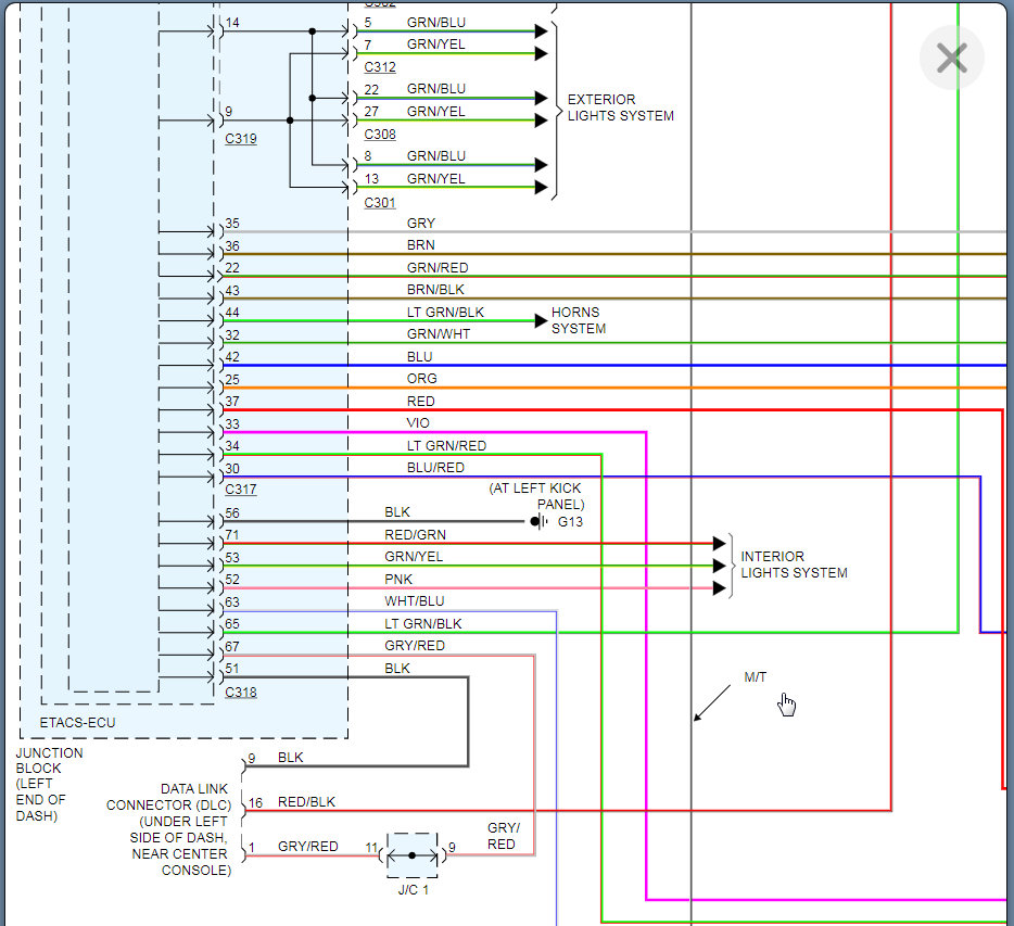
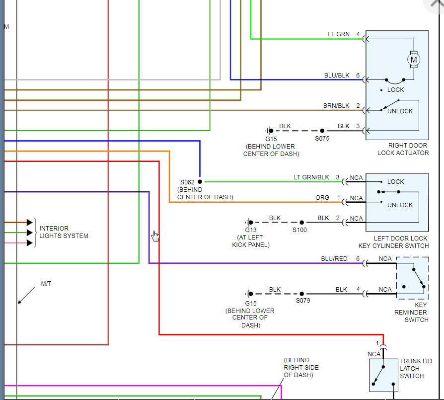
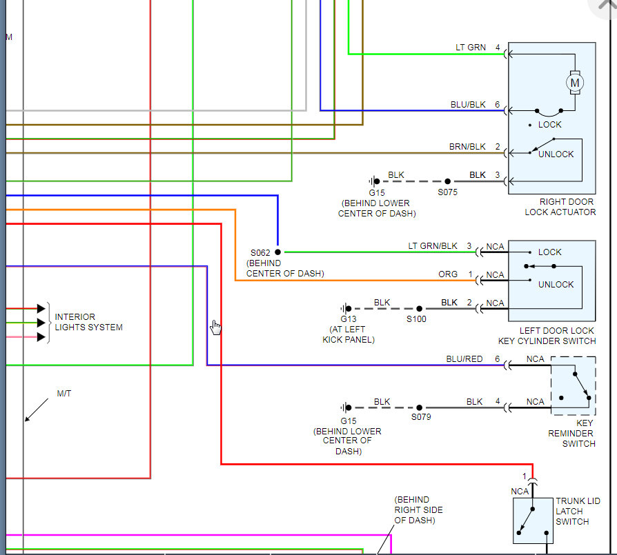
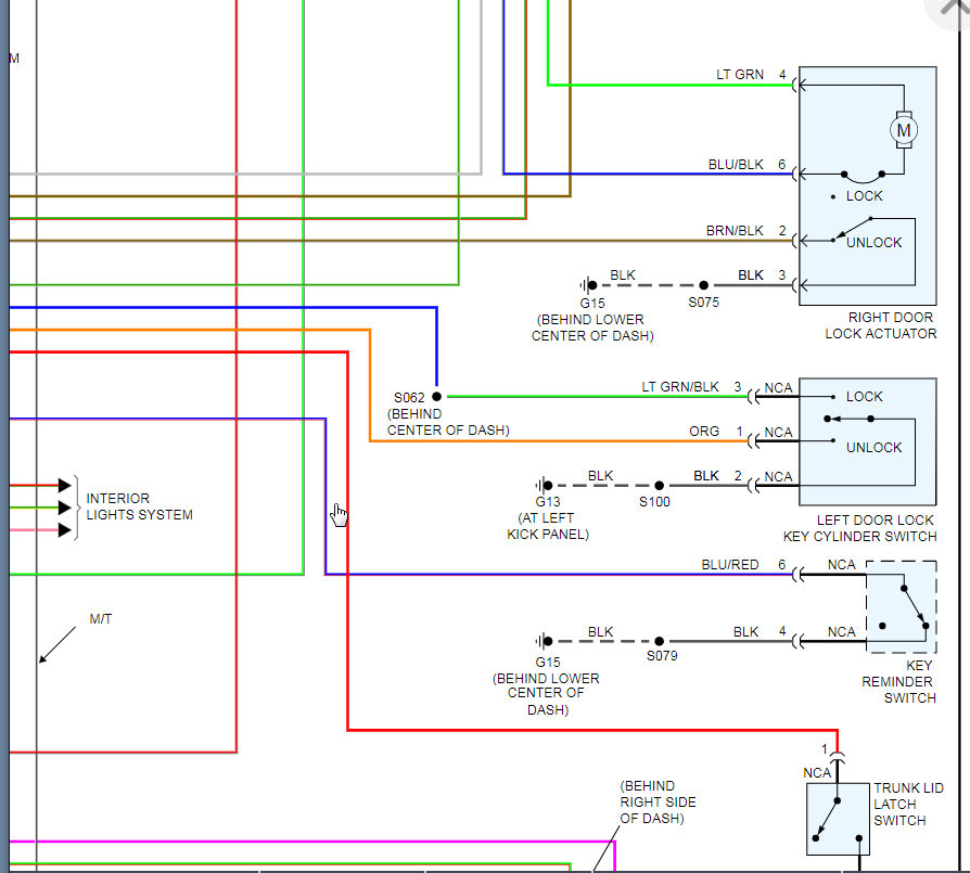
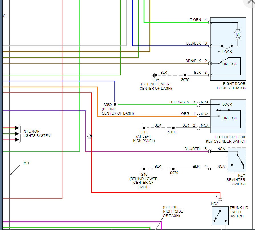
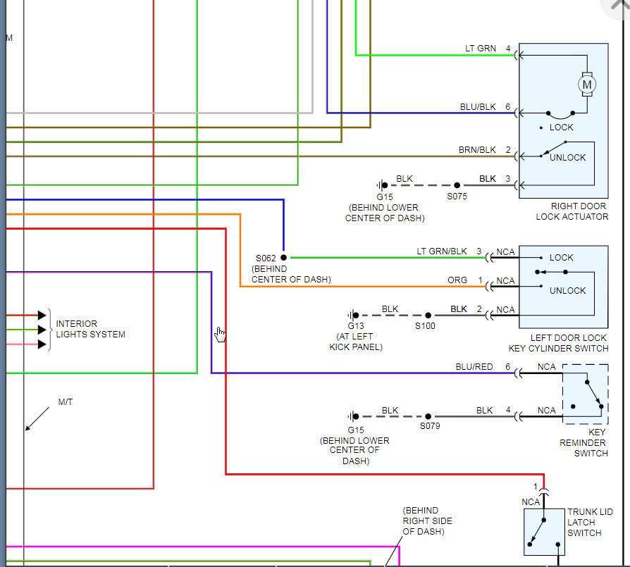
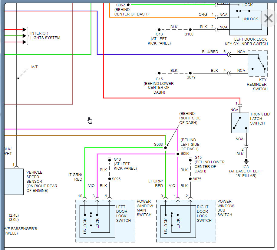
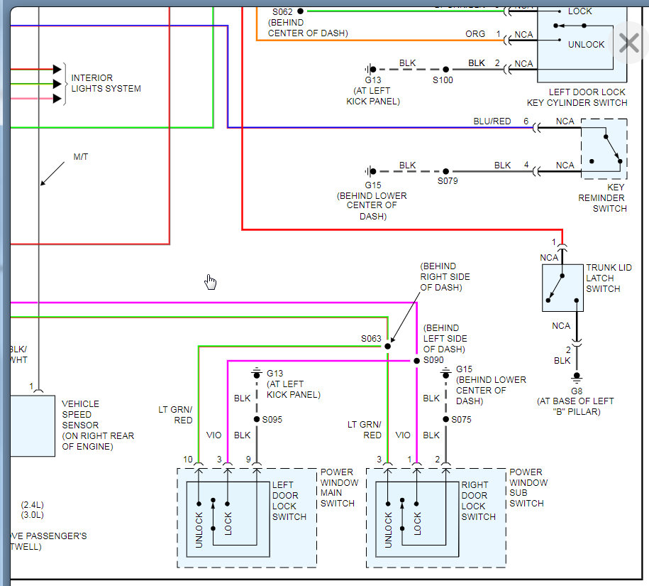
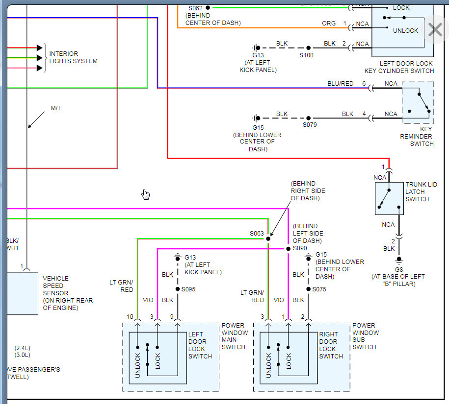
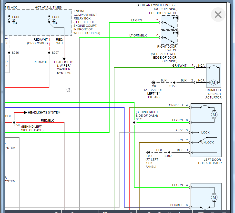
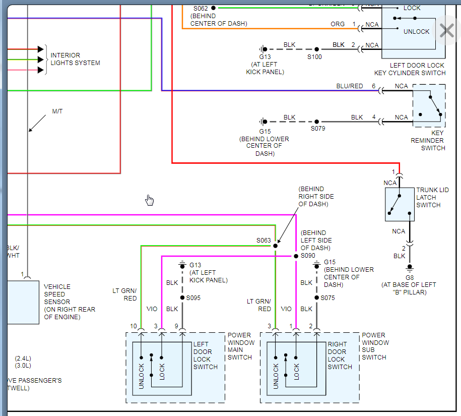
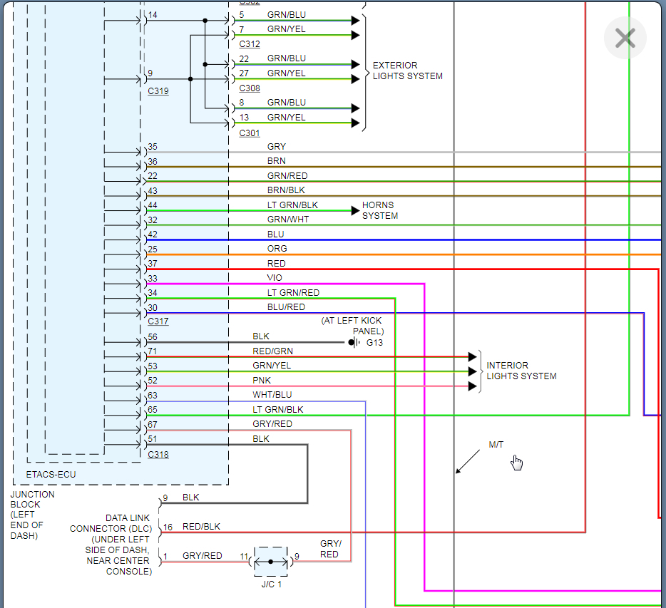
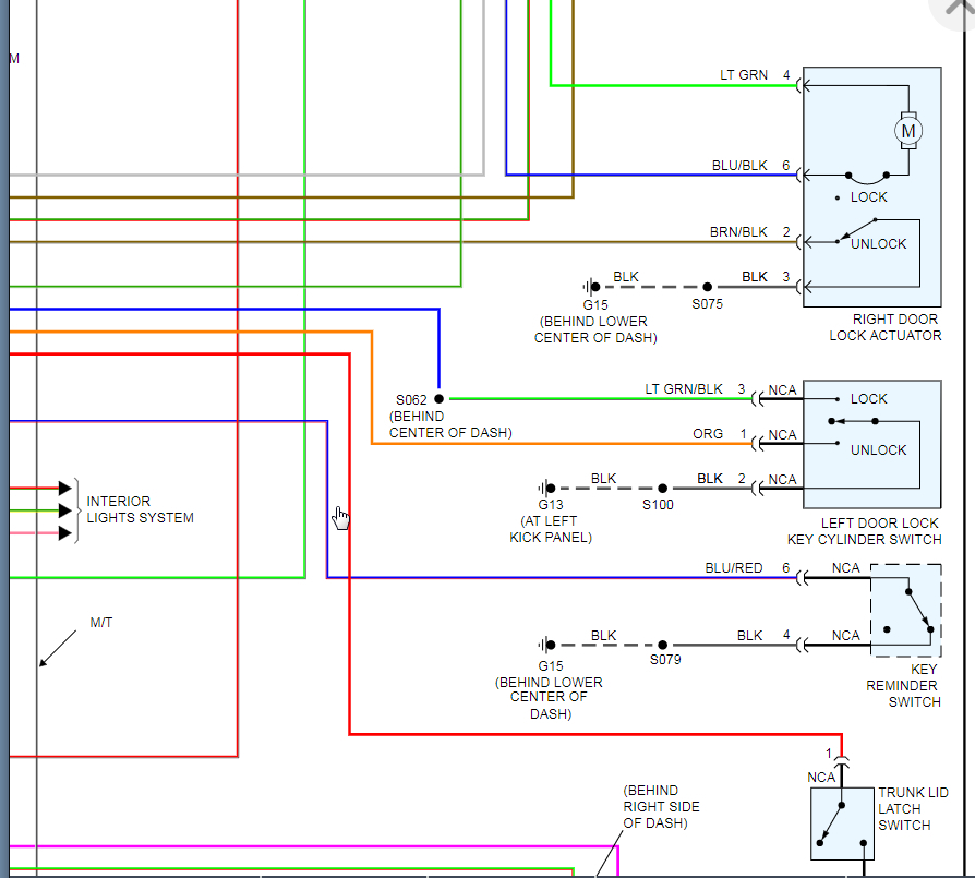
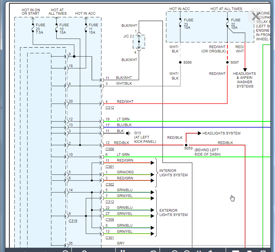
Started out with my tail light blowing was replaced blowed again, fuses replaced. Now the brake lights, dash tail lights and radio not working. Along with the power locks. Windows still working.











