Lighting/ turn signals

Tiny
CJ8 HUNTER
  • MEMBER
  • 1985 JEEP SCRAMBLER/CJ8
  • 4.2L
  • 6 CYL
  • 4WD
  • MANUAL
  • 145,000 MILES
With the lights off all of the turn signals work as they should. When I turn the lights on the left rear turn signal stops working. All bulbs are correct I have found nothing that stands out to be incorrect so far for wiring. It does have a new wiring harness from Centech as installed by others when restored. Needs some help understanding and repairing this issues. Jeep medic out there?
Tuesday, August 6th, 2019 AT 4:35 PM

12 Replies

Tiny
CARADIODOC
  • MECHANIC
  • 34,432 POSTS
This is one of the classic symptoms of a bad ground wire. The first clue is if you look closely at the two brake lights, you'll see the left one isn't as bright as the right one. The best clue is to leave the running lights off, turn on the left turn signal, then, while it's flashing, remove the right brake / signal bulb from its socket. If the left one stops flashing, it has a bad ground wire. Current for the left signal light can't find its path to ground, but it finds an alternate path by doubling back through the tail light filament in the same bulb, then over to the interconnected right tail light, then to ground on the right side. Removing the right bulb removes that alternate ground path, so the left bulb goes off.
Was this
answer
helpful?
Yes
No
Tuesday, August 6th, 2019 AT 5:43 PM
Tiny
CJ MEDEVAC
  • MECHANIC
  • 11,004 POSTS
To test Caradiodoc's theory.

Remove your brake light red lenses.

Attach a wire (or long wire) to the frame or even better, to the negative battery terminal. Maybe with vise-grip pliers.

In a pinch, I have chopped up a cheap extension cord to make test wires. Many times in the past to figure out bad trailer wiring!

Next, activate the signal and your lights.

While it is "screwing up", touch the other end of the wire from the negative battery terminal to "body" or metal "bulb holder", thus giving the holder an uninterrupted ground. This test may show that you need to check/ repair the original grounds to the light fixture.

Keep us informed!

The Medic
Was this
answer
helpful?
Yes
No
Tuesday, August 6th, 2019 AT 8:34 PM
Tiny
CJ8 HUNTER
  • MEMBER
  • 6 POSTS
Hi. Just got home from work. I tried Cardio docs suggested check and that did not have the desired effect. I will try grounding the build socket tomorrow as I will likely be back at work later tonight. I will keep you guys posted.
Was this
answer
helpful?
Yes
No
Wednesday, August 7th, 2019 AT 3:26 PM
Tiny
CJ MEDEVAC
  • MECHANIC
  • 11,004 POSTS
Good luck!

Waiting for good news!

The Medic
Was this
answer
helpful?
Yes
No
Wednesday, August 7th, 2019 AT 5:36 PM
Tiny
CJ8 HUNTER
  • MEMBER
  • 6 POSTS
Hello. So here is what I noticed while going back to simple things.K.I.S.S
I noticed as was mentioned by cardio doc that the left rear running lamp would be brighter than the right and is extremely bright! But taking out the right rear bulb did noting to change that. The other thing I noticed was that with the light on the turn signal was actual working but very dim and does not become brighter than the filament that’s is already on so it can on barely be seen I have excellent ground to left rear light unit. Maybe I should look elsewhere for a bad ground back toward the main harness? Rear right turn signal works fine without the lights on. Left does not could there be a wire crossed? Say a white wire? Unfortunately this is not the original harness and is made by Centech
Was this
answer
helpful?
Yes
No
Thursday, August 8th, 2019 AT 2:20 PM
Tiny
CARADIODOC
  • MECHANIC
  • 34,432 POSTS
What I'd try next, since this isn't a factory harness, is to remove the left rear bulb from its socket, then use a digital voltmeter to take three readings on the socket. Turn on just the running lights, then read the voltages on the two terminals in the socket, then on the brass housing. One terminal should have full 12 volts. There must be 0 volts on the other terminal and on the housing.

Next, turn the running lights off, and use a stick from the seat to the brake pedal, or a helper, to hold the brake pedal down. Now you should find 0 volts where you had 12 volts in the last step. There must be 12 volts on the other terminal where you had 0 volts before, and there must still be 0 volts on the housing.

If you ever find something other than 0 volts on the housing, at least two wires are switched somewhere. If you find 12 volts on one terminal, and something other than 0 volts on the other one at the same time, we have to figure out where that second voltage is coming from. Typically that would be from a bad ground on the other side, and the voltage is back-feeding from the turned-on circuit onto the turned-off circuit.
Was this
answer
helpful?
Yes
No
Thursday, August 8th, 2019 AT 4:36 PM
Tiny
CJ MEDEVAC
  • MECHANIC
  • 11,004 POSTS
So you did try the temporary ground touched to the bulb holder other end to a good ground?

Here's the only thing I see that could be wrong:

The front turn signal/ park lights and the rear turn signals and rear lights all share a one each bulb.

The turn signals and brake light all use the "brighter" filament within the bulb. Thus the brighter filament is controlled by the turn signal switch and the brake switch only/ half of the bulb I used this way.

Same bulb, when you pull the light switch to on, the dimmer element is now on (running lights and park lights) this is the other half of the bulb.

The only thing common to these four bulbs is the ground.

We have one more light issue to consider, that would be the side markers. They are a one filament bulb. They work with the light switch as well as blink with the turn signals.

I think that it's not a ground, somebody crossed up two of the wires.

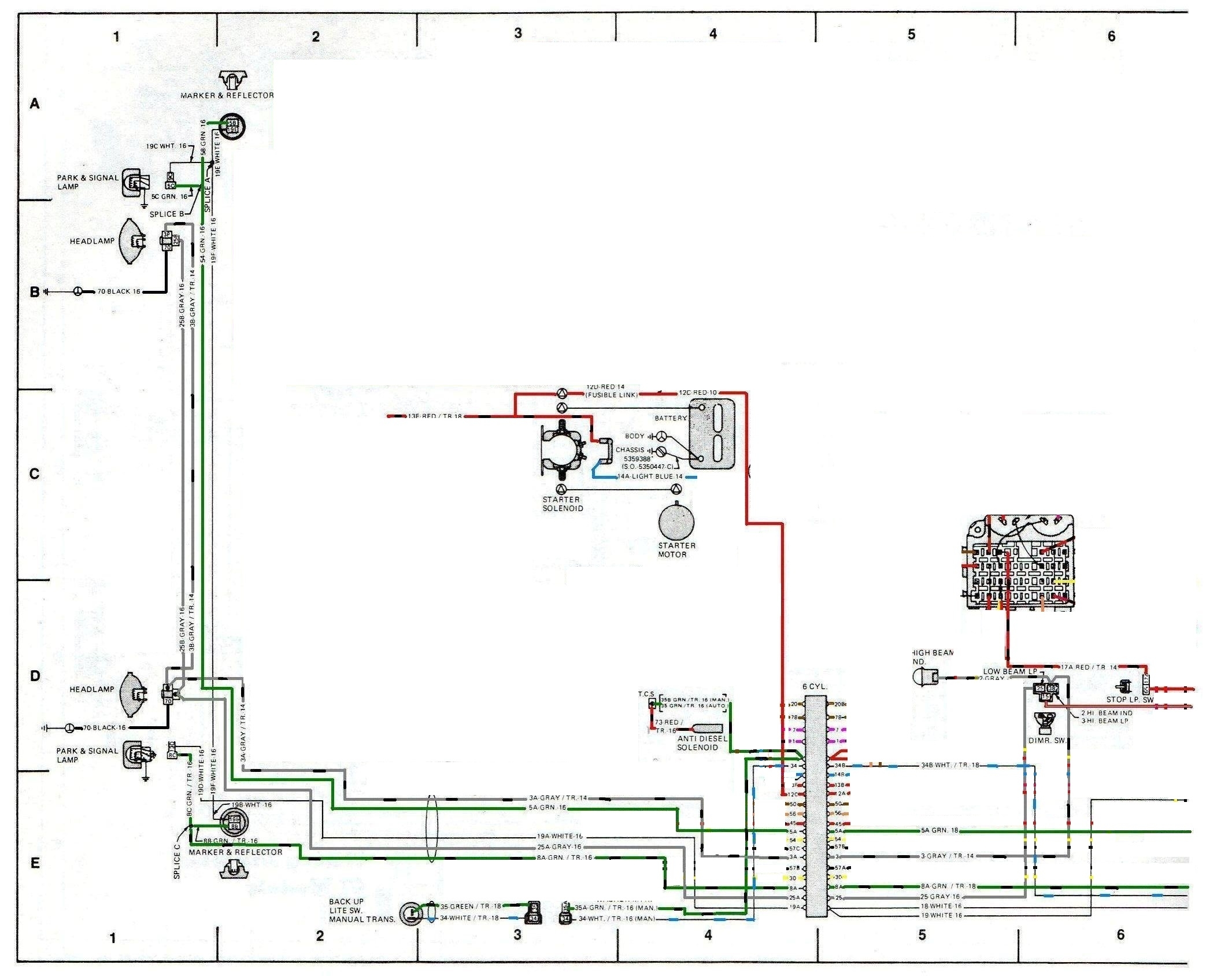
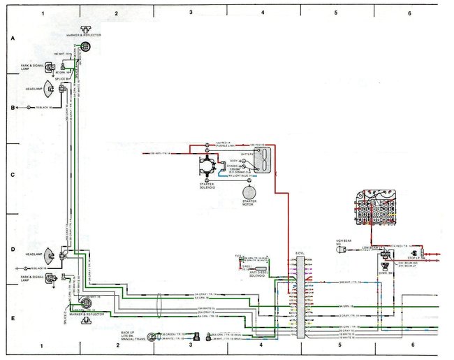
I'm going to chop up a diagram to only show the lighting. I will also provide you the whole diagram as well.

I scanned and colored this diagram the best I could.

Tracer stripe colors on wires were not labeled with a color, so I used the base color that was listed. I "dashed" these tracer wires to denote they were tracers. You will be able to pick out the real wire and it's stripe color as you dig into your wires. Sorry! The only way for me to have gotten the tracers colors would have been to take my whole Jeep apart and look! White wires are drawn with black lines!

Here they are. I may have missed something. You can double check me with the original diagrams. Even though this is a 1979 diagram I think the lighting is the same through the nearby years.

The Medic
Was this
answer
helpful?
Yes
No
Thursday, August 8th, 2019 AT 6:48 PM
Tiny
CJ8 HUNTER
  • MEMBER
  • 6 POSTS
Hi all. Back to it I am. So did all of the mentioned checks from both of you and the voltages are correct as you laid out. I disconnected the RR from any of the circuit and still have the same problem. Also my 84 scrambler I had many years ago the front side marker lights I think did flash with the turn signals. This one does not. Maybe because of the aftermarket harness? Anyway looking for some more guidance. Maybe it will be the last thing that gets checked. Thanks Hunter
Was this
answer
helpful?
Yes
No
Friday, August 9th, 2019 AT 11:41 AM
Tiny
CJ8 HUNTER
  • MEMBER
  • 6 POSTS
Forgot. I did have a.31 volts on one of those checks where I should have had none. That’s point 31 volts
Was this
answer
helpful?
Yes
No
Friday, August 9th, 2019 AT 11:46 AM
Tiny
CJ8 HUNTER
  • MEMBER
  • 6 POSTS
So I have not seen a reply lately from anyone. So here iswhat I finally found. Not just 2 wires crossed but 4. Drove me nuts for many hours chasing my tail. After finding the issue with the left rear crossed wires I started operating the lights checking with and without lights on and found the right front turn/ marker light not working correctly. So 4 wires crossed now fixed and all light are working 100%. I still have no idea how 4 wires got crossed when the vehicle was restored.
Was this
answer
helpful?
Yes
No
Wednesday, August 14th, 2019 AT 3:58 PM
Tiny
CARADIODOC
  • MECHANIC
  • 34,432 POSTS
Dandy. Happy to hear you solved it. This kind of problem is hard to diagnose when the wiring is not original.
Was this
answer
helpful?
Yes
No
Wednesday, August 14th, 2019 AT 4:58 PM
Tiny
CJ MEDEVAC
  • MECHANIC
  • 11,004 POSTS
Glad you figured it out!

I get all wound up and tunnel visioned with confusing issues.

Gets me all flustered and I can't "see past" what's in front of me.

Best to keep an open mind, approach the issue from the other end (whatever it is), and walk away for a while to clear your mind.

If you get caught talking to yourself, explain that you are listening to expert advice.

The Medic
Was this
answer
helpful?
Yes
No
Wednesday, August 14th, 2019 AT 5:52 PM

Please login or register to post a reply.