Headlights, high or low beams, taillights, parking lights, dash lights or interior lights are not working

Tiny
CHRIS KRULL
  • MEMBER
  • 1992 NISSAN HARDBODY
  • 2.4L
  • 4 CYL
  • 2WD
  • MANUAL
  • 120,000 MILES
. However, I do have turn signals, brake lights and reverse lights.
Also, is there a certain way the speedometer cable connects to the rear of the instrument cluster?
Can I install a power steering unit or a steering assist available?
I have many questions, but I think these are at the top of my list. Thanks
Monday, March 21st, 2022 AT 1:40 AM

1 Reply

Tiny
KASEKENNY
  • MECHANIC
  • 18,907 POSTS
Thanks for coming to 2CarPros with those questions. However, we need to submit a question for each one as others will not find the solutions under the same heading. Basically, we need to keep each question on one topic so that all others can easily find their solutions.

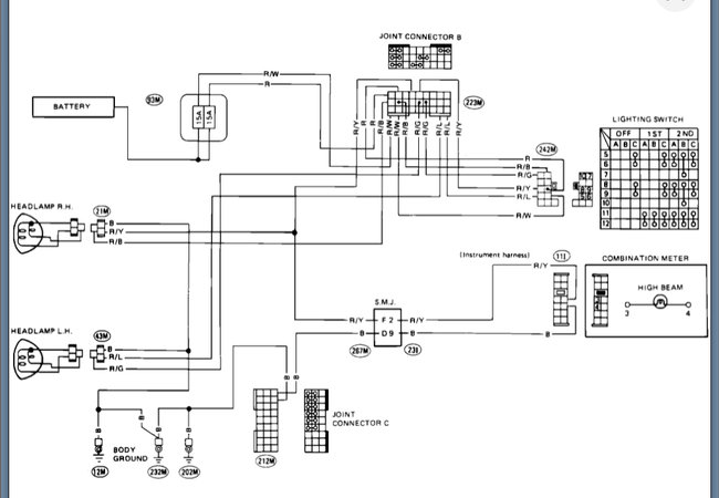
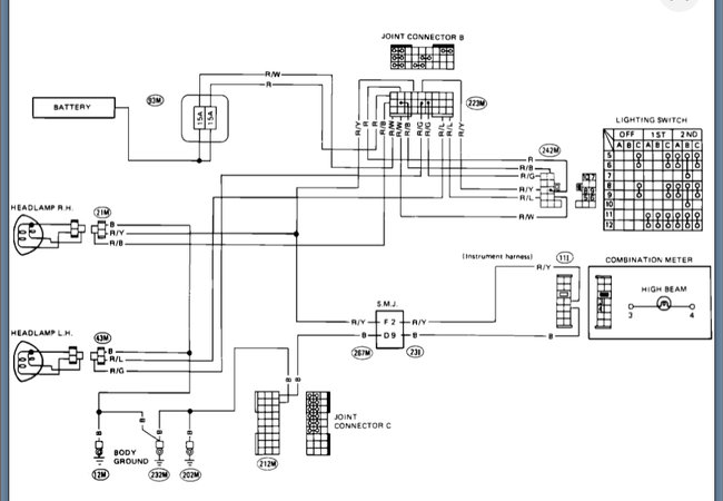
Let's start with the headlights so I am attaching the diagram below on what we need to do.

Basically, we need to start by checking the power leaving the light switch. We need to find out if the red/yellow wire is getting power.

https://www.2carpros.com/articles/how-to-check-wiring

If not, then the likely cause of this is a light switch. We need to pick one light circuit and figure that one out and it will most likely fix all the lighting issues, but it is overwhelming to try and look at all of them at the same time.

So, let's focus on this one first and go from there. Thanks
Was this
answer
helpful?
Yes
No
Tuesday, March 22nd, 2022 AT 7:42 AM

Please login or register to post a reply.