Thursday, July 26th, 2018 AT 1:25 PM
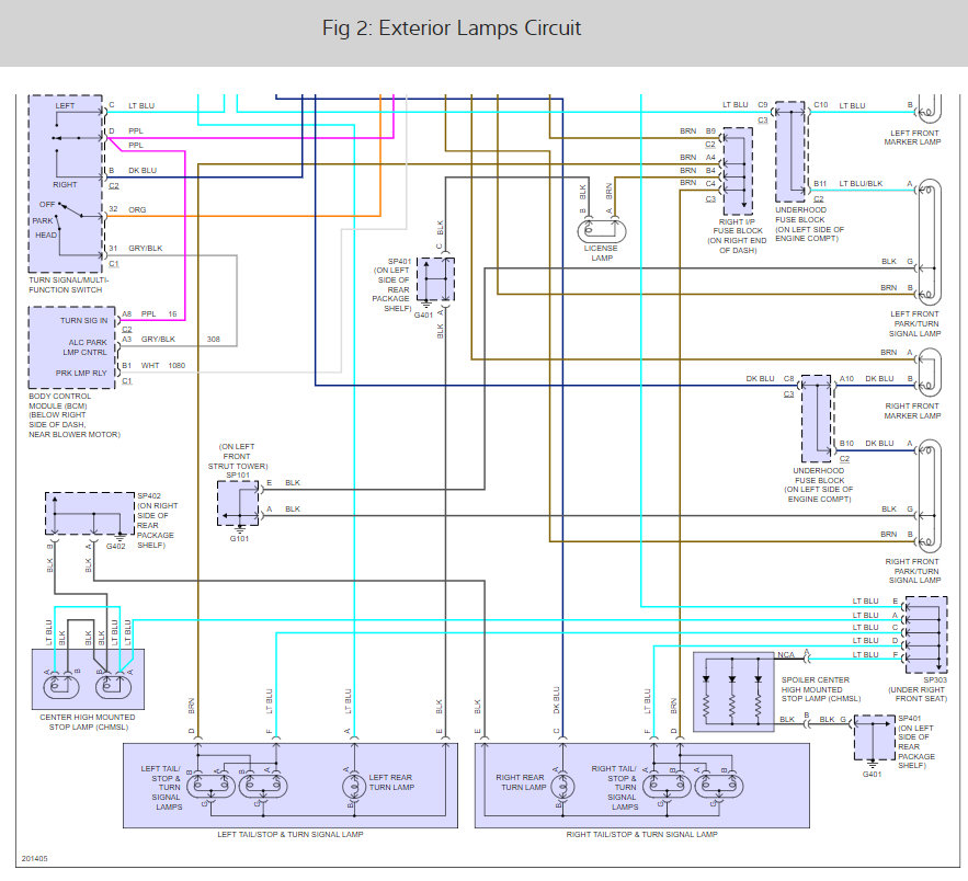
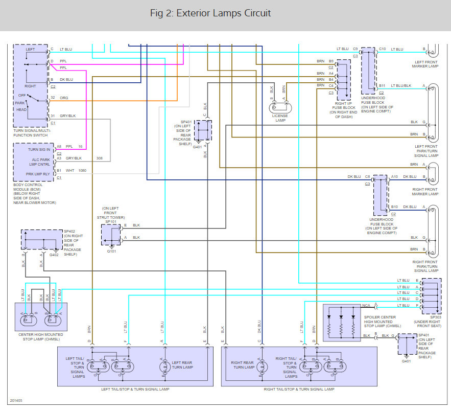
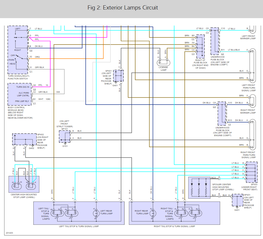
My driver's side front and rear lights will not work. Running, turn, brake and high beams. No front and rear driver's side lights. Is there a fuse or a group of fuses/relays that control just a certain side of the car's lighting?




