Liftgate will not open

Tiny
RICKSEWELL
  • MEMBER
  • 2007 GMC YUKON
  • 199,999 MILES
No power to under hood fuse 44, but fuse is not blown. Several other fuses in same area no power either.
Tuesday, March 8th, 2022 AT 10:16 AM

1 Reply

Tiny
JACOBANDNICKOLAS
  • MECHANIC
  • 110,192 POSTS
Hi,

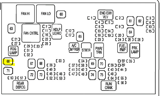
I just went through the power distribution schematics and feel nearly as confused as I did when I started. LOL The fuse legend for the under-hood fuse box indicates exactly what you said, fuse 44/liftgate. When I go to the schematics, there is no fuse 44 indicated.

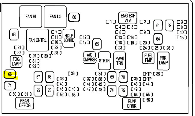
So, I located the actuator for the liftgate. I worked backward from the actuator, and nothing indicates fuse 44, but there are fuses that are 15 amp (unidentified). I went further back and found that power to the 15-amp unidentified fuses is supplied via fuse 66 (stud 2) 30 amp.

I attached a pic of the fuse box and highlighted fuse 66. Check that fuse and see if there is power.

Let me know what you find.

Joe
Was this
answer
helpful?
Yes
No
-1
Tuesday, March 8th, 2022 AT 7:39 PM

Please login or register to post a reply.