HOME
ASK A QUESTION
REPAIR GUIDES
BECOME A MEMBER
LOG IN
Login with Facebook
OR
Remember me
NOT A MEMBER?
FORGOT PASSWORD?
CONTACT US
PRIVACY POLICY
TERMS AND CONDITIONS
☰
Home
Chevrolet
HHR
Body
Liftgate
Relay
How to check the liftgate relay?
KALKOBALL
MEMBER
2008 CHEVROLET HHR
4 CYL
2WD
AUTOMATIC
66,000 MILES
Is there a way to check if #18 liftgate relay is good? I'm disabled and can't afford much. Thanks
Monday, September 11th, 2023 AT 2:21 AM
1 Reply
KEN L
MASTER CERTIFIED MECHANIC
55,535 POSTS
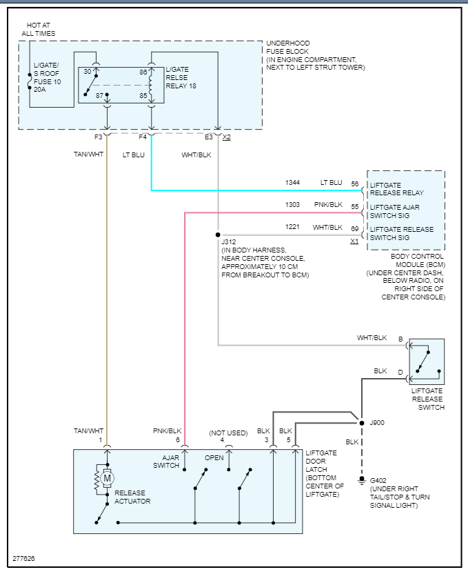
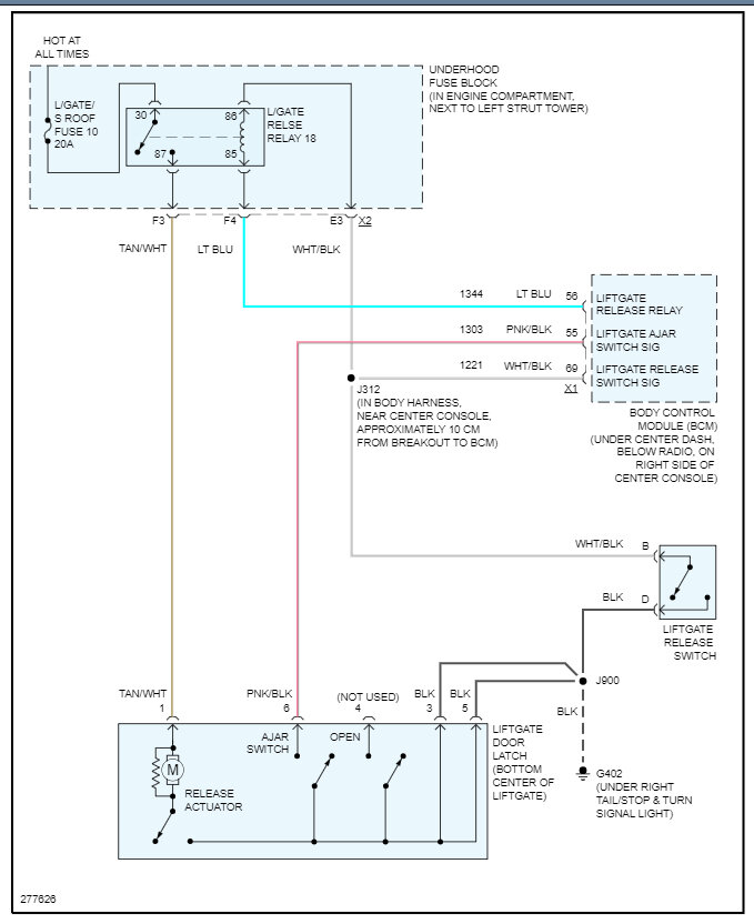
Yes, this guide can help:
https://www.2carpros.com/articles/how-to-check-an-electrical-relay-and-wiring-control-circuit
Here are the wiring diagrams to help with the test. Check out the images (below). Please let us know how it goes.
Image (Click to make bigger)
Was this
answer
helpful?
Yes
No
Monday, September 11th, 2023 AT 6:14 PM
Please
login
or
register
to post a reply.
Related Liftgate Relay Content
How Do I Troubleshoot Rear Lift-gate
Rear Lift-gate Stopped Working. Want To Know The Proper Relay To Test First? Would It Be Proper To Test All Relays And Fuses First?
Asked by
Joe Kenny
·
1 ANSWER
1 IMAGE
2008
CHEVROLET HHR
How Do I Troubleshoot Rear Liftgate
Will Not Open.
Asked by
Joe Kenny
·
1 ANSWER
1 IMAGE
2008
CHEVROLET HHR
Rear Liftgate Wont Open
After The Battery Went Dead And Was Setting There For 2 Days Now The Liftgate Wont Open. When I Had A Scanner Connected To The Car I Could...
Asked by
allenb2
·
3 ANSWERS
3 IMAGES
2009
CHEVROLET HHR
Liftgate
2008 Chevy Hhr Liftgate Won't Unlock
Asked by
candybaby
·
1 ANSWER
9 IMAGES
2008
CHEVROLET HHR
Rear Bumper Replacement
How Do I Remove And Replace The Rear Bumper Guard?
Asked by
Anonymous
·
1 ANSWER
2 IMAGES
2010
CHEVROLET HHR
VIEW MORE
Ask a Car Question. It's Free!