Tuesday, August 27th, 2019 AT 4:11 PM
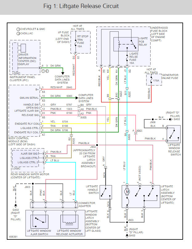
This issue started about a year ago when the rear lift-gate handle switch quit working. I could still open and close the lift-gate with the overhead switch and key fob. Then I lost the function of the close button that’s on the bottom right side of the door panel when opened. But I could still close with the fob. Then about two weeks ago I lost all open and close controls everywhere. YouTube gave me a video on how to get it open. I’ve replaced the latch and motor assembly. That didn’t work. Of course I’ve checked all fuses and that’s all good. Yesterday I took the battery terminals loose on the vehicle and replaced a perfectly good fuse with a new one. Now I’m back to the key fob and overhead switch working but I’m not sure for how long. As you can imagine this is very frustrating. Any ideas would be appreciated







