Saturday, December 7th, 2019 AT 1:33 PM
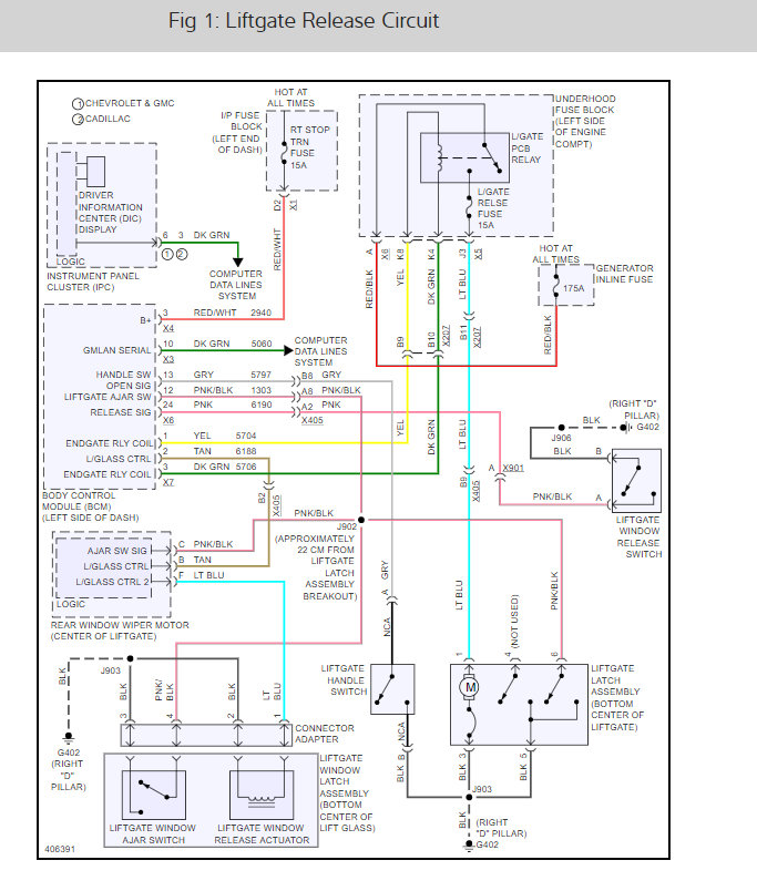
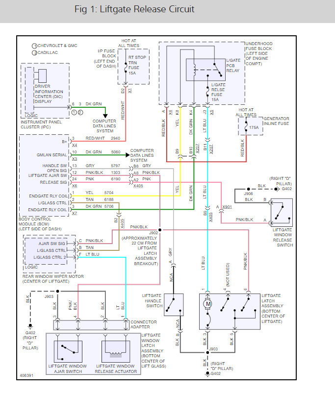
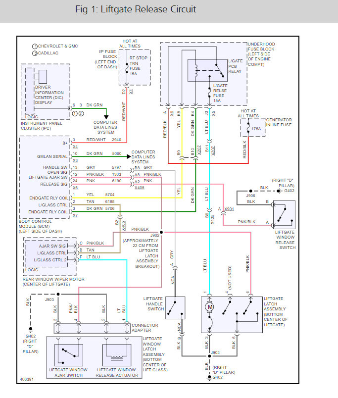
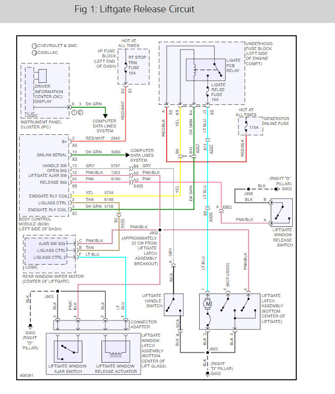
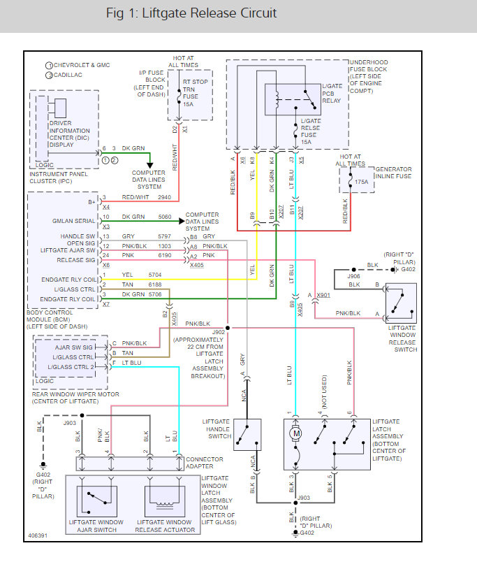
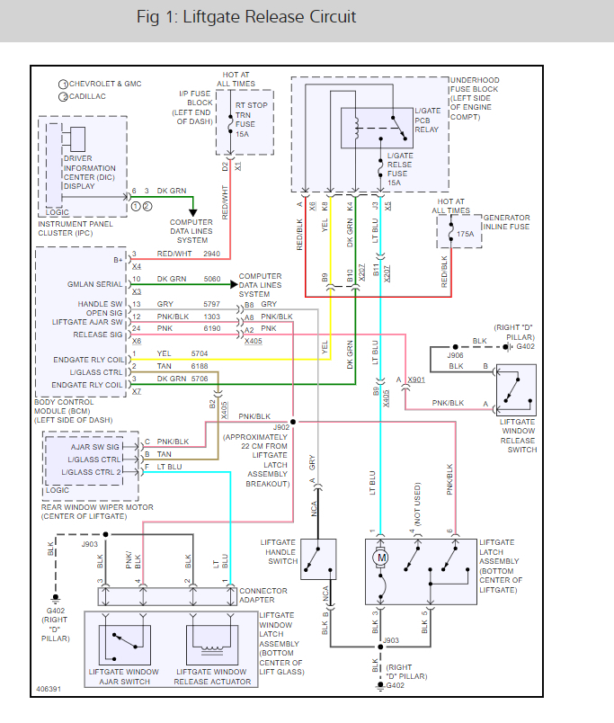
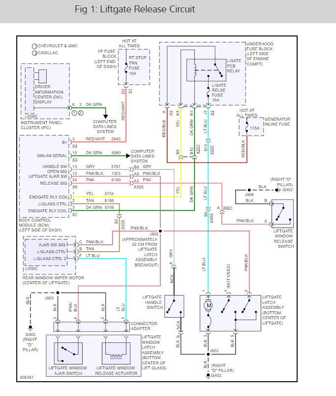
The rear lift gate will not open when the engine is off and the key is out. Neither the key fob, the gate switch button or the overhead dash switch.

















