Lift gate location and photo

1999 CHEVROLET ASTRO
135,000 MILES • V6 • 4WD • AUTOMATIC
Avatar
WEMERTZ
  • MEMBER
  • 12 POSTS
I would like to know the location of the lift gate lock/unlock relay.
Also a photo of it if possible.
Jun 9, 2018 at 9:40 PM
Repair Safety Notice: This information is for general instructional purposes only. Vehicle repair can be dangerous. Verify all information, follow manufacturer service procedures, use proper tools and safety equipment, and consult a qualified repair shop when needed.
Advertisement
Avatar
CARADIODOC
  • CAR REPAIR CONTRIBUTOR
  • 34,308 POSTS
I have never seen an Astro van with a lift gate. Every one I have ever worked on has had two rear doors. Is this something new?

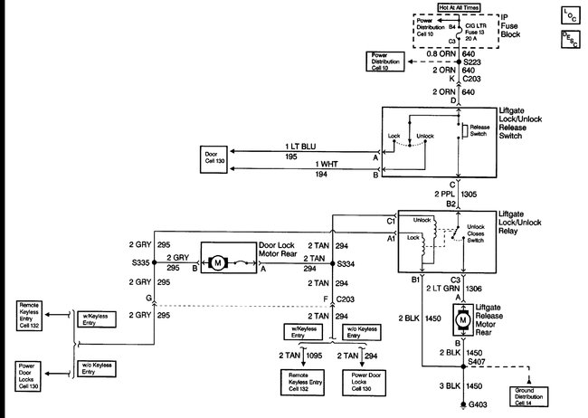
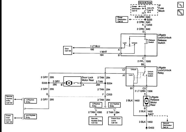
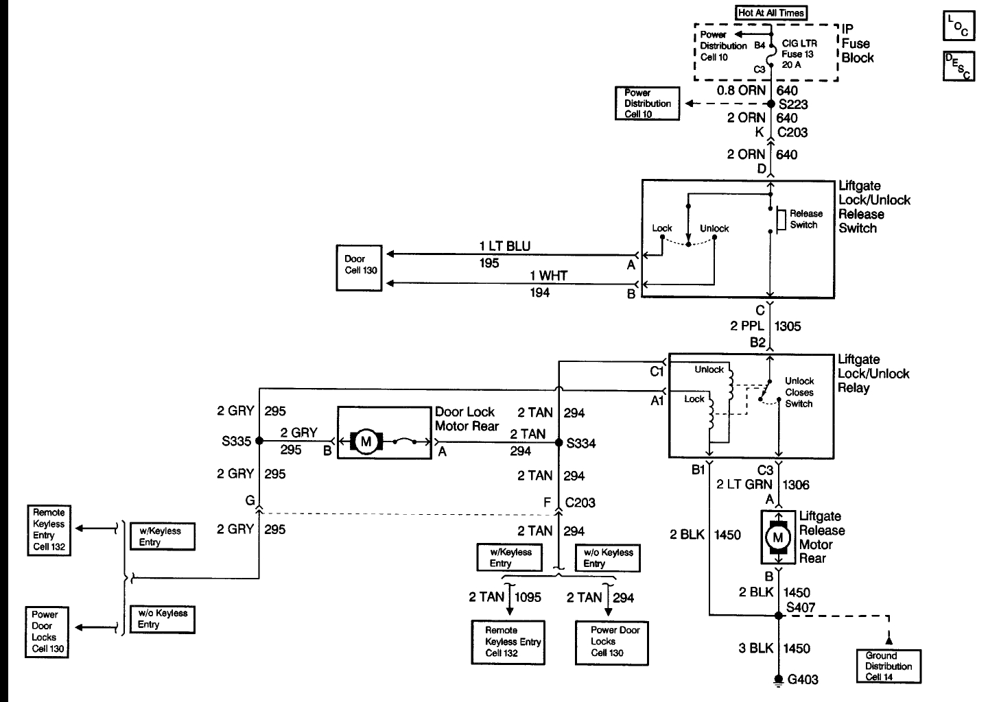
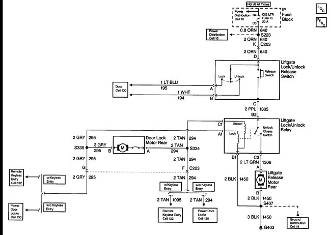
This drawing shows the relay behind the right kick panel, just in front of the passenger's front door.
Jun 9, 2018 at 10:02 PM
Advertisement
Avatar
STEVE W.
  • CAR REPAIR CONTRIBUTOR
  • 15,148 POSTS
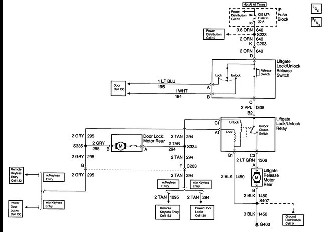
They had a couple versions of rear doors. The original split rear cargo doors and the hatch version that had two lower doors and an upper glass hatch that came out in 1993. The common failure point was in the harness between the hatch and the roof in the flex area because GM put the wiper, washer and hatch release motor harness all in the same spot. The lift gate lock relay is behind the rear trim panel between the wheel arch and the right rear door in the rear quarter panel. First image shows the switch on the strut on the left side and the relay on the right.
The third image shows the release inside the rear hatch. Last is the wiring
Jun 9, 2018 at 11:12 PM
Avatar
CARADIODOC
  • CAR REPAIR CONTRIBUTOR
  • 34,308 POSTS
Thanks, brother Steve.
Jun 10, 2018 at 1:03 AM