Where is the license plate light fuse located?

Tiny
ANTONIO12345
  • MEMBER
  • 2017 TOYOTA TACOMA
  • 2.7L
  • 4 CYL
  • 2WD
  • AUTOMATIC
  • 100 MILES
License plate light fuse location.
Friday, December 29th, 2023 AT 10:37 PM

1 Reply

Tiny
AL514
  • MECHANIC
  • 5,590 POSTS
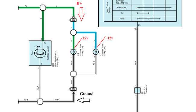
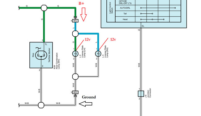
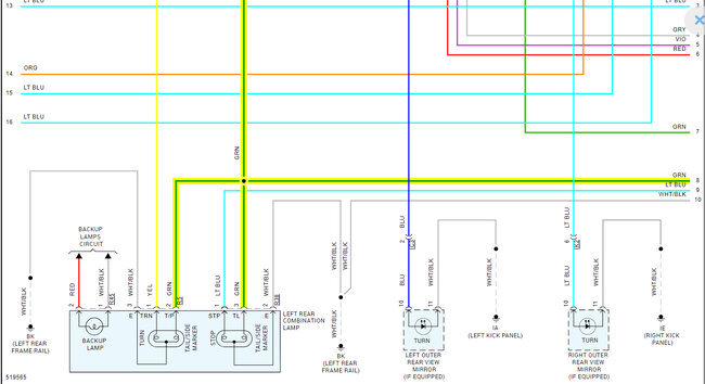
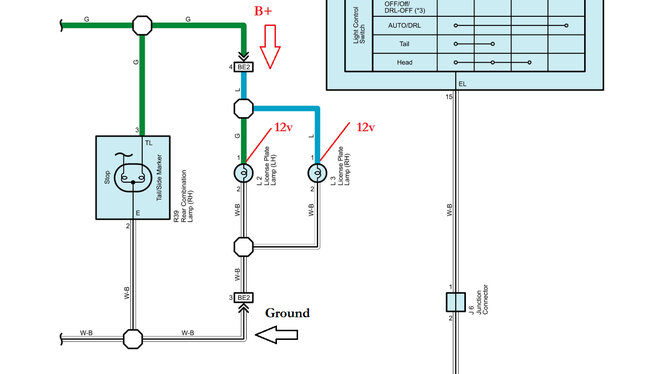
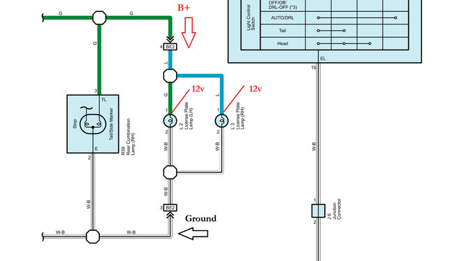
Hello, do your taillamps work for each rear set as well as the tail side marker? They are on the same circuit as the Right and Left License plate lamps, so you should check for power at each License plate bulb location first, if there is power there (12v) it might be a bad Ground for the License plate lamps, they both Ground on the Left rear Frame Rail. I'll post a diagram for you. The ground looks to be a white wire with a black stripe.

Here are the aftermarket and Toyota OEM diagrams for the Tail/License plate lamps:

https://www.2carpros.com/articles/how-to-use-a-test-light-circuit-tester

https://www.2carpros.com/articles/how-to-use-a-voltmeter
Was this
answer
helpful?
Yes
No
Saturday, December 30th, 2023 AT 11:33 AM

Please login or register to post a reply.