Where is the Cooling fan motor relay?

Tiny
AAZAVALA83
  • MEMBER
  • 7 POSTS
The temp sensor and fan relays are new.
Was this
answer
helpful?
Yes
No
Sunday, December 3rd, 2017 AT 8:58 PM (Merged)
Tiny
FREEMBA
  • MECHANIC
  • 1,152 POSTS
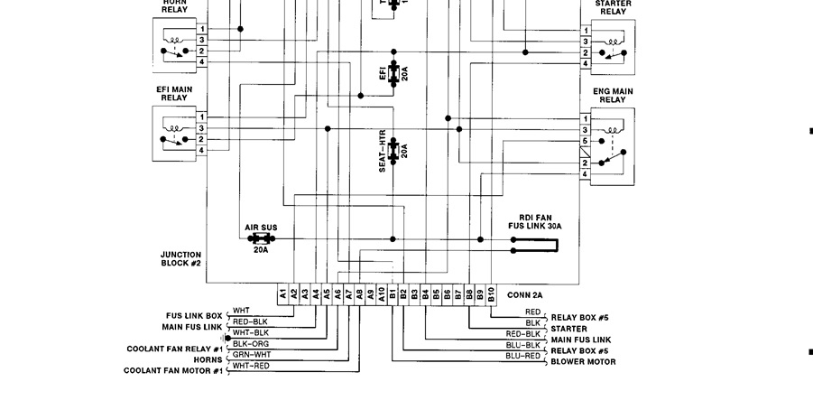
Check COOLING FAN RELAY 2 to see if it has power on terminal #2 (remove the relay and check for power at relay socket #2) with the ignition key ON.

Also, with the IGN switch ON, check (for power) relay sockets #1 for COOLING FAN RELAY 1 and 2.

Next, with the IGN switch ON, check for power at relay sockets #3 & #4 of COOLING FAN RELAY 3.

If this doesn't turn up anything we'll check the ground and control sides of the relays.

Does both fans run when the A/C is turned ON?
Was this
answer
helpful?
Yes
No
-1
Sunday, December 3rd, 2017 AT 8:58 PM (Merged)
Tiny
AAZAVALA83
  • MEMBER
  • 7 POSTS
I will check these out and let you know. Yes both fans turn on with the AC.
Was this
answer
helpful?
Yes
No
-1
Sunday, December 3rd, 2017 AT 8:58 PM (Merged)
Tiny
AAZAVALA83
  • MEMBER
  • 7 POSTS
The relays have power as you stated, however I tested them twice and the second time they did not. Im thinking that the connections are bad? Would I replace the whole relay box? Or is there a way to fix the connections?
Was this
answer
helpful?
Yes
No
Sunday, December 3rd, 2017 AT 8:58 PM (Merged)
Tiny
SHERYL GREGORY
  • MEMBER
  • 1 POST
  • 1990 LEXUS LS 400
  • 350,000 MILES
I read about a guy that his fans won't go on when it gets hot I have the same thing after a dealership put in a new water pump did you Ever figure out what it was that the fans did not go on.
Was this
answer
helpful?
Yes
No
Sunday, December 3rd, 2017 AT 8:58 PM (Merged)
Tiny
JDL
  • MECHANIC
  • 16,098 POSTS
If the fans were working before the dealership worked on it, but not after, take it back to the dealership.

If you want to troubleshoot it, we can help you with that. Can you check voltage and ground at the fan connector? Check applicable fuses. Check for applicable trouble codes.
Was this
answer
helpful?
Yes
No
Sunday, December 3rd, 2017 AT 8:58 PM (Merged)
Tiny
FREEMBA
  • MECHANIC
  • 1,152 POSTS
Try the tests again, except this time after you've completed the first test, turn the ignition switch off for a few seconds and then back on and run the test a second time. See if this time it looses power.

By the way the sockets can be squeezed, ever-so slightly to close them up a bit (but this may require you to remove the fuse box [no my first option]).
Or, with extreme care you could bend the "blades" of the relay outward the smallest amount to make them produce more contact (a better option because if you make a mistake the relay is easier to replace than it is to fix the fuse box) [only try this on one relay and if successful try another].

**** CAUTION **** You have to be careful with either option when bending the blades or squeezing the socket or you could ruin the relay or connections in the fuse box.
Was this
answer
helpful?
Yes
No
Sunday, December 3rd, 2017 AT 8:58 PM (Merged)
Tiny
JDL
  • MECHANIC
  • 16,098 POSTS
Check the 30 amp fusible link.

Also, check the 7.5 ignition fuse.
Was this
answer
helpful?
Yes
No
Sunday, December 3rd, 2017 AT 8:58 PM (Merged)

Please login or register to post a reply.