HOME
ASK A QUESTION
REPAIR GUIDES
BECOME A MEMBER
LOG IN
Login with Facebook
OR
Remember me
NOT A MEMBER?
FORGOT PASSWORD?
CONTACT US
PRIVACY POLICY
TERMS AND CONDITIONS
☰
Home
Lexus
ES 350
Electrical
Fuse Panel
Location
Where is the fuse panels?
KC10ER
MEMBER
2007 LEXUS ES 350
6 CYL
2WD
AUTOMATIC
24,000 MILES
Where is the fuse panels and what do the fuses go too?
Saturday, January 31st, 2009 AT 11:54 AM
1 Reply
DANNY L
MECHANIC
5,648 POSTS
Hello, I'm Danny.
Here is the information you requested. Here are a few tutorials for you to view on how to check and replace fuses:
https://www.2carpros.com/articles/how-a-car-fuse-works
https://www.2carpros.com/articles/how-to-check-a-car-fuse
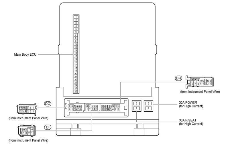
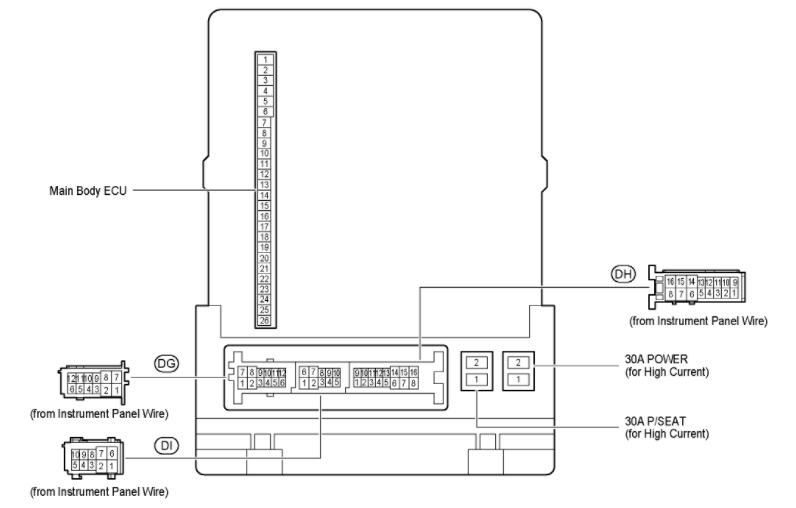
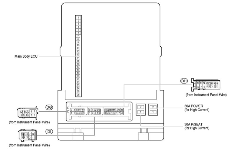
I've attached pictures below showing the fuse and relay locations on your car. Hope this helps and thanks for using 2CarPros.
Images (Click to make bigger)
Was this
answer
helpful?
Yes
No
Tuesday, June 15th, 2021 AT 12:11 AM
Please
login
or
register
to post a reply.
Ask a Car Question. It's Free!
How to Use a Test Light
Seat Switch Replacement
Spark Plug and Wire Replacement Ford Mustang