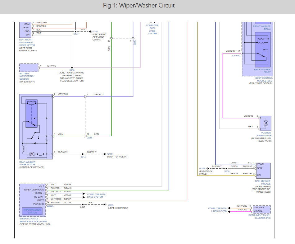
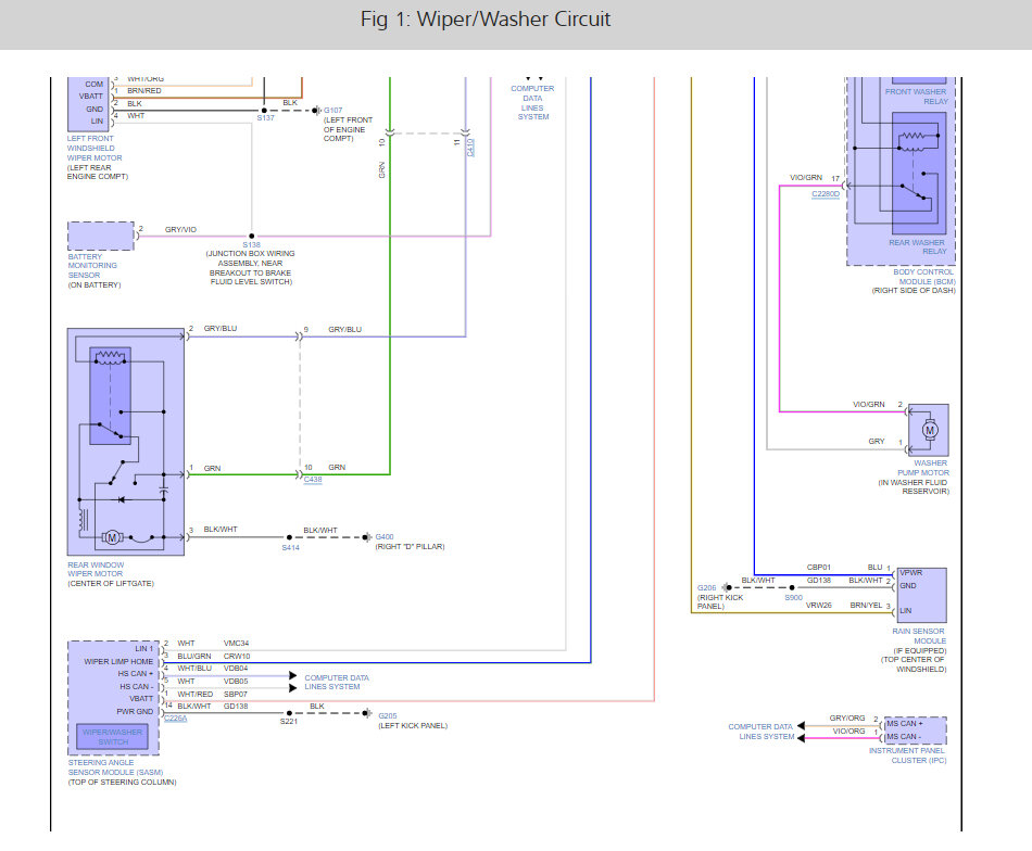
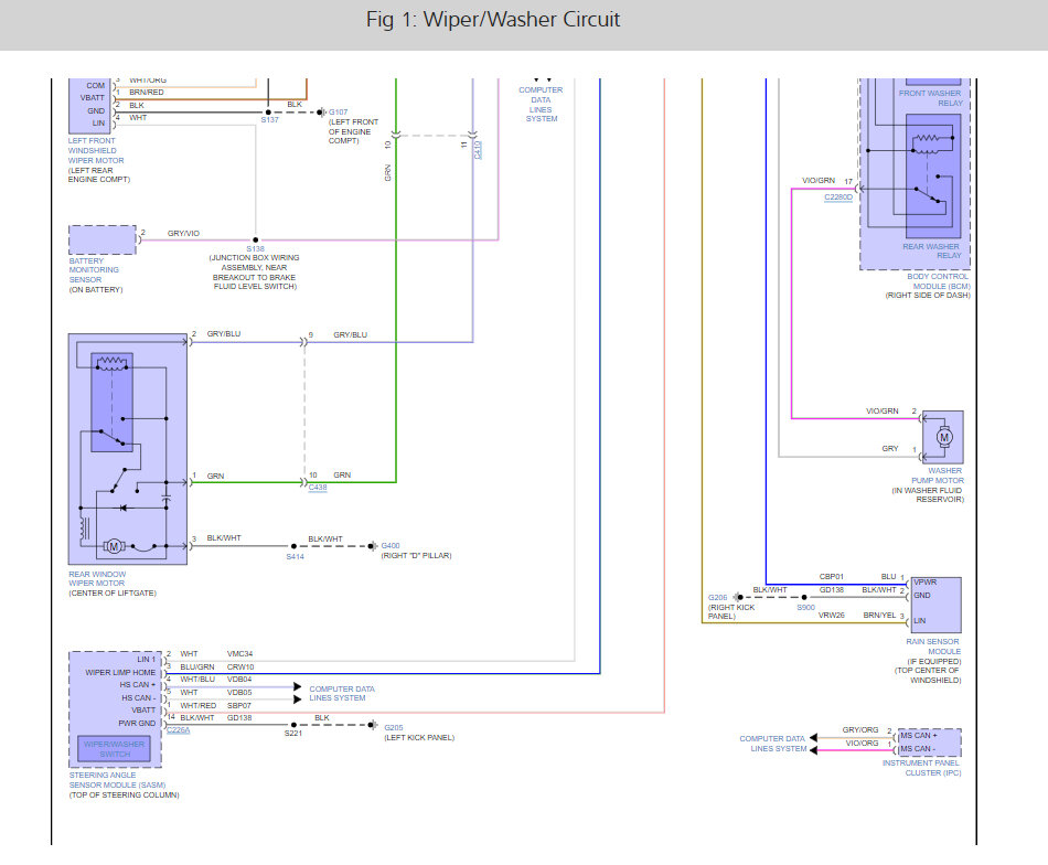
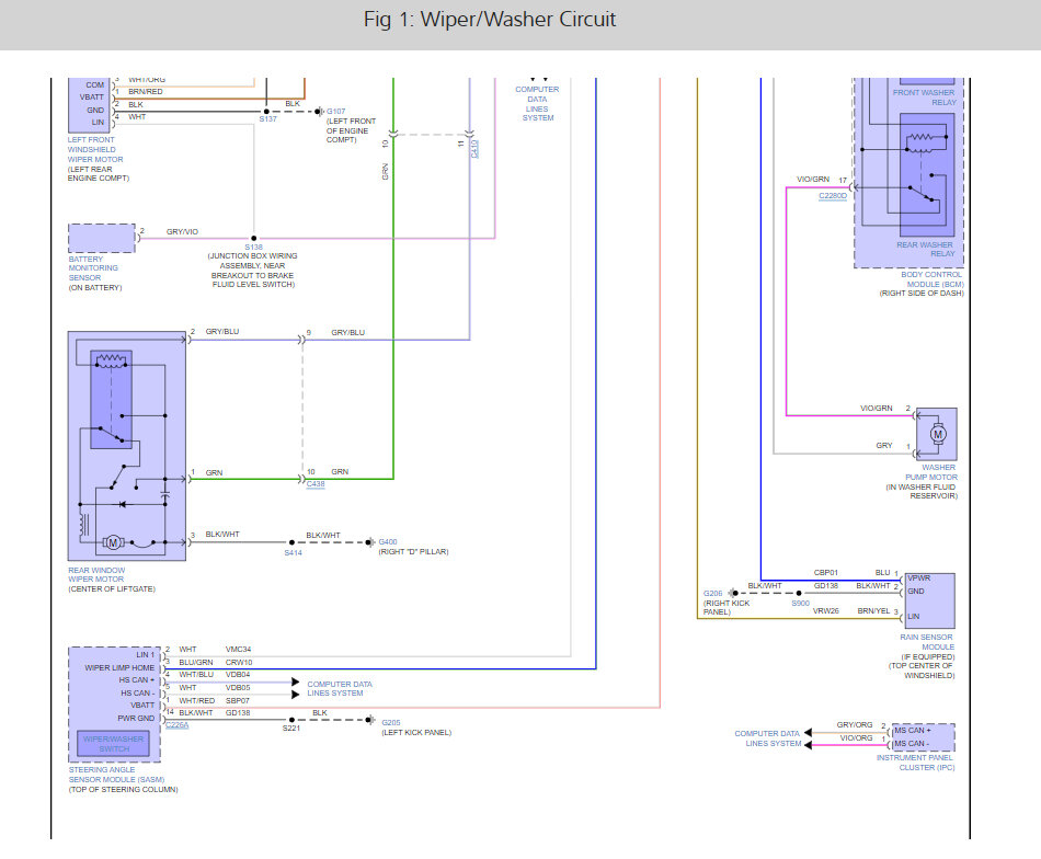
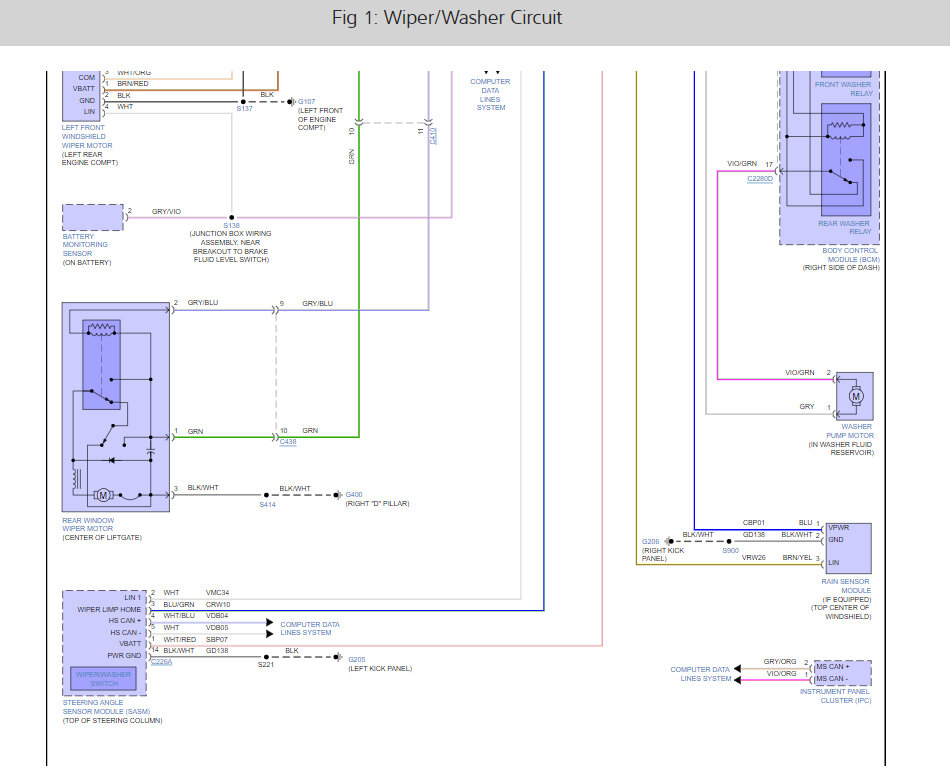
It would work intermittently if I tapped the arm with some persistence. Now it will not work at all. The right side is controlled by the left and will work if the left works.
I also replaced the 50-amp fuse in the engine compartment before I replaced the motor as I could not tell for certain if that had blown.
I suppose the new motor could be faulty, but it was brand new. Am I missing something?
I read something about a Ford scan tool if the battery is replaced, so I did not disconnect the battery when I replaced the motor because that is not in my scope of knowledge. Again, the right side does work if and only if the left works.
Thanks for your advice.
Wednesday, January 4th, 2023 AT 5:01 PM
















