Thursday, March 22nd, 2018 AT 11:50 PM
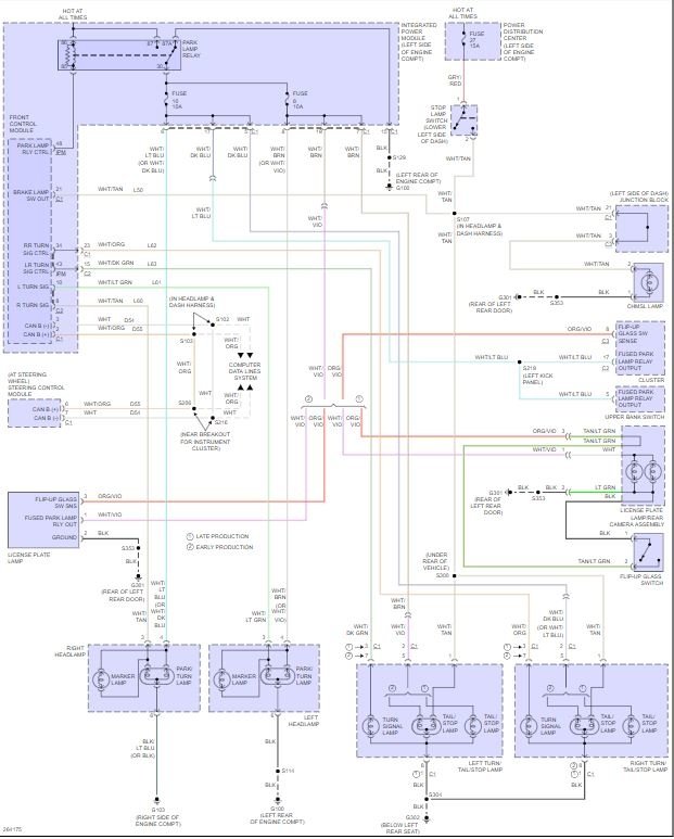
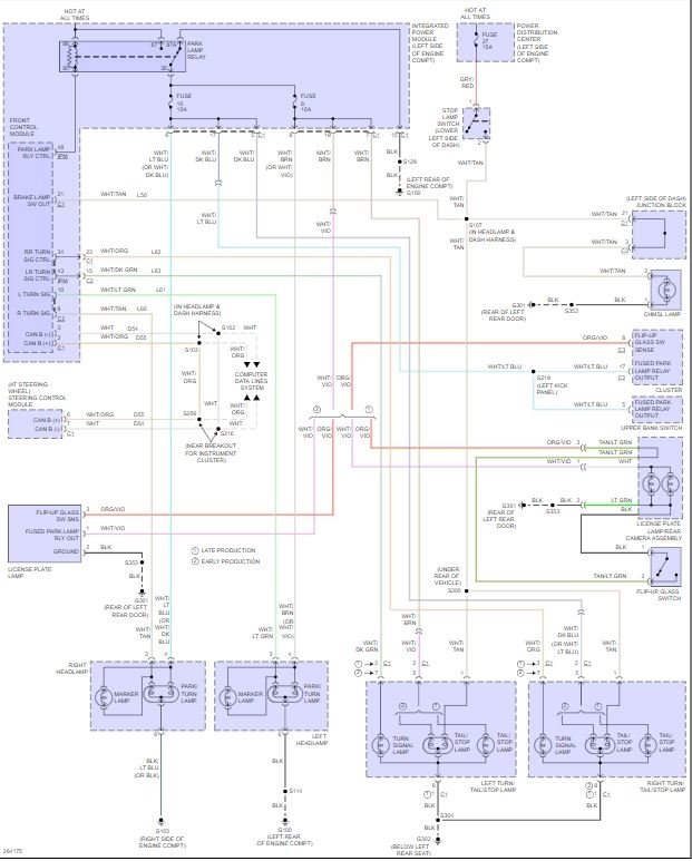
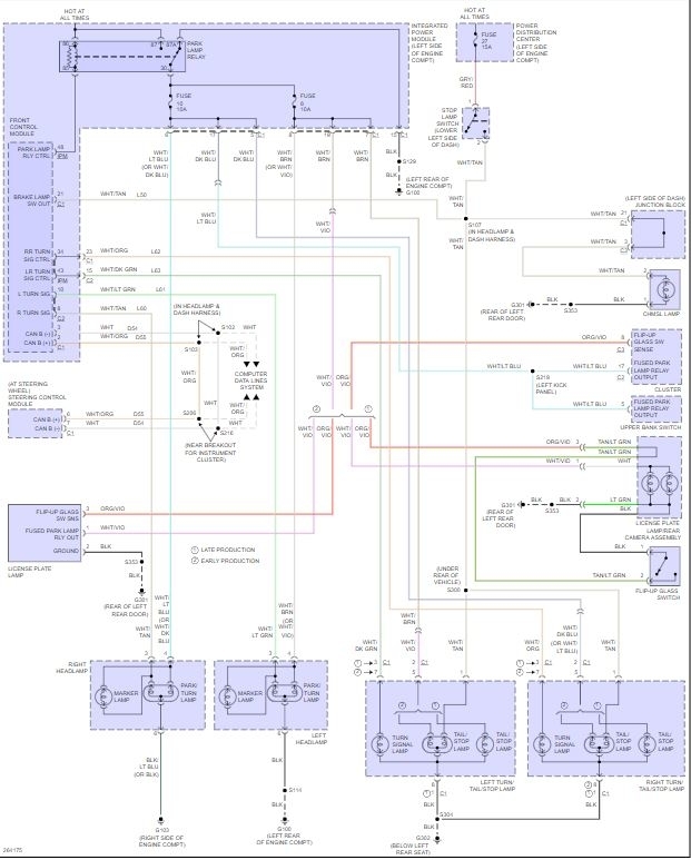
While driving the left turning signal stays on. Tried removing one of the relays but was told there is not one. Put relay back in but now other relays are clicking and back tail light is draining battery. I am thinking relay is bad after I removed from PCM. I do not have a diagram of the combination module location and need to see why other relays are making a clicking sound. Please advise what needs to be done so no other problems occur.



