Turn signal not working?

Tiny
RONALD ANNAU
  • MEMBER
  • 2004 DODGE DAKOTA
  • 3.7L
  • V6
  • 4WD
  • AUTOMATIC
  • 160,000 MILES
I spoke to someone about the turn signal not working and I tracked it to the flasher. Could it be the combination plug or flasher?
Tuesday, August 28th, 2018 AT 12:22 PM

9 Replies

Tiny
CARADIODOC
  • MECHANIC
  • 34,491 POSTS
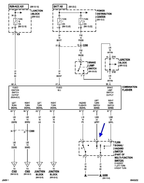
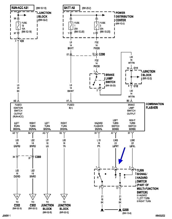
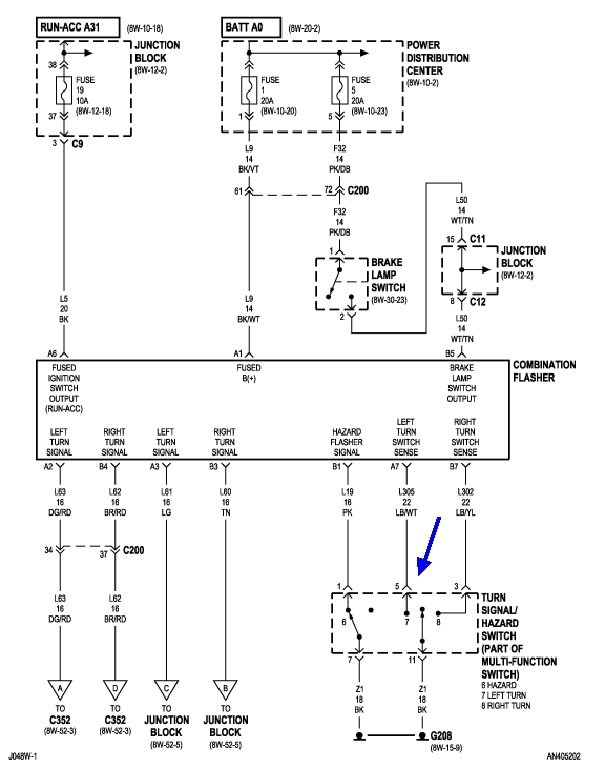
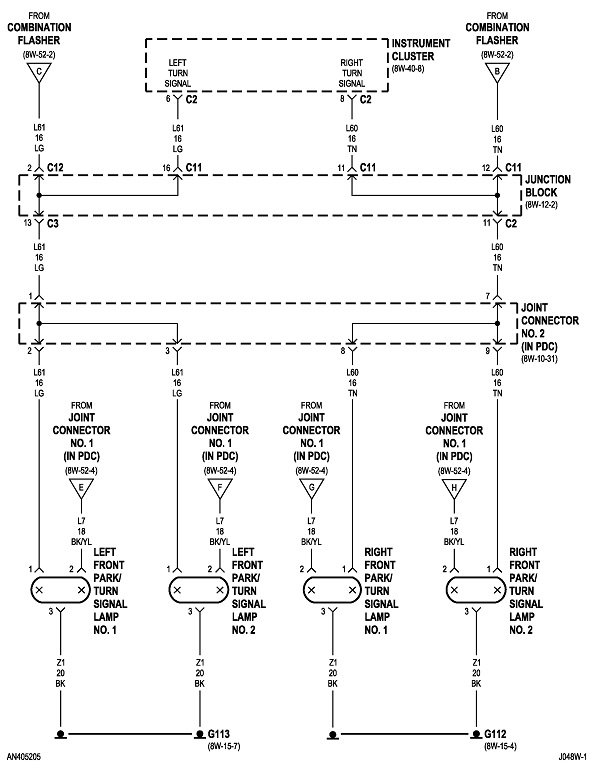
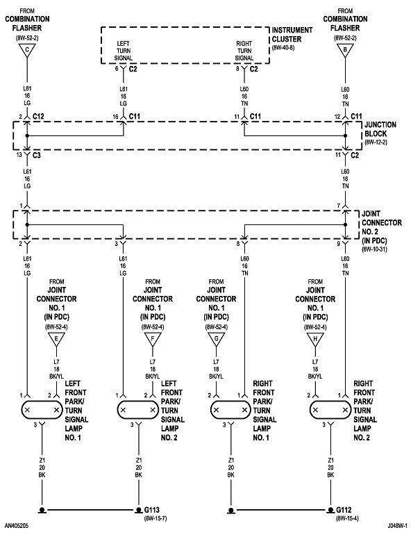
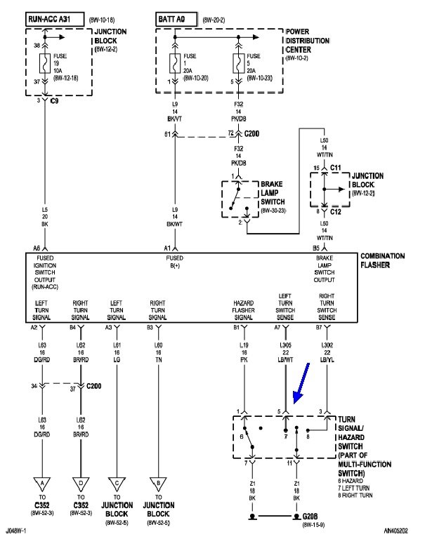
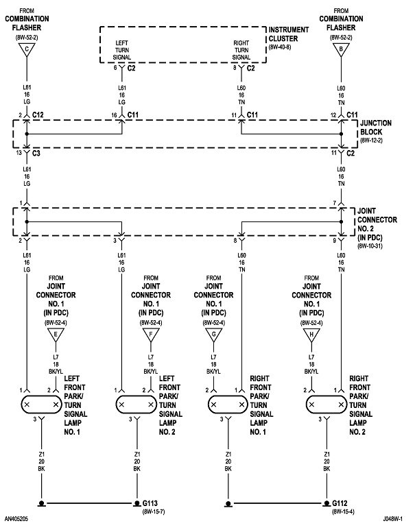
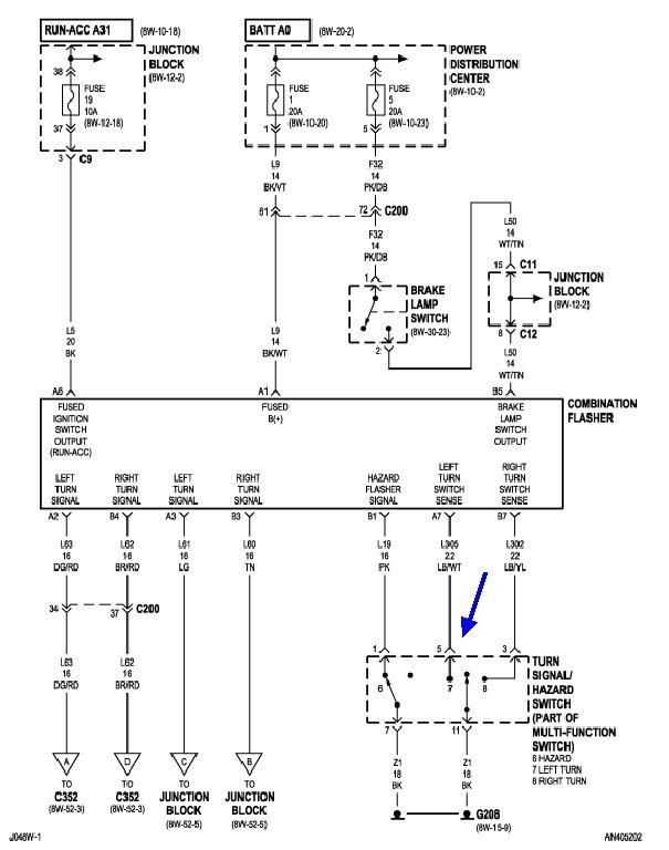
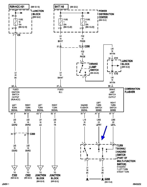
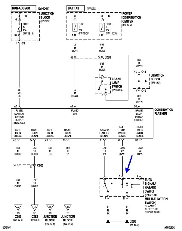
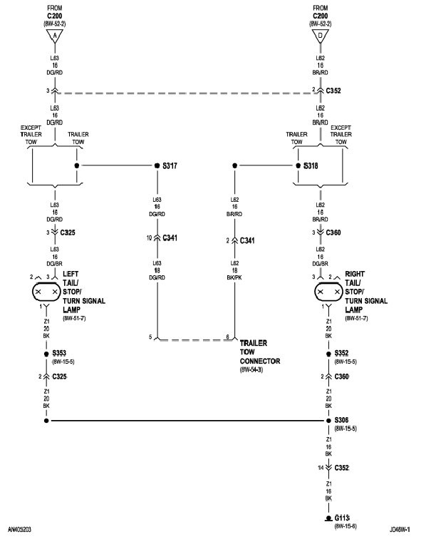
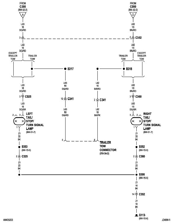
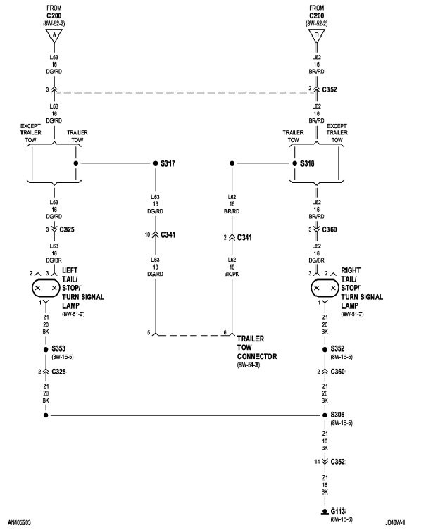
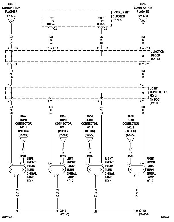
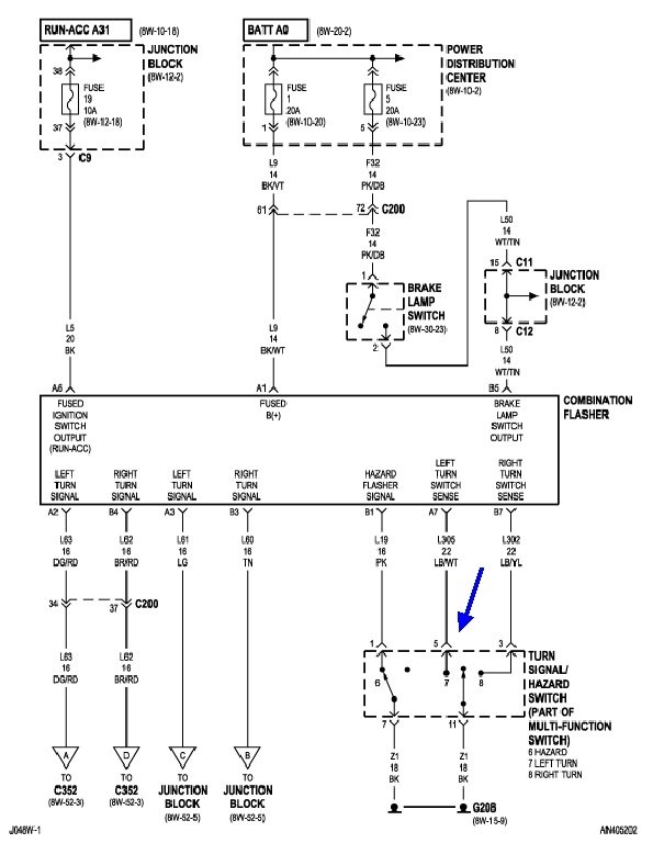
Actually, you could be right. In the past, one simple, reliable thermal flasher was used for left and right signals, and a different thermal flasher was used for the hazard flashers. Today, the engineers use a special electronic flasher that has three different inputs from the signal switch. The desired circuit, left, right, or both, is selected by the electronic flasher, not the signal switch as before. The advantage of this circuit is it makes the signal switch extremely simple and inexpensive, and the flasher can tell you when a bulb is burned out.

The fastest way to diagnose this is to plug in a different flasher assembly, but that means you have to buy a new one or run to the salvage yard. A better alternative is to find the light blue/white wire and ground it. If the left signal turns on, the flasher is okay.

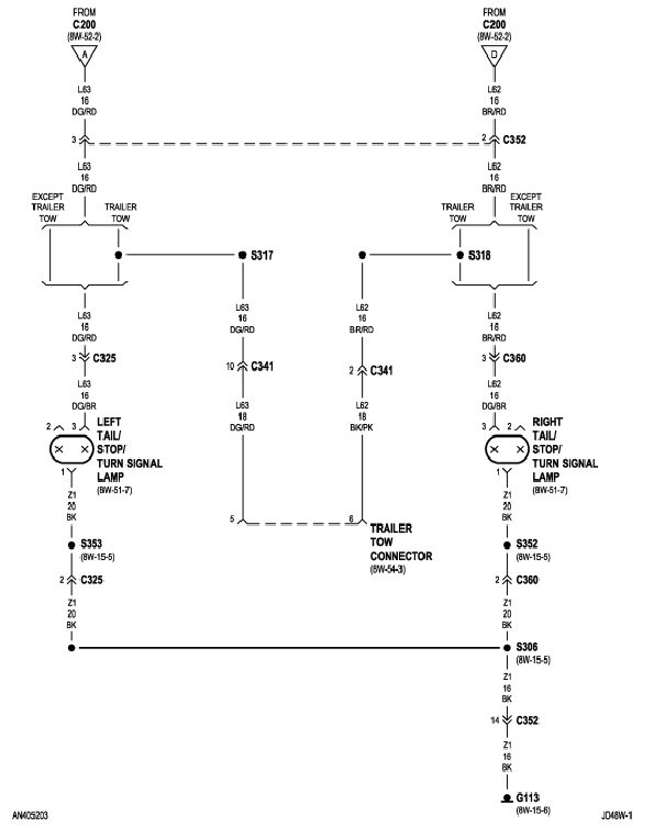
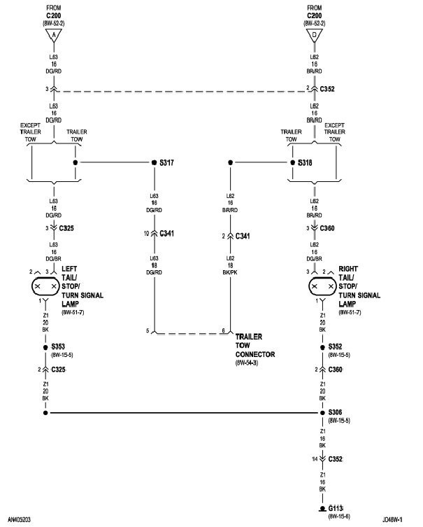
The flasher is usually hard to get to, but if you can, you can remove it, stick a small-diameter wire in terminal "A7", then plug the flasher back in. Use a jumper wire to ground that wire in the socket. Don't use a real fat wire as it can spread the terminal causing other problems later. Note that there's a mistake on the fifth diagram. They show two "B7"s and no "A7". If you use the wrong terminal, the right signals will flash.

You should be able to get to the plug on the multifunction switch without removing it. If it turns out to be defective, I'll post the instructions for replacing it.
Was this
answer
helpful?
Yes
No
+1
Thursday, December 17th, 2020 AT 1:55 PM
Tiny
SHOOTER3
  • MEMBER
  • 1 POST
  • 2002 DODGE DAKOTA
  • 165,000 MILES
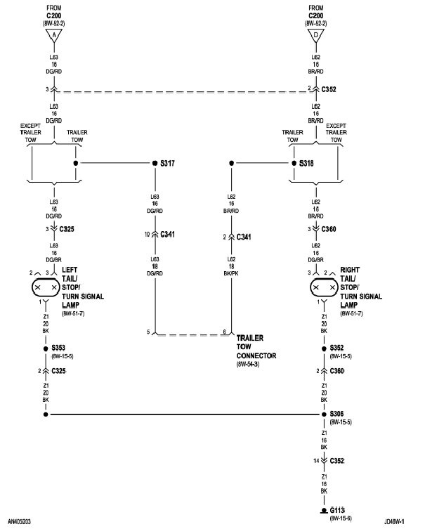
After disconnecting my trailer lights my right turn signal flashes real fast like there is a burned out bulb. Bulbs are good. When I reconnect trailer lights turn signal works just fine. Any ideas? I have checked all bulbs and trailer connections and cannot find any wrong with anything
Was this
answer
helpful?
Yes
No
Friday, December 18th, 2020 AT 8:36 AM (Merged)
Tiny
JACOBANDNICKOLAS
  • MECHANIC
  • 110,194 POSTS
There are two bulbs in the front for the signal. One could be bad and the other working. Check that and let me know what you find. Also, let me know if both front and rear are flashing.
Was this
answer
helpful?
Yes
No
Friday, December 18th, 2020 AT 8:36 AM (Merged)
Tiny
ROBERT DUTTON
  • MEMBER
  • 6 POSTS
  • 2002 DODGE DAKOTA
  • 82,000 MILES
Okay, I have no taillights and my right turn signal does not work in the rear. I've change the bulbs I've changed the fuses and I don't know.
Was this
answer
helpful?
Yes
No
Friday, December 18th, 2020 AT 8:36 AM (Merged)
Tiny
KEN L
  • MASTER CERTIFIED MECHANIC
  • 55,512 POSTS
Hello,

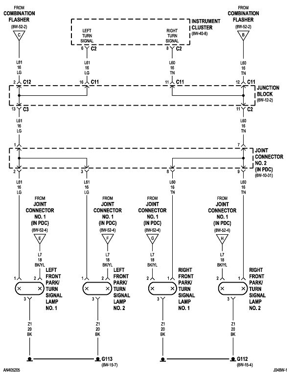
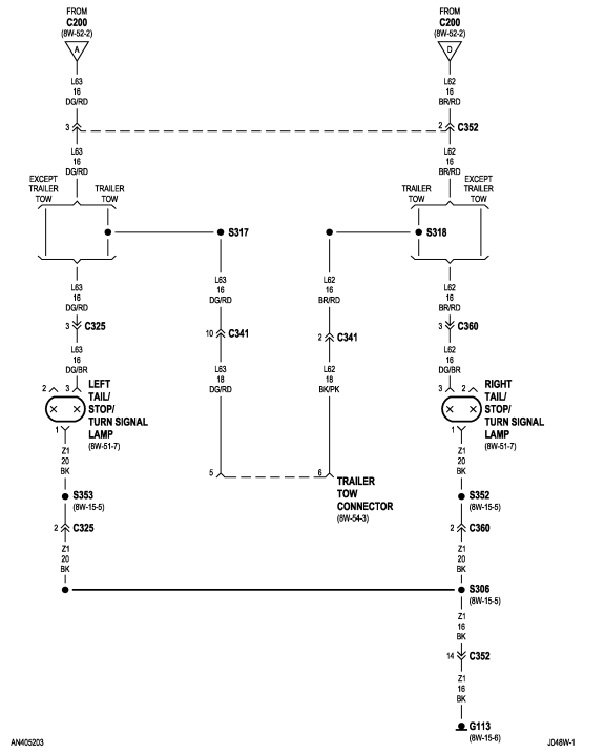
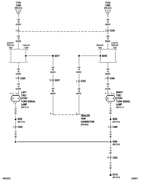
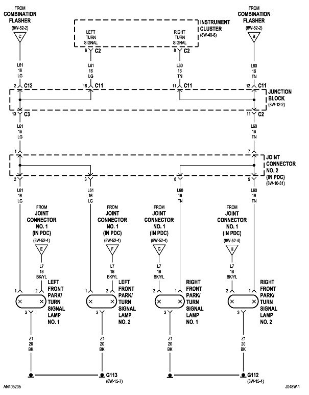
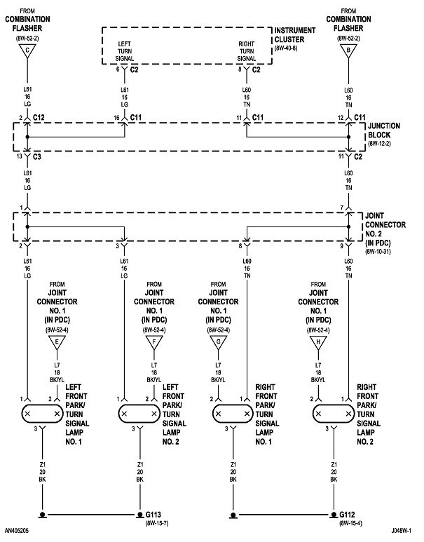
It sounds like the combination flasher is out which control the blinkers and running lights, here is the location in the diagrams below. Check out the diagrams (Below). Please let us know what happens.
Was this
answer
helpful?
Yes
No
Friday, December 18th, 2020 AT 8:36 AM (Merged)
Tiny
DODGE1713
  • MEMBER
  • 1 POST
  • 2001 DODGE DAKOTA
  • 120,000 MILES
My driver side low beam works, but not my high. Then my blinkers stopped working all sides, but my blinkers still turn on and flash when I use my hazards.
Was this
answer
helpful?
Yes
No
Friday, December 18th, 2020 AT 8:37 AM (Merged)
Tiny
FIXITMR
  • MECHANIC
  • 9,990 POSTS
Might try a new combination flasher unit.
Was this
answer
helpful?
Yes
No
Friday, December 18th, 2020 AT 8:37 AM (Merged)
Tiny
FIXITMR
  • MECHANIC
  • 9,990 POSTS
Check for power at headlight bulb. Or you could have a TIPM problem or related. Some guys just run a crossover wire from other side.
Was this
answer
helpful?
Yes
No
Friday, December 18th, 2020 AT 8:37 AM (Merged)
Tiny
FIXITMR
  • MECHANIC
  • 9,990 POSTS
Oops check ground too.
Was this
answer
helpful?
Yes
No
Friday, December 18th, 2020 AT 8:37 AM (Merged)

Please login or register to post a reply.