left side tail light signals/brakes not working

2013 FORD F-150
200,000 MILES • 3.5L • V6 • 4WD • AUTOMATIC
Avatar
KERMIT29
  • MEMBER
  • 1 POST
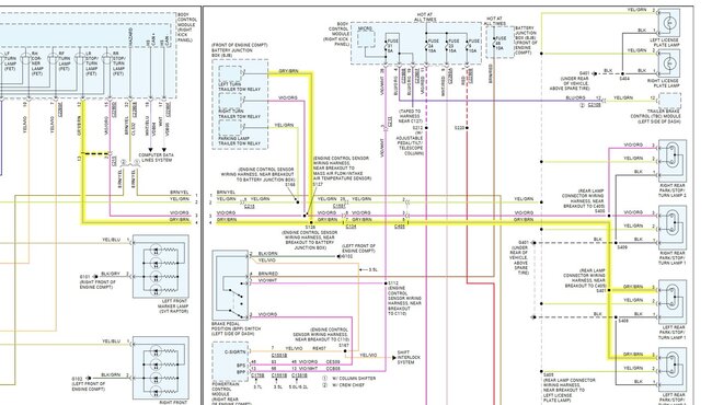
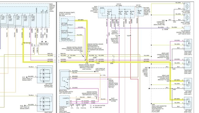
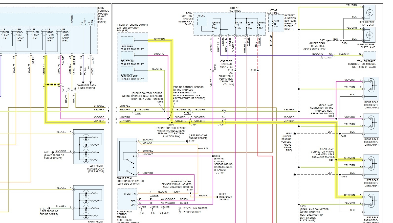
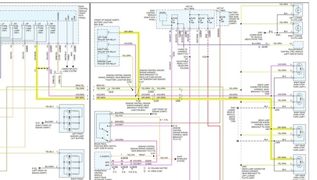
left side tail light signals and brakes not working. checked bulbs and some fuses cannot seem to find the issue. the left side front signals are working (hyper fast). when hooked up to a trailer the left side brakes and signals do not work on the trailer either.
Aug 4, 2025 at 4:28 PM
Repair Safety Notice: This information is for general instructional purposes only. Vehicle repair can be dangerous. Verify all information, follow manufacturer service procedures, use proper tools and safety equipment, and consult a qualified repair shop when needed.
Advertisement
Avatar
STEVE W.
  • CAR REPAIR CONTRIBUTOR
  • 15,148 POSTS
OK so the entire left light is out correct? Running? Turn? and Stop? Right one is good and fronts work but left flashes fast? Plug in the trailer and left turn and stop don't work? Is this truck equipped with the factory tow option and the rear light socket. Asking because the description sounds like the body control module may have failed. It powers the lights directly and if it has the tow package with the relays and the lamp was the problem the trailer lights would still work because they are connected to the light feeds before the rear lights. See this a lot if the vehicle didn't come with a full tow package but someone installed a trailer hitch and wired into the rear light harness. The BCM is behind the trim panel in the right side footwell in front of the door. This is not a plug and play part though, you need a scan tool that can retrieve the as built information from the current BCM, then you swap them and use the scan tool again to upload that info into the replacement module. Once that is done then you can code the BCM into the engine control module to turn off the antitheft system so the truck will run. You also will need to retrain all of the TPMS sensors.


Aug 4, 2025 at 6:52 PM
Advertisement