HOME
ASK A QUESTION
REPAIR GUIDES
BECOME A MEMBER
LOG IN
Login with Facebook
OR
Remember me
NOT A MEMBER?
FORGOT PASSWORD?
CONTACT US
PRIVACY POLICY
TERMS AND CONDITIONS
☰
Home
Ford
F-150
Exterior Light
Running Light
Not Working
Left rear parking lights are not working?
PMECH
MEMBER
2007 FORD F-150
5.4L
V8
4WD
AUTOMATIC
139,000 MILES
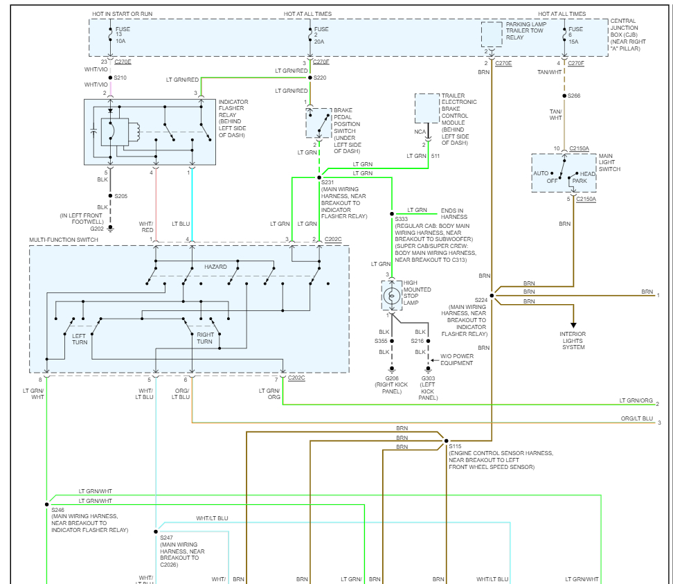
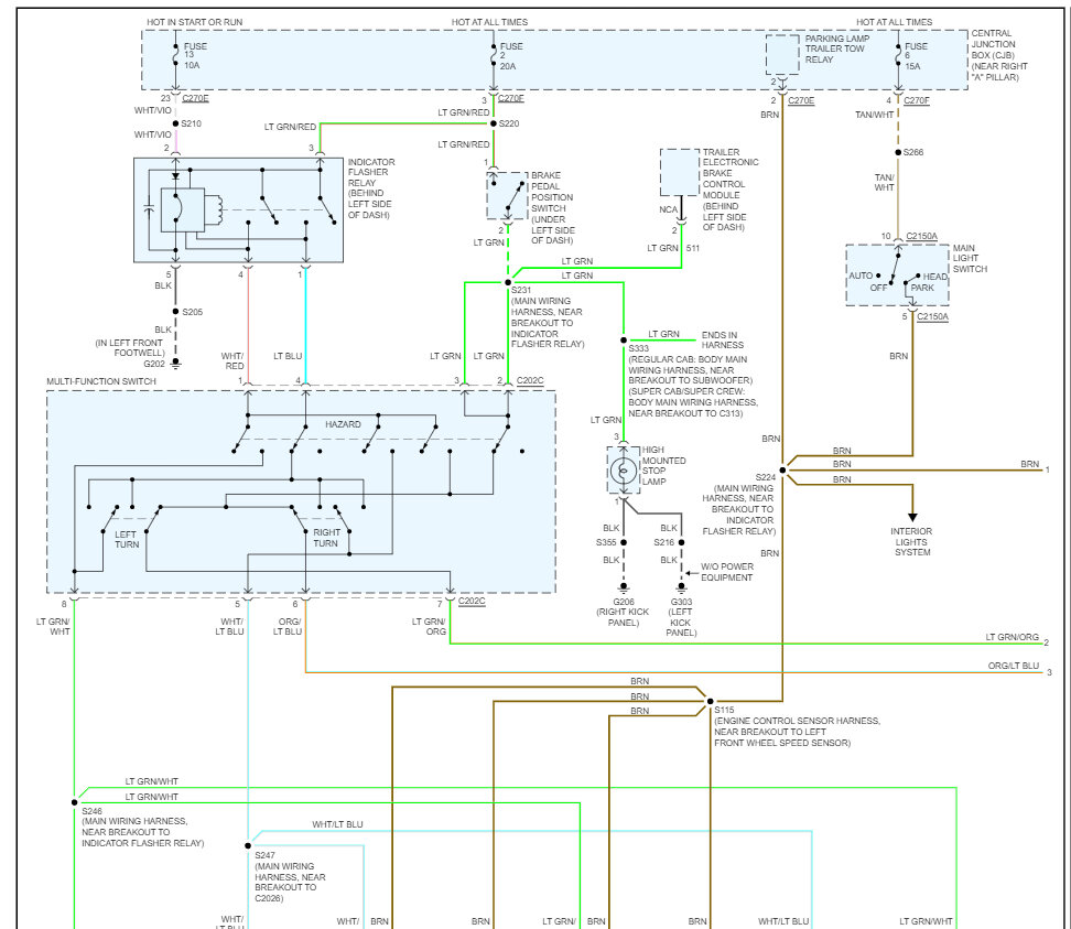
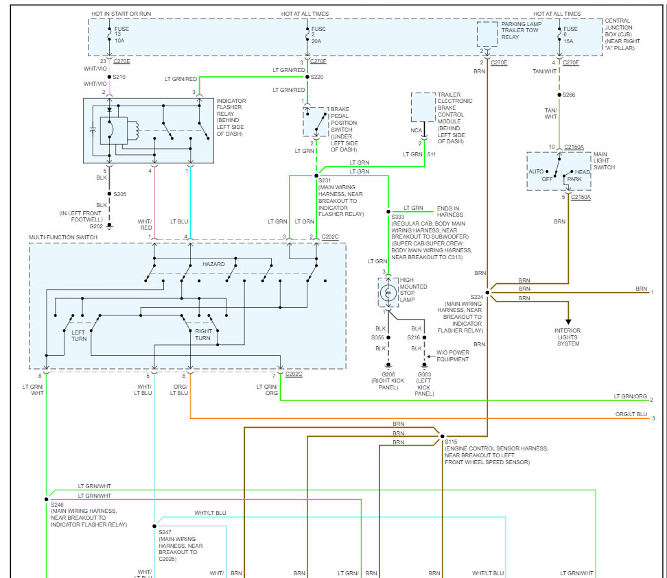
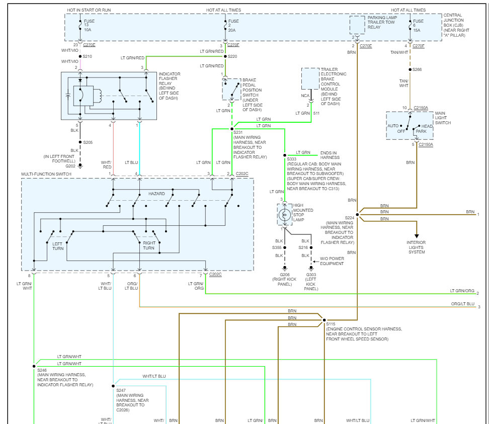
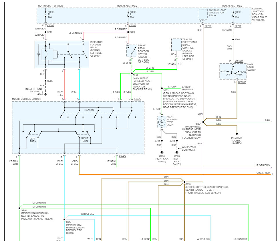
The left rear parking lights are inop. I request a wiring diagram. Thank you.
Saturday, May 13th, 2023 AT 5:33 PM
1 Reply
KEN L
MASTER CERTIFIED MECHANIC
54,137 POSTS
Sure, here is a guide that can help as well, and I have included a guide to help you test the connections.
https://www.2carpros.com/articles/no-tail-lights-exterior-running-lights-tail-lights-out
Check out the images (below). Let us know what happens and please upload pictures or videos of the problem so we can see what's going on.
Images (Click to make bigger)
Was this
answer
helpful?
Yes
No
Monday, May 15th, 2023 AT 10:54 AM
Please
login
or
register
to post a reply.
Related Running Light Not Working Content
Running Lights Do Not Work?
We Have Pulled Several Trailers Over The Last Year And A Half With No Problems. Now The Running Lights Do Not Work. The Turn Signals And...
Asked by
Robert A Meyer
·
29 ANSWERS
14 IMAGES
2008
FORD F-150
No Tail Lights?
When I Turn On My Headlight My Tail Lights Do Not Come On But I Do Have Break Lights And Turn Lights. I Have Checked The Fuse Box Under The...
Asked by
TulsaTroy2
·
7 ANSWERS
1989
FORD F-150
Changed Rear Tail Light Lamps To Led Type. Blinker...
Changed Rear Tail Light Lamps To Led Type. Blinker Flashes Extreamly Fast (just As A Lamp Was Out). Everthing Flases As Required. Anything...
Asked by
Anonymous
·
1 ANSWER
2007
FORD F-150
Outside Parking Lights Not Turning Off
For The First Time Yesterday My Parking Lights Will Not Turn Off Without Disconnecting The Battery Pulled The Switch Out And Lights Stay On...
Asked by
Claudio Arce
·
8 ANSWERS
14 IMAGES
2000
FORD F-150
1992 Ford F150 Parking Light Replacement
The Passenger Side Parking Light Needs To Be Replaced. How Do You Gain Access To The Bulb?
Asked by
Abzid
·
1 ANSWER
1992
FORD F-150
VIEW MORE
Ask a Car Question. It's Free!
How to Use a Test Light
Have a Dim Headlight? - Try Replacing This!
Headlight Dim or Dull