Thursday, September 26th, 2019 AT 10:00 PM
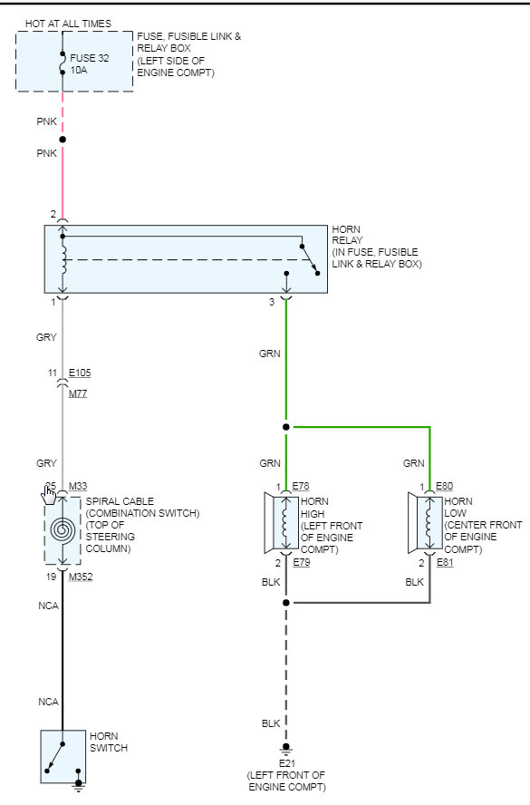
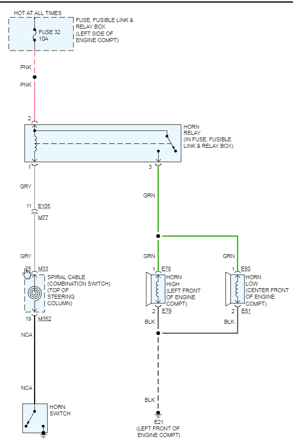
The left side of my car has been giving issues. First my left front blinker went out and so did my horn, so I changed the blinker and things we're fine, my horn worked too. The horn then went back out a day later but my blinker was fine. I decided to wait on fixing my horn but my headlight has gone out now. So same deal I got a bulb and replaced it. Didn't work. Checked the fuses. They're fine. I made an appointment to take it in, but is it possible these are related?


