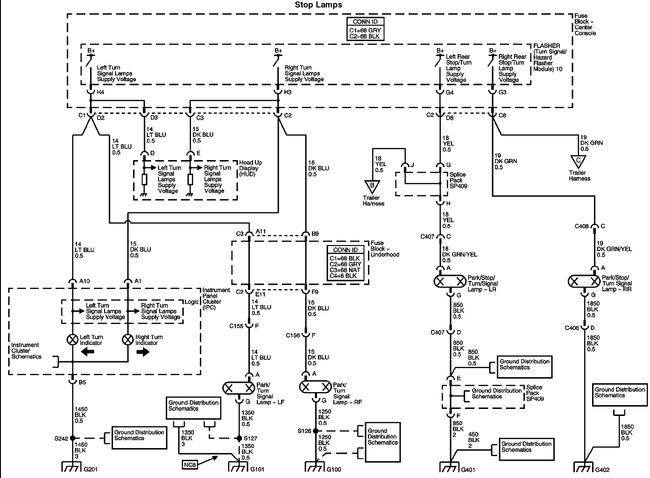
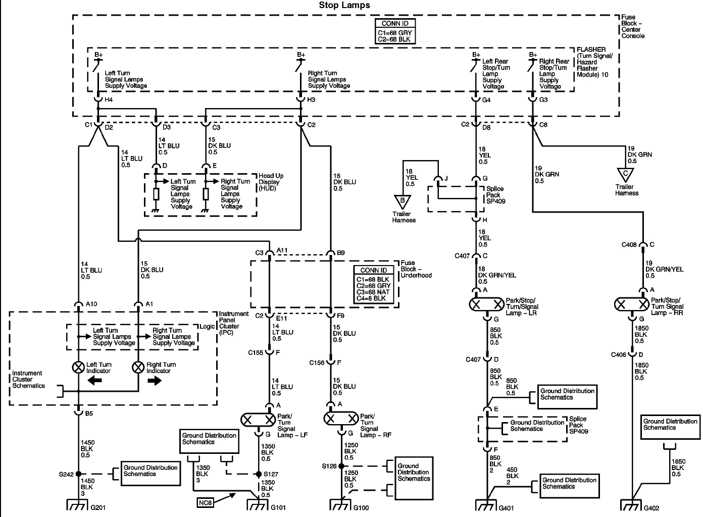
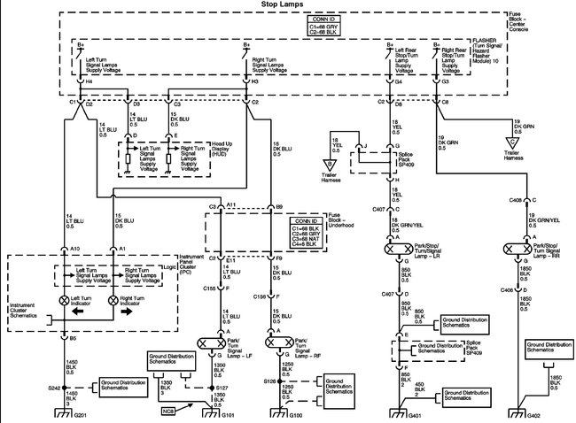
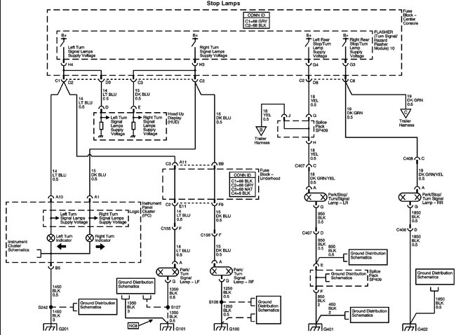
No brake light on left side

Tiny
LEWIS0825
  • MEMBER
  • 2003 BUICK RENDEZVOUS
  • 4WD
  • AUTOMATIC
  • 120,000 MILES
Left brake light out. Right turn signal and the left one blinks too.
Monday, November 13th, 2017 AT 3:30 PM

1 Reply

Tiny
STEVE W.
  • MECHANIC
  • 15,697 POSTS
If both turn signals work but the Left brake lamp is out check the hazard lamp module in the fuse block in the center console. The stop and turn use the same filament in that bulb but are fed through the module based on which item is active.
Was this
answer
helpful?
Yes
No
+2
Wednesday, November 15th, 2017 AT 7:48 PM

Please login or register to post a reply.