Both front windows not working properly

Tiny
GATASTROIST
  • MEMBER
  • 2011 BUICK REGAL
  • 1.4L
  • 4 CYL
  • 2WD
  • AUTOMATIC
  • 25,000 MILES
Will not go up or down. Power is at the master switch. Back windows work fine. Fuse is good.
Sunday, September 27th, 2020 AT 11:41 AM

1 Reply

Tiny
JACOBANDNICKOLAS
  • MECHANIC
  • 110,194 POSTS
Hi,

Does the passenger side work from that door's switch?

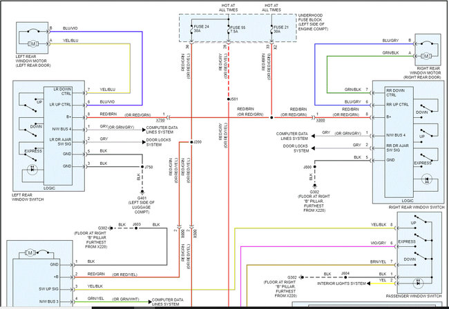
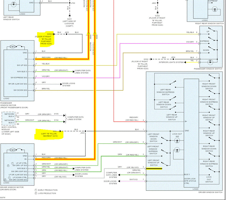
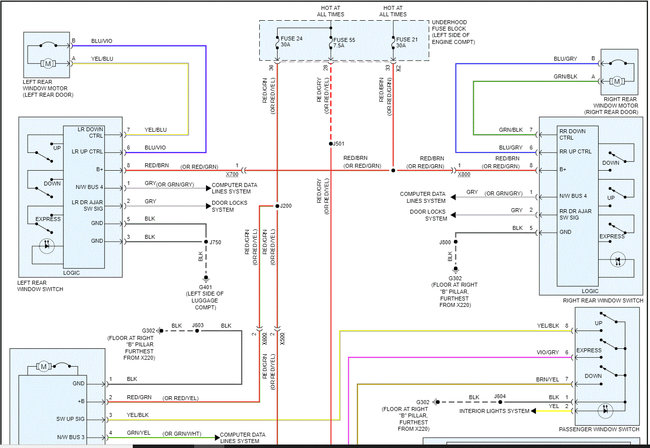
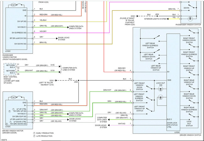
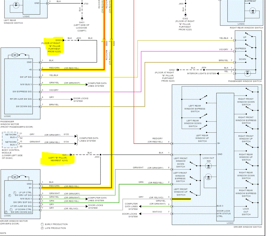
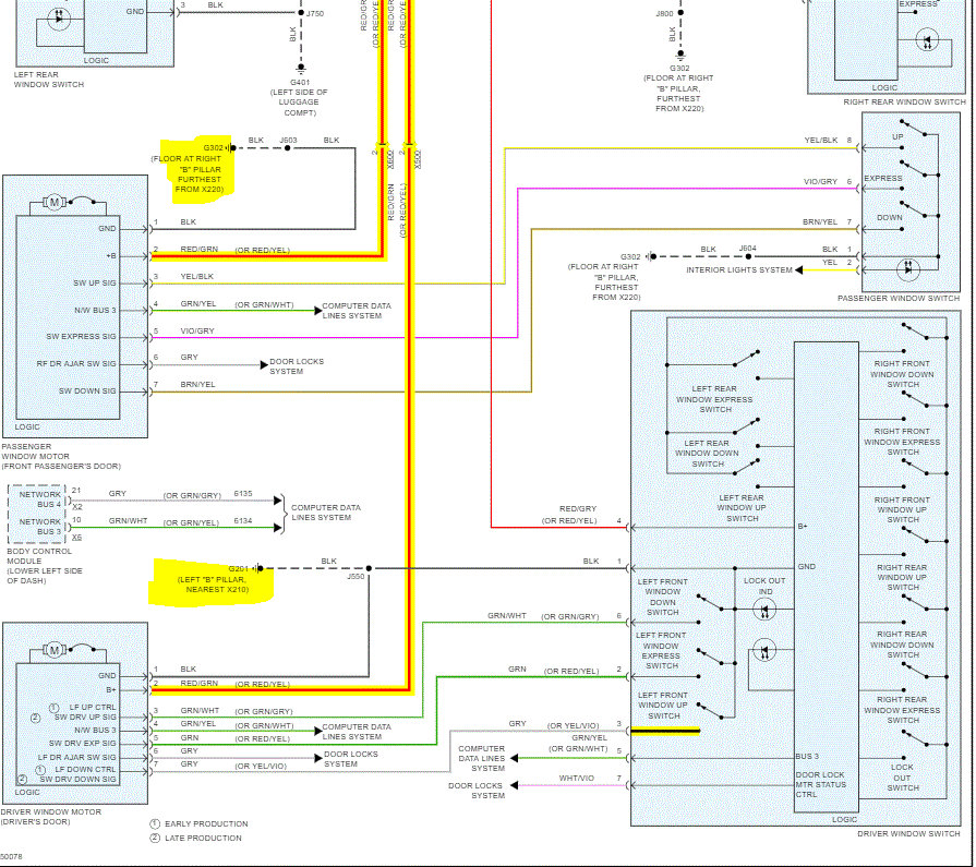
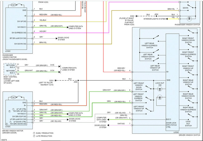
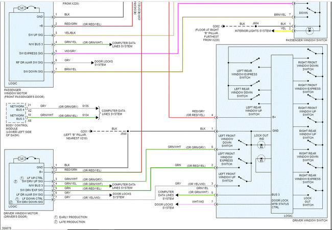
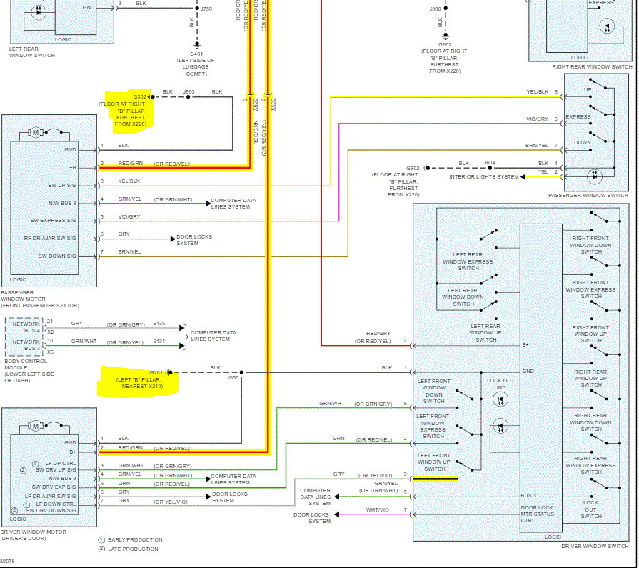
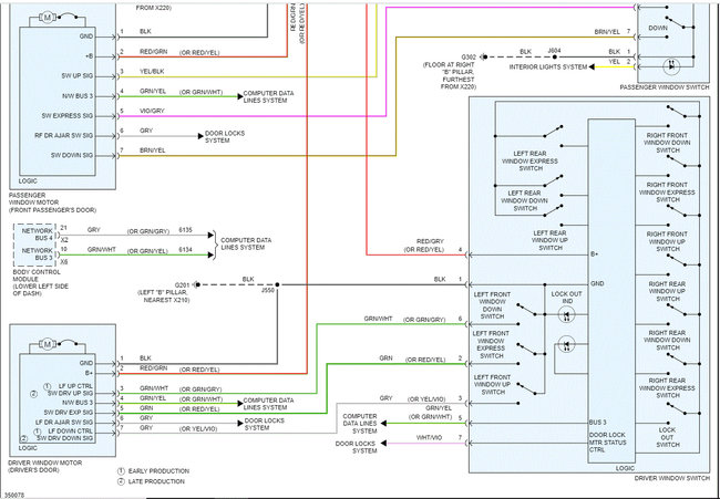
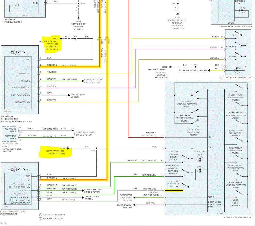
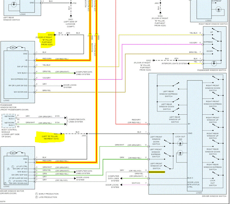
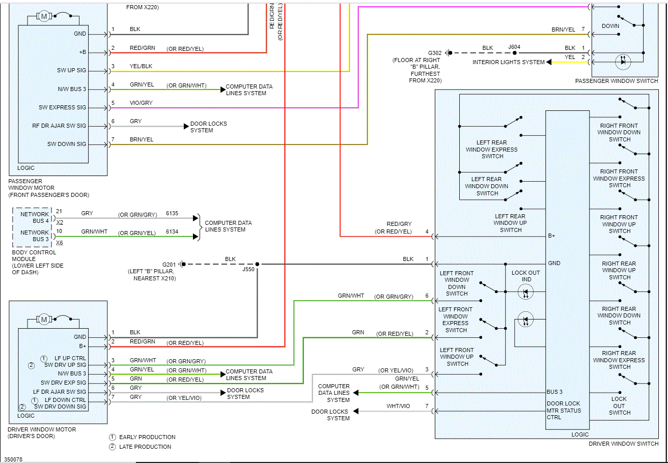
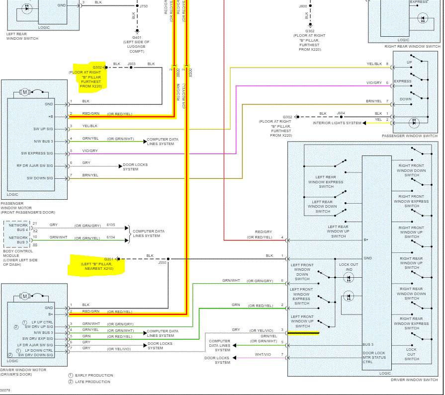
I attached a wiring schematic below of the entire system below that shows the grounding location for both front window motors. If you have power and both stopped at the same time, this is where I would start checking. See pic 1.

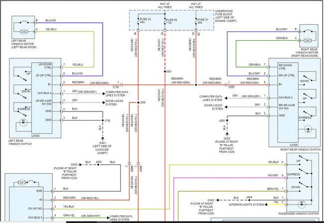
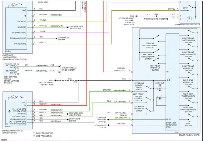
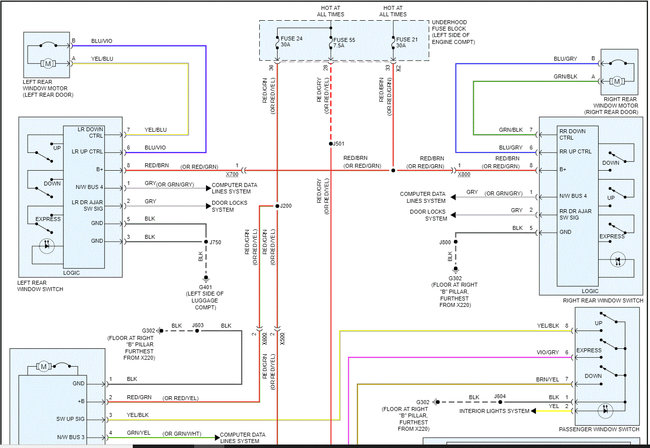
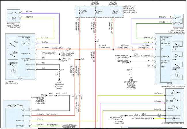
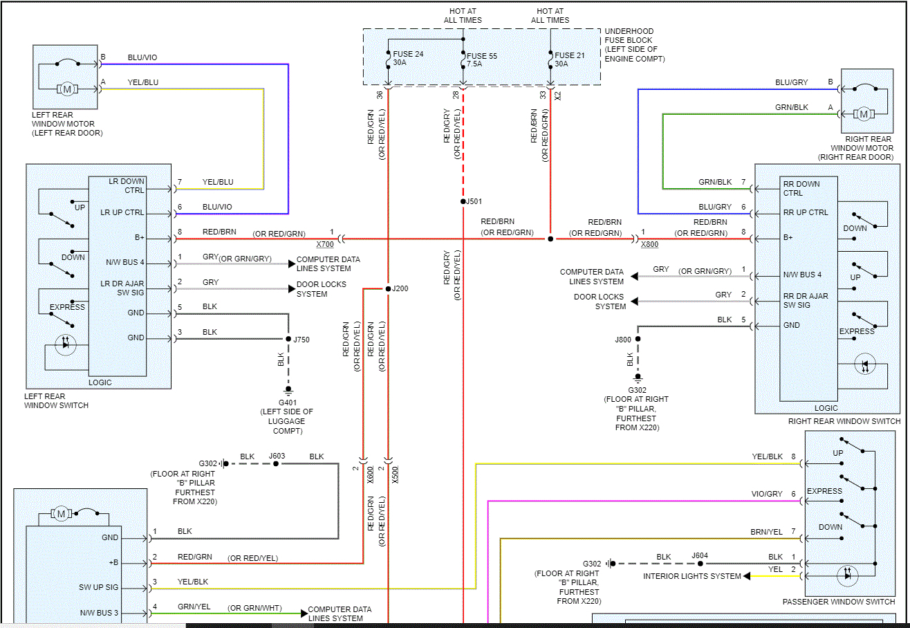
Pics 2 and 3 show the entire system. I overlapped 2 and 3 so you could follow them.

Confirm the grounds are good.

Let me know.

Joe
Was this
answer
helpful?
Yes
No
Sunday, September 27th, 2020 AT 5:39 PM

Please login or register to post a reply.