Tuesday, May 23rd, 2017 AT 5:14 PM
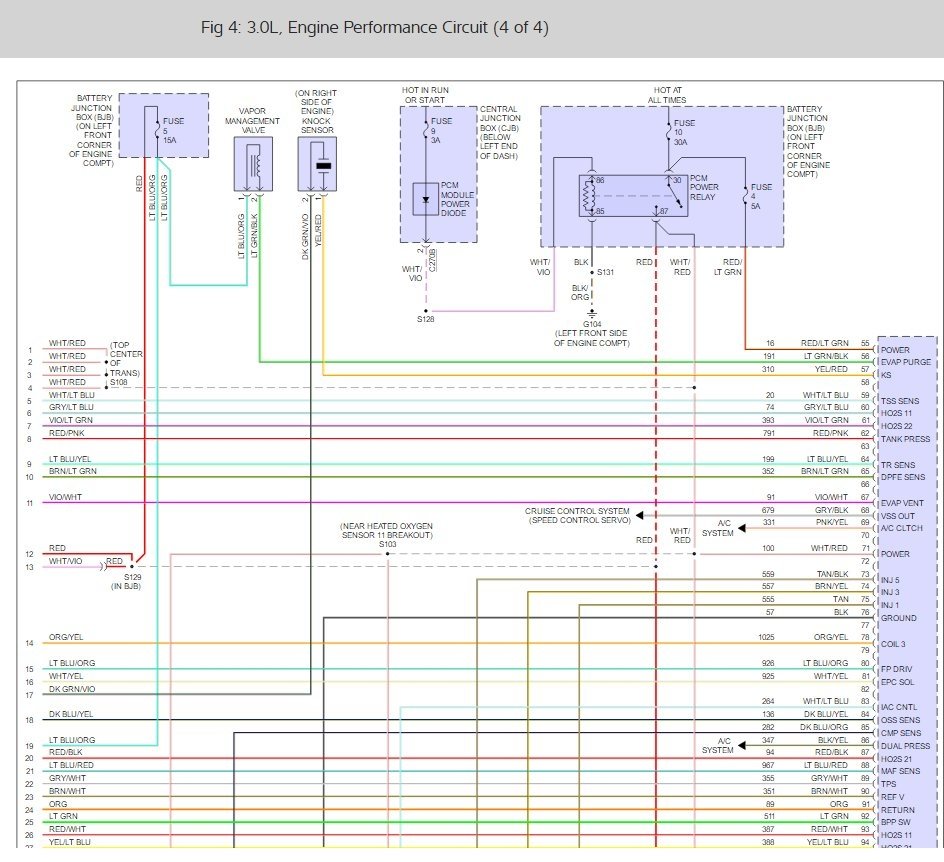
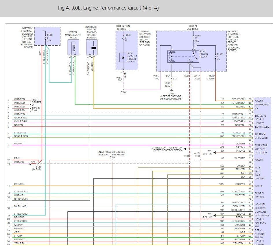
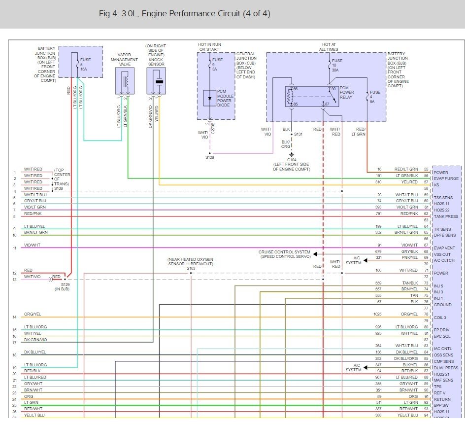
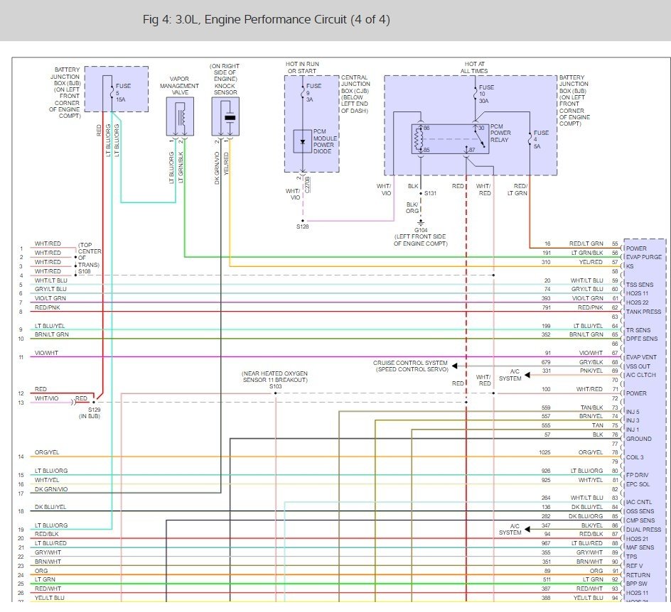
Is the right side wiring harness the one that comes from the computer and goes behind the engine, and to the right to the fuse and relay box? I have almost taken it out and still cannot find the plug. I am thinking it might have gotten cut off when I was installing the engine. The knock sensor is laying there and cannot find the other end of the plug! Does this year XLS model have a knock sensor? This is my first time pulling a engine out my self, and I am fifty one years old. Please help.




















