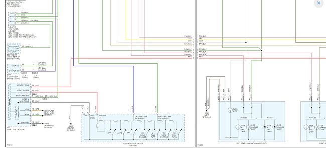
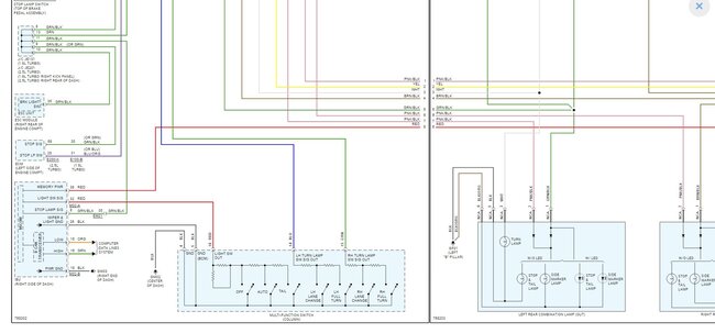
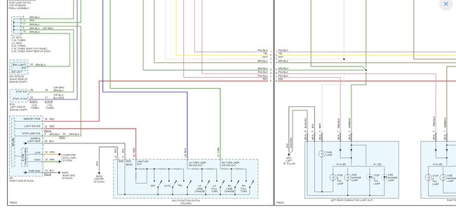
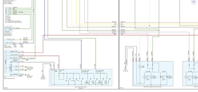
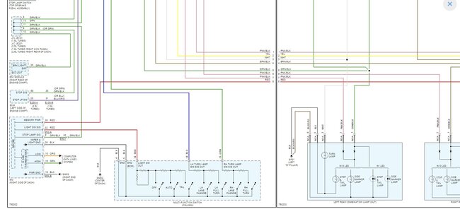
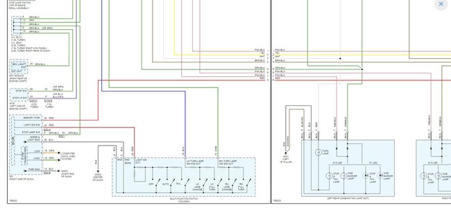
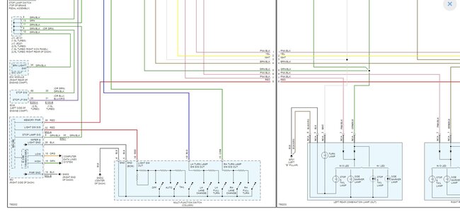
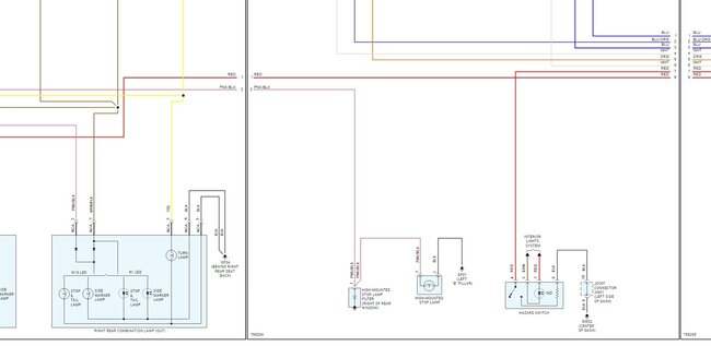
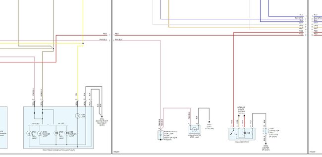
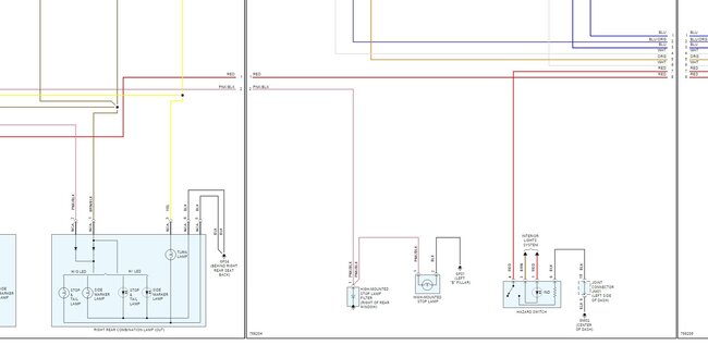
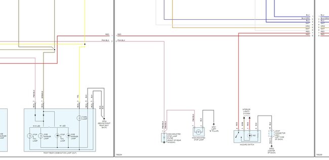
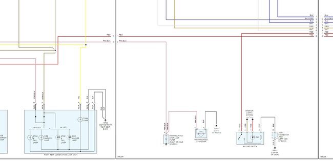
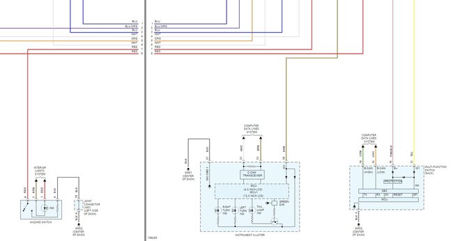
Before I send this one back, I want to ensure I’m getting power at the wiring harness so I can either begin tracing that side or at least inform the yard that their headlight is defective. I’m having a tough time tracking down a wiring diagram for the plug end and I’d rather not just start guessing and smoke something deeper into the vehicle. Thank you in advance.
The vehicle listed above is a GT500.
Chris
Sunday, February 25th, 2024 AT 6:59 AM


















