Radio Pinout Diagram needed?

Tiny
SCHEHAB
  • MEMBER
  • 2016 KIA SORENTO
  • 2.0L
  • 4 CYL
  • 4WD
  • AUTOMATIC
  • 100,000 MILES
I'm trying to upgrade my OEM 2016 Kia Sorento EX radio to the 2018 OEM radio with the touch screen and Android Auto. Both models are interchangeable but the wiring is different, and I was hoping someone has the pinout for the 2018 OEM radio (96160-C6400WK) so I can configure a connector.

Thanks.
Tuesday, March 14th, 2023 AT 10:44 PM

1 Reply

Tiny
KEN L
  • MASTER CERTIFIED MECHANIC
  • 55,512 POSTS
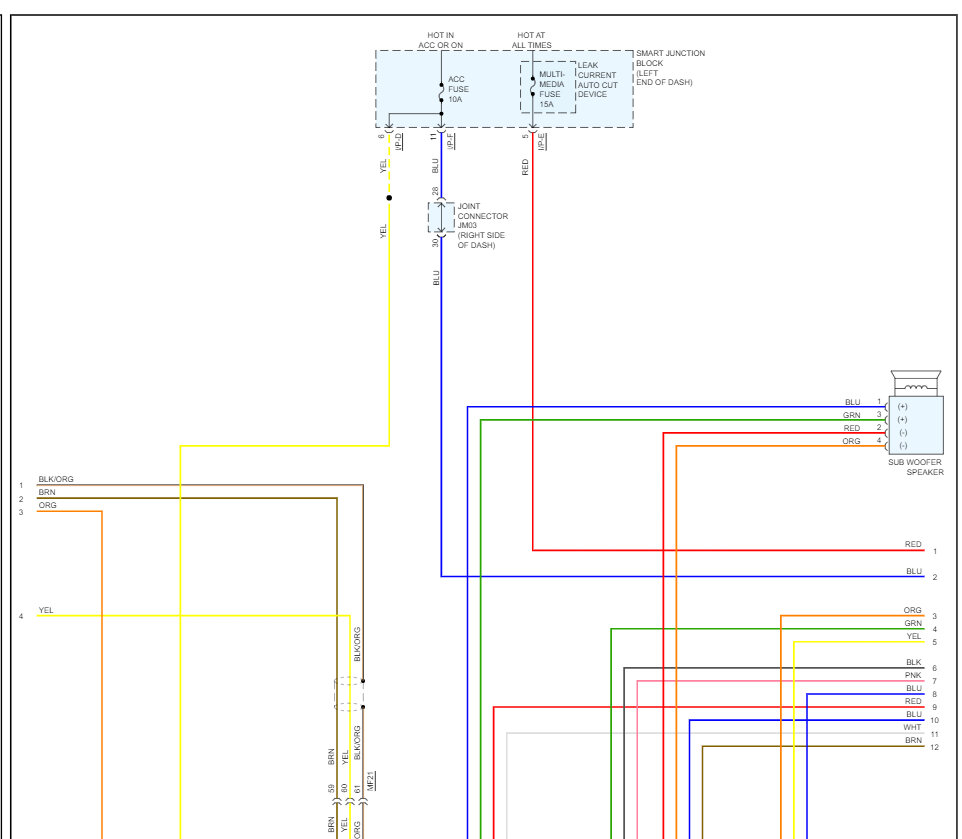
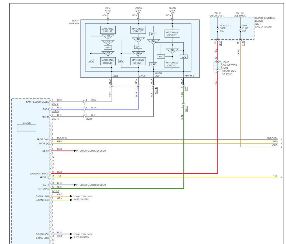
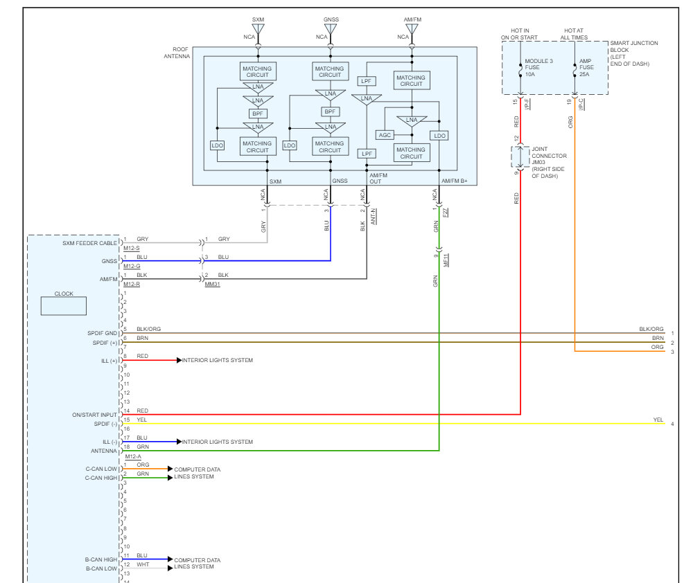
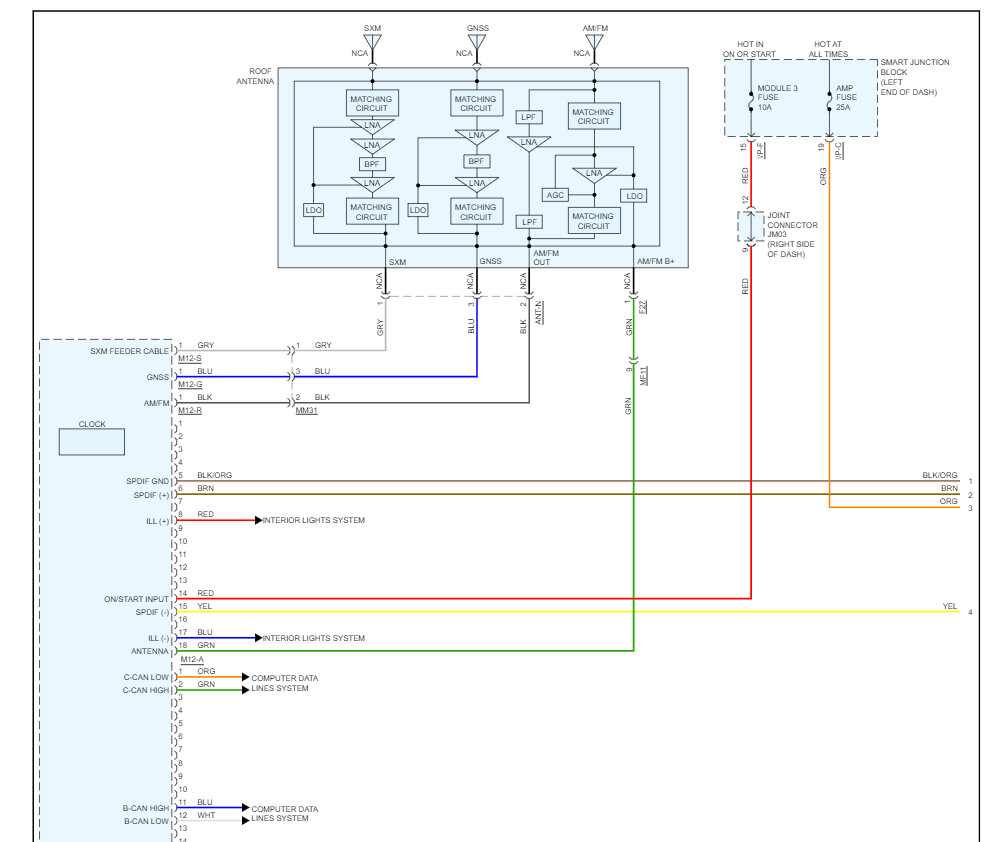
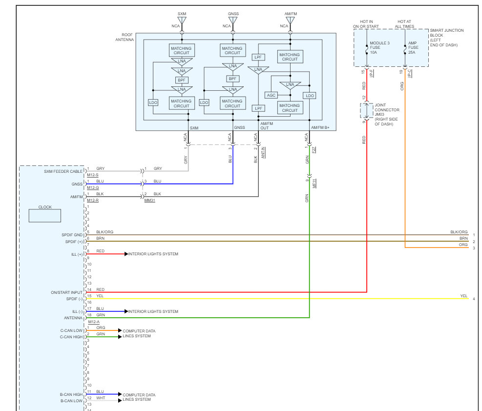
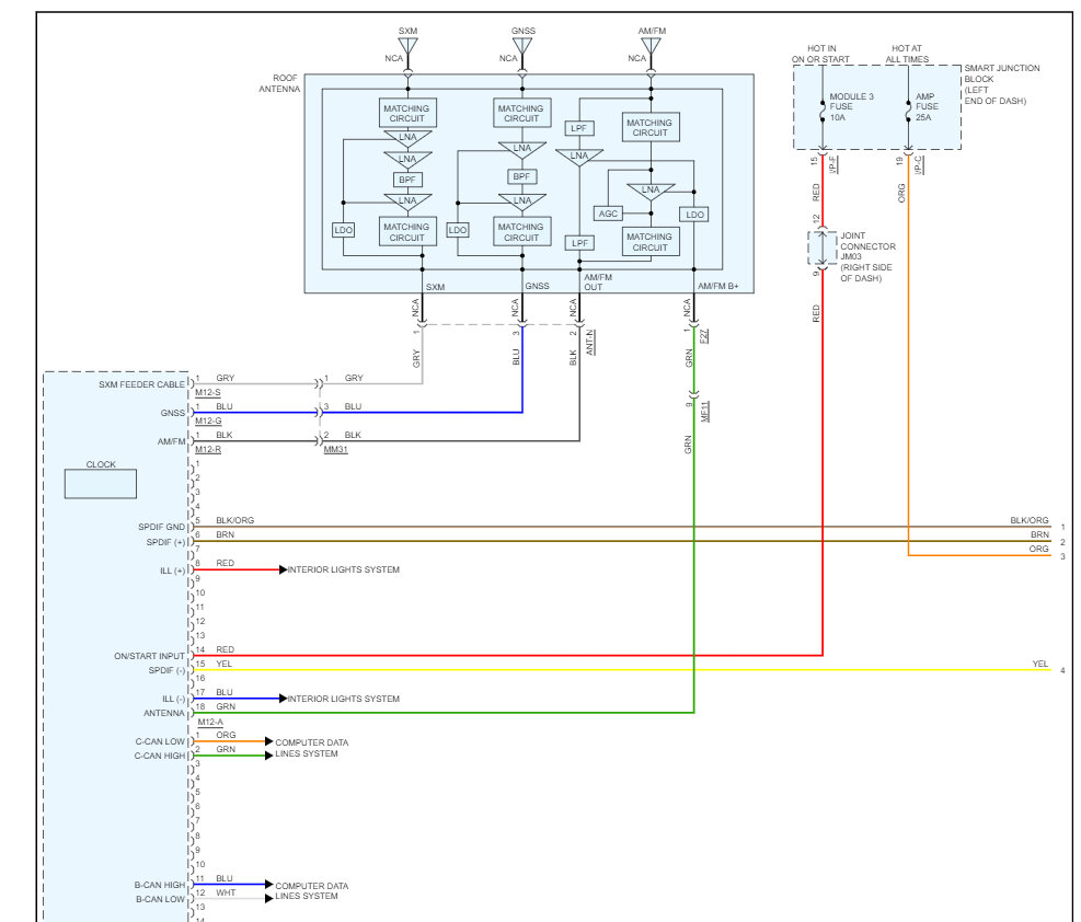
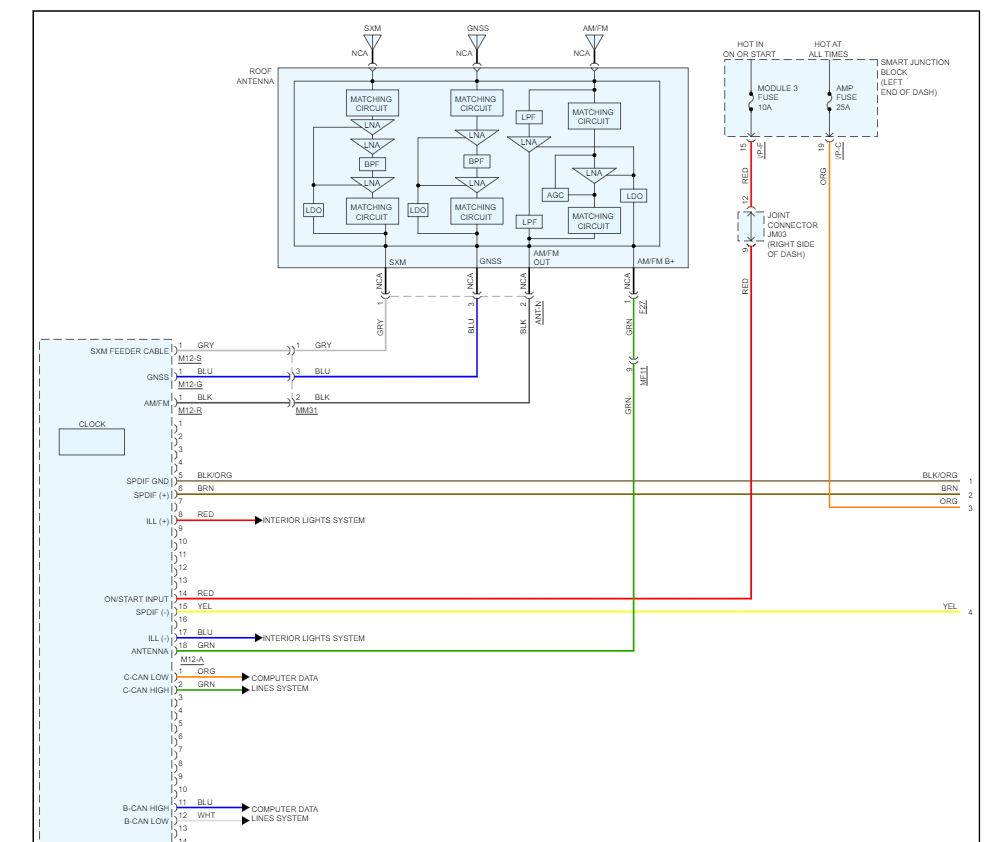
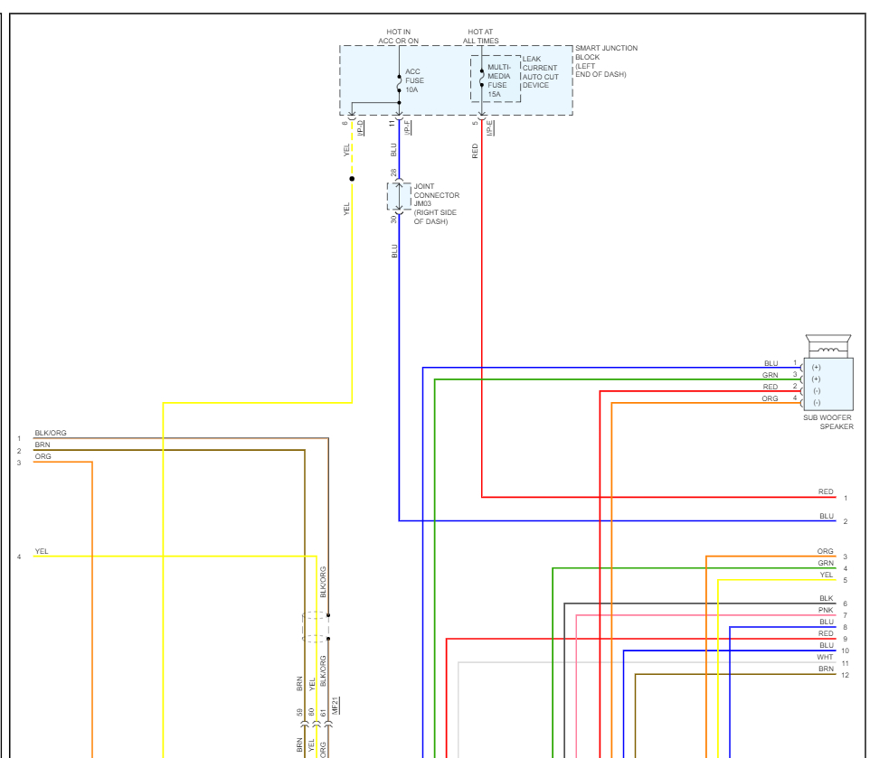
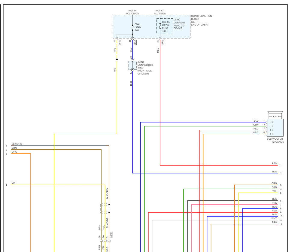
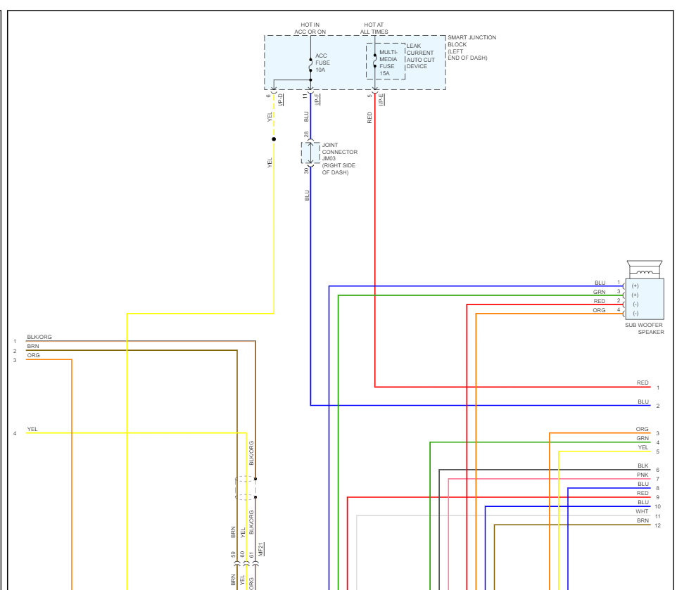
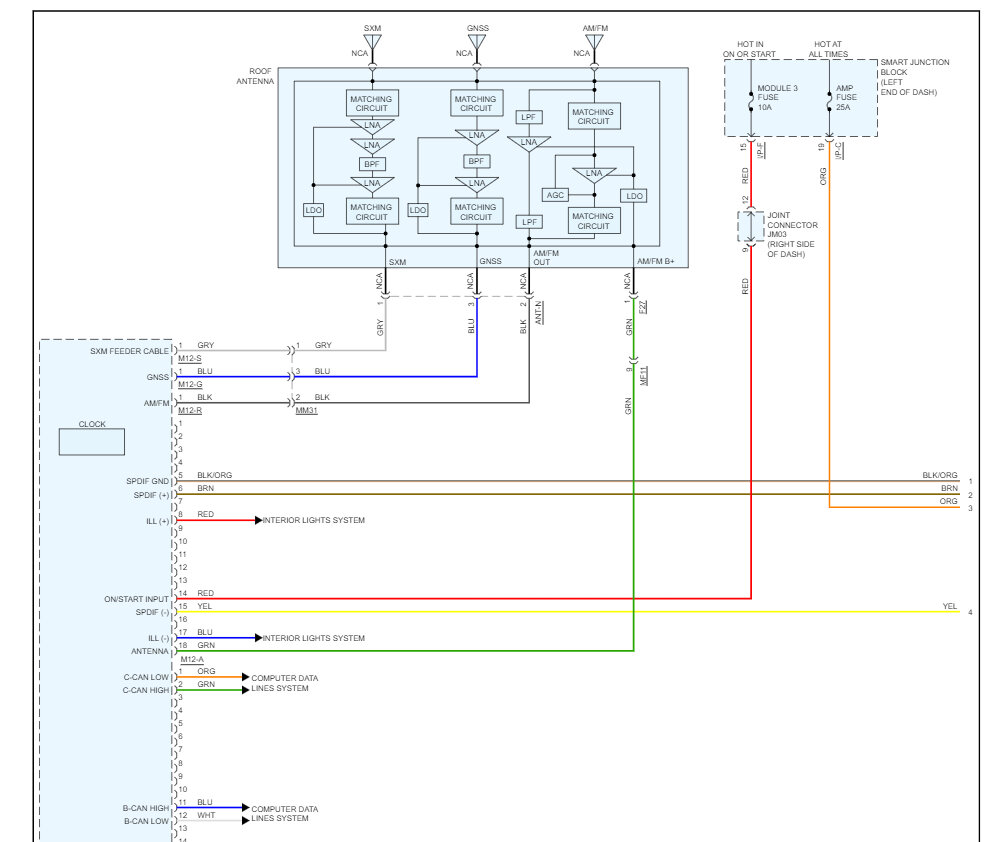
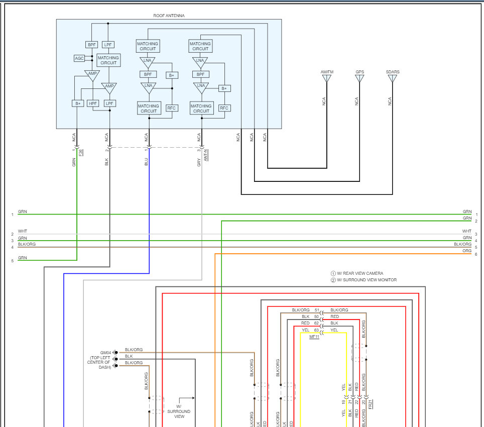
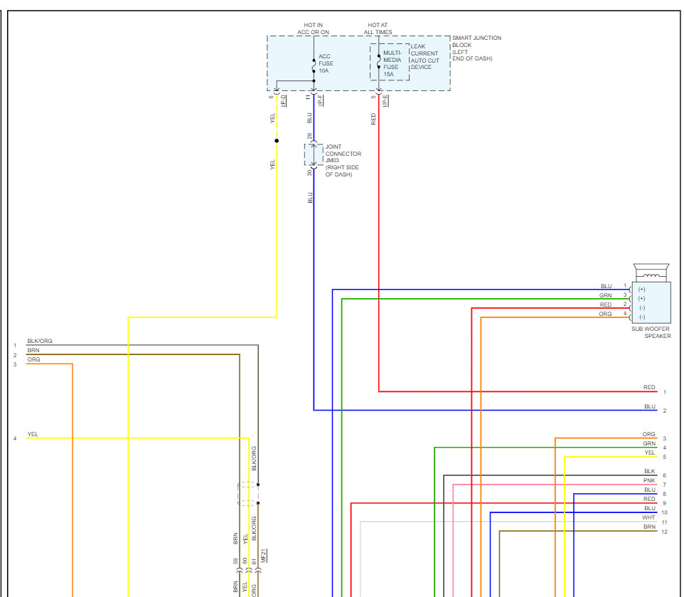
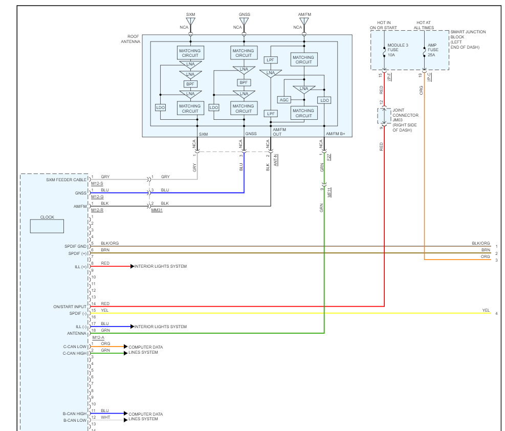
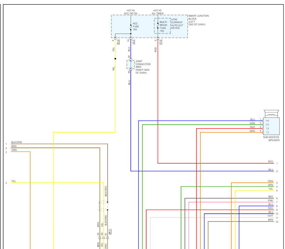
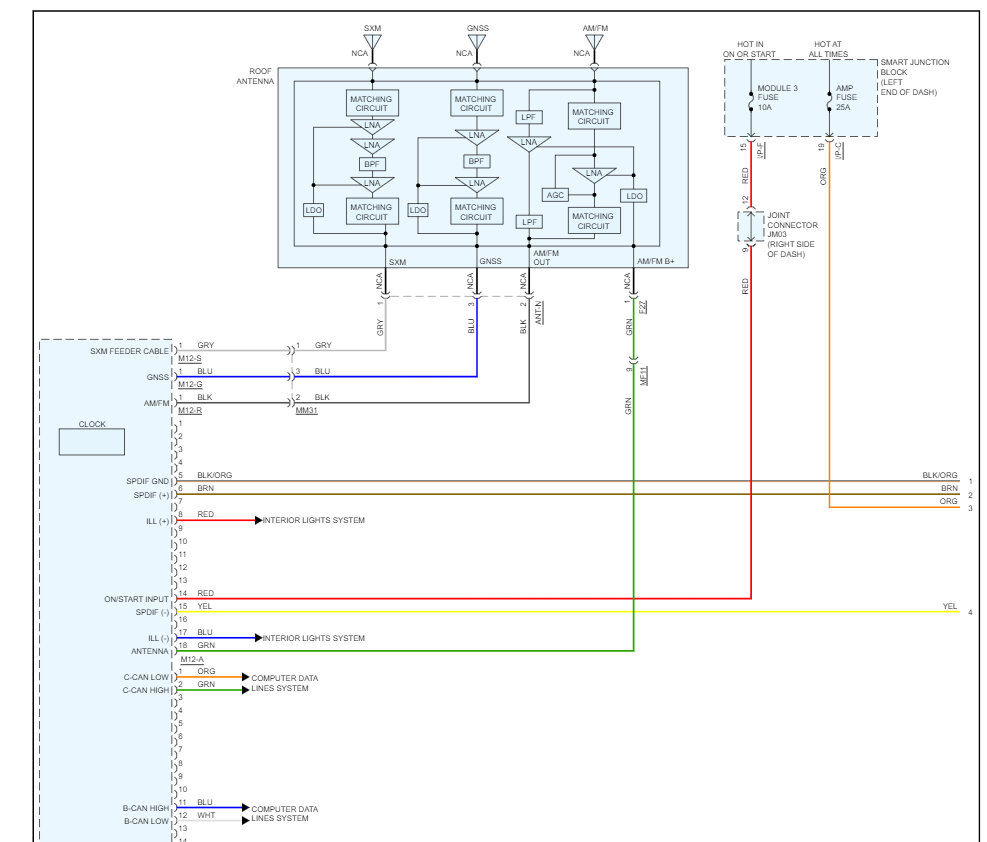
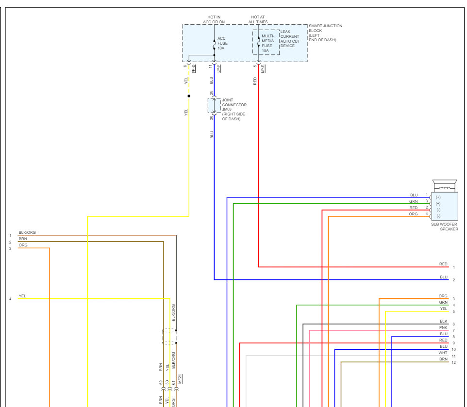
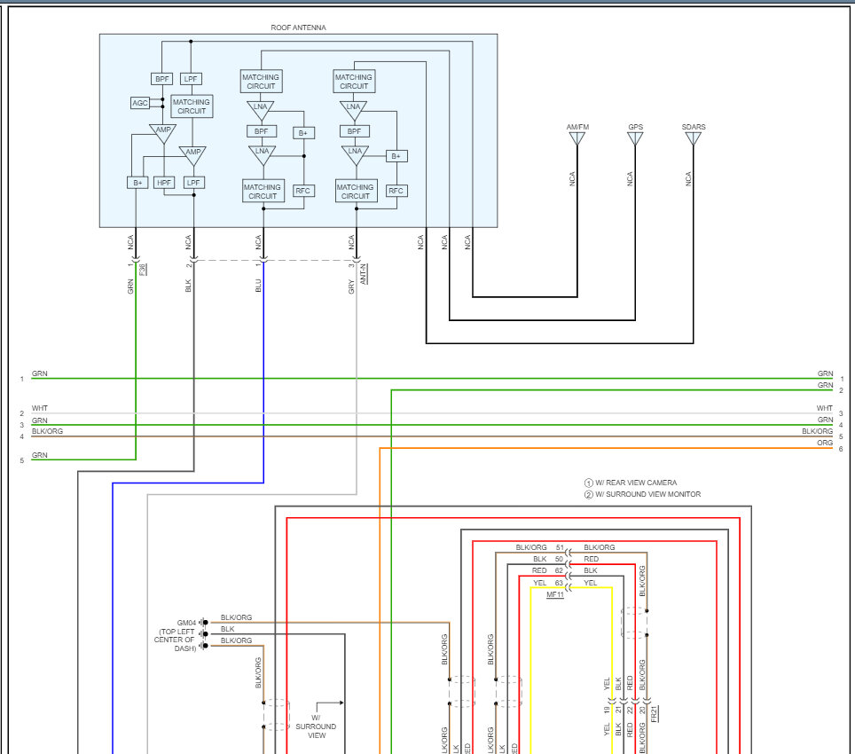
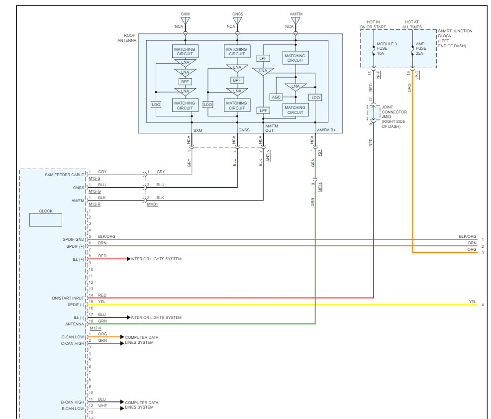
Here are the wiring diagrams for the radio so you can see what you need to change, and I have included a guide so you can run some tests.

https://www.2carpros.com/articles/how-to-check-wiring

Check out the images (below). Please let us know if you need anything else to get the problem fixed.

Was this
answer
helpful?
Yes
No
-1
Wednesday, March 15th, 2023 AT 2:43 PM

Please login or register to post a reply.