Keyless remote, I can unlock my doors using the key fob but cannot lock them?

Tiny
BJSMUSIC
  • MEMBER
  • 2011 CHEVROLET CAMARO
  • 3.6L
  • V6
  • 2WD
  • AUTOMATIC
  • 74,000 MILES
They lock and unlock using the lock switch inside the car.
Monday, June 19th, 2023 AT 11:29 AM

3 Replies

Tiny
KEN L
  • MASTER CERTIFIED MECHANIC
  • 55,281 POSTS
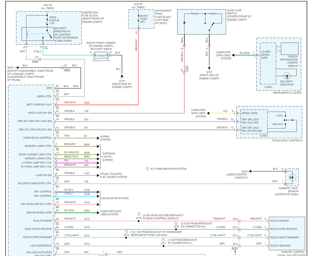
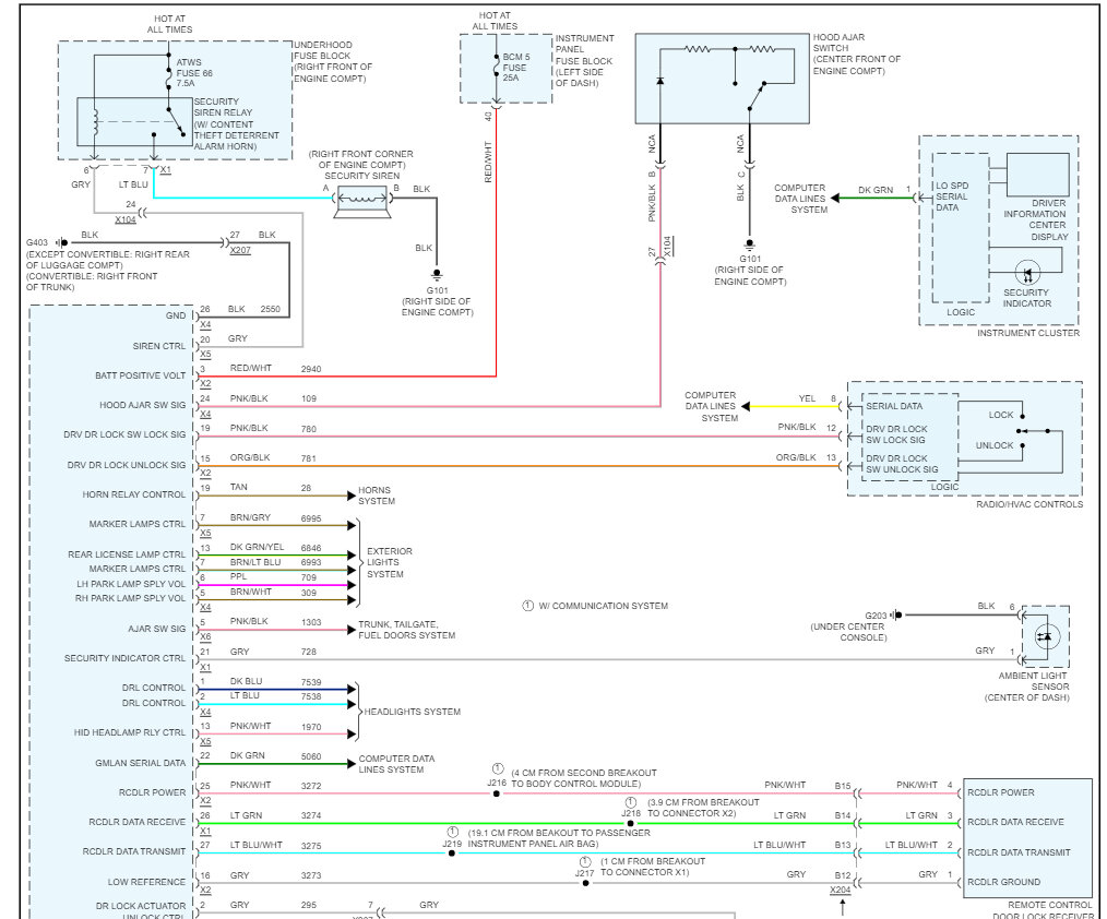
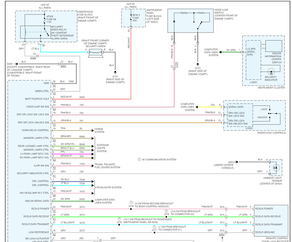
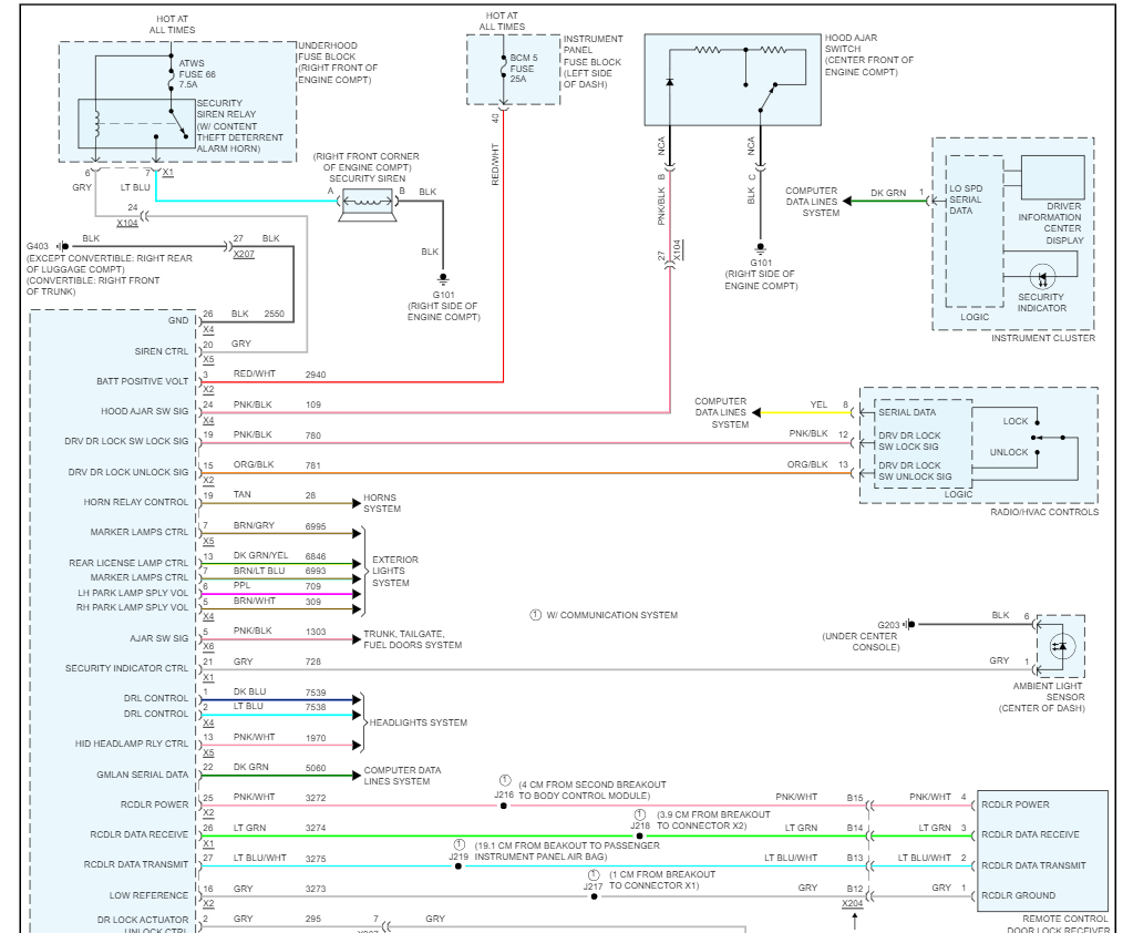
Most of the time the button on the remove goes bad. I would try a new one first. here are the wiring diagrams for the locks so you can see how the system works, also we can do a CAN scan to see if the BCM is bad which can cause this problem as well. You can get a CAN scanner (Controller Area Network) which will work on most cars from Amazon.

here is a video to show you how:

https://youtu.be/u-4syLc-ifQ

Here is a link to a new remote which you can program:

https://amzn.to/3CCNM9d

Here is how to change the BCM out as well in case you need it, you can get a preprogrammed unit by searching Google or Ebay. Check out the images (below). Please let us know how it goes.
Was this
answer
helpful?
Yes
No
Tuesday, June 20th, 2023 AT 4:05 PM
Tiny
BJSMUSIC
  • MEMBER
  • 3 POSTS
The button in the fob was bad, it would unlock but not lock! Replacement fob, fixed it. Thank you
Was this
answer
helpful?
Yes
No
Thursday, June 22nd, 2023 AT 2:32 PM
Tiny
KEN L
  • MASTER CERTIFIED MECHANIC
  • 55,281 POSTS
Thanks for letting us know, we are here to help, please use 2CarPros anytime.
Was this
answer
helpful?
Yes
No
+1
Friday, June 23rd, 2023 AT 10:22 AM

Please login or register to post a reply.