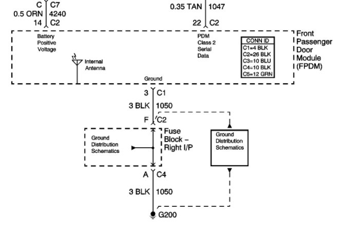
Tuesday, September 14th, 2021 AT 6:16 AM
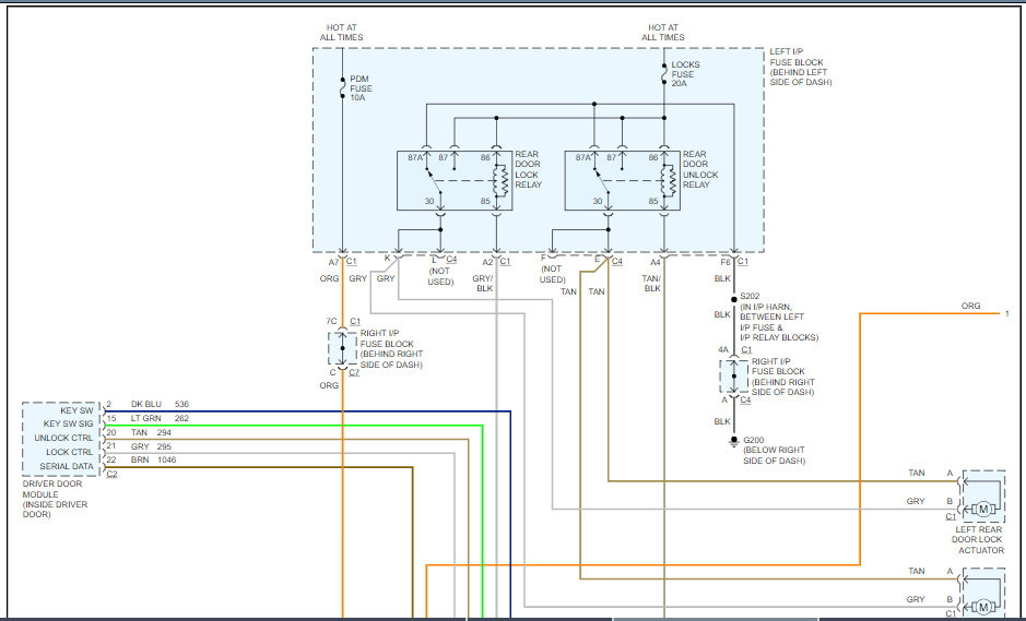
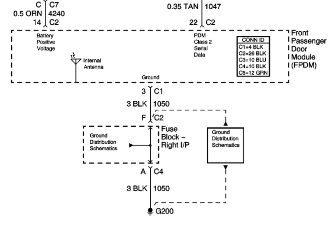
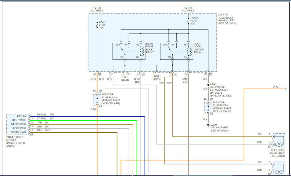
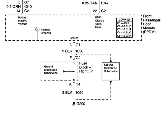
Hello, I would like to have the wiring diagram of the keyless entry for the truck listed above lt and how the keyless entry works.











