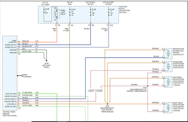
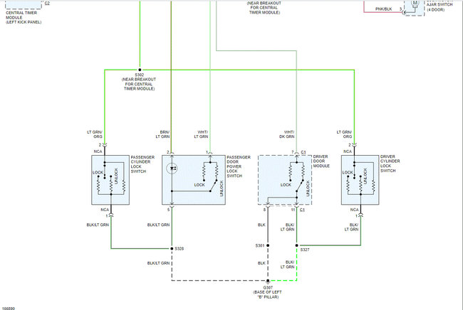
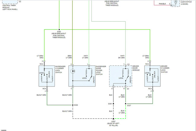
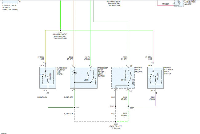
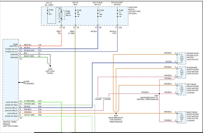
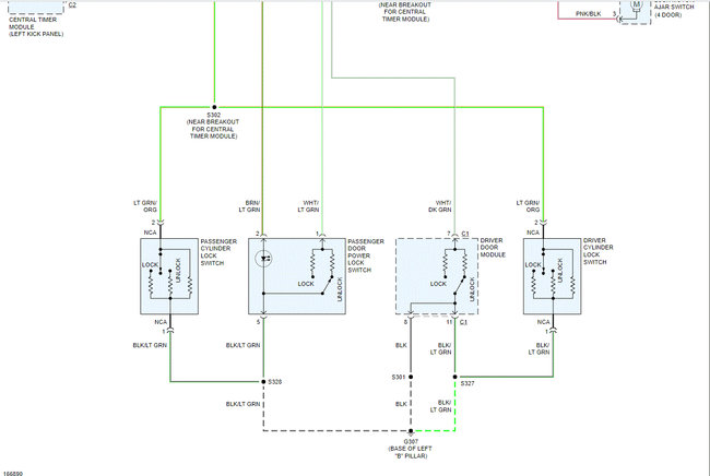
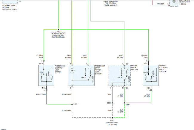
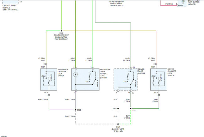
Thursday, April 1st, 2021 AT 5:52 PM
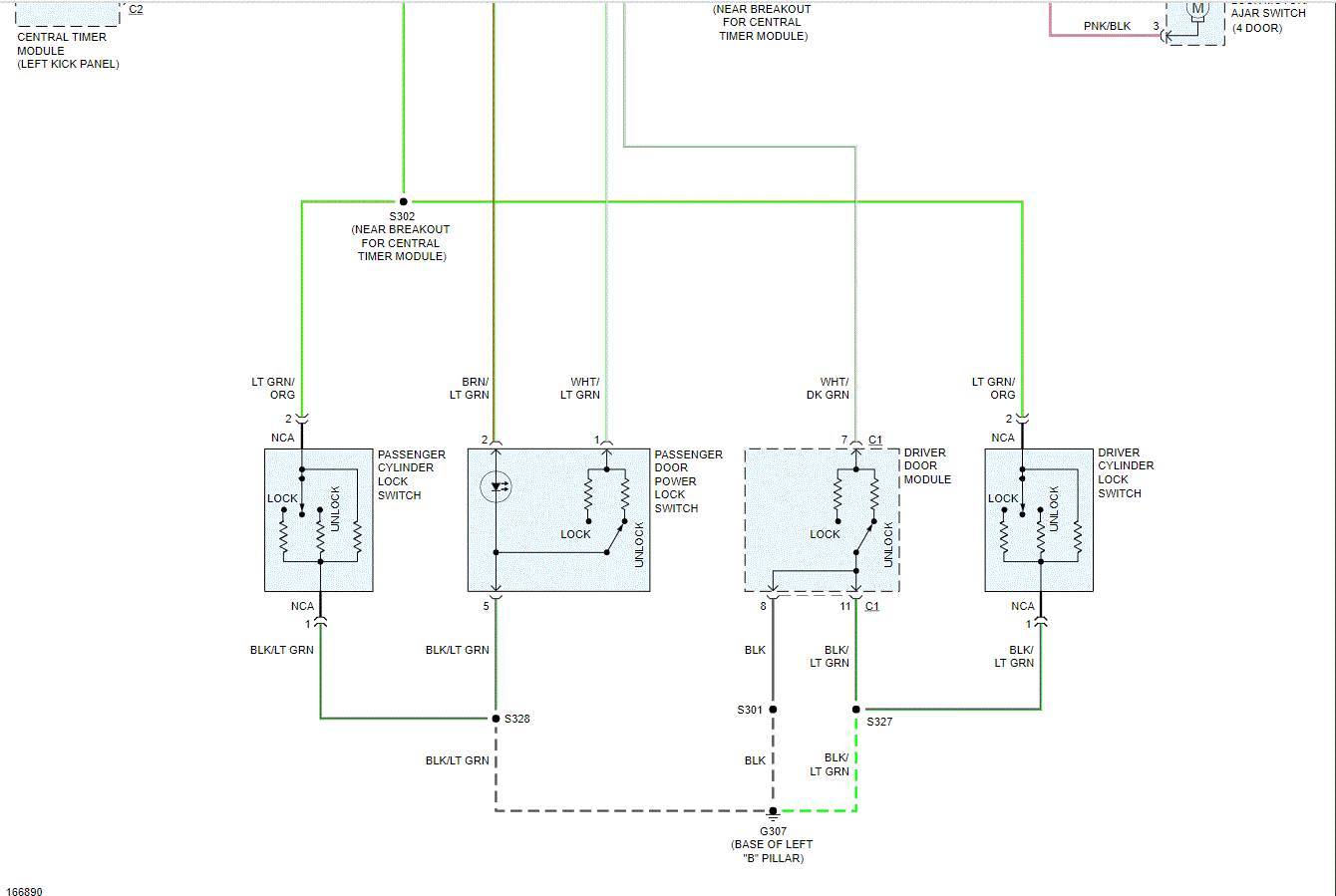
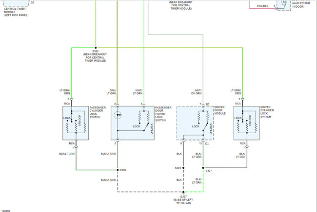
I have a auto starter system with keyless entry, I’m trying to install it on my vehicle but I can’t find the wires for the lock/unlock. Mine has a factory keyless that doesn’t work anymore.

