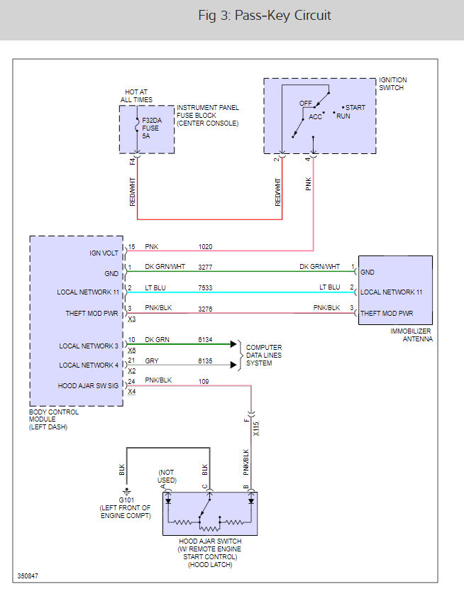
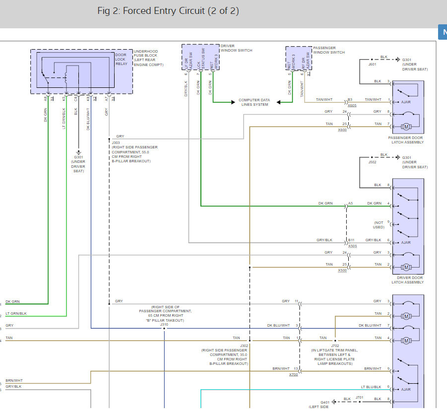
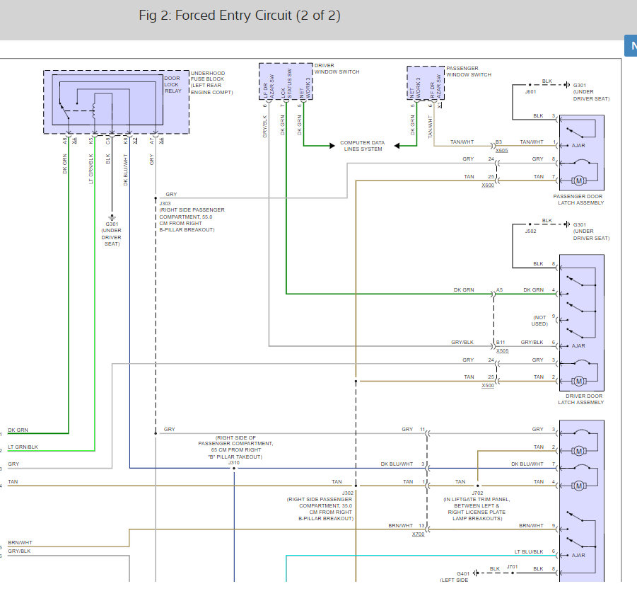
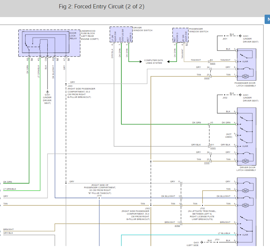
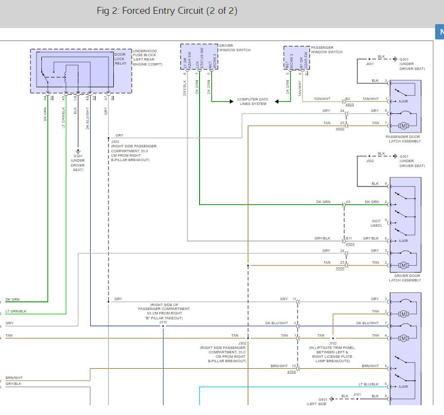
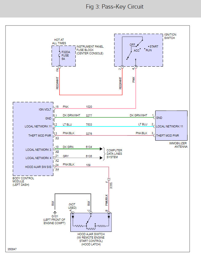
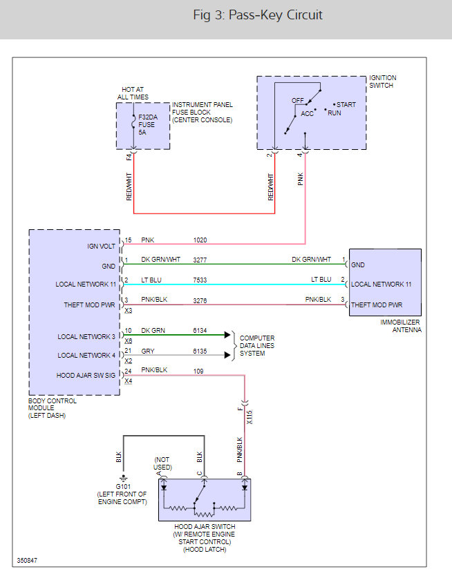
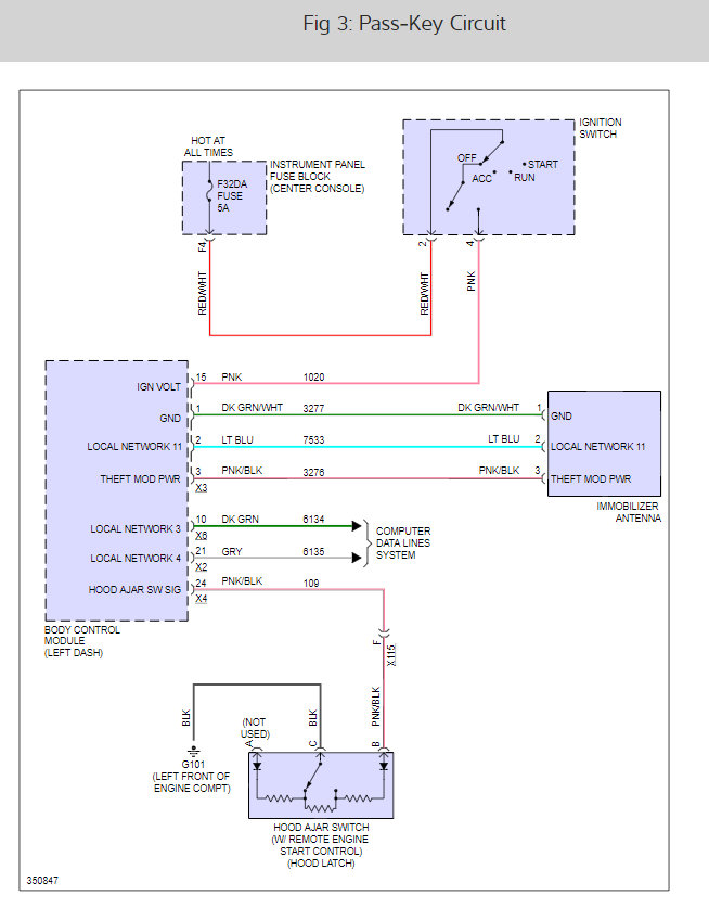
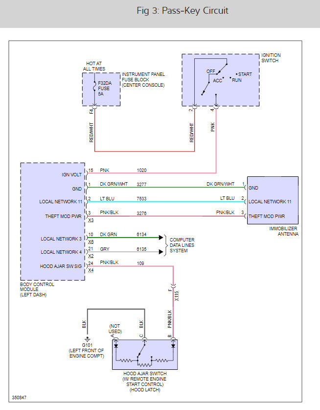
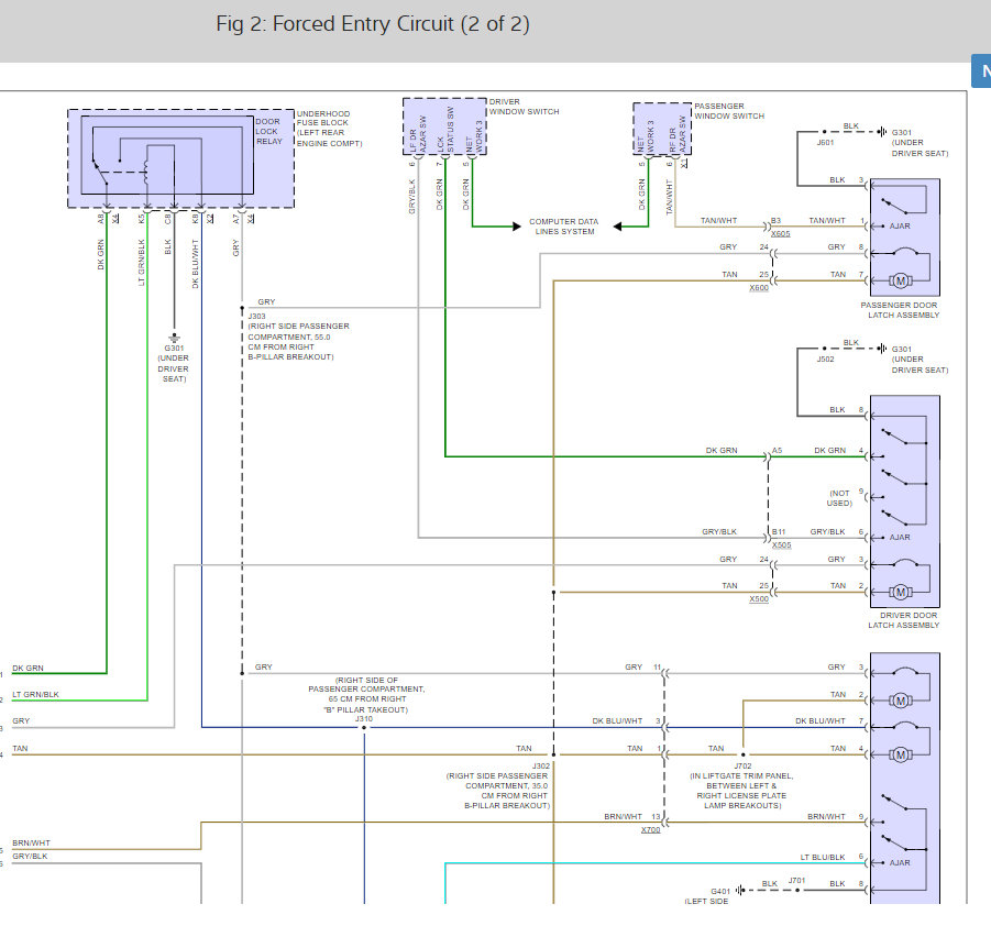
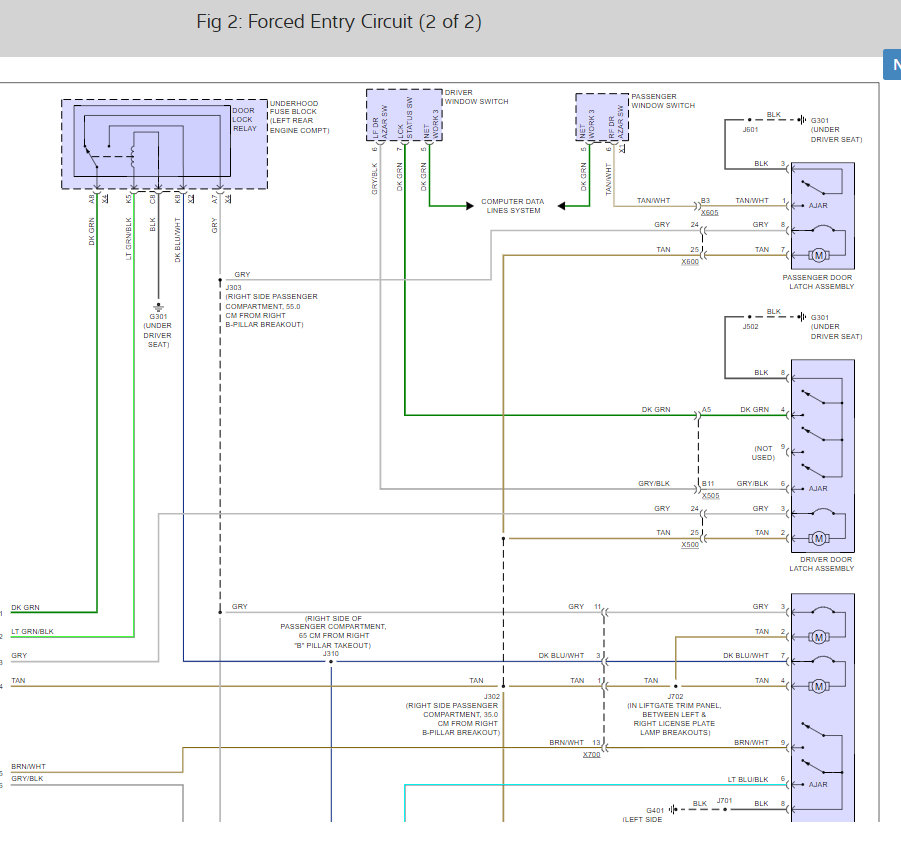
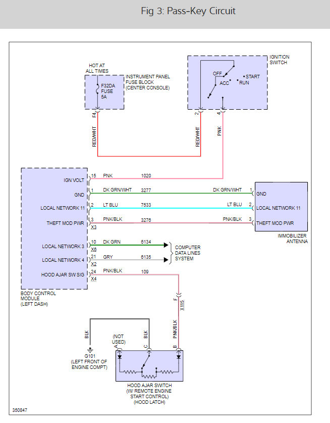
I have a key fob that is able to lock the doors but not unlock due to the button being broken. when I unlock the doors manually it sets off an alarm until I start the vehicle. even locking the doors manually inside the vehicle, it sets off the alarm when unlocking it. what is the issue?
Feb 28, 2018 at 9:30 PM





